Hallo, ich wollte mich in die Programmierung von CPLDs der serie XILINX XC 9500XL einarbeiten. Leider finde ich nirgends einen schaltplan für einen programmer. kann mir jemand weiterhelfen. Gruß Matthias
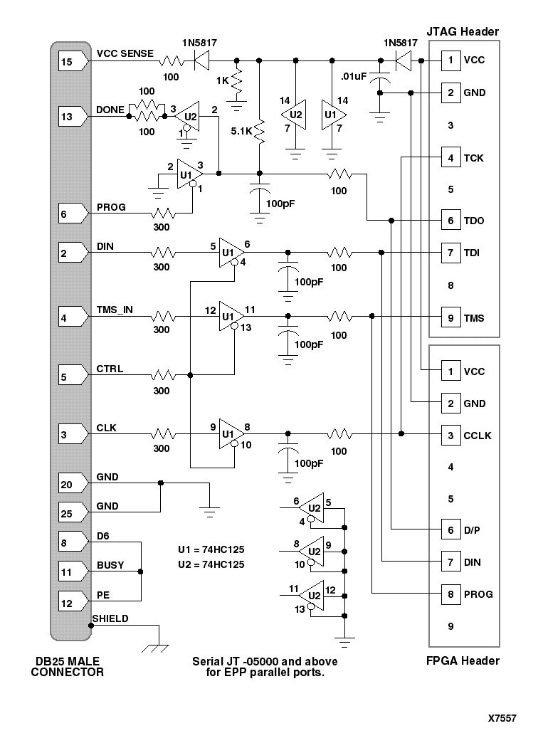
Klar kann dir geholfen werden :) Ich hab mir den hier aufgebaut: http://warmcat.com/milksop/cheaptag.html Funktioniert tadelos auch unter XP ohne zusätzliche Treiber zusammen mit dem Xilinx Webpack. Alternativ kannst du dir den im Anhang aufbauen, das ist der Programmer den Xilinx als Prallel III Programmer verkauft. Gruß Thorsten
hab ebenfalls den Xilinx Parallel Port Programmer nachgebaut, funzt einwandfrei. wenn man erst einmal ein paar VHDL Tricks kennt macht es einfach nur noch Spass. Diskrete Logik wird bei mir seitdem gnadenlos durch XC9536/72XL ersetzt...
zur Einarbeitung in VHDL fand ich http://www.vhdl-online.de/tutorial/ ganz hilfreich und für die Feinheiten dann die XILINX Appnote xapp105
Bitte melde dich an um einen Beitrag zu schreiben. Anmeldung ist kostenlos und dauert nur eine Minute.
Bestehender Account
Schon ein Account bei Google/GoogleMail? Keine Anmeldung erforderlich!
Mit Google-Account einloggen
Mit Google-Account einloggen
Noch kein Account? Hier anmelden.
