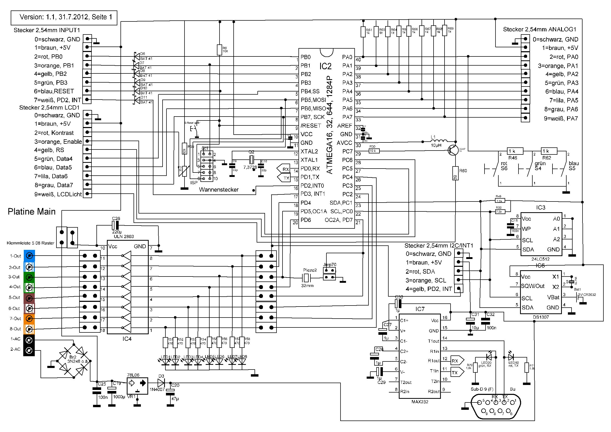
Schönen Guten Morgen, jetzt beschäftige ich mich hobbymäßig schon knapp 1 Jahr mit den AVRs und muss sagen, da ist wirklich vieles möglich. Aus der Erfahrung 2-er Türsteuerungsprojekte (mühsam auf Lochrasterplatte aufgebaut) habe ich mir jetzt eine Universal-Wunschplatine zusammengestellt, die verfügbaren fertigen Platinen haben halt alle ihre Schwachstellen, z.B. ist mir die myAVR mk2 viel zu klein - die ist wirklich nur für Anfänger. Folgendes habe ich jetzt auf einer Main-Platine: 1) Netzteil mit AC-Eingang und Spannungsregler, entkoppelt über Diode 1) Atmega 40polig mit externem Quarz 3) Resettaster on board 4) ISP-Schnittstelle 10-polig 5) LCD-Stecker 10-polig mit schaltbarer Displaybeleuchtung und Kontrast 6) RS-232 mit MAX232N und Buchse 7) Piezoausgang an PD5 oder PD7 (oder dazwischen) 8) Treiber ULN2803 wahlweise an 5 Volt oder ca. 12 Volt mit LEDs, über Jumper oder Lötpads beliebige Parallelführungen möglich 9) I2C-Bus für EEPROM und Uhr DS1307 sowie Stecker für weitere Ausgänge 10) Analogbus mit Vorwiderständen gegen Plus Jetzt meine Fragen: 1) Gibts sowas ähnliches fertig (das oben sind Mindestanforderungen) 2) Gibt es Firmen/Internet-Adressen, die aus dem Schaltplan das Layout und die fertige Platine erstellen?
Manfred S. schrieb: > 1) Gibts sowas ähnliches fertig (das oben sind Mindestanforderungen) Gibts sicher bei irgendwelchen Firmen. Das sind sog. Entiwcklungsboards. Da gibt es eigentlich 2 Philosophien. Die einen bauen möglichst viel auf ein einzelnes Board. Die anderen bauen lieber spartanisch und setzen dafür auf standardisierte Anschlüsse an die ebenfalls standardisierte Erweiterungsplatinen angeschlossen werden. Mein System ist nach letzter Manier. Vorteil: Ich kann zb. mein LCD an jeden beliebigem Port anstecken, je nachdem wie es der Thread-Fragesteller hat. > 2) Gibt es Firmen/Internet-Adressen, die aus dem Schaltplan das Layout > und die fertige Platine erstellen? Warum nicht selber routen? So schwer ist das nicht. Das meiste sind geradlinige Verbindungen von nebeneinander liegenden Leitungen zu einem Anschluss am Platinenrand. Und manchmal liegen bei dir dann noch ein paar Bauteile dazwischen. Die geroutete Platine kannst du dann ja fertigen lassen.
Hi >Aus der Erfahrung 2-er Türsteuerungsprojekte (mühsam auf >Lochrasterplatte aufgebaut) habe ich mir jetzt eine >Universal-Wunschplatine zusammengestellt, Was ist an der Platine universell? Solange du dein Süppchen mit den paar Komponenten auf dem Board kochst, mag es ja noch gehen. Aber bei Erweiterungen sieht es mau aus. Die Analogeingänge sind dank der Pull-Up-Widerstände praktisch unbrauchbar. PortB hast du mit Dioden kastriert. >1) Netzteil mit AC-Eingang und Spannungsregler, entkoppelt über Diode Was soll die Diode entkoppeln? Der Rest ist auch etwas 'merkwürdig'. >2) Gibt es Firmen/Internet-Adressen, die aus dem Schaltplan das Layout >und die fertige Platine erstellen? Dazu müsste erstmal ein verwertbarer Schaltplan vorliegen. Und ich glaube nicht, das du das wirklich bezahlen willst. MfG Spess
spess53 schrieb: > Hi > >>Aus der Erfahrung 2-er Türsteuerungsprojekte (mühsam auf >>Lochrasterplatte aufgebaut) habe ich mir jetzt eine >>Universal-Wunschplatine zusammengestellt, > > Was ist an der Platine universell? > > Solange du dein Süppchen mit den paar Komponenten auf dem Board kochst, > mag es ja noch gehen. Aber bei Erweiterungen sieht es mau aus. Die > Analogeingänge sind dank der Pull-Up-Widerstände praktisch unbrauchbar. > PortB hast du mit Dioden kastriert. Ja, das stimmt zwar, aber besser die Bauteile sind zumindest einmal auf der Platine vorgesehen, unbestückt lassen und gut ist es. Anstelle der 1k Widerstände kann ich je nach Bedarf auch andere Werte bestücken. Das selbe gilt für die Eingangs-Schottkydioden BAT 41. > >>1) Netzteil mit AC-Eingang und Spannungsregler, entkoppelt über Diode > > Was soll die Diode entkoppeln? Der Rest ist auch etwas 'merkwürdig'. Den ISP-Anschluss, damit der Programmer nicht abfackelt. Der ULN2803 kann je nach Anwendung an +5 oder +12 angehängt werden. Was ist sonst noch merkwürdig? Weitere Kritik erwünscht! > >>2) Gibt es Firmen/Internet-Adressen, die aus dem Schaltplan das Layout >>und die fertige Platine erstellen? > > Dazu müsste erstmal ein verwertbarer Schaltplan vorliegen. > Und ich glaube nicht, das du das wirklich bezahlen willst. > > MfG Spess Naja, ein paar hundert Euro wäre es mir schon wert.
Hi >Den ISP-Anschluss, damit der Programmer nicht abfackelt. Wie soll sie das machen? Das einzige, was 'geschützt' wird ist der Spannungsregler. >Der ULN2803 kann je nach Anwendung an +5 oder +12 angehängt werden. Ist doch uninteressant. Der ULN hat keine Stromversorgung. An Pin10 liegen lediglich die internen Freilaufdioden des ULN. Und die in Sperrichtung. >Naja, ein paar hundert Euro wäre es mir schon wert. Optimist. MfG Spess
Karl Heinz Buchegger schrieb: > Mein System ist nach letzter Manier. Vorteil: Ich kann zb. mein LCD an > jeden beliebigem Port anstecken, je nachdem wie es der > Thread-Fragesteller hat. Hallo, könntest du bitte ein Foto davon machen? Dein System hört sich gut an.
1234 schrieb: > Karl Heinz Buchegger schrieb: >> Mein System ist nach letzter Manier. Vorteil: Ich kann zb. mein LCD an >> jeden beliebigem Port anstecken, je nachdem wie es der >> Thread-Fragesteller hat. > > Hallo, > > könntest du bitte ein Foto davon machen? Dein System hört sich gut an. Is nix besonderes. 'Hauptplatine' mit einem Mega32 drauf + 7805 + MAX232 + ISP + Quarz der MAX hängt über Jumper an den Pins Alle µC-Ports sind an 2*5 Wannenstecker herausgeführt. 8 Datenbits + Vcc + GND. Alle sind gleich belegt. (Ach ja. Ich hab auch noch eine 2.te Hauptplatine mit einem Mega8 drauf. Wieder: gleich belegte Wannenstecker) Dazu hab ich dann Zusatzplatinen, die bestimmte Bereiche abdecken. Jede hat ebenfalls 2*5 Wannenstecker. Verbunden wird alles mit 10-poligen Flachbandkabeln. Da gibt es zb eine auf der einfach nur 8 LED sind + 8 Taster (die nächste Version wird dann auch den Wannenstecker auf einen 2-ten Wannenstecker durchverbinden, so dass ich die Platine als Vorschaltplatine für eine andere benutzen kann, um mit den LED zu sehen, was sich auf den Leitungen tut) Dann gibts da eine Platine, auf der einfach nur 8 Steckanschlüsse für Servos sind. Auf einer anderen sitzen ein paar Potis, auf einer ein LCD. und dann hab ich noch ein Flachbandkabel, bei dem ich an einem Ende einen Adapter drann hab, um ihn in ein Steckbrett einzustecken. Ist ganz nützlich für schnelle, fliegende Aufbauten. Vorteil: ich kann mir die Konfiguration flexibel zusammstecken, die ich haben will ohne dass ich mir bestimmte Pins mit fixer Hardware verbaut habe. Und wenn ich mal was spezielles brauche, schnapp ich mir ein Stück Lochraster, da kommt dann eine 2*5 Wanne drauf und eben die spezielle Schaltung. Irgendwann mach ich da mal eine vorgefertigte Platine, die den Anschluss und ein Lochfeld hat Als Entwicklungssystem reicht mir das um mit der Programmierung loslegen zu können. Für das tatsächliche Projekt mach ich dann sowieso eine massgeschneiderte Platine.
Hier das Layout der Platine für deine Anforderungen. weitere Infos hier: http://www.et2.tu-harburg.de/lehre/Hobbythek/Projekte/AVR_Board.htm Zu den Erweiterungen, schau dir das mal an, http://www.voti.nl/dwarf/ Ist zwar nicht kompatibel mit obiger Platine, bei Bedarf habe ich das Layout welches mit dem DWarf system kompatibel ist und auch das Layout einer Eurokarte für ein Starterset, einfach Melden.
Sorry für das Bildformat, habe es erst zu spät bemerkt, bitte das Bild des vorigen Post entfernen oder austauschen. (Mod.: Bild im vorherigen Beitrag entfernt)
Danke für die Rückmeldungen, sind ja auch einige interessante Infos über andere (Experimentier)platinen dabei. @spess53: es ist schon klar, dass der ULN2803 keine eigene Spannungsversorgung braucht. Reicht es wirklich, die Schutzdioden an +5Volt zu hängen, während die Lasten (z.B. Relais, Schrittmotoren) an +12Volt hängen?
Hi >Reicht es wirklich, die Schutzdioden an +5Volt zu hängen, während die >Lasten (z.B. Relais, Schrittmotoren) an +12Volt hängen? Nein. Und für die meisten Schrittmotoren ist der ULN gar nicht geeignet. Für den Rest ist er eine Krücke. MfG Spess
Hi
>Hmm, danke für die Info - was ist dann die Alternative?
An was für Schrittmotoren denkst du denn? Pauschale Alternativen gibt es
nicht.
MfG Spess
Schrittmotoren waren nur ein Beispiel, da mache ich weniger. Nachdem der ULN2803 auch in meinem Flipper eingebaut ist (Pinball 2000 Star Wars Episode 1 und dort ein Laserschwert mehr oder weniger erfolgreich treibt), habe ich ihn eingesetzt: 12 Volt Türöffner (die mit dem surrenden Magnet) 5 oder 12 Volt Relais 8 Ohm Lautsprecher direkt über CTC und ULN2803 angesteuert. So ist er vielleicht etwas überholt, aber praktisch, weil ja keine zusätzlichen Widerstände und Komponenten notwendig sind. Etwas irritierend ist vielleicht die invertierende Schaltstufe, aber meist werden Lasten ohnedies gegen Plus geschaltet. Oder gibts schon bessere FET-Bausteine
Karl Heinz Buchegger schrieb: Warum nicht selber routen? So schwer ist das nicht. Das meiste sind > geradlinige Verbindungen von nebeneinander liegenden Leitungen zu einem > Anschluss am Platinenrand. Und manchmal liegen bei dir dann noch ein > paar Bauteile dazwischen. > Die geroutete Platine kannst du dann ja fertigen lassen. Hmm, klingt schon verlockend - nur für meinen Fall: welches Routingprogramm ist hierfür geeignet? (möglichst so einfach wie Splan) Ich bin von meinem Schaltplan überzeugt und bin eigentlich überrascht, dass auf den sonst üblichen Evaluierungsplatinen nicht zumindest Sockeln für DS1307 und 24LCxx vorhanden sind - ohne Uhr und Logging-Speicher gibts ab 16KB RAM für den AVR bei mir keine denkbaren Anwendungen..
Manfred S. schrieb: > welches > Routingprogramm ist hierfür geeignet? (möglichst so einfach wie Splan) Nimm doch SPrint vom gleichen Hersteller.
Hallo Manfred, sicherlich gibt es genug Evalboards auf dem Markt, doch darum geht es dir ja nicht. Das Hobby steht im Vordergrund – gut so! Hier meine Vorschläge: Port A, Widerstände mittels „Mäuseklavier“ wahlweise zuschaltbar machen, Zusätzlich zur RS232 einen FTDI oder etwas Ähnliches für USB vorsehen, SD-Card Anschluss am SPI Bus, Schutzdioden aus Port B entfernen oder wie bei Widerständen mit Mäuseklavier, ISP 6 und 10 polig, Den ganzen Aufbau so gestalten, dass er in ein handelsübliches Gehäuse passt. Gruß Joe
Danke Joe, ich muss sagen, sicher einer der besten Beiträge - danke für die vielen Tipps und das Feedback Genau - es muss eine eigene Platine sein.., die quasi der Kern der Anwendungen ist und vieles schon an Board hat und "Ausdruck der eigenen Kreativität ist" ;-) Den ISP-6-polig werd ich auf jedem Fall vorsehen, die 6 auf 10 Kabeladapter sind und bleiben meist unisoliert und sind unpraktisch. Die Mäuseklaviere brauche ich eher nicht, möchte so ca. 10-20 Platinen bauen lassen und dann je nach Bedarf Teile bestücken, Drahtbrücken reingeben oder eben unbestückt lassen. Hmm, SD-Karte wäre eine feine Sache, habe ich mir softwaremäßig noch nicht angesehen - dann müsste ich das LCD auf andere Ports geben oder unbestückt lassen - kann ich die nachträglich über einen 10-poligen ISP anhängen? Brauche ich dann wh. zusätzlich SS-Select PIN PB4? Den FTDI vorsehen ist eine sehr gute Idee, denk jetzt an einen FT232, denn es aber meines Wissens nur als SMD-Ausführung gibt... besser wäre ein (für mich) lötbarer DIL o.ä. Hat hier wer einen Tipp? Noch schöner wäre ja eine Art Gateway RS232 auf Bluetooth oder WLAN - aber das wird man nicht immer brauchen und könnte man ja auch auf RS232 draufhängen. Da fällt mir gerade ein, die RS232 könnte man ja dann optional auch mit Spannung versorgen...
Hallo Manfred, die SD-Karte hängt nur parallel am Bus (MOSI, MISO, SCK), es ist nur noch ein zusätzliches Pin für CS notwendig. Das LCD kann also auf deinem Port bleiben. Jedoch die 3.3V bei der SD-Karte beachten! Es gibt ja genug Beschreibungen dafür im Netz. Den FTDI gibt es wirklich nur als SMD, ist aber mit einer ruhigen Hand wirklich einfach selbst zu löten. Wenn du die serielle Kommunikation noch etwas aufbohren möchtest, ein RS485 Wandler nimmt nicht so viel Platz weg. Gruß Joe
Hallo, wüste gern ,wo bekomme ich die Universalplatine für Atmega 16,32,644,128 her? Gruß Tueten Hans
Der hier zitierte Atmega 1284P ein 40 PIN DIL Gehäuse... Die Platine ist noch in Entwicklung, aber es wird schon...
Bitte melde dich an um einen Beitrag zu schreiben. Anmeldung ist kostenlos und dauert nur eine Minute.
Bestehender Account
Schon ein Account bei Google/GoogleMail? Keine Anmeldung erforderlich!
Mit Google-Account einloggen
Mit Google-Account einloggen
Noch kein Account? Hier anmelden.

