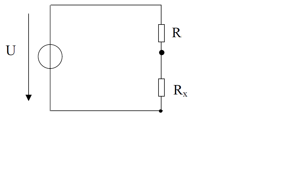
Hallo, ich benötige Hilfe und würde mich freuen, wenn mir jemand weiterhelfen könnte, denn irgendwie komme ich nicht zurecht. Ich soll über Rx ein einkanaliges Oszilloskop (ohne Tastkopf) anschließen. Zur Speisung des Teilers ist eine ideale sinusförmige Wechselspannungsquelle mit der Amplitude 10V und der Frequenz f = 1 kHz angeschlossen. Ux ist 3V (Amplitude) und ich soll Eingangskapazität CE bestimmen. Ux ist 3 V Amplitude, aber wie kann ich die richtige Spannung von Ux bestimmen? Kann ich in der Rechnung Re weglassen? Mein ANsatz: Ux= (Rx//RE//CE /((Rx//RE//CE)+R))*U CE muss ich ja 1/jwCE schreiben, also RX, Re, U und R sind vorhanden. Freue mich über jede Hilfe
Miriam M. schrieb: > Hallo, ich benötige Hilfe und würde mich freuen, wenn mir jemand > weiterhelfen könnte, denn irgendwie komme ich nicht zurecht. > [snip Beschreibung] > > Mein ANsatz: > Ux= (Rx//RE//CE /((Rx//RE//CE)+R))*U > CE muss ich ja 1/jwCE schreiben, > > also RX, Re, U und R sind vorhanden. Den maximal zulässigen durch Ce und Re (wo kam das denn plötzlich her?) verursachten Fehler muss man raten?
>Ux ist 3 V Amplitude, aber wie kann ich die richtige Spannung von Ux >bestimmen? ???
Bitte melde dich an um einen Beitrag zu schreiben. Anmeldung ist kostenlos und dauert nur eine Minute.
Bestehender Account
Schon ein Account bei Google/GoogleMail? Keine Anmeldung erforderlich!
Mit Google-Account einloggen
Mit Google-Account einloggen
Noch kein Account? Hier anmelden.
