Hallo zusammen, Ich muss in einer Simulation einer B6 Brücke den verwendeten MOSFET durch den MOSFET IPB036N12N3 austauschen. Leider habe ich für diesen MOSFET im Internet nur folgendes PSpice-Modell gefunden: http://www.drivinginnovations.com/dgdl/OptiMOS3+120V+Pspice.zip?folderId=db3a3043156fd5730115939eb6b506db&fileId=db3a30432fe423be012ff7fea7276bef Ich habe hier die Datei OptiMOS3_120V.lib in den Ordner lib/sub im LTSpice-Ordner gespeichert. Danach habe ich die Attribute datei nmos.asy folgendermaßen angepasst: attribute | value --------------------------- Prefix | X SpiceModel | OptiMOS3_120V.lib Value | NMOS Value2 | IPB036N12N3 Ich habe das ganze analog zu einem Tutorium gemacht, indem allerdings der MOSFET IRFZ44N verwendet wurde, für den es bereits ein Model im Internet gab. Ich selber arbeite erst seit wenigen Tagen mit LTSpice. Nun bekomme ich jedoch, wenn ich die Simulation laufen lassen möchte die Fehlermeldung Port(pin) count mismatch between the definition of subcircuit "ipb036n12n3" and instance "xu1" The instance has fewer connection terminals than the definition. Ich nehme an, das bedeutet so viel, wie dass das Symbol bei dem ich die Attribute angepasst hab weniger "connection terminals" (also vermutlich Pins oder soetwas?) hat als das verwendete PSpice-Modell. Ich wäre über jede Hilfe, wie ich das PSpice Modell in LTSPice zum laufen bringe sehr dankbar.
Du machst das zu kompliziert mit dem Symbol. Prefix:X Value: IPB036N12N3 Sonst nix. Das Symbol benötigt 5 Pins. Siehe Subcircuit-Definition. .SUBCKT IPB036N12N3 drain gate source Tj Tcase Ich habe dir ein passendes Symbol angehängt. Diese Datei kopierst du in das Verzeichnis in dem dein Schaltplan liegt. Im Schaltplan: .include OptiMOS3_120V.lib Auch diese Datei kopierst du in das Verzeichnis in dem er Schaltplan liegt. Diese Modelle von Infineon mit den vielen Formeln konvergieren übrigens alle sehr schlecht.
Ohje, ich merke gerade, dass ich scheinbar noch viel viel viel zu wenig Ahnung von LTSpice habe :( Ist die .gif-Datei die du Angehängt hast jetzt Quasi das, wie das Modell des MOSFETs im Innern aufgebaut ist, oder ist das eine Beispielschaltung? Und was genau hat es mit TJUNCTION und Tcase auf sich? Gibst du hier in Form einer Spannungsquelle die Temperatur des Gehäuses und der Verbindung vor? Woher kommt der Wert bei TJUNCTION? Aber auf jeden Fall schon einmal TAUSEND DANK für deine Hilfe!
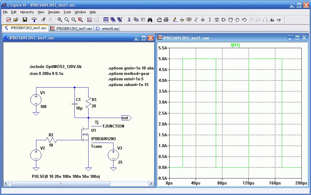
Das Bild zeigt eine einfache Beispielschaltung. Das Innenleben siehst du im Modell-File(.lib). Mann, das Beispiel(.asc) ist doch mit im zip-File drin. Unzip in irgend ein Verzeichnis, aber auf keinen Fall nach C:\Programme. Dort haben eigenen Dateien nichts verloren.
Helmut S. schrieb: > Diese Modelle von Infineon mit den vielen Formeln konvergieren übrigens > alle sehr schlecht. :) Da bist du nicht der einzige, der das feststellt... mfg mf
Helmut S. schrieb: > Mann, das Beispiel(.asc) ist doch mit im zip-File drin. Unzip in irgend > ein Verzeichnis Ja, das hab ich jetzt auch gesehen, dass das der eine Schaltplan ist. Sorry für die Frage. Aber was hat es jetzt mit TJUNCTION und Tcase noch auf sich? Ich nehme an das eine ist die Temperatur des Gehäuses und das andere die Temperatur der Verbindungen? Und so wie ich das verstehe wird Tcase durch die Spannungsquelle mit 25V vorgegeben - Entsprechen die 25V dann 25°C? Und wie kommt TJUNCTION zu stande?
Mit Tcase gibt man die Temperatur außen am Gehäuse vor. Die Chip-Temperatur errechnet das Modell intern. Tjunction = Tcase + Power*Rthjc
Okay, danke dir! Sorry nochmal, dass ich mich da vorhin mit der Beispielschaltung etwas doof angestellt habe, aber ich hab das in dem zip-File irgendwie übersehen. Mhh allerdings hab ich noch zwei Probleme, vll hängen die beiden auch zusammen. Zum einem: was bedeutet das .options gmin=1e-10 abstol=1e-10 reltol=0.003 .options method=gear .options vntol=1e-5 .options cshunt=1e-15 bei deinem Schaltplan und zum anderem bekomme ich, sobald ich die Simulation laufen lassen möchte die Fehlermeldung Unknown subcircuit called in: xu1 n002 n006 n009 n003 n001 x-nmos5 was sich für mich so anhört, als würde er gleich den "subcircuit" von dem ersten MOSFET in der Schaltung nicht finden. Bei deinem Beispielschaltplan funktioniert jedoch alles ohne Probleme und ich habe so wie du gesagt hast, die Dateien alle in den entsprechenden Ordner kopiert. Kannst du mir sagen was ich übersehen habe oder was ich noch falsch mache? Schon mal jetzt nochmal vielen Dank!
Hallo temiox, anbei zwei hilfreiche Links die mir auch sehr beim Einstieg in LTSpice geholfen haben. Beide bieten gute Tutorials und nebenbei auch umfangreiche Libs an. http://www.fh-kl.de/~robert.hingsamer/download_labor/download_baus2.html http://www.gunthard-kraus.de/ Gruss Klaus.
@temiox > xu1 n002 n006 n009 n003 n001 x-nmos5 Du musst an deinem Mosfet im Schaltplan den Text x-nmos5 durch IPB036N12N3 ersetzen. Woher soll denn sonst LTspice wissen um welchen Mosfet du nehmen willst. > was bedeutet das .options gmin=1e-10 abstol=1e-10 reltol=0.003 .options method=gear .options vntol=1e-5 Hier verringere ich das Kriterium für die "Convergence" damit die Simulation läuft. .options cshunt=1e-15 Hier ziehe ich den letzten Joker. Ich schalte an jedes Netz einen Kondensator. Das hilft LTspice um Sprünge zu glätten. Es hilft aber nicht an Netzen die direkt an Spannungsquellen hängen. Es könnte sein, dass in deiner Schaltung all diese Maßnahmen nicht helfen. Dann musst du ein VDMOS Modell von dem Mosfet machen, falls du keinen ähnlichen Mosfet in der Liste der LTspice-Mosfets findest.
Bitte melde dich an um einen Beitrag zu schreiben. Anmeldung ist kostenlos und dauert nur eine Minute.
Bestehender Account
Schon ein Account bei Google/GoogleMail? Keine Anmeldung erforderlich!
Mit Google-Account einloggen
Mit Google-Account einloggen
Noch kein Account? Hier anmelden.
