Hallo ich will für einen Carisma ein Digitalen Tachometer bauen (und vllt auch einen Digi- Drehzalmesser). Ich bin mir nicht sicher aber beide Sachen (also Tacho und Drehzalmesser) arbeiten ja nach dem Prinziep das ein µC Impuse pro Sekunde zählt und diese in einen Geschwindigkeitswert umwandelt.(oder??)... Kann man soetwas auch analog bauen oder muss ich einen µC verwenden (z.B. Atmega 8 oder so)der die Impulse in eine Zahl umwandelt und diese dann in als die Gemessene Geschwindigkeit (oder später auch drehzahl) auf eine 7seg. display anzeigt??? kann mir bitte einer helfen ??? Hat einer sowas schoneinmal gebaut??? (Schaltplan evtl.???) großes Danke schonmal Gruß Hannes PS: man kann sowas ja kaufen nur ich will halt sowas bauen.
Hannes schrieb: > Hallo > > ich will für einen Carisma ein Digitalen Tachometer bauen (und vllt auch > einen Digi- Drehzalmesser). Ich bin mir nicht sicher aber beide Sachen > (also Tacho und Drehzalmesser) arbeiten ja nach dem Prinziep das ein µC > Impuse pro Sekunde zählt und diese in einen Geschwindigkeitswert > umwandelt.(oder??)... oder die Zeit zwischen 2 Impulsen. > Kann man soetwas auch analog bauen ja. > oder muss ich > einen µC verwenden nein, erscheint mir aber sinnvoller. > (Schaltplan > evtl.???) frag Google und die Forensuche nach Drehzahl- oder Frequenzmesser, der Rest ist einfache Mathematik.
Hannes schrieb: > Hat einer sowas schoneinmal gebaut??? Gibt's alles hier im Forum http://www.mikrocontroller.net/articles/Frequenzz%C3%A4hlermodul
Hannes schrieb: > Kann man soetwas auch analog bauen oder muss ich > einen µC verwenden Analog wohl kaum, ohne µC schon. Allerdings sind Digitalanzeigen für Kraftfahrzeuge unpraktisch, da schlecht ablesbar. Gruss Harald
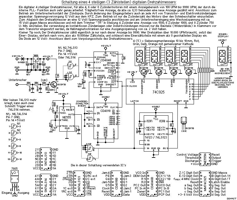
Ist auch nur aus lust an der freude... Danke die seite mit dem drehzahlmesser hab ich gefunden aber auch noch ne bessere...(zu mindestenss für mich besser ... siehe bild) hab das bild vom link --> http://pitts-electronics-home.de/electron/schpla.html kann man den auch zum geschwindigkeitsmesser umdegradieren?? und wenn ja wie?? Gruß Hannes
Hannes schrieb: > hab das bild vom link --> > http://pitts-electronics-home.de/electron/schpla.html Falscher Link. (Ein "l" am Ende zuviel) Gruss Harald
Bitte melde dich an um einen Beitrag zu schreiben. Anmeldung ist kostenlos und dauert nur eine Minute.
Bestehender Account
Schon ein Account bei Google/GoogleMail? Keine Anmeldung erforderlich!
Mit Google-Account einloggen
Mit Google-Account einloggen
Noch kein Account? Hier anmelden.

