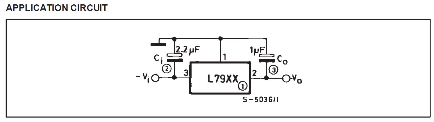
Hi zusammen Habe den 7905er wie oben beschalten, einfach dass ich noch 100nF zwischen GND und Out angebracht habe. Der Output beträgt nun -6.8V bei -15V input. Kann das an falscher beschaltung liegen oder eher an einem defekten bauteil? grüsse Serge
Serge W. schrieb: > Der Output beträgt nun -6.8V bei > -15V input. Kann das an falscher beschaltung liegen oder eher an einem > defekten bauteil? ... oder er schwingt? Die Beschaltung ist zwar nach Datenblatt (Fairchild, National Semiconductor) OK, aber vielleicht hast Du einen NoName mit "eigenwilligen" Eigenschaften. Oder Dein Aufbau ist ungünstig. Gruß Dietrich
1uF ist ja schon mal gut. Aber der 7905 braucht 1k Ohm für 5mA Mindestlast.
Bitte melde dich an um einen Beitrag zu schreiben. Anmeldung ist kostenlos und dauert nur eine Minute.
Bestehender Account
Schon ein Account bei Google/GoogleMail? Keine Anmeldung erforderlich!
Mit Google-Account einloggen
Mit Google-Account einloggen
Noch kein Account? Hier anmelden.
