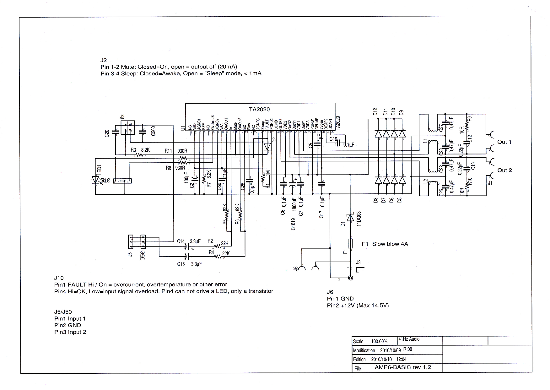
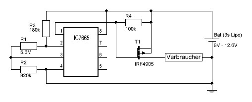
Hallo zusammen Um meinen Lipo Akku (3S, 10AH) vor Unterspannung zu schützen, habe ich eine Schutzschaltung gelötet. (Siehe Anhang) Mit Verbraucher ist der Verstärker gemeint Nun bekomme ich aber bei jedem Anschalten ein bedrohliches "Quietschen" von den Lautsprechern. Dabei senkt sich die ganze Membran schnell und kommt wieder langsam hoch (Gleichspannung?!) Leider habe ich nicht die Mittel um das zu messen, geschweige denn möchte ich das nochmals wiederholen... Als Verstärker habe ich den TA2020 Class T (D) Chip, die Platine von 41Hz: http://shop.41hz.com/shop/item.asp?itemid=43&catid= Schaltplan (ab Seite 15): http://spaz.org/~jake/r/mccad/pdf/amp6-basic-ai2.pdf Ein Verdacht ist der U-Low-ESR Kondensator mit 1500uF, welcher zu viel Strom zieht beim anschalten, könnte das sein? Könnte man das Problem beheben, wenn man eine verzögerungsschaltung bauen würde um den Mute oder Sleep Modus erst nach dem anschalten aufzuheben? So wie es momentan ist, habe ich Angst, meine Boxen oder mein Verstärker würden gleich abkratzen :/ Ohne Lipo Schutz funktioniert das ganze super, nur ein klitzekleines "Plopp" vom Lautsprecher beim anschalten Vielen Dank für eure Hilfe!
Stephan H. schrieb: > Könnte man das Problem beheben, wenn man eine verzögerungsschaltung > bauen würde um den Mute oder Sleep Modus erst nach dem anschalten > aufzuheben? Genau das ist der Ansatz! Du musst die Verbindung Mute-Fault trennen und Mute per Transistor verzögert auf Low ziehen.
Ok, jetzt habe ich aber gemerkt, das der Schaltplan nicht ganz überreinstimmt mit meiner Version :/ Sry! Neuer Schaltplan im Anhang! (PS: is das jetz ein Scan oder ein Schaltplan, bzw. png oder jpeg?^^) Kann ich da einfach ein Transistor zwischen J2.3 und J2.4 schalten? Danke!
Ja, aber ich würde den Mute-Eingang benutzen. Dieser ist genau dafür gedacht und in der neuen Schaltung auch per Diode vom Fault-Ausgang entkoppelt.
Bitte melde dich an um einen Beitrag zu schreiben. Anmeldung ist kostenlos und dauert nur eine Minute.
Bestehender Account
Schon ein Account bei Google/GoogleMail? Keine Anmeldung erforderlich!
Mit Google-Account einloggen
Mit Google-Account einloggen
Noch kein Account? Hier anmelden.

