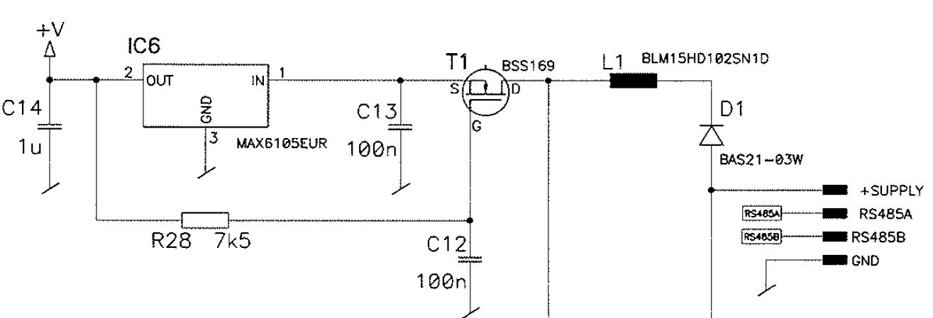
Hallo, ich vollziehe grade einen fremden Schaltplan nach (siehe Ausschnitt im Anhang). Ich bin mir unsicher über die (Schutz-)Wirkung des NMOS. Hat jemand einen Tipp? Danke :)
Hej! W96 schrieb: > Anhang). Ich bin mir unsicher über die (Schutz-)Wirkung des NMOS. Hat > jemand einen Tipp? Oh! Das ist eine hebräische oder arabische Schaltung: Man muß sie von rechts nach links lesen :-) Wenn ich mitraten darf, funktioniert der Transistor einfach als Konstantstromquelle(*), wobei der sonst übliche Widerstand hier eben eine Spannungsreferenz ist. Infineon-Datenblatt sagt Drain-source breakdown voltage = 100V bei Ugs=-10V -- für die es aber keine Garantie gibt, also dürfte der Schutz nur bis ein paar Volt weniger reichen. Liebe Grüße, Alexander (*) Beachte, dass die Forensoftware den Begriff Konstantstromquelle vollautomagisch wunderbar verlinkt hat.
Danke für deine Antwort, auch wenn ich nicht sehe wo der Zweck einer Konstantstromquelle liegen soll. Nochmal zur Schaltung: Mit der Referenzspannungsquelle wird eine stromsparende ADC Schaltung versorgt, die Referenzquelle wird also wie ein "normaler" Spannungsregler eingesetzt. "+Supply" liegt im Bereich 8-32Vdc. Nach meinem Verständniß müsste Vgs damit sehr negativ sein und somit der (selbstleitende) Transistor praktisch aus sein. Mir fällt sonst nur noch ein den Transistor als Strombegrenzung zu verwenden bei Kurzschluss am Ausgang der Referenzquelle!? Danke für weitere Ideen.
Noch ein Tipp: Der Transistor wird verwendet um den Eingang (max. ~12Vdc)zu schützen, wenn größere Versorgungs-Spannungen anliegen wird der Transistor hochohmiger und letztendlich bleibt die Spannungs im erlaubten Bereich!?
Der Mosfet ist ein selbstleitender Typ, der bei Ugs=0 bereits leitet, und so um die 200mA gerade liefern kann. Er soll sicherlich einfach als grober Vorregler fungieren, damit der MAX nicht soviel Spannung verbraten muß, wobei er den MAX selbst gleichmal als Referenz nimmt. Bei Laststrom=0A liegt die Vorspannung rund 2V über der MAX-Outspannung (also 7V), bei 100mA so bei rund 0,6V (also 5,6V). Insofern also auch noch eine lastabhängige Vorreglung. Der MAX sieht also höchstens 7V. Als Vorteil sehe ich hier, daß man eigentlich gar kein zusätzliches Bauteil braucht, auser eben den Mosfet selbst (die RC-Kombination ist eigentlich gar nicht nötig für die eigentliche Funktion - mann könnte Ausgang des MAX und Gate direkt verbinden)
Bitte melde dich an um einen Beitrag zu schreiben. Anmeldung ist kostenlos und dauert nur eine Minute.
Bestehender Account
Schon ein Account bei Google/GoogleMail? Keine Anmeldung erforderlich!
Mit Google-Account einloggen
Mit Google-Account einloggen
Noch kein Account? Hier anmelden.
