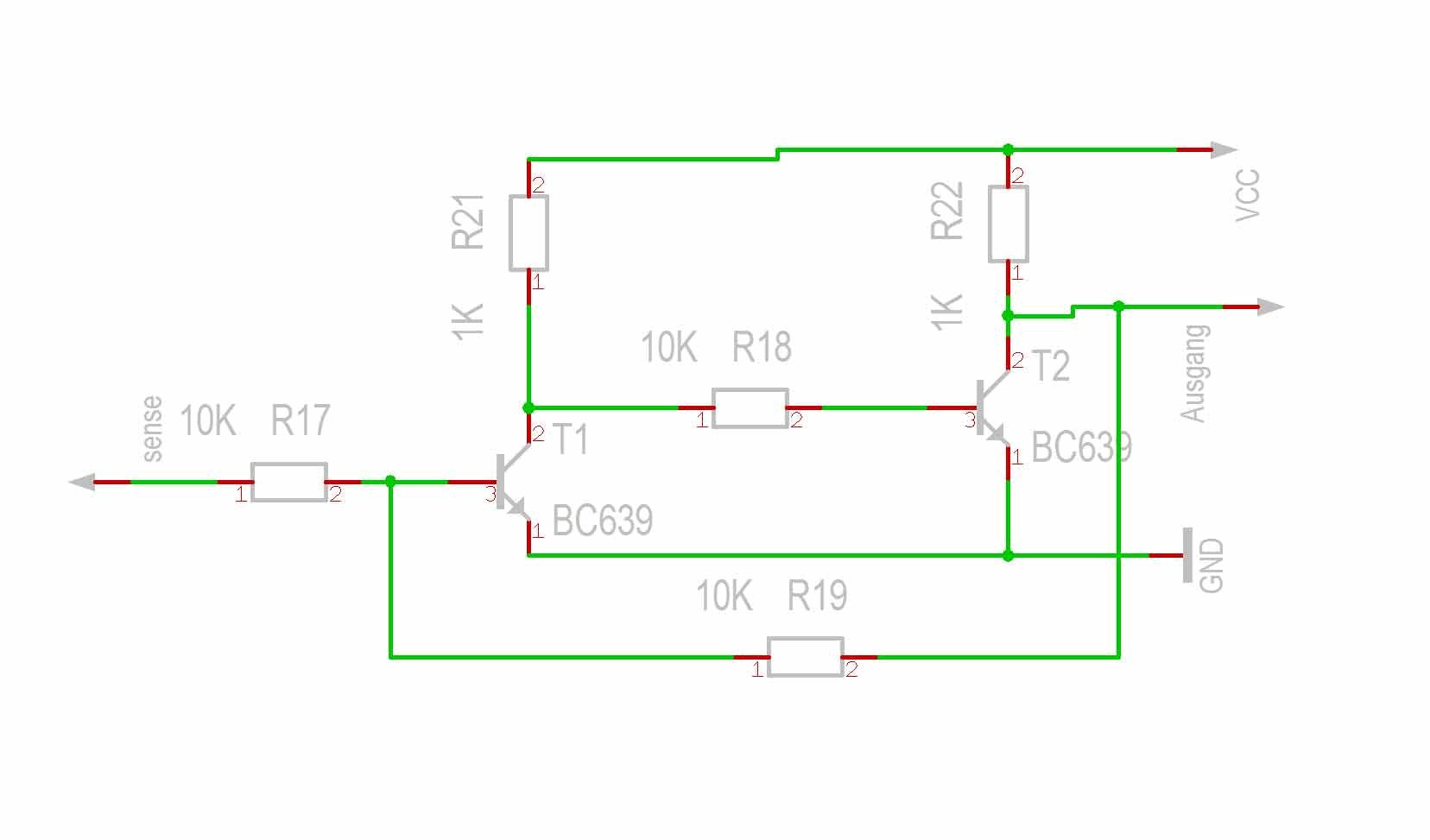
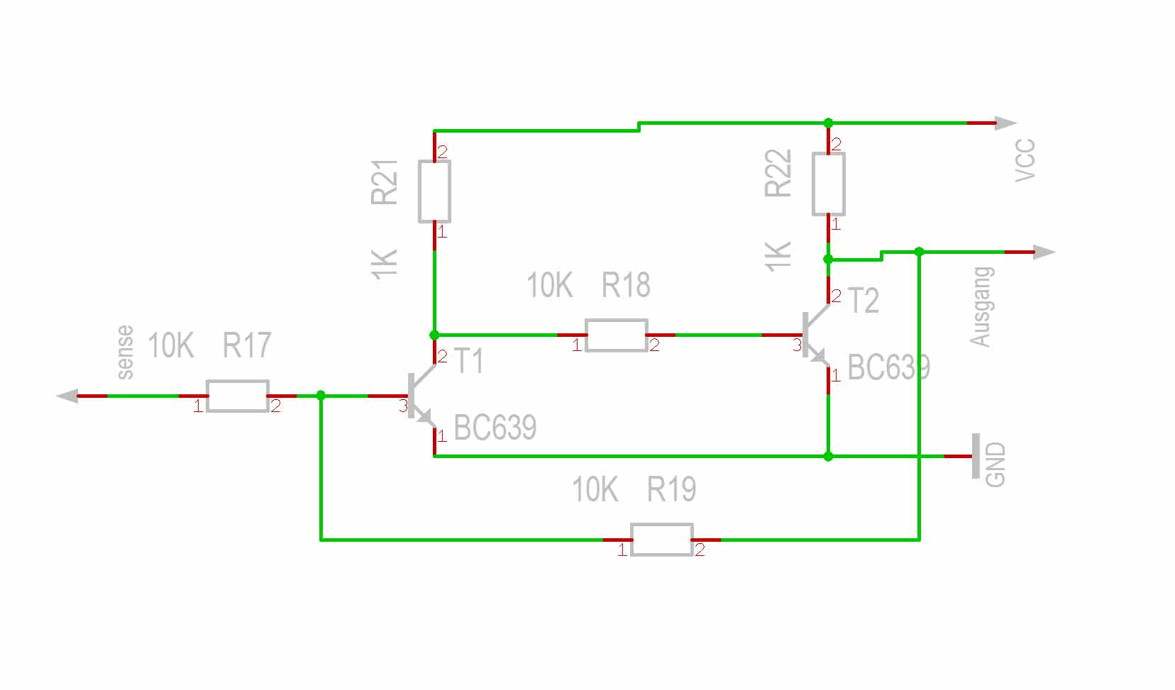
Hallo, ich bin gerade am verzweifeln... habe eine kleine Schaltung gebaut, die wenn am Eingang SENSE Spannung liegt, am Ausgang auf Spannung schaltet, durch R19 den Zustand aber beibehalten soll, auch wenn am Eingang wieder 0V anliegt. Ausgang hat aber (wenn R19 eingebaut ist) dauerhaft Spannung.... das kann doch nicht sein... weiß jemand woran das liegen kann? Gruß Michael
>habe eine kleine Schaltung gebaut, die wenn am Eingang SENSE Spannung >liegt, am Ausgang auf Spannung schaltet, durch R19 den Zustand aber >beibehalten soll, auch wenn am Eingang wieder 0V anliegt. Ausgang hat >aber (wenn R19 eingebaut ist) dauerhaft Spannung.... Wie Ausgang hat dauerhaft Spannung? Meinst Du bereits nach dem Einschalten? Dann schreib das ... Leg den Eingang auf Masse beim Einschalten, bzw. einen R von paar kOhm gegen Masse. Sonst sind Deine beiden Transistorstufen gleichwertig, und nur der schnellere bzw der mit der niedrigeren Ube wird zuerst auf Masse durchschalten. Mit Austausch bedier Transitoren gegeneinander sollte sich das ändern (ist aber keine wirklich serienreife Lösung).
> Ausgang hat aber (wenn R19 eingebaut ist) dauerhaft Spannung....
Na ja nun, das hast du ja auch so gebaut.
Du hast einen Schmitt-Trigger gebaut, der oberhalb von 0.7V
Eingangsspannung einschaltet und erst unterhalb von -9V wieder
ausschaltet.
Oder anders gesagt, ein Flip Flop.
Aber du hast vergessen, ihm eine Vorzugsrichtung zu geben beim
Einschalten der Versorgungsspannung, also tut es was es will.
Wenn du mal verfolgt
+Ub ----+----------+
| |
1k 1k
| |
--10k-|< --10k-|<
|E |E
GND GND
sind deine beiden Schalter genau gleich, also ist es Zufall, welcher
zuerst durchschaltet und damit dem anderen des Basisstom abschaltet, nur
von kleinen Toleranzen der Bauteile abhängig.
Du bekommst eine Vorzugsrichting, in dem du einen Schalter mit einem
Kondensator langsamer machst.
|
--R17--+--|< T1
|
+---R19---
|
100nF
|
GND
Die Grösse dieses Kondensators hängt letztlich von der Geschwindigkeit
ab, mit der deine Versorgungsspannung beim Einschalten ansteigt, es kann
also sein, daß du den ausprobieren musst.
Wie groß ist denn die Versorgungsspannung? Außerdem brauchst du einen Reset-Taster für die Startbedingung "aus".
@ Helmut S. (helmuts)
>Wie groß ist denn die Versorgungsspannung?
Dürfte eher uninteressant sein. Ab rund 0,7V wird die schon so
unerwartet reagieren können.
Nabend,
|
--R17--+--|< T1
|
+---R19---
|
10kΩ
|
GND
so würde das schneller funktionieren.
GN8 Krangel
besten Dank für die schnellen Antworten! Ja, der Eingang liegt beim Einschalten auf Masse! Habe einen Kondensator am Eingang eingebaut und nun auch noch einen Fehler gefunden. Der Eingang geht beim Einschalten ganz kurz auf Spannung... Mit einem 3yF Kondensator isses OK!
Bitte melde dich an um einen Beitrag zu schreiben. Anmeldung ist kostenlos und dauert nur eine Minute.
Bestehender Account
Schon ein Account bei Google/GoogleMail? Keine Anmeldung erforderlich!
Mit Google-Account einloggen
Mit Google-Account einloggen
Noch kein Account? Hier anmelden.
