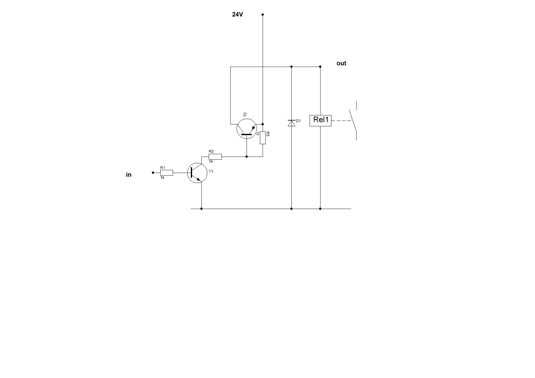
Hallo alle Mitbastler :)) Bin schon seit Tagen auf der Suche und habe alles durchsucht, aber nix gefunden... Ich brauche für eine Rechnerplatine eine Relaisansteuerung (24V/max 100ma) Die Stufe muss High schalten. möglichst 6 oder 8 Kanal. Sowas, wie ich diskret aufgemalt habe (die Widerstandswerte haben keine Bedeutung) von mir auch auch mit Freilaufdiode... viele Grüße un Danke
Hm, was haste denn aufgemalt? Das soll funktionieren? Ansonsten, ein ULN2803 sollte das sein, was du suchst.
sorry , die 24V müssen natürlich an den Emitter des PNP Transis ;)
H.joachim Seifert schrieb: > Hm, was haste denn aufgemalt? Das soll funktionieren? > Ansonsten, ein ULN2803 sollte das sein, was du suchst. der schaltet aber Masse durch, mein Relaisblock von Jung will aber unbedingt 24V haben ...
Sven R. schrieb: > die 24V müssen natürlich an den Emitter des PNP Transis ;) Und wo kommt das Relais dran?
Ok. ULN2981 wäre die Variante, die 24V ausgibt. 100mA schafft der aber nicht auf allen Kanälen gleichzeitig. Eine rund-um-sorglos-Variante (gerade im industriellen Umfeld) wäre der BTS4880. Gibt aber noch andere Chips, muss mal suchen.
Danke! Du meinst UDN 2981? in DIP könnte der gehen, SMD ist leider unmöglich.
@ Sven R. (sveniii) >Du meinst UDN 2981? Ja. >in DIP könnte der gehen, SMD ist leider unmöglich. DIP ist OK, schafft offiziell 8x120mA Dauerstrom.
o.k den nehme ich auf jeden Fall, die Frage ist nur noch, ob ich eine rote superhelle LED (1,7V) am Eingang in Reihe schalten kann. Der Eingangsstrom ist ja mit ca. 400uA (bei 5V?) angegeben. Leider habe ich keinen 2981 zum testen da. Der Gesamtdauerstrom von 350mA hingegen reicht völlig aus, da ich die Spannung für die Relais auf 20V halte und nur zum schalten für 1sec. auf 24 anhebe.
@ Sven R. (sveniii) >die Frage ist nur noch, ob ich eine rote superhelle LED (1,7V) am >Eingang in Reihe schalten kann. Wenn die Eingangsspannung hoch genung ist. >Der Eingangsstrom ist ja mit ca. 400uA (bei 5V?) angegeben. >Leider habe ich keinen 2981 zum testen da. Schalte sie besser mit separatem Vorwiderstand parallel zum EIngang, das mA hast du auch noch. >Der Gesamtdauerstrom von 350mA hingegen reicht völlig aus, >da ich die Spannung für die Relais auf 20V halte und nur zum schalten >für 1sec. auf 24 anhebe. Das musst du aber für die Relais einzeln machen!
auf der Platte gehts recht eng zu, deshalb die Idee mit der Led in Reihe... mit der Spannungsabsenkung habe ich so gedacht, das die CPU einen Ausgang steuert, welcher die kompletten 24V runterregelt, immer dann , wenn ein Kanal auf EIN schaltet. Aber , das lass ich vielleicht weg... Mir ging es auch um den Stromverbrauch, 24x50mAx10Kanäle (welche ca. immer EIN sind) = 12Wattx 12hx365T = ~ 13 Euro/Jahr...nur für die Relais...
Kann man so machen, ich würde sogar sagen, dass <15V als Haltspannung völlig ausreichen, kommt natürlich auf den Relaistyp an. Schon mal über bistabile Relais nachgedacht?
Warum muss das Relais unbedingt high-side geschaltet werden? Das macht die Ansteuerung unnötig aufwendig.
Michael schrieb: > Warum muss das Relais unbedingt high-side geschaltet werden? Das macht > die Ansteuerung unnötig aufwendig. es waren erst normale Relais geplant, jetzt habe ich aber Relaismodule von JUNG billig bekommen und die brauchen 24 geschaltet. Und deshalb mache ich jetzt alle Kanäle mit aktiv H. @crazyhorse- bistabile Relais (Hauslicht) könnte ich sogar billigst in Mengen bekommen, aber dazu müsste die CPU immer nur einen Impuls (200ms) bringen. Und da die CPU (PIC) nebenbei noch Interrupts zu bearbeiten hat (den Sekundentakt für die Uhr) , will ich mir keinen 200ms delay im Programm erlauben. grüße Sven
Sven R. schrieb: > Und da die CPU (PIC) nebenbei noch Interrupts zu bearbeiten hat (den > Sekundentakt für die Uhr) , will ich mir keinen 200ms delay im Programm > erlauben. Ist jetzt nicht dein Ernst, oder?? Wozu braucht man denn dafür eine delay-Funktion? Brauchst du nicht, garantiert nicht.
H.joachim Seifert schrieb: > Sven R. schrieb: >> Und da die CPU (PIC) nebenbei noch Interrupts zu bearbeiten hat (den >> Sekundentakt für die Uhr) , will ich mir keinen 200ms delay im Programm >> erlauben. > > Ist jetzt nicht dein Ernst, oder?? > Wozu braucht man denn dafür eine delay-Funktion? Brauchst du nicht, > garantiert nicht. naja, über eine Zählschleife könnt ichs auch machen.... dann müsste ich den Ausgang schalten, in einen SUB Schleife springen die 200ms läuft und danach wieder alle Ausgänge auf 0 schalten... Oder wie sonst noch?
Sven R. schrieb: > Und da die CPU (PIC) nebenbei noch Interrupts zu bearbeiten hat (den > Sekundentakt für die Uhr) , will ich mir keinen 200ms delay im Programm > erlauben. Und wie wäre es, wenn du deine Uhr mit einem Takt von 0,01 Sekunden o.ä. laufen läßt? Dann kannst du alle 100 Takte deine Uhr eine Sekunde weiterstellen und eine Relaisimpuls nach jeweils 20 Takten wieder abschalten.
Werner schrieb: > Sven R. schrieb: >> Und da die CPU (PIC) nebenbei noch Interrupts zu bearbeiten hat (den >> Sekundentakt für die Uhr) , will ich mir keinen 200ms delay im Programm >> erlauben. > > Und wie wäre es, wenn du deine Uhr mit einem Takt von 0,01 Sekunden o.ä. > laufen läßt? Dann kannst du alle 100 Takte deine Uhr eine Sekunde > weiterstellen und eine Relaisimpuls nach jeweils 20 Takten wieder > abschalten. ja, das geht auch, hab nochmal ins Programm geschaut, habe die kleinste Zeiteinheit von 250ms die auswertbar ist, die kann ich auch x 2 nehmen. Ich muss nur aufpassen, dass das Programm nicht >2K wird, denn mehr schafft mein gratis C-Compiler nicht...:-( Grüße, und Danke für die rege Beteiligung an dem Thema :-)
@ Sven R. (sveniii) >@crazyhorse- bistabile Relais (Hauslicht) könnte ich sogar billigst in >Mengen bekommen, aber dazu müsste die CPU immer nur einen Impuls (200ms) >bringen. Die Arme CPU. >Und da die CPU (PIC) nebenbei noch Interrupts zu bearbeiten hat (den >Sekundentakt für die Uhr) , will ich mir keinen 200ms delay im Programm >erlauben. AHHHHHHH!!!!!! Schon mal was vom einem Timer gehört? Dein PIC langweilt sich zu Tode!
Sven R. schrieb: > will ich mir keinen 200ms delay im Programm erlauben. Du kannst vor Deine Relais auch einfach einen Elko in Reihe schalten. Das erspart Dir dann auch die zweite Wicklung. Gruss Harald
Falk Brunner schrieb: > @ Sven R. (sveniii) > >>@crazyhorse- bistabile Relais (Hauslicht) könnte ich sogar billigst in >>Mengen bekommen, aber dazu müsste die CPU immer nur einen Impuls (200ms) >>bringen. > > Die Arme CPU. > >>Und da die CPU (PIC) nebenbei noch Interrupts zu bearbeiten hat (den >>Sekundentakt für die Uhr) , will ich mir keinen 200ms delay im Programm >>erlauben. > > AHHHHHHH!!!!!! > > Schon mal was vom einem Timer gehört? Dein PIC langweilt sich zu > Tode! hab ich :-), der Timer läuft auch über Interrupt alle 250ms. den könnte ich für den Impuls auch mit nehmen, allerdings müsste immer dann , wenn ein Ausgang gesetzt wird ein zusätzliches Bit gesetzt werden, was dann die Timerauswertung starte, und ich bin eh knapp mit Speicherplatz dran. Naja eigentlich gefällt mir die Sache mit den Bistabilen Relais immer weniger, denn ich habe dann ja auch keine Statusanzeige mehr auf der Platine... Grüße Sven
Bitte melde dich an um einen Beitrag zu schreiben. Anmeldung ist kostenlos und dauert nur eine Minute.
Bestehender Account
Schon ein Account bei Google/GoogleMail? Keine Anmeldung erforderlich!
Mit Google-Account einloggen
Mit Google-Account einloggen
Noch kein Account? Hier anmelden.

