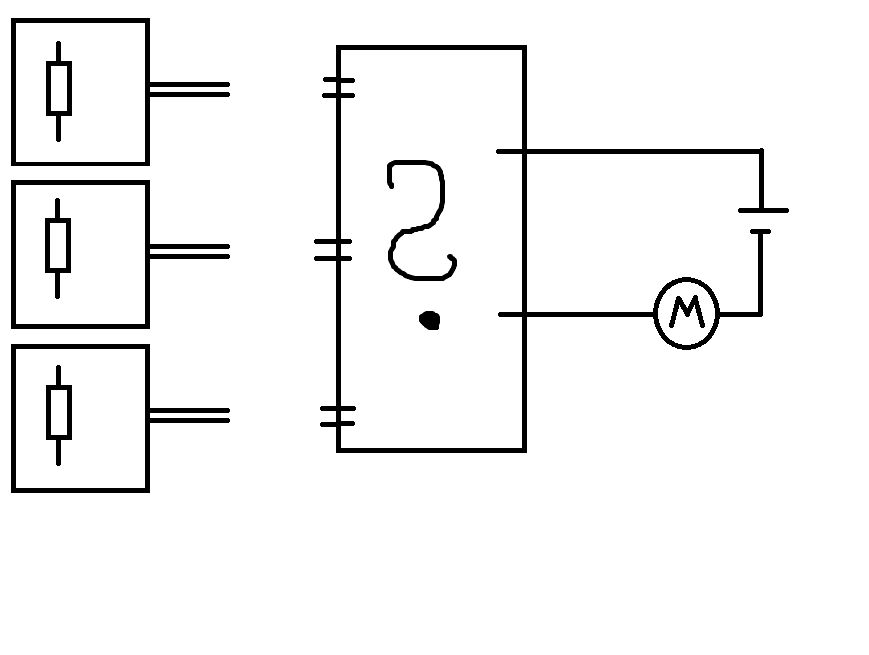
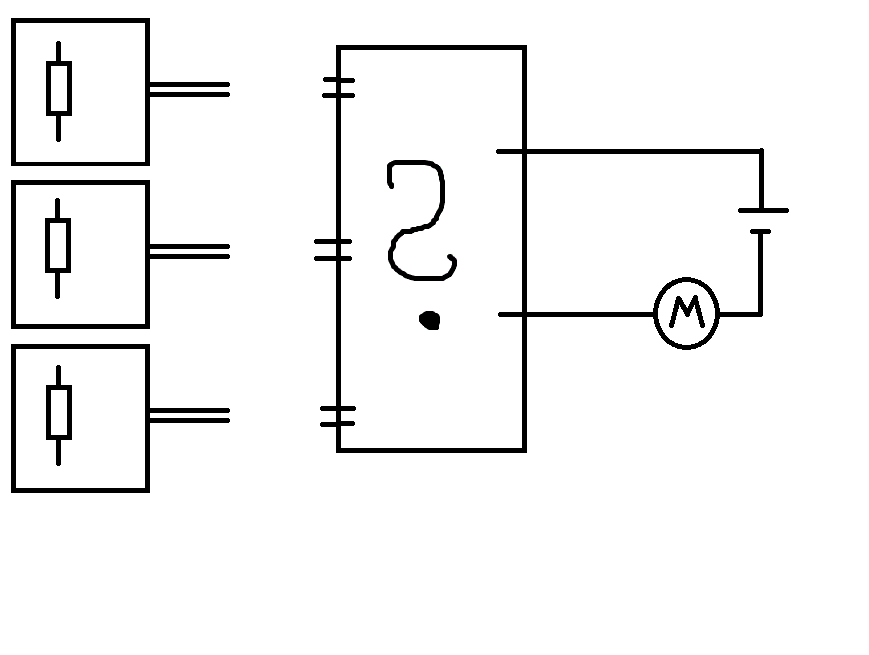
sonnigen Sonntag euch allen :) ich bin nun schon seit gestern mit ner idee beschäftigt und ich komm einfach nicht weiter ... Ich habe euch ein Bild angehängt an dem ich hoffe euchs zu erklären. Ganz rechts seht ihr 3 Sensoren , die hier http://www.conrad.de/ce/de/product/503370/Drucksensor-FSR-406-ca-10-g-10-kg/?ref=detview1 Ganz links nen Akku und nen Motor.. Das Problem liegt in der Mitte, denn ich hätte ganz gern das der Motor durchgehend läuft, sollte jedoch einer von diesen Sensoren (welche den wiederstand bei betätigung ändern) betätigt werden , der Motor ausgehn. Dabei ist mir sehr wichtig das kaum Verluste entstehen sollten, da der Motor nahezu die volle Akkuleistung benötigt, daher müsste eine 2 Stromquelle angebracht werden um die Schaltung der Sensoren zu versorgen. ----------------------------------------------------------- Für die Profis unter euch: Ein Upgrade wäre dann noch das nur ein Sensor betätigt werden darf um den Motor auszuschalten, sollten 2 oder alle 3 aufeinmal betätigt werden soll eine diode aufleuchten und der Motor weiterlaufen. ICH FÄNDS SUPER wen ihr mir dabei helfen könntet , nun ich sitzt schon seit 2 tagen an dieser simplen Konstruktion.... :D
um die Verluste gering zu halten würde ich dir empfehlen einen MosFet zu verwenden. Einige Zusätliche Infos wären hilfreich... Spannung am Akku, Motortyp/Leistung/Stromstärke, Ich würde diese Schaltung mit Komparatoren (zur Auswertung der Sensoren) und einem MosFet als Schaltelement entwerfen.
Das mit dem Mosfet dacht ich mir bereits..mhh.. Bei dem Akku handelt es sich um einen Ni-MH mit 7.2V und 500mAh. Den Motor habe ich, wen ich mich recht entsinne aus ner Spielzeugpistole ausgebaut :_) , genaueres kann ich dazu nicht sagen.
vielen dank für die Mühe es mir aufzuzeichnen, da ich aber ein Leie bin und bis jetzt nicht mehr als einfache Schul-Schaltpläne bearbeitet habe bin ich etwas überfordert mit den Leitungen die einfach oben und unten enden, wohin füren diese ? Und warum ein 1k Wiederstand richtung Akku ?
die Leitungen oben (^) kommen an den +7V Anschluss des Akkus Die Leitungen unten (_) kommen an den Minusanschluss des Akkus. Der Komparator vergleicht die beiden Spannungen an den +- Eingängen, wird ein Sensor betätigt, so verringert sich der Widerstand des Sensors, die Spannung am - Eingang steigt. Ist die Spannung am - Eingang höher als am + Eingang so zieht der Komparator das Ausgangssignal Richtung 0V und der MosFet sperrt. Sobald der Sensor nicht mehr betätigt wird, wird der Komparatorausgang durch die 1k nach oben gezogen und der MosFet leitet wieder (Motor läuft)
tom h. schrieb: > Und warum ein 1k Wiederstand richtung Akku ? Der Komparator hat einen Open Loop Ausgang, d.h., dass der Ausgang aus einem Kollektor einen Transistors besteht. Er braucht daher einen Widerstand zur Spannungquelle damit eine Spannung am MOSFET Gain anliegt.
okay, vielen Dank euch beiden. (Gibt es hier sowas wie ein Daumen hoch ? ;)) Wie hoch werden den ungefähr die Stromverluste sein, vernachlässigbar? oder lieber doch mit einer 2 Stromquelle ?
Du musst zuerst nachmessen wieviel Strom dein Motor braucht, dann kannst du einen passenden MosFet auswählen. Die Verluste werden sich in Grenzen halten (hängen vor allem vom Rdson des MosFet's ab) Eine zweite Stromquelle wirst du nicht benötigen, die Steuerschaltung und die Sensoren brauchen nur wenig Strom.
auserdem, bei deiner Schaltung Alex Poe , sollte ich einen Sensor einmalig betätigen, bleibt der Motor dann aus oder nur solang ich gedrückt halte ?
Der Motor ist nur solange ausgeschalten solange der Sensor betätigt wird. 2,6A sind für viele MosFet's kein problem, bedenke aber, wenn dein Motor bei 7V wirklich 2,6A zieht, hast du deinen 500mAh Akku innerhalb von 10 minuten bei laufendem Motor entladen ;)
Ja das hatte ich mir gestern ausgerechnet, aber das passt schon ;) Und wie sähe die Schaltung aus, wen ich sage das bei einer Berührung der Motor komplett ausbleibt , bis ich manuel einen Schalter betätige?
Bitte melde dich an um einen Beitrag zu schreiben. Anmeldung ist kostenlos und dauert nur eine Minute.
Bestehender Account
Schon ein Account bei Google/GoogleMail? Keine Anmeldung erforderlich!
Mit Google-Account einloggen
Mit Google-Account einloggen
Noch kein Account? Hier anmelden.

