Gibt es bewährte Standardschaltungen/Chips für Netzteile 230V WS-Eingang -> +9V,Masse,-9V Ausgang?
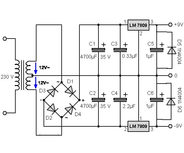
Bert Wellmann schrieb: > Ist http://www.hobby-bastelecke.de/projekte/netzteil_9vsym.htm zu > empfehlen? Ja. Das ist die Standardschaltung. Allerdings sind die 2x 9V(AC) etwas knapp. Nach dem Gleichrichter ergibt sich: 9 Volt(AC) * 1,41 = 12,7 Volt(DC) Minus die Spannung an einer Diodenstrecke: 12,7 V - 0,7 V = 12,0 Volt Die Spannung am Kondensator sinkt bei Belastung auf etwa 80% ab: 12,0 V * 0,8 = 9,6 V Der LM7809 braucht aber 9 V plus 2 V Dropout, also 11 Volt am Eingang, um sicher zu arbeiten. Daher braucht man einen 12 V(AC) Trafo. Wenn du nur ein paar mA am Ausgang ziehst, dann reicht ein 9 V(AC) Trafo knapp aus, denn dann sinkt die Spannung am Kondensator nur auf 90% und der LM7809 braucht auch nur 1,5 V.
Schluß: 12V statt 9V Trafo und sonst das Gleiche.
> Das ist die Standardschaltung. Nicht ganz. Wie schon geschrieben braucht man einen 2 * 12V~ Trafo der 1.6A pro Wicklung liefern kann wenn man dauerhadt 2 mal 1A ziehen will (oder allgemein einen Trafo mit dem 1.6-fachen Strom den man dauerhaft braucht), und die Dioden sind anderswo besser verbaut, siehe Bild, und die Sicherungen nicht wirklich nötig (die Spannungsregler haben schon eine Kurzschlussbegrenzung). > Gibt es das auch fertig? Auf 9V einstellbar: http://www.ebay.de/itm/Symmetrisches-Netzteil-fur-Preamp-CD-Player-etc-/160874560655?pt=DE_TV_Video_Audio_Sonstige&hash=item2574defc8f
Bert Wellmann schrieb: > Gibt es das auch fertig? 2 9V-Steckernetzteile kaufen und miteinander verbinden. Gruss Harald
Bitte melde dich an um einen Beitrag zu schreiben. Anmeldung ist kostenlos und dauert nur eine Minute.
Bestehender Account
Schon ein Account bei Google/GoogleMail? Keine Anmeldung erforderlich!
Mit Google-Account einloggen
Mit Google-Account einloggen
Noch kein Account? Hier anmelden.
