Abend aller seits. ich möchte mir ne kleine cnc-fräse bauen, abgespeckt und nix wildes. für pappelholz und balsa und sowas. Meine einzige frage ist jetzt, Wo ist der unterschied zwischen den beiden steuerungen? Die blaue: http://www.ebay.de/itm/3-Achs-CNC-Schrittmotorsteuerung-Steuerung-Karte-/280634104945?pt=Motoren_Getriebe&hash=item4157189c71 Die rote: http://www.ebay.de/itm/TB6560-3-Achsen-Schrittmotor-Steuerung-0-8-3-5A-Digital-/180953511631?pt=Motoren_Getriebe&hash=item2a21ab76cf wenn ich mich so im netz umschaue hat noch keiner was mit der roten gemacht?! hat die hier jemand schon zum laufen gebracht? motoren hab ich stepper mit 1A liegen. Das einzige was unklar ist, ist welche von den beiden steuerungen ;-)
rot und blau unterscheiden sich anscheinend nur maginal ... zumindest was man bei cnc-zone so zu lesen bekommt... ein jahr wird so produziert, das andere jahr so... die bestückung ändert sich anscheinend mit den farben und damit die probleme. einmal sind die chopper falsch dimensioniert, dann wieder die opto-coupler, ... wie gesagt, das liest man... hab keins von den boards... interessant wäre mal zu erfahren ob die dinger die so aussehen wie die leadshine endstufen was taugen (teurer aber vllt. brauchbar ohne div umbauten) 73
> Die blaue: ist die alte Version die eher nicht funktioniert (keine galvanische Trennung trotz Optokopplern) > Die rote: ist die neue Version, die funktioniert, wenn man die Impulse nicht zu kurz macht.
Yannik S. schrieb: > Die blaue: > Ebay-Artikel Nr. 280634104945 Hier kannst du noch etwas darüber nachlesen: http://www.heise.de/hardware-hacks/artikel/3-Achs-Schrittmotorsteuerung-aus-China-1518901.html Wenn du garantiert keinen Scheiss kaufen willst und noch ein bisschen mehr ausgeben willst/kannst dann kauf dir das Teil hier: http://rc-letmathe.de/product_info.php?cPath=61_159&products_id=1280 Bin selber Besitzer davon, tut was es soll und hat sich bisher auch noch nicht negativ bemerkbar gemacht. Irgendwo gibts hier auch einen Thread wo über das Teil schon geredet wurde, bin nur zu faul zum suchen :)
mr. mo schrieb: > Yannik S. schrieb: >> Die blaue: >> Ebay-Artikel Nr. 280634104945 > > Hier kannst du noch etwas darüber nachlesen: > http://www.heise.de/hardware-hacks/artikel/3-Achs-... > > Wenn du garantiert keinen Scheiss kaufen willst und noch ein bisschen > mehr ausgeben willst/kannst dann kauf dir das Teil hier: > http://rc-letmathe.de/product_info.php?cPath=61_15... > die von lethmathe kenn ich. ist mir aber zuteuer. ich weiß wer billig kauft kauft 2 mal. aber da ich nur ein wenig spielen will, sprengt die steuerung schon meinen rahmen. >> Die rote: > ist die neue Version, die funktioniert, wenn man die Impulse nicht zu > kurz macht. das hört sich doch garnicht mal so schlecht an. gibts eine anleitung, bzgl. der steckerbelegungen? habe im netz nix gefunden. > Bin selber Besitzer davon, tut was es soll und hat sich bisher auch noch > nicht negativ bemerkbar gemacht. Irgendwo gibts hier auch einen Thread > wo über das Teil schon geredet wurde, bin nur zu faul zum suchen :) achso hier im forum auch nichts. wäre also net wenn dus raussuchen könntest, scheinst ja zuwissen nach was du suchen musst ;-)
Ich hatte mal die blaue in einer 4-Achs-Version.. Zwei von den Endstufen haben einwandfrei funktioniert, die anderen beiden haben doch ganz gerne mal einen Schritt vergessen. Und ich sage bewusst vergessen und nicht verloren, weil an der Hardware lags nicht. Woran es lag kann ich dir allerdings auch nicht sagen. Dennoch würde ich empfehlen: Kauf dir lieber was gescheites, sonst gehts dir wie mir: du kaufst zweimal. Gruß Thomas
habe sie mir mal bestellt. also die rote. Werde sie testen und mich dann melden. für mein vorhaben ist ein schritt nicht so schlimm ;-)
Wenn Du nur spielen willst habe ich noch 4 Stück TB6560 IC.
jetzt ist die steuerung schon gekauft ;-) aber was willste dafür habe?
Ich hab die blaue, aber es gibt sie noch billiger als du sie gefunden hast. Ich würde dir aber trotzdem dazu raten für jede Achse eine eigene Endstufe zu kaufen oder damindest so abzusichern das sich die Fräse nicht selber zuerstören kann falls die schritte vergisst xD
@yast, falls die Frage mir galt, 20+2,20 EURO für die 5 Stück. Sind org. verpackt und die org. Rechnung ist bei, da ich auf die THB6064 umgestiegen bin. Mal an: euv-5850 ÄT gmx punkt de
heute ist sie angekommen. tja kein plan dabei, keine cd nix im netz gefunden. hat jemand ne anleitung oder schon mal in betrieb genommen? es geht um die rote.... platinenaufdruck: TB6560v2 Gruß
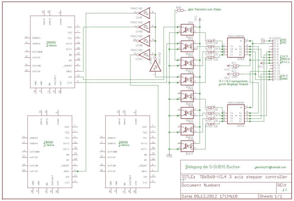
Hallo yast, ich habe hier die Version TB6560_V2.4 3-Achs-Controller für aktuell 34,79 € bei eBay. Da keinerlei Unterlagen dabei waren, machte ich eine Anfrage an den deutschen Importeur nach einer englischen Dokumentation. Die gibt es leider nicht, so auch die Aussage direkt aus China. Dafür hier der Link auf die chinesische Dokumentation die wenigstens zur Hardware passt: http://drivers.a-m-a-z-p-l-u-s.com/download/CK62_Manual.rar (die - Zeichen rausnehmen, wird hier leider als Spam interpretiert) Na ja, wenn man es ganz billig haben will muss man eben Abstriche machen. Leider ist in dieser Doku die 15polige D-SUB Schnittstelle nicht beschrieben. Da ich das Board aber über einen uP ansteuere, musste ich die Schaltung etwas mühsam rauszeichnen (siehe Anlage als EAGLE-Stromlauf). Es wurden noch die zwei gekennzeichneten Widerstände nachgerüstet, da sonst das Board bei abgezogenem Stecker spinnt. Jedenfalls läuft die X-Achse nach einem Probeaufbau (Foto) einwandfrei. Die Clockimpulse wurden auf 30us Breite programmiert. Wo die Grenzen bezüglich Lastverhalten und Geschwindigkeit liegen, muss ich demnächst noch ausprobieren. Viel Erfolg! Alexander
->Stromlaufplan An deine OK-Kollektoren wirste noch ein paar Pullup-Widerstände vorsehen müssen, sonst wird die Schaltung trotz Schmitt-Trigger ein Glücksspiel. Wenn der OK-Transistor sperrt floaten die Eingänge von den HC14 mit ziemlicher Sicherheit. Alexander Frey schrieb: > da sonst das Board bei abgezogenem Stecker spinnt. Ohne Pullups oder Pulldowns floaten offene Cmos-Eingänge immer. Daher würde ich denen entsprechende Widerstände spendieren die einen sicheren Standby-Betrieb gewährleisten. Ich würde aber keine 220k sondern 10k nehmen. Ist ein üblicher Wert.
Hallo zusammen, ich habe die gleiche steuerung (die rote) mit 0,7Ampere Motoren Meine motoren rauschen im Stillstand fürchterlich. habt ihr das auch?
Hallo zusammen, nein, bei mir sind die Motoren im Stillstand nahezu lautlos. Die Schalter D1/D2 stehen auf 1/16 Schritt, das könnte einen Einfluss haben. Außerdem steuere ich das Board nicht mit einem PC an, sondern über die DSUB15-Buchse mit einen Atmel. Anbei ein überarbeiteter Stromlauf der Buchse für alle 3 Motoren. Grüße Alexander
Bitte melde dich an um einen Beitrag zu schreiben. Anmeldung ist kostenlos und dauert nur eine Minute.
Bestehender Account
Schon ein Account bei Google/GoogleMail? Keine Anmeldung erforderlich!
Mit Google-Account einloggen
Mit Google-Account einloggen
Noch kein Account? Hier anmelden.


