Hallo Michael und neu hier in diesem forum, Ich möchte mich hier gerne mit wissen bereichern, in sachen SMD. Ich habe mir ein SMD Mosfet-array von ebay besorgt und Provisorisch auf einer SMD adapterplatte mit flussmittel fixiert (mit dem entsprechenden kolben) und die "lötstellen" auf durchgang geprüft. Alles Top. Ich schliesse nun Drain an, und source hat 12V, dann stelle ich fest das meine 4 led´s leuchten, auch wenn ich das Gate entlade leuten diese weiter. http://www.ebay.de/itm/310256493259?ssPageName=STRK:MEWNX:IT&_trksid=p3984.m1497.l2649#ht_2118wt_1024 Habe ich diesen beim löten kaputt gemacht? Sind SMD teile empfindlicher beim löten? mfg
a) Warum schreibst du nicht gleich die Typenbezeichnung (IRF7311) hin? b) Zeichne doch einen Schaltplan - vielleicht fällt dir dabei etwas auf.
Bitte mal Schaltbild einstellen, sonst wird das Rätselraten.. Grundlagen schon studiert? http://www.sprut.de/electronic/switch/nkanal/nkanal.html
> b) Zeichne doch einen Schaltplan - vielleicht fällt dir dabei etwas auf.
Insb. wenn man die Schutzdiode beachtet ;)
Michael schrieb: > Ich schliesse nun Drain an, und source hat 12V, dann stelle ich fest das > meine 4 led´s leuchten, auch wenn ich das Gate entlade leuten diese > weiter. Das ist ein n-Kanal MOSFET, von der prinzipiellen Funktion her ähnlich wie ein npn-Transistor. Source ist analog zum Emitter und Drain analog zum Kollektor. Die positiv(er)e Spannung gehört also an Drain. Georg A. schrieb: > Insb. wenn man die Schutzdiode beachtet ;) Das ist keine Schutzdiode, sondern lediglich eine Konsequenz des Kristallaufbaus (der PN-Übergang vom Drain zum Substrat). Genauso wie ein bipolarer Transistor einen PN-Übergang zwischen Basis und Kollektor hat. XL
Axel Schwenke schrieb: > Das ist ein n-Kanal MOSFET, von der prinzipiellen Funktion her ähnlich So ein Schwachsinn! Eben genau VOM PRINZIP her ist er unterschiedlich. Von der Funktion her KANN er ähnlich benutzt werden. Sprachverständnis... > wie ein npn-Transistor. Source ist analog zum Emitter und Drain analog > zum Kollektor. Die positiv(er)e Spannung gehört also an Drain. Du unterschlägst völlig den fundamentalen Unterschied. Fürs Verständnis bringt das gar nichts. Der Kanal eines FET ist so lange in beide Richtungen absolut identisch, bis das Substrat an eine Seite des Kanals kontaktiert und sich die Body-Diode bildet. Der Übergang eines Bipolartransistors ist prinzipbedingt und nicht technologiebedingt gerichtet. > Konsequenz des > Kristallaufbaus (der PN-Übergang vom Drain zum Substrat) Genauso falsch... Mit dem Kristall selbst hat es nichts zu tun, sondern mit seiner Dotierung. Der PN-Übergang ist nicht von Drain nach Source, sondern IST Drain und Source. Nimm dir lieber fünf Minuten mehr Zeit zum Antworten und schreib dafür keinen solchen halbseidenen Käse, den sich ein Anfänger vielleicht merkt und später dann erst nochmal neu und richtig lernen muss.
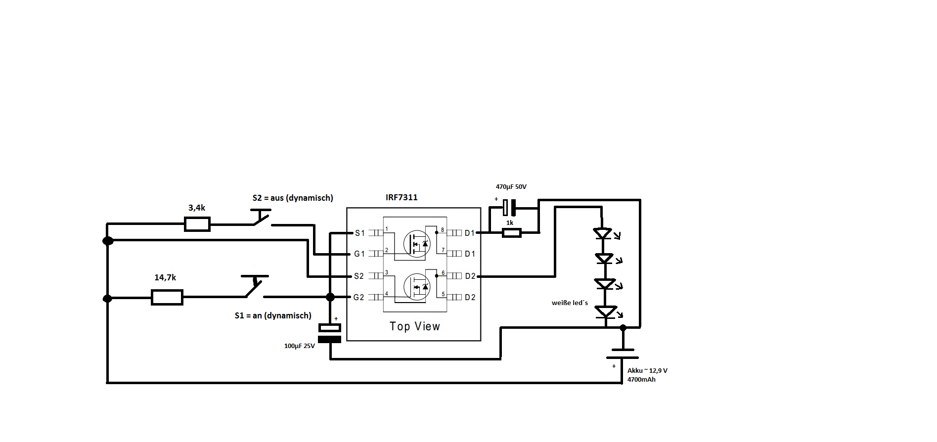
Hier mal der schaltplan insgesammt. Ich habe diesen mit einem STP76NF75 getestet und hat einwandfrei funktioniert. Nur bei dem liegt Vgs bei~ 20v wobei dann das Gate nur 60% öffnet und die leds nicht voll leuchten.
Michael schrieb: > Ich habe mir ein SMD Mosfet-array von ebay besorgt und Provisorisch auf > einer SMD adapterplatte mit flussmittel fixiert Mit WAS hast du das Ding fixiert? > Sind SMD teile empfindlicher beim löten? Empfindlicher als WAS? Michael schrieb: > Hier mal der schaltplan insgesammt. Wider mal LEDs ohne Vorwiderstand. Reife Leistung... Gehen wir mal davon aus, dass der Mosfet jetzt kaputt ist, denn Gates lässt man nicht offen, die sind im Normalfall über einen 100k Widerstand mit der Source verbunden. Denn sonst entlädt sich beim Öffnen des Schalters das zuvor geladene und jetzt unbeschaltete Gate gaaaaaaaaanz laaaangsaaaam, der Mosfet kommt gaaaaaaaaanz laaaangsaaaam vom leitenden in den sperrenden Bereich und bekommt dazwischen zuviel Leistung ab. Denn er kann gut sperren und gut leiten, muss aber schnell dazwischen umgeschaltet werden. > Ich habe diesen mit einem STP76NF75 getestet und hat einwandfrei > funktioniert. > Nur bei dem liegt Vgs bei~ 20v wobei dann das Gate nur 60% öffnet und > die leds nicht voll leuchten. Du solltest dir unbedingt nochmal die Grundlagen anschauen... > Nur bei dem liegt Vgs bei~ 20v Das ist die ABSOLUTE MAXIMUM RATINGS Angabe aus dem Datenblatt. Damit geht er gerade noch nicht KAPUTT. Er wird aber garantiert mit 10V Ugs schon supertoll leiten.
Lothar Miller schrieb: > Empfindlicher als WAS? als alle anderen NICHT smd bauteile, was denn sonst? gibs noch mehr?? Lothar Miller schrieb: > Wider mal LEDs ohne Vorwiderstand. Reife Leistung... Diese 4 leds sind ind serie geschaltet ;) und haben eine vorwärtsspannung von je 3,5 volt. 4 mal 3,5 volt sind? richtig 14 volt. was ein widerstand überflüssig macht. Lothar Miller schrieb: > der Mosfet kommt gaaaaaaaaanz > laaaangsaaaam vom leitenden in den sperrenden Bereich Nein. In meinen Test schaltungen auf meinem steckbrett mit dem STP76NF75 Mosfet hat dieser eben nur 8,89 volt am ausgang, (war nur eine Prinzipschaltung) fiel dann auf 8,72 volt und hielt dies stabil. Das Gate wird wie ein kondensator aufgeladen, und in meiner schaltung kann die spannung am Gate 1 dann nirgendwo hin als da zu bleiben wo sie ist. Entschuldige meine unfreundlichkeit.
Michael schrieb: > Entschuldige meine unfreundlichkeit. Das schafft Lothar sicher, hat er doch bereits vorher Deine völlige Ahnungslosigkeit entschuldigt.
Das soll ein Dimmer sein. Da in meinem Projekt kein Drehpoti, bautechnisch, in frage kommt habe ich das mit Drucktastern gelöst. Vlt. später dann auch mit Folienwiederstände.
@ Michael (Gast) >> Wider mal LEDs ohne Vorwiderstand. Reife Leistung... >Diese 4 leds sind ind serie geschaltet ;) und haben eine >vorwärtsspannung von je 3,5 volt. 4 mal 3,5 volt sind? richtig 14 volt. >was ein widerstand überflüssig macht. Jaja, so wie das Perpetuum Mobile immer wieder neu entdeckt wird. Lies mal was zum Thema LED. >Nein. In meinen Test schaltungen auf meinem steckbrett mit dem STP76NF75 >Mosfet hat dieser eben nur 8,89 volt am ausgang, (war nur eine >Prinzipschaltung) fiel dann auf 8,72 volt und hielt dies stabil. Das >Gate wird wie ein kondensator aufgeladen, und in meiner schaltung kann >die spannung am Gate 1 dann nirgendwo hin als da zu bleiben wo sie ist. Deine Schaltung ist, vorsichtig folmuliert, anders. Mit N-Kanal FETs kann man das so nicht machen, da muss Source auf GND und nicht auf VCC/Plus. Mumpitz^3.
FET schrieb: > Was was kann man dann mit den Tasten genau machen? Jenachdem wie lange man auf den tastern drück, werden die led immer heller oder auf taster 2 immer dunkler bis sie aus sind.
Falk Brunner schrieb: > Mit N-Kanal FETs kann man das so nicht machen, da muss Source auf GND > und nicht auf VCC/Plus. Mumpitz^3. jetzt wo Sie es sagen, manchmal denk man so schwer das man die einfachsten dinge übersieht :D Danke
@ Michael (Gast) >Jenachdem wie lange man auf den tastern drück, werden die led immer >heller oder auf taster 2 immer dunkler bis sie aus sind. Das SOLL sie machen. Wird sie aber nie machen, schon gar nicht zuverlässig.
Michael schrieb: >>> Sind SMD teile empfindlicher beim löten? >> Empfindlicher als WAS? > als alle anderen NICHT smd bauteile, was denn sonst? gibs noch mehr?? Dachrinnen, Rohre, Schmuck, was wird sonsnt noch gelötet? Und es gibt auch empfindliche bedrahtete Bauteile, und es gibt genauso unempfindliche SMD Bauteile, auf dem hier kannst du z.B. ewig rumbrutzeln: https://www.buerklin.com/datenblaetter/70B490_TD.pdf?ch=61115 > Das Gate wird wie ein kondensator aufgeladen, und in meiner schaltung > kann die spannung am Gate 1 dann nirgendwo hin als da zu bleiben > wo sie ist. Du hast ein recht einfaches Bild von deiner Spannung. Denn in der Perxis kann die beliebige Werte annehmen, wenn die Luftfeuchtigkeit und Kriechströme es zulassen. Messen darfst du da natürlich nicht, denn dein Messgerät hat einen Innenwiderstand, der die Ladung dann gegen Masse ableitet... Michael schrieb: > Lothar Miller schrieb: >> Wider mal LEDs ohne Vorwiderstand. Reife Leistung... > Diese 4 leds sind ind serie geschaltet ;) Was die Sache nicht besser macht. Zu den Grundlagen: LEDs werden mit Strom betrieben. Eine gewisse Vorwärtsspannung/Durchlassspannung stellt sich dann abhängig von Farbe und Temperatur und Exemplar ein. > Diese 4 leds sind ind serie geschaltet ;) und haben eine > vorwärtsspannung von je 3,5 volt. 4 mal 3,5 volt sind? richtig 14 volt. Und wie sollten die dann leuchten können, wenn du nur 12,9V hast? > Entschuldige meine unfreundlichkeit. Nicht nötig. Ich ignoriere sie.
Ich vertsehe nicht die Logik mit dem vorwiderstand. Nach meiner rechnung müsste ich ein, minus 0,3 Ohm widerstand vorsetzen. ??? Und da bei mir keine einschalt spitzenspannungen auftreten halte ich die aufregung für unbegründet. Ich hab noch nie an bspw. einer 230V 60W Glühlampe einen vorwiderstand gesehen. Lothar Miller schrieb: > Und wie sollten die dann leuchten können, wenn du nur 12,9V hast? Indem sie weniger hell leuchten.
> Ich hab noch nie an bspw. einer 230V 60W Glühlampe einen vorwiderstand > gesehen. Weil die auch keinen nahezu exponentiellen Stromanstieg bei höherer Spannung haben. Vergleiche das doch mal mit dem Verhalten einer weissen Leuchtdiode (nur so als Hausnummer): 3V - 5mA 3.5V - 500mA 4V - 3A (falls sie da noch lebt) Der Vorwiderstand dient dazu, äussere Spannungsschwankungen und Änderungen in der Flussspannung etwas auszugleichen.
Yep, da fehlen fundamentale Grundlagen für den Betrieb einer LED. Auszug aus Wikipedia: "Eine LED kann nicht unmittelbar an eine Spannungsquelle, wie eine Batterie, angeschlossen werden: Eine weiße LED bleibt zum Beispiel beim Anlegen einer Spannung von 2,4 V (zwei NiMh-Akkus à 1,2 V) dunkel. Bei 3 V (zwei Alkali-Mangan-Primärzellen handelsübliche nichtaufladbare „Batterien“) erreicht sie gerade 30 % der Nennleistung. Drei Akku-Zellen mit zusammen 3,6 V jedoch steigern die Leistungsaufnahme auf über 150 %, ohne aktive Kühlung fällt die LED nach kurzer Zeit aus. Die rote Linie im Diagramm markiert eine etwas abweichende Kennlinie, verursacht durch Exemplarstreuungen der Halbleitereigenschaften beziehungsweise lokale Temperaturerhöhungen. Daher kann der Strom auch bei konstant gehaltener Durchlassspannung um mehr als 50 % anwachsen. Aus diesem Grund betreibt man LEDs ausschließlich mit Maßnahmen zur Strombegrenzung." Das Bild hierzu: http://upload.wikimedia.org/wikipedia/commons/7/7c/Ledwhitecharcurp.png
@ lothar Miller >> Diese 4 leds sind ind serie geschaltet ;) und haben eine >> vorwärtsspannung von je 3,5 volt. 4 mal 3,5 volt sind? richtig 14 volt. >Und wie sollten die dann leuchten können, wenn du nur 12,9V hast? Hast Du immer noch nicht begriffen, daß LEDs nur normale "Glühbirnen" sind? ;-)
Michael schrieb: > Ich vertsehe nicht die Logik mit dem vorwiderstand. Nach meiner rechnung > müsste ich ein minus 0,3 Ohm widerstand vorsetzen. ??? Deine Rechnung ist falsch. Üblicherweise sind Rechnungen immer spätestens dann falsch, wenn negative Widerstände herauskommen. Kurz gesagt: du hast keine Spannung mehr für einen Vorwiderstand, der den Strom, mit dem LEDs betrieben werden sollten, begrenzen oder gar konstant halten sollte. Damit kannst du die LEDs nicht so betreiben, wie es der Hersteller geplant hat. Und natürlich werden die LEDs leuchten, nur eben nicht immer gleich gut, gleich hell, oder gar mit der gleichen Farbe... Jens G. schrieb: > Hast Du immer noch nicht begriffen, daß LEDs nur normale "Glühbirnen" > sind? Wird schon noch. Ich arbeite daran... ;-)
Ferner steht bei Wikipedia: "Kurzzeitig (µs bis ms) können LED mit Strömen des Mehrfachen des Dauer-Nennstromes betrieben werden." Mein experiment ohne widerstand mit 3,4 volt und 1,8A (siehe bild) zeigt nach etwa einer 1 stunde immernoch das gegenteil, ohne das die Led nennenswert heiß wird. Anfangs wurden die Led-Beine warm, etwa körpertemperatur. Was aber, Physikalisch gesehen, seltsamer ist,ist das eher die dicken LED-Beine warm wurden als das der hauch dünne Bonddraht das weite sucht.... Aus dieser Erkenntnis gehe ich Persöhnlich davon aus das die LED nur soviel strom nimmt wie sie benötigt. Und der Vorwiderstand NUR als Bremse für die >Geschwindigkeit< der elektronen zu betrachten ist. vlt bin ich hier doch im falschen forum, jedenfalls ist mein Hauptanliegen hier gelöst worden. In dem sinne ein frohes schaffen und Guten rutsch.
> Persöhnlich davon aus das die LED nur soviel strom nimmt wie sie benötigt. Klingt nach Pipi Langstrumpf... Ich mach die Welt wie sie mir gefällt. > vlt bin ich hier doch im falschen forum, Ja, viele entwickeln hier professionell Elektronik (ich auch) und kennen sich leider mit der Materie wohl zu gut aus.
Michael schrieb: > vlt bin ich hier doch im falschen forum, jedenfalls ist mein > Hauptanliegen hier gelöst worden. > > In dem sinne ein frohes schaffen und Guten rutsch. LED_test.png 5,2 MB ich frag mich was so leute im kopf haben…
Bitte melde dich an um einen Beitrag zu schreiben. Anmeldung ist kostenlos und dauert nur eine Minute.
Bestehender Account
Schon ein Account bei Google/GoogleMail? Keine Anmeldung erforderlich!
Mit Google-Account einloggen
Mit Google-Account einloggen
Noch kein Account? Hier anmelden.


