Hi @all, ich habe die Befürchtung, das meine Frage ein wenig Noobig ist, aber irgendwie krieg ichs net hin: Ich habe ein 16 Kanal 0-10V Switchboard. Um dies Binär dazutellen brauch ich 4bit. Mein "Zielgerät" hat eine 8bit Buche. Das passt ja schonmal. Um ein Bit zu schalten, muss ich dieses mit GRD schalten. Um einen Kanal (kein BIT) an/aus-zuschalten müssen die entsprechenden Bits mit GRD verbunden und wieder getrennt werden. Also auf Low und wieder auf high. Jetzt wäre es geil, wenn man das adaptieren könnte..... Ich würde das ganze jetzt einfach mit 16 IRF 610 (Conrad: 162414 - 62) realisieren (dann müste ich den Schalter am Panel eben immer an und auschalten :-(. Problem ist nur, das ich damit eh nicht die Binäre kodierung hinbekomme.... Da könnte man mit dioden gegenlenken, oder? Oder ist mein Ansatz schon mist und das ganze geht anders 1000x einfacher? Wenn ohne großen mehraufwand möglich könnte man die Schaltung schon gleich auf 8bit auslegen :-)))) Auf jeden fall schon mal danke und Gruß Heinz
spamme schrieb: > Mein "Zielgerät" hat eine 8bit Buche. Buche? Ist das aus Holz? > Ich habe ein 16 Kanal 0-10V Switchboard. > Um dies Binär dazutellen brauch ich 4bit. Dann hast du aber immer nur 1 aktiven Kanal. Ist dir das klar? > Oder ist mein Ansatz schon mist und das ganze geht anders 1000x > einfacher? Do solltest da keine halben Sachen posten, sondern besser das, was dein ursprüngliches Problem ist: WELCHES Gerät wie WIE mit WELCHEM Gerät verbunden? WAS wird mit den 16 Stück 0-10V Kanälen gemacht? Haben die Geräte NAMEN oder TYPEN, die man googeln könnte?
Hallo spamme, wirklich sehr konfus. > ich habe die Befürchtung, das meine Frage ein wenig Noobig ist, aber > irgendwie krieg ichs net hin: nein, "nett" bekommst Du das nichthien... > Ich habe ein 16 Kanal 0-10V Switchboard. > Um dies Binär dazutellen brauch ich 4bit. Um WAS darzustellen? Mit 4 Bit kannst DU einen der 16 Kanaele ansteuern, aber nicht die 0-10V "darstellen" > Mein "Zielgerät" hat eine 8bit Buche. > Jetzt wäre es geil, wenn man das adaptieren könnte..... Es waere auch "geil", wenn Du erklaeren koenntest, welche Art Hilfe Du zu WELCHEM PROBLEM wuenschst. Gruss Michael
Bin mir nicht sicher was du eigentlich willst. Aber ich glaube du suchst sowas wie einen 16 zu 1 Analog Multiplexer.
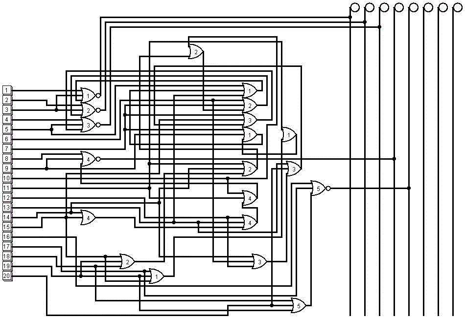
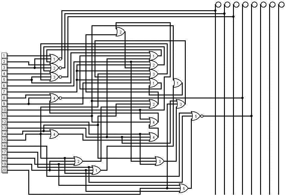
Hi, ich bin nochmal in mich gegangen und habe das ganze mal ein bissl visualisiert. Einmal die Buchse (war doch keine Buche :-) mit kodierung ist aber eher standard. Dann habe ich nochmal eine Logigschlatung für den Adapter dazu gebastelt. In dieser sind allerdings Taster und keine Schalter vorgesehen :-( Die 10V betriebsspannung sollten ja nicht das Problem für einen IC sein, oder? Es läuft also darauf raus, dass gilt: Schalter 1 = Adresse 1 Schalter 2 = Adresse 2 .... Schalter 16 = Adresse 16 Auf jeden Fall schon mal danke für die Ideen. BG Heinz
geiles Ding, habs selten erlebt das jemand schreibt und postet aber nichts konkretes. Was willst du überhaupt? Warum antwortest du nicht mal auf die Fragen, die gestellt werden müssen um dir zu helfen da du nicht schreibst was du eigentlich willst... In deinem Plan mit den Gattern sind links 20 Zahlen und rechts 8 Senkrechte Striche. Ein Zusammenhang zu deiner zerstückelten Frage ist nicht herzustellen. 1-10V sind auch nicht zu sehen, auch nicht 4 oder 8 bit. Das hier versteht kein Mensch. Werd endlich konkret, erkläre dein Problem, erkläre das Umfeld, eindeutig, nachvollziehbar, der Reihe nach - da bekommt man ja Hinkrebs... TS
Bei der Überschrift hatte ich ja zuerst an einen AD-Wandler gedacht.. Aber bei der wirren Beschreibung denke ich auch, er könnte einen Multiplexer meinen.. @spamme: du willst also 16 Ausgänge und 16 Schalter haben? Also quasi erstmal einen Multiplexer mit 16 Eingängen an die du jeweils einen Schalter hängst und das ganze dann auf einen Demultiplexer mit 16 Eingängen und einem Ausgang? Oder wie, oder was??
Ich fürchte, er meint einen Dezimal zu Binär Encoder, also das Gegenteil von 74154.
Bitte melde dich an um einen Beitrag zu schreiben. Anmeldung ist kostenlos und dauert nur eine Minute.
Bestehender Account
Schon ein Account bei Google/GoogleMail? Keine Anmeldung erforderlich!
Mit Google-Account einloggen
Mit Google-Account einloggen
Noch kein Account? Hier anmelden.

