Hallo, ich habe einen nicht invertierenden OP-Verstärker, der z.B. 200 kHz und 10Vss ausgibt. Am Ausgang soll nun ein weiteres Signal mit z.B. 60 kHz und 2Vss hinzu moduliert werden. Die Frage ist, wie trenne ich das zweite Signal am Besten von der Verstärkerschaltung, bzw. wie bringe ich den Verstärker dazu, das zweite Signal nicht wieder weg zu regeln? Ich hätte einmal die Idee, hinter dem Verstärker einen Hochpass zu schalten, um die 60 kHz zu trennen. Das 60 kHz Signal würde mit einem Tiefpass getrennt, damit dort nicht die 200 kHz anliegen. Des Weiteren hatte ich daran gedacht, ob es möglich ist, das 60 kHz Signal direkt aus der Rückkopplung zu filtern. Allerdings funktioniert das bei nicht invertierenden Schaltungen wohl nicht wie gewünscht. Hat jemand Tipps, wie man es besser bzw. richtig machen kann?
ff schrieb: > Hallo, ich habe einen nicht invertierenden OP-Verstärker, der z.B. 200 > kHz und 10Vss ausgibt. Am Ausgang soll nun ein weiteres Signal mit z.B. > 60 kHz und 2Vss hinzu moduliert werden. Warum addierst Du beide Signale nicht am Eingang? Dann sind sie automatisch voneinander entkoppelt. Gruss Harald
Du kannst am Ausgang kein weiteres Signal hinzumodulieren,
denn der Ausgang des OpAmps ist (durch Gegenkopplung besonders)
niederohmig, im Ohmbereich.
Du musst ihn zum summieren hochohmiger machen.
OpAmp
Signal---|+\
| >--+--Summationswiderstand--+-- Signal+ü60kHz
+--|-/ | |
| | Summationswiderstand
+--------+ |
60kHz Quelle
Falls die Summationswiderstände am Ausgang stören,
kannst du die Summation auf den Eingang verlagern,
dein OpAmp schafft ja 60kHz.
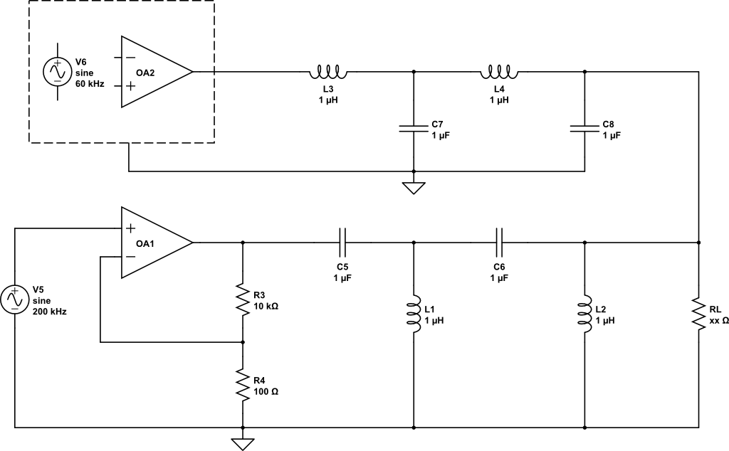
Das 60 kHz Signal kommt direkt aus einem IC mit integriertem Verstärker, davor muss laut Datenblatt sowieso ein Entkoppelfilter. Also das kann ich dementsprechend auch nicht mit in den anderen Verstärker schicken. Ich reiche gleich mal ein Schaltbild nach.
Also so im Prinzip hatte ich gedacht. Es sollte schon eine gute Dämpfung vorhanden sein. Die Frage ist, wie gut kann man 4. Ordnung im Voraus berechnen. In einer Simulation sieht das ganz gut aus, jedenfalls mit zusätzlichen seriellen und parallelen Widerständen bei den Filtern.
>Am Ausgang soll nun ein weiteres Signal mit z.B. 60 kHz und 2Vss hinzu >moduliert werden. Du meinst wohl "hinzuaddiert"? Und dann 100fache Verstärkung von 200kHz Sinus? Hat denn dein Verstärker eine UGB von >200MHz? >Also so im Prinzip hatte ich gedacht. Nein, das ist Murks. Du solltest die Signale am Eingang eines Verstärkers addieren.
Die Bauteilwerte haben da jetzt nichts zu sagen. Das Ding ist, dass das 60 kHz Signal der Kommunikation dient. Der Verstärker ist nur auf einer Seite und die Sendeempfänger auf beiden Seiten der Übertragungsstrecke. Das muss also auf das verstärkte Signal addiert werden.
Bitte melde dich an um einen Beitrag zu schreiben. Anmeldung ist kostenlos und dauert nur eine Minute.
Bestehender Account
Schon ein Account bei Google/GoogleMail? Keine Anmeldung erforderlich!
Mit Google-Account einloggen
Mit Google-Account einloggen
Noch kein Account? Hier anmelden.
