Hallo. Ich bräuchte etwas Hilfe bei einer kleinen (analogen) Schaltung für ein Projekt. Wem das Ganze zu lang ist, kann gleich bei FAZIT weiterlesen und verpasst nichts allzu Wesentliches. AUFGABENSTELLUNG Ich möchte einen kleinen Akkuschrauber von Bürstenmotor auf Brushless-Motor umrüsten. (Einfach aus Interesse welche Vorteile das bringt) Für die Ansteuerung des Brushless-Motors verwende ich einen Fahrtenregler für RC-Autos aus dem Modellbaubereich (liefert 6V für meine Schaltung). Die innere Mechanik des originalen Abzugs ist riesig, ziemliche Platzverschwendung (siehe Link). "ESC" bedeutet "Electronic Speed Controller" - das ist der Fahrtenregler. http://i75.photobucket.com/albums/i281/sebigboss/Project%20brushless%20drill/Schema_old.jpg (ich hoffe es ist ok, wenn ich so verlinke - ich kann die Bilder aber auch hochladen) Also wird der origniale "Abzug" entfernt und stattdessen kommt der Fahrtenregler rein. Dieser soll ebenfalls mittels eines Abzuges gesteuert werden. Der Abzugshebel und Trimmer eines Potis sollen fest mit einer Achse verbunden sein (siehe Link) (natürlich + Torsionsfeder für die Rückstellung des Abzugshebels). http://i75.photobucket.com/albums/i281/sebigboss/Project%20brushless%20drill/Schema_sensored_inrunner2.jpg Noch besser würde mir diese Version gefallen: http://i75.photobucket.com/albums/i281/sebigboss/Project%20brushless%20drill/Schema_sensored_outrunner.jpg (Dazu müsste ich aber Hall-Sensoren in den Outrunner-Motor einbauen und davon habe ich keine Ahnung - das hat auch nichts mehr mit dem Thema hier zu tun) Die Funktion des Schieber für Rechts-/Linkslauf des Akkuschraubers (ein- oder mehrpoliger Schalter) soll natürlich erhalten bleiben. GRUNDLAGEN Damit dieser Fahrtenregler weiß was er tun soll, benötigt er ein PWM Signal mit einer Pulsweite von 1 bis 2ms und (in meinem Fall) ca. 18-20ms Periodendauer. Die Periodendauer kann ruhig etwas variieren (hab‘s getestet), für den Fahrtenregler ist hauptsächlich die Pulsweite wichtig. 1ms Pulsweite entspricht Vollgas retour, 1,5ms entspricht Stillstand, 2ms Vollgas vorwärts. Die folgende Schaltung zur Steuerung der Pulsweite des Signals (simpler Servotester) habe ich schon probeweise aufgebaut (die Werte spielen hier aber keine Rolle, es geht nur ums Schema). http://www.uoguelph.ca/~antoon/gadgets/servo4.gif Dreht man am Poti, verändert sich der Gesamtwiderstand und somit die Pulsweite ca. von 1 bis 2ms – simpel. Mit "Gesamtwiderstand" meine ich R1+P1 (nur damit es keine Unklarheiten gibt). P2 beeinflusst (hauptsächlich) die Periodendauer. PROBLEMSTELLUNG Wenn der Abzug(Poti) in Grundstellung (0Ω) ist, darf der Motor nicht anlaufen! Also muss da die Pulsweite des generierten Signals bei genau 1,5ms liegen. Damit es immer genau 1,5ms sind, muss der Gesamtwiederstand, der die Pulsweite bestimmt, in Grundposition immer gleich sein. Das wird (denke ich mir) am besten erreicht, wenn das Potentiometer in Grundstellung auf 0Ω steht. (Am anderen Anschlag oder in der Mitte des Potis könnte der Widerstand immer leicht variieren, temperaturabhängig sein usw.) Wenn man den Abzug drückt, erhöht der Schleifer des Potentiometers den Widerstand, sagen wir z.B. von 0 auf 10kΩ (voll gedrückt). Der Gesamtwiderstand erhöht sich von 30kΩ auf 40kΩ, die Pulsweite erhöht sich von 1,5ms auf 2ms und wir haben jetzt z.B. Rechtslauf. Schön, und wie/mit welcher Schaltung schaffe ich es (für Linkslauf): den Gesamtwiderstand zu verringern, nachdem ich den Schalter umgelegt habe (damit die Pulsweite jetzt von 1,5ms auf 1ms absinkt)? Das Problem ist, das Drücken des Abzugs erhöht den Widerstand des Potentiometers, egal wie herum geschalten ich es in den Gesamtwiderstand einfließen lasse. FAZIT Ich brauch also irgendeine Zwischenschaltung, die mir eine Spannung/einen Grundwiderstand (z.B. 30kΩ) von 30kΩ auf 40kΩ erhöht, wenn ich ein Poti von 0 auf 10kΩ AUFDREHE und der Schalter auf Position 1 ist und von 30kΩ auf 20kΩ VERRINGERT, wenn ich gleichfalls das Poti von 0 auf 10kΩ AUFDREHE aber der Schalter auf Position 2 ist. Dafür kann /darf aber nur ein Potentiometer als Stellglied verwendet werden* – wie löse ich das? MÖGLICHER LÖSUNGSANSATZ Ich könnte mir vorstellen, dass man es irgendwie mit einer OPV Schaltung lösen kann: Das Poti ist in der Grundschaltung des OPV und regelt die Ausgangsspannung (quasi den Wiederstand). Der Schalter schaltet den OPV von nichtinvertierendem auf invertierenden Betrieb... Das Blöde ist nur: im invertierenden Betrieb schaltet der OPV (denke ich) gleich auf 0V und das wars… Vielleicht geht das ja aber irgendwie in die richtige Richtung… oder jemand kommt dadurch auf eine Idee? FET zur Spannungsregelung wäre ok, es muss nicht linear sein, aber hier wüsste ich auch nicht wie man das lösen könnte. * 2 Potentiometer parallel an der Achse gehen leider nicht (wo mit einem Schalter zwischen zwei Potis gewechselt wird). Erstens weil dann genau die Bedingung von den genau einzuhaltenden 1,5ms in Grundstellung extrem schwer einzustellen ist - und nie genau gehalten wird. Und zweitens geht es sich sowieso vom Platz her nicht aus 2 Potis nebeneinander auf die Achse zu setzen.
Beim Umschalten musst du eine Widerstand Paralel zum Poti schalten. Dieser sollte deutlich kleiner sein, denn bei parallelschaltung von Widerständen, ist der gesamtwiderstand kleiner als der kleinste Teilwiderstand. Oder anders ausgedrückt. Rg = 1/R1 + 1/R2 + 1/Rn Bei Vorwärtslauf wird ein Widerstand in Reihe geschaltet, bei Rückwärtslauf wird ein Widerstand paralell geschaltet. Es ist zwar früh am Morgen, aber ich denke damit kann man das thema erschlage, oder ich bin noch nicht ganz wach.
OEM mit ne555 und die Lage des Lotus zwischen den diodenzweigen wechseln. zu einstellen 2. Trümmer vorsehen.
sorry meinte OEM, poti und trimmer. Rechtschreibung ist jetzt aus.
@flip: Mit so wenig Information kann ich leider nichts anfangen. Und was ist bitte ein OEM? Falls du ein Embedded System meinst - ich möchte es wenn möglich Analog lösen, ohne µC. @Sebastian: Nein, das funktioniert so leider nicht, oder du hast missverstanden was ich möchte. Ich hab eine Zeichnung gemacht (siehe Anhang) Oben hab ich deine vorgeschlagene Schaltung aufgezeichnet. Der resultiende Widerstandsverlauf ist links aufgezeichnet. Rechts daneben habe ich dann meinen Widerstandsverlauf skizziert, wie ich ihn gerne hätte. Jetzt sollte hoffetnlich alles klar sein.
Du brauchst: 1x 10k Poti 1x Umschalter 2x Festwiderstände sonst nix, keine OpAmps etc.
Nein, ihr versteht mich anscheinend nicht. Ganz so trivial ist die Sache nicht! Gebt euch bitte wenigstens etwas Mühe und schaut es euch genauer an, ich hab jetzt schon einige Stunden in die genzen Zeichnungen inverstiert. So, hier nochmal ein vereinfachtes Schema, wie ich mir das vorstellen würde. (siehe Anhang) Es würde mich wirklich freuen wenn mir jemand (z.B. mit einer Schaltungszeichnung) dabei helfen könnte :-)
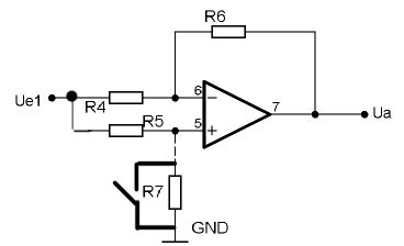
Gabriel M. schrieb: > Nein, ihr versteht mich anscheinend nicht. Ich denke, Du solltest einen anderen ANsatz waehlen: Dein Poti/Ausloeser erzeugt immer z.B. 0...+1V Ein Summierverstaerker mit OP kann man so aufbauen, dass er, gewaehlt durch einen Schalter, summiert oder die Differenz ausgibt. Dann sieht das so aus (sorry, hab gerade keine Lust zu zeichnen): Referenzspannung, z.B. 5V Poti erzeugt 0...1V Schalter geschlossen: OP erzeugt 0..1V Schalter offen: OP erzeugt 0...-1V Danach einen subtrahierer mit OP, Ausgang dann je nach Schalterstellung 5...4V oder 5...6V. Hintendran nur ein gesteuertes Monoflop, das so eingestellt ist, dass es bei 5V EIngang genau 1.5mS lange Pulse ausgibt, bei 6V -> 2mS und bei 4V -> 1.0mS. Fuer den polatitaetsgesteuerten Addierer/Subrtrahierer findest Du die Schaltung im Netz (wenn ich nicht irre ist das so wie hier auf dem Diagramm, alle R gleich), fuer das Gesteuerte Monoflop gibts ebenfalls ausreichende Schaltungen in der RC-Gemeinde. Gruss Michael
Es ist eben doch so einfach wie oben beschrieben: Schalterstellung 0: Poti in Reihe zu einem 30k Widerstand Schalterstellung 1: Poti in Reihe zu einem 20k Widerstand Und nun möchtest du eine umgekehrte Kennlinie für die beiden Schalterstellung: das machst du, indem du mal den "oberen" (Schalterstellung0) mal den "unteren" (Schalterstellung1) Abgriff und den Mittelabgriff des Potis nimmst. Das passiert mit dem Umschalter. Beschreibung: Schalterstellung0 -> Poti ganz "unten" -> 0k -> 30k gesamt Schalterstellung0 -> Poti ganz "oben" -> 10k -> 40k gesamt Schalterstellung1 -> Poti ganz "unten" -> 10k -> 30k gesamt Schalterstellung1 -> Poti ganz "oben" -> 0k -> 20k gesamt dazwischen linear...
Haha, scheint so als hätte ich den Wald vor lauter Bäumen nicht gesehen! Ich hab das Poti für meinen Anwendungsfall nur als erhöhbaren Widerstand betrachtet und mich so darauf fixiert, dass es mir gar nicht in den Sinn gekommen ist die äußerden Abgriffe zu schalten... peinlich :-) Also vielen Dank... "Lektion gelernt" - damit ist die Sache natürlich gelöst. Ich muss aber auch sagen, dass deine erste Antwort quasi "hingefetzt" war und komplett ohne Erklärung, deswegen hab ich deinen Vorschlag gar nicht näher analysiert und gedacht: "Das ist schon wieder so einer, der zu faul war um sich den Text überhaupt richtig durchzulesen und schreibt dann auch nicht mal hin was er meint, respektlos!" Entschuldige, ich hab mich wohl geirrt - aber vielleicht kannst du ja auch was daraus lernen für deine nächsten Beiträge ;-) PS: @Michael: vielen Dank für deine Mühe! Falls ich Probleme mit dem Nullpunkt habe (das Poti zu schlechte Qualität und keine gute Wiederhohlgenauigkeit hat), werde ich deinen Vorschlag hernehmen und sehen was ich daraus zaubern kann :-)
Ich habe nicht immer Lust mir den Kopf anderer zu zerbrechen. Deinen Zeichnungen zufolge hast du schon einige Zeit investiert, dann hättest du mit ein bisschen Überlegen auch selber drauf kommen können. Interessant ist, dass bei vergleichsweise einfachen Problemen immer gleich mit Kanonen auf Spatzen geschossen wird. So ala Tipp von Michael Roek (mexman). Eine wesentlich kompliziertere Variante wäre mir auch nicht mehr eingefallen. Ein uC hätte man sicher auch noch einbauen können ;)
Bitte melde dich an um einen Beitrag zu schreiben. Anmeldung ist kostenlos und dauert nur eine Minute.
Bestehender Account
Schon ein Account bei Google/GoogleMail? Keine Anmeldung erforderlich!
Mit Google-Account einloggen
Mit Google-Account einloggen
Noch kein Account? Hier anmelden.


