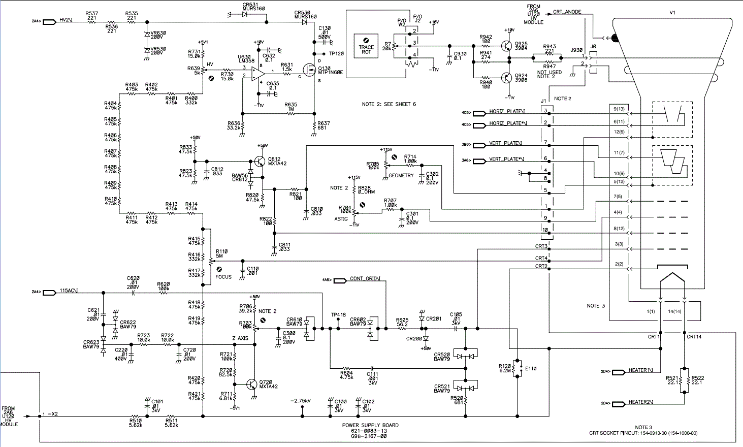
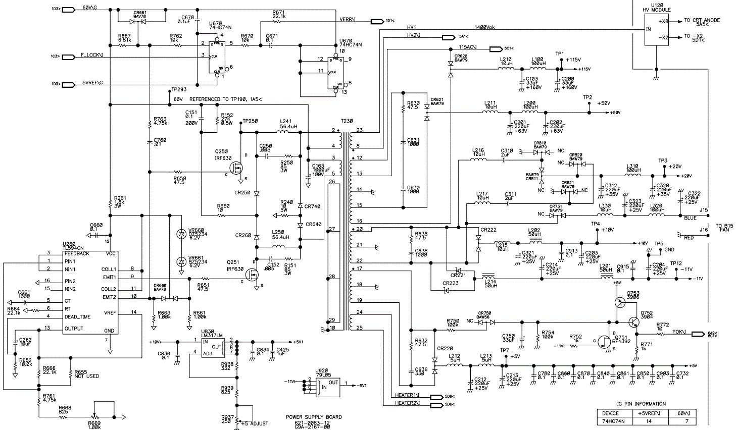
Hallo, ich habe eine kleine Frage um die Fehlersuche eingrenzen zu können. Ich habe ein älteres Tektronix Gerät noch mit CRT Bildröhre. Nach dem Einschalten flackert meist der Bildschirm in der Helligkeit und der Inhalt ändert sich in der Größe - er springt zwischen zu groß (d.h. Inhalte gehen über den Rand hinaus, so ca. 20%) und korrekt hin und her. Immer wenn der Screen dunkler wird, vergrößert sich die Darstellung (in alle Richtungen). Wie gesagt, es flackert, daher ändert sich auch die Größe permanent. Manchmal hört es aber auch einfach schlagartig auf und für ne Stunde ist alles bestens. Vermutlich wohl Erzeugung Anodenspannung. Anbei der Schaltplan der Einheit. Für das im 2. Bild oben rechts genannten HV Modul gibt es keinen Schaltplan, das vermutlich ein schwarzer Klotz (so 3x3x5 cm), welcher hinten an der Rückwand angeschraubt ist. Dort gehen 3 Kabel rein, eines davon von der Röhre. Wo sollte ich mit der Suche anfangen? VIELEN Dank für die Hilfe!!! Paul
soll ich nun noch raten welches Gerät das ist? 2213/15/35/36/46/45 etc? D.h. es würde helfen wenn du etwas präziser schreibst, was "Dein" älteres Tek oszi ist.
Paul schrieb: > Manchmal hört es aber auch einfach schlagartig auf und für ne Stunde ist > alles bestens. Prozentual ist die Hochspannung weiter oben auf der "Hitliste". Wenn es allerdings "manchmal" funktioniert, wäre auch ein Kontaktfehler oder eine kalte Löstelle wahrscheinlich. Vorsicht beim Messen von höheren Nicht-sinusförmigen Spannungen! Gelegentlich verdampfen dabei die Leiterzüge im Multimeter wie bei der Errodiermaschine (auch im 1000V-Bereich). http://de.wikipedia.org/wiki/Funkenerodiermaschine
Bitte melde dich an um einen Beitrag zu schreiben. Anmeldung ist kostenlos und dauert nur eine Minute.
Bestehender Account
Schon ein Account bei Google/GoogleMail? Keine Anmeldung erforderlich!
Mit Google-Account einloggen
Mit Google-Account einloggen
Noch kein Account? Hier anmelden.

