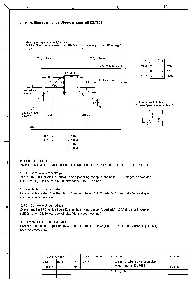
Hallo Wie genau ist der ICL7665 in Sachen Spannung erkennen? Ich erhoffe mir im 100 milli Volt bereich ist das realistisch ? Mein vorhaben ist damit ein Akku zu überwachen beim laden und entladen. DANKE
>The ICL7665 will operate from any supply >voltage in the 1.6V to 16V range, while monitoring volt- >ages from 1.3V to several hundred volts. ^^^^ ... steht gleich am Anfang des Datenblattes... Üblicherweise sind die Schreiber solcher Zeilen sehr großzügig, aber nicht so sehr das Zehnerpotenzen verschütt gehen.
1.3V ist aber nicht die Genauigkeit, denn dabei geht es um die Genauigkeit mit der er 1.3V einhält. Die liegt leider bei eher 1.15V bis 1.45V, also +/-12%. Deutlich zu ungenau z.B. für LiIon Akkuüberwachung, auch der A-Typ ist nicht genau genug. Immerhin sind die Schwankungen dann ausreichend genau, man kann also mit einem Trimmpoti einstellen, und dann 0.1V Überwachungsgenauigkeit (bei 4.2V) erwarten.
Also wäre es möglich diese Schaltung zu verwenden um akku zu laden und entladen ? Ich denke mir die LEDs weg und verbaue 6 Transistoren einer zum laden des akkus der andere als abschalt automatik.
DAVID ------ schrieb: > Also wäre es möglich diese Schaltung zu verwenden um akku zu laden und > entladen ? Nich wirklich. Inv. Dich mal WIE Akkus geladen werden!
Bitte melde dich an um einen Beitrag zu schreiben. Anmeldung ist kostenlos und dauert nur eine Minute.
Bestehender Account
Schon ein Account bei Google/GoogleMail? Keine Anmeldung erforderlich!
Mit Google-Account einloggen
Mit Google-Account einloggen
Noch kein Account? Hier anmelden.
