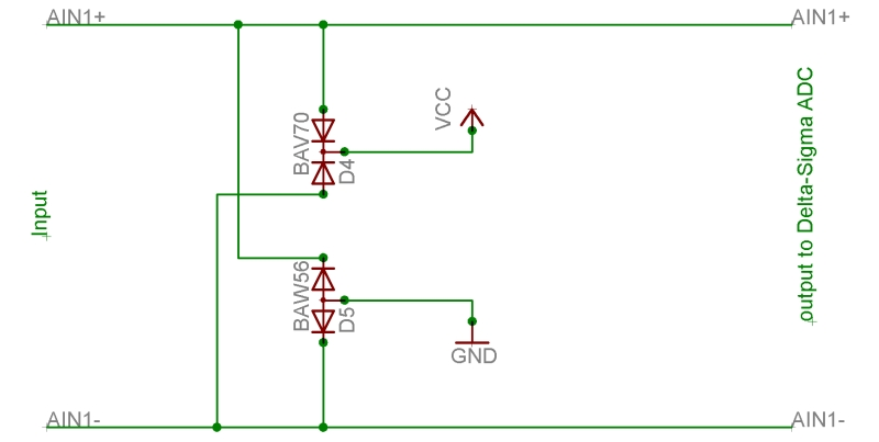
Hallo zusammen, kann mir vielleicht jemand erklären wozu diese Doppel-Dioden in der Schaltung sind ? Und wenn ja, wie ihre Funktion ist ? P.S. hab schon um die halbe Welt gegoogelt, aber immer nur Datenblätter als Ergebnis bekommen. Danke im vorraus. Harald.
Ja. Diese Diodn bewirken, dass die Eingangssignale hoechstens eine Diodenspannung ueber Vcc resp eine Diodenspannung unter GND sein koennen.
... und beeinflussen die Dioden irgendwie die Genauigkeit des AD-Wandlers?
>... und beeinflussen die Dioden irgendwie die Genauigkeit des >AD-Wandlers? Prinzipiell sollten sie das nicht tun, es sei denn du hast eine gaaanz schwache Signalquelle, bei der die Leckströme durch die Dioden eine Rolle spielen. Aber das ist normalerweise weit unter den µA. Eigentlich hat fast jeder CMOS-ADC das als ESD/Clamp-Diodes eingebaut. Daher erstmal NEIN Welches Problem hast du denn damit oder worin gründet deine Frage?
René B. schrieb: > Welches Problem hast du denn damit oder worin gründet deine Frage? Na z.B. wenn ich DMS-Bruecken (Wheatstone) mit nV-Aufloesung mit langen Leitungen anbinden will und die Schaltung gegen dicke Surges absichern will.
Willi schrieb: > Na z.B. wenn ich DMS-Bruecken (Wheatstone) mit nV-Aufloesung mit langen > Leitungen anbinden will und die Schaltung gegen dicke Surges absichern > will. Wie willst du am ADC zwischen DMS-Signal und Radio7 unterscheiden? Empfehlenswert ist es, das Signal direkt an der Quelle zu verstärken oder möglicherweise gleich zu digitalisieren. Sonst hast du viel zu große Störeinflüsse auf langen Leitungen.
Da das DMS-Signal recht niederohmig ist, ist eine geschirmte Leitung von z.B. 10m gar kein Problem. Allerdings haette ich noch praezisieren sollen: Aufloesung 10nV/V bei 20V Speisung.
Danke erst mal für die rege Beteiligung. Willi hatte schon den richtigen Riecher. Am Eingang hängt eine DMS-Brücke dessen Signal von einem 24Bit Delta-Sigma ADC gesampelt wird. Die maximal zu erwartende Eingangsspannung liegt bei der mir vorliegenden Schaltung mit den üblichen 2mV/V Brücken und 5V Versorgungsspannung etwa bei 10mv. An ESD-Protection hatte ich bisher noch nicht gedacht. Harald.
Harald Blueled schrieb: > Die maximal zu erwartende Eingangsspannung liegt bei der mir > vorliegenden Schaltung mit den üblichen 2mV/V Brücken und 5V > Versorgungsspannung etwa bei 10mv. > > An ESD-Protection hatte ich bisher noch nicht gedacht. Ist messtechnisch keine Herausforderung. Ob 24 Bit sinnvoll sind oder man doch lieber in Schlangenoel investieren sollte, muss jeder selbst entscheiden. Wenn man jedoch Messtechnik benutzt, auf die man nicht so einfach physischen Zugriff hat, sollte man sich u.a. um ESD schon Gedanken machen.
Zwoelf von Siebzehn schrieb: > Diese Diodn bewirken, dass die Eingangssignale hoechstens eine > Diodenspannung ueber Vcc resp eine Diodenspannung unter GND sein > koennen. Aber nur, wenn irgendetwas freundlicherweise den Strom auf für die Dioden ungefährliche Werte begrenzt. Sonst brennen sie einfach durch ;-)
@Willi 24Bit sind schon sinnvoll wenn man bedenkt das im günstigsten Fall 2-4 LSB im Noise verschwinden. Ich habe meine Schaltung schon am laufen und bin sehr zufrieden mit dem Ergebnis (wenig ADC-Noise, hohe Auflösung). Mich haben nur diese Dioden nachdenklich gemacht die ich in einer ähnlichen Schaltung gesehen habe. Für ESD habe ich eine TVS Diode in der Versorgung für die DMS-Brücke vorgesehen.
Harald Blueled schrieb: > @Willi > > 24Bit sind schon sinnvoll wenn man bedenkt das im günstigsten Fall 2-4 > LSB im Noise verschwinden. Das ist es eben. Ich halte 10, 12 oder auch 16 Bit (je nach Anforderung) + PGA bei den meisten Anwendungen fuer sinnvoller ... Welche Aufloesung brauchen wir denn?? 1/1024 (10 Bit) => 0,1% 1/4096 (12 Bit) => 0,02% 1/65536 (16 Bit) => 0,002% 1/16777216 (24 Bit) => 0,000006% Wenn ich z.B. eine Differenz von 1mm messen will - brauche ich dann wirklich eine Aufloesung von 60pm?? "Noise" will ich ja nicht messen, dafuer kann ich mir im einfachsten Fall eine Antenne auf die Leiterplatte einbauen. => In den allermeisten Faellen wuerden 10 Bit voellig ausreichen. Aber es verschafft natuerlich den meisten Ingenieuren schon eine feuchte Hose, wenn von 24 Bit die Rede ist.
Duemmliches Geschwaetz. Ich verwende standardmaessig 24 bit wandler. Weshalb soll ich meine Zeit mit Vorverstaerkern & PGA verplempern wenn mir der AD wandler das schon macht. so teuer sind diese ADC auch wieder nicht. Und nein, ein Thermoelement, oder Platinwiderstand kann ich nicht mit einem AVR-Mega direkt messen. Mit einem externen 24bitter aber eben schon.
Zottel schrieb: > Duemmliches Geschwaetz. Damit haben wir das leider uebliche Niveau dieses Forums wieder einmal erreicht. Ingenieure, die schon mehr als 2 Wochen mit dem Thema beschaeftigt sind, wissen Deinen Beitrag zu bewerten. Und tschuess.
Hallo Harald, > 24Bit sind schon sinnvoll wenn man bedenkt das im günstigsten Fall 2-4 > LSB im Noise verschwinden. vor allen Dingen sind die 24 Bit Marketing. Du magst die hohe Auflösung haben. Daß Du mit der Meßunsicherheit aber auch nur in die Größenordnung der 24-Bit-Auflösung kommst, glaube ich nicht. Schon für eine Meßunsicherheit, die 16 Bit entspricht, mußt Du etliche Klimmzüge machen. Viele Grüße Michael
Harald Blueled schrieb: > Für ESD habe ich eine TVS Diode in der Versorgung für die DMS-Brücke > vorgesehen. Übliche Absicherung bei solchen Schaltungen wären genügend große Reihenwiderstände vor den Eingängen + Dioden (u.U. reichen die internen). Je nach Anforderungen z.B. BAV199 o.ä. bzw. wenn die Leckströme noch geringer sein müssen (<< 1 pA) bipolare Transistoren oder JFETs als Dioden http://www.ti.com/lit/an/sboa058/sboa058.pdf
>vor allen Dingen sind die 24 Bit Marketing. Du magst die hohe Auflösung >haben. Daß Du mit der Meßunsicherheit aber auch nur in die Größenordnung >der 24-Bit-Auflösung kommst, glaube ich nicht. Schon für eine >Meßunsicherheit, die 16 Bit entspricht, mußt Du etliche Klimmzüge >machen. Wir hatten ein ähnliches Problem: Wir wollten in einer Meßanwendung einen 12bit AD-Wandler verwenden und mit zusätzlicher Signalverarbeitung (Offset-Verschiebung und Verstärkung) vor dem Eingang die Auflösung steigern. Dann haben wir gerechnet und gemerkt, daß die zusätzliche Signalverarbeitung neue Fehler einbringt und es besser ist, gleich mit einem 16bit AD-Wandler zu arbeiten, ohne zusätzliche Signalverarbeitung. Die Verwendung eines 24bit Wandlers kann also durchaus sinnvoll sein, auch wenn letztlich nur 16..18bit Genauigkeit dabei herauskommt. Das muß man immer konkret gegenrechnen. >Aber nur, wenn irgendetwas freundlicherweise den Strom auf für die >Dioden ungefährliche Werte begrenzt. Sonst brennen sie einfach durch Dioden sind extrem überlastfähig. Sogar die Low-Leakage Diode BAV199, die gerne in solchen Schaltungen verwendet wird, hält kurzzeitig bis zu 4A aus. Das ist für Surges durchaus ausreichend. ESD können Dioden aber nur ungenügend ableiten, vor allem "Sub Nanosecond" ESD. Bei LF- oder DC-Anwendungen kann man ESD-Schutz aber prima mit Caps vom Eingang nach Masse realisieren. Am besten nimmt man zwei parallel, damit sie die teilweise sehr hohen ESD-Ströme händeln können. Die Caps dürfen natürlich nur allerkleinste Leckströme fließen lassen, also gehen nur hochwertige, hoch isolierende Ausführungen. Die Gesamtkapazität sollte mindestens 10nF betragen. Aber auch kleinere Werte sind schon hilfreich. Zusätzlich zu den Caps verbaut man dann die BAV199 zu den Rails. Die Caps bremsen dann den ESD-Puls für die BAV199 und die BAV199 leitet die Überspannungen dann zu den Rails ab. Kurzzeitige Störungen, wie ESD, Burst und Surges können mit dieser Schutzschaltung hervorragend bewältigt werden. Lediglich länger anhaltende Dauerüberspannungen kann die Schaltung ohne Strombegrenzung nicht ab. Aber wo sollen die herkommen bei einer DMS-Brücke, wenn die Schaltung einigermaßen sauber aufgebaut wurde??
Bitte melde dich an um einen Beitrag zu schreiben. Anmeldung ist kostenlos und dauert nur eine Minute.
Bestehender Account
Schon ein Account bei Google/GoogleMail? Keine Anmeldung erforderlich!
Mit Google-Account einloggen
Mit Google-Account einloggen
Noch kein Account? Hier anmelden.
