Forum: Analoge Elektronik und Schaltungstechnik Bauteil-Identifikation: Diode von ON Semiconductor


von Johannes R. (jr17oo)


Angehängte Dateien:

Lesenswert?

Hallo zusammen,

ich versuche eine Diode mit der Aufschrift
1
ON
2
GA
3
SA
zu identifizieren. Bild ist angehängt, besser ging es leider nicht.
Das "SA" ist nicht gut zu erkennen, könnte also auch "5A" oder etwas in 
der Art sein. Darunter scheint nichts mehr zu stehen, um ganz sicher zu 
sein müsste ich die Diode auslöten. Aber vielleicht kann mir ja auch so 
schon jemand weiterhelfen.

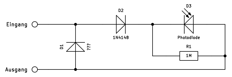
Die Diode liegt in Sperrichtung an den beiden Eingangspins eines 
Sonnensensors (siehe Schaltplan). Der Strom durch den Sensor sollte 
proportional zur Lichtstärke sein.

Mein Verdacht ist, dass es sich um eine Zener- oder 
Überspannungs-Schutzdiode handelt. Ich bin bei meiner Recherche auf
http://www.onsemi.com/pub/Collateral/SA5.0A-D.PDF
gestoßen, das dort angegebene "marking" passt aber nicht.

Bin dankbar für jeden Hinweis!

von Ayk N. (ayk-ohm)


Lesenswert?

Der Schaltplan sieht etwas seltsam aus. Welche Spannung liegen denn an 
den Teilen an?

von Johannes R. (jr17oo)


Lesenswert?

Ayk N. schrieb:
> Der Schaltplan sieht etwas seltsam aus. Welche Spannung liegen denn an
> den Teilen an?

Den Schaltplan habe ich auf Basis der Platine gezeichnet, sollte also 
stimmen. Wie genau der Sensor angesteuert wird (Widerstände, 
Operationsverstärker, ICs, etc.) kann ich nicht sagen. Die Steuerung, an 
der er ursprünglich angeschlossen war, wurde jedenfalls mit 5V versorgt. 
Mehr als 5V sollten also wahrscheinlich nirgendwo anliegen.

Dass der hiesige Artikel Lichtsensor / Helligkeitssensor eine etwas 
andere Photodioden-Beschaltung empfiehlt, habe ich schon gesehen.

Die Schaltung spielt aber erstmal keine Rolle, will nur den Diodentyp 
identifizieren und hatte gehofft, dass der Kontext hilfreich wäre.

von Martin B. (statler)


Lesenswert?

Das sieht tatsächlich aus wie eine Überspannungs-Schutzdiode, damit die 
maximale Sperrspannung der Fotodiode nicht überschritten wird. Ich würde 
auf einen 5V-Typ tippen. Du kannst mal versuchen, mit einem 
Labornetzteil die Spannungskennlinie der Schaltung aufzunehmen.

von Michael_ (Gast)


Lesenswert?

Bist du so naiv? Wie wäre es das Ding mal auszulöten und die Zahl 
anzuschauen, die sich auf der Unterseite befindet?
ich kann mir nicht vorstellen, das da noch eine vorhanden ist.

von Michel M. (elec-deniel)


Lesenswert?

PZU4.7 ?

Bitte melde dich an um einen Beitrag zu schreiben. Anmeldung ist kostenlos und dauert nur eine Minute.
Bestehender Account
Schon ein Account bei Google/GoogleMail? Keine Anmeldung erforderlich!
Mit Google-Account einloggen
Noch kein Account? Hier anmelden.