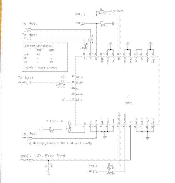
Hallo Leute, ich habe ein GPS - Modul von Fastrax UC 430. Ich habe das Modul wie im Datenblatt beschaltet (siehe Anhang). Ich werte das Txd Signal über ein Max 232 aus. Die Daten werden mir auch im Hyperterminal angezeigt, doch leider Empfange ich keine GPS - Daten. Über ein paar Tipps würde ich mich sehr freuen. Anbei die Aufzeichnung des Hyperterminal: $GPRMC,002430.076,V,,,,,,,191210,,,N*43 $GPGGA,002431.076,,,,,0,00,,,M,0.0,M,,0000*53 $GPGSA,A,1,,,,,,,,,,,,,,,*1E $GPRMC,002431.076,V,,,,,,,191210,,,N*42 $GPGGA,002432.076,,,,,0,00,,,M,0.0,M,,0000*50 $GPGSA,A,1,,,,,,,,,,,,,,,*1E $GPRMC,002432.076,V,,,,,,,191210,,,N*41 $GPGGA,002433.076,,,,,0,00,,,M,0.0,M,,0000*51 $GPGSA,A,1,,,,,,,,,,,,,,,*1E $GPRMC,002433.076,V,,,,,,,191210,,,N*40 $GPGGA,002434.076,,,,,0,00,,,M,0.0,M,,0000*56 $GPGSA,A,1,,,,,,,,,,,,,,,*1E $GPRMC,002434.076,V,,,,,,,191210,,,N*47 $GPGGA,002435.076,,,,,0,00,,,M,0.0,M,,0000*57 $GPGSA,A,1,,,,,,,,,,,,,,,*1E $GPGSV,3,1,12,01,00,000,,02,00,000,,03,00,000,,04,00,000,*7C $GPGSV,3,2,12,05,00,000,,06,00,000,,07,00,000,,08,00,000,*77 $GPGSV,3,3,12,09,00,000,,10,00,000,,11,00,000,,12,00,000,*71
Fredy Ri schrieb: > Über ein paar Tipps würde ich mich sehr freuen. Hast du eine funktionsfähige Antenne angeschlossen und freie Sicht zum ganzen Himmel. Das erleichtert die Sache ungemein, wenn sich des Modul zum ersten Mal orientieren soll und noch keine Almanach-Daten zur Verfügung hat. Und die ganze Aktion kann schon mal einige Minuten dauern.
Hallo, ja ich habe das GPS Modul aus dem Dachfenster gelegt, dadurch aht das GPS - Modul direkt sicht zum Himmel! Mit einer Ext. Antenne habe ich es auch schon probiert und nach längerem warten (länger als 20min) zeigt es immer noch die oben beigefügte Aufzeichnung an. Hat jemand noch eine Idee?
>nd nach längerem warten (länger als 20min) zeigt es >immer noch die oben beigefügte Aufzeichnung an. Hat jemand noch eine >Idee? Selbst bei schlechtem Empfang der nicht für eine Koordinate reicht wird nach ein paar Minuten zumindest Uhrzeit und Datum empfangen. Das da oben sieht so aus als wenn gar keine Satelliten empfangen werden. Sicher das die Antenne ok ist? Sicher das das Modul ok ist? Das Ding hat doch einen SirfIII Chip. Mit so einem bekomme ich in 2m Abstand vom Fenster unter einem Dach noch einen Fix. Irgendwie sieht das nach einem kaputten Empfänger oder kaputter Antenne aus.
Hallo, ich habe daqs modul 2x daheim und beide verhalten sich komplett identisch. ALso mit beiden bekomme ich die daten raus aber empfange einfach keinen Sateliitten, ich bin komplett ratlos weshalb das ding nichts empfängt? Hat jemand noch eine Idee? Eventuell ist vielleicht das Schaltbild aus dem Datenblatt falsch??
Hi
> Eventuell ist vielleicht das Schaltbild aus dem Datenblatt falsch??
Unwahrscheinlich. Wie sieht denn dein Aufbau aus? Hast du die
Layoutvorschläge im Datenblatt beachtet?
MfG Spess
Also die Layoutvorschläge habe ich mir nicht angeschaut hab das modul mit fäldraht auf einer Lochrasterplatine aufgebaut. Die Spannungsversorgung habe ich sicherheitshalber auch mal mit einer Batterie getestet damit ich ein problemm mit unsauber spannung ausschließen kann trotzdem empfängt das modul keinen Satelitten..
Was ist mit dieser On_Off Leitung? Wird damit vieleicht der Empfänger abgeschaltet?
Hallo, der Pin 28 On/ Off damit kan das senden der Daten an und Ausgeschaltet werden in meinemfall sind die Daten aber eingeschaltet, ich habe dort einen Taster angeschlossen.
Hallo Leute, jetzt läuft das GPS - Modul entlich, das problem war einfach das ich etwas unter 1,8V war jetzt habe ich ca. 1.9V und seit dem habe ich auch GPS Empfang.
Hallo Fredy! Ich habe auch dieses GPS-Modul und muss bei meiner Bachelorarbeit verwenden. Ich habe allerdings Schwerigkeiten, um das Modul überhaupt mit einem Mikrocontroller zu kommunizieren. Die elektrische Verbindungen stehen fest. Ich habe Probleme mit der Programmierung. Da bei dir jetzt funktioniert, wäre sehr nett von dir, wenn du dein Quellcode hochladen würdest. Ich danke dir im Vorraus Sarbi
Hallo Fredy! Hier ist noch mal Sarbi ! Ich lade dieses Mal meine Elektronik hoch. Es geht um GPS-Receiver von Fastrax "uc430", was du schon zum Laufen gebracht hast. Ich benütze das Mikrocontroller-Board von Arduino Uno. Wenn du mir zur Kommunikation diesen zwei Systemen paar Tips geben würdest, wäre dir sehr dankbar. Ich komme gar nicht vorran :-( MFG Sarbi
Hallo, ich habe da Modul bisher nur über nen MAX an den RS232 Schnitstelel des Computers angeschlossen! Leider habe ich bisher noch keine Zeit gehabt diesen über den Mikrocontroller zu Verbinden. Sobald ich da aber neuhigkeiten habe werde ich mich nochmals melden, ich habe ja vor ein GPS Tacho zu bauen
Hallo Fredy! Erstmal vielen Dank, dass du so schnell geantwortet hast. Da man die Daten Überhaupt an PC bekommt, ist die halbe Mitte :-) Kannst du mir bitte sagen, wo du die on_off_Leitung über einer Taste verbonden hast? Hast du sie mit 1,8v bzw. 1,9v direkt verbonden? Sendet das Modul Daten, wenn da permanent Spannung anliegt? Wenn keine Spannung anliegt sendet er nicht mehr? Wenn so ist, dann kann ich auch zum Test so ein Sytem bauen. Gruß Sarbi
Hallo, ich habe das GPS ON off einfach mit dem Wakeup verbunden dan sendet das Modul sofort nach dem Spannugnsanlegen Daten! Alternativ kan man auch mit 10K gegen +1,8V einen Taster machen 1mal drücken sendet das GPS Modul daten nochmals drücken Stopt es ....
Sarbi wie hast du die Antenne für 1,5GHz angeschlossen? Doch nicht über ner Spule gewickelten Dräte?
Hallo Hannes! Ich habe noch keine externe Antenne angeschlossen. Im Bild zu sehende Spulen sind eigentlich normale Kabeln. Sie waren zu lang, deswegen habe ich sie so gedreht. Aber jetzt habe ich sie kürze gemacht.
Hallo Leute, mittlweile klappt das mit dem Empfang ganz gut und ich bekomme innerhalb weniger minuten bis zu 9 Satelitten empfangen:-) Derzeit bin ich leider auf der Suche nach der eagle Datei für das Fastrax UC 433 Modul kann mir da jemand weiterhelfen, oder mir ggf zusenden?
Bitte melde dich an um einen Beitrag zu schreiben. Anmeldung ist kostenlos und dauert nur eine Minute.
Bestehender Account
Schon ein Account bei Google/GoogleMail? Keine Anmeldung erforderlich!
Mit Google-Account einloggen
Mit Google-Account einloggen
Noch kein Account? Hier anmelden.


