Hallo benötige hilfe, da ich nicht von Fach bin. Ein Taster soll im zwei Lampen im wechsel Schalten. Alles 12V. Ich dachte als Schalter ein JK-T-FlipFlop, der kann sich merken, welche Lampe zuletzt angesprochen wurde. Ich danke im Voraus
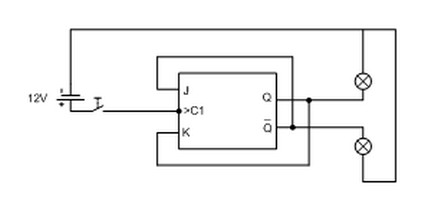
T-Flipflop (=Stromstossrelais) ist der richtige Ansatz, wenn es mit Logik Bausteinen gelöst werden soll. Im Anhang eine bewährte Schaltung hierzu, welche insbesonders das Entprellen des Tasters zuverlässig löst. Die Ausgänge können bei CMOS nur minimal belastet werden, etwa 3 mA. Also jeweils ein MOSFET (z.B. IRLU024Z) nachgeschaltet für Leistung. Ausgang über 10k an das Gate, Source an GND, Drain über Lampe an +12V.
Zuerst sollte man mal klären, wie das "im Wechsel" gemeint ist..? pro Tastendruck =>: 1) H1_ein => H2_ein => H1_aus => H2_aus => ... 2) H1_ein => H1_aus => H2_ein => H2_aus => ... 3) H1_ein, H2_aus => H1_aus, H2_ein => ...
Hallo danke für die vielen Antworten. Eigendlich ist der Taster ein rfid-Zugagngssystem und die Lampen ein Abus-Hometec. Das rfid verbrauch 30 mA so muss ich das ganze nochmal überdenken. Vielleicht ist es besser das rfid separat zeitmäßig einzuschalten und das öffen und schliessen über zwei Taster zu lösen. Danke Gruß
Die Lampen sind zwei Taster am Abus - Hometec Türöffner. Sie sollen nur ca. 5 s geschlossen werden.
Mal abgesehen davon, das es ein RS-Flipflop mit C-Eingang nicht gibt, wird sich der Clockeingang mit der Relaisansteuerung aber freuen...
Bitte melde dich an um einen Beitrag zu schreiben. Anmeldung ist kostenlos und dauert nur eine Minute.
Bestehender Account
Schon ein Account bei Google/GoogleMail? Keine Anmeldung erforderlich!
Mit Google-Account einloggen
Mit Google-Account einloggen
Noch kein Account? Hier anmelden.



