Hallo, ich würde gerne mal in das Thema Microcontroller einsteigen. Ich versuche 12 simple Leds einfach, wie ich möchte, zum leuchten zu bringen. Dafür habe ich mir den ATtiny2313A ausgesucht. Ich habe das nachgebaut, was ich hier als anhang angeheftet habe, doch irgendwie weiß ich jetzt nicht weiter. Ich habe Windows 7 x64 bit, habe mir PonyProg64 herungergeladen, das auch startet, nur ich weiß nicht was ich bei den Einstellungen eingeben muss. Und braucht der Chip eine stromversorgung am VSS oder bekommt er es über einen der Programmierpins?
Hallo Daniel, ich kann mich meinem Vorredner nur anschließen. Wenn es dir "erst" mit Mikrocontrollern ist, solltest du dir einen AVRisp Mk2 zulegen. Kostet, glaube ich, ca. 30 EUR. Dafür hast du jahrelang etwas davon... Gruß, Alex
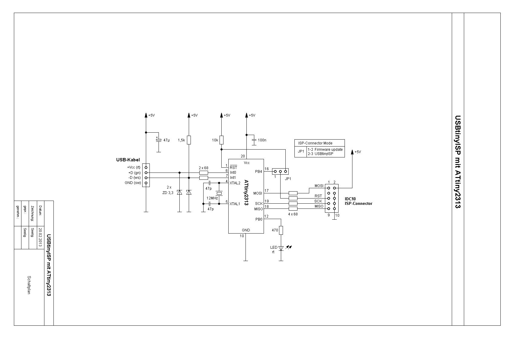
Warum muß man einen Anfänger jedesmal hier anpöbeln ? Unter anderem ist das Forum genau dafür da, einem Anfänger zu sagen, was er dafür benötigt ! Allerdings ist es wirklich so, dass es ohne Programmer (Flasher) nicht geht. Ponyprog ist für Windows7 wirklich nicht so der Bringer. Das (für einen Anfänger) zum Laufen zu bringen ist wirklich schwierig (und dann immer noch nicht so wirklich prickelnd). Welcher Flasher nun "zu verwenden" ist, ist hier allerdings zu einem Glaubenskrieg ausgeartet (und mir wurde für die Anleitungen einen ultralowcost Flaser der Hintern "verbal" versohlt). Grundsätzlich kannst du dir einen preiswerten Flasher kaufen oder einen selbst zusammenbasteln. Beim Basteln hast du jedoch das große Problem, dass du schon einen programmierten Chip benötigst und du noch keinen Flasher besitzt. Du brauchst also jemanden, der dir einen Chip flasht. Als Programmer kannst du verwenden: - STK500 - AVRIsp MK2 - USBasp - USBtinyISP - Diamex ALL-AVR und noch viele weitere. Besorge dir also einen Flasher und melde dich wieder. Zum Einstieg benötigst du etwas, auf das du dich verlassen kannst. Es nutzt dir nichts, wenn du dir ein Entwicklungssystem einrichtest, ein Programm erstellst das sich fehlerfrei übersetzen läßt und du dann keine Möglichkeit besitzt dein erstelltes Programm in den Controller zu übertragen ! Ralph PS: im Anhang ist der Schaltplan des wohl preiswertesten Flashers zu sehen den es gibt (und der auch mit WIN7 64 Bit funktioniert). Allerdings benötigst du wie oben gesagt, einen bereits programmierten Chip !
Nun gut die Programm Hw ist gebaut und Ponyprog2000 under Win7 zum Laufen gebracht, dann Kannst du ja mal einen Programmierversuch starten. Du musst also noch den Attiny minimal beschalten (externe +5V und Reset-Pullup). http://www.sachsendreier.com/msw/projekte/attiny2313projekte/hello_world_attiny2313/hello_world.html Als Programmierhilfe nimmst du am besten das englische Tutorial ganz unten auf der Seite, von wo du schon "das Kleine Pferd" installiert hast. ** Aber vor dem finalen "Flash-Schuss" kontrolliere bitte 1000x, ob die Fuse-Häckchen richtig gesetzt sind, den da hat der geniale Entwickler von Ponyprog gegenüber Atmel ein eigenes Süppchen gekocht ** H. P.
Hallo, danke schonmal. Schade das meine Schaltung nicht funktionieren wird. Wäre es möglich unter Windows XP mit dieser Schaltung zu Programmieren? Hätte vllt bald einen Laptop zur verfügung. Müsste ich dann die 5 Kontakte einfach mit dem meines ATTiny2313 auf die selbe Pinbelegung des ISP steckers setzen? Ich weiß noch nicht ob ich nicht nur ein Projekt haben möchte mit dem Microcontroller, deswegen wären mir dafür 30 euro zuviel. Habe allerdings das hier bei ebay gefunden: http://www.ebay.de/itm/Neu-USB-ISP-USBASP-Programmiergerat-Programmierer-fur-Atmel-AVR-ATMega-51-ATTiny-/261100135914?pt=Bauteile&hash=item3ccac7e5ea Würde das unter Windows 7 Funktionieren?
Hallo Daniel! Wenn Du einen PC mit einer „echten“ RS232 Schnittstelle auftreiben kannst (also keinen RS232 Adapter oder ähnliches), dann kannst Du diesen einfachen Programmer verwenden: http://www.pcfilter.de/AVR-Ecke/Page4.html Der Materialpreis sollte unter 1,80 Euro liegen... Und als Programmumgebung verwendest Du dann AVRdude mit dieser GUI: http://www.pcfilter.de/AVR-Ecke/Page5.html Läuft bei mir alles unter Win7 64-Bit ohne Probleme... (Kleiner Tipp am Rande: Mit dem einfachen Programmer kannst Du später einmal andere Programmer herstellen (Firmware übertragen), so dass Du dann auch keine echte RS232 mehr benötigst. Eine weitere Auswahl an „einfachen“ Programmern findest Du auf meiner Homepage: http://www.pcfilter.de/AVR-Ecke/index.html ) LG Jens
Daniel Janich schrieb: > Würde das unter Windows 7 Funktionieren? Deine Schaltung läuft bei mir auf Windows 3.12 seit Jahrzehnten ohne Probleme. Frag hier nicht soviel, mach einfach! Du bist auf dem richtigen Weg.
Hi zusammen, habe mich mit bisher mit dem ATmega328 beschäftigt (Arduino) und das lütt auch ganz gut ;) Nun möchte ich gerne zwecks Bauraum und einfacher Schaltung einen ATtiny13A verwenden. Beim Arduino-Board ist der Programmer ja auf dem Board. Kann ich diesen verwenden, so wie ich es auch bei Barebones benützen kann mit dem 328? Hab mich ein wenig eingelesen, und richtig proggen kann man den tiny13a wohl nicht mit Arduino, und man nützt hier Bascom. Mit Bascom kenn ich mich jetzt allerdings garnicht aus g Erkennt auch der den Arduino-Programmer, oder geht das nur über andere (die ich nicht habe)? PS: Dachte das passt auch gerade hier her. Gruß Marc
Bitte melde dich an um einen Beitrag zu schreiben. Anmeldung ist kostenlos und dauert nur eine Minute.
Bestehender Account
Schon ein Account bei Google/GoogleMail? Keine Anmeldung erforderlich!
Mit Google-Account einloggen
Mit Google-Account einloggen
Noch kein Account? Hier anmelden.

