Hi Leute! Ich muss mal grad mein Erstaunen hier bei euch loswerden. Ich habe mir vor einiger Zeit eine Ätzküvette zugelegt - diese habe ich im Internet bei einem Online-Shop erworben. Im Guten und Ganzen hat diese auch stets ihren Zweck erfüllt, das möchte ich hier auch ganz klar sagen. Die Heizleistung ist in Ordnung, die Temperatur wird schnell erreicht. Auch die Membranpumpe liefert genug Luft zum Umwälzen der Flüssigkeit. Das Gehäuse ist bis heute dicht!!! Man kann dem ganzen Konstrukt schon ansehen, dass es selbstgebaut ist. Es besteht aus Plastikteilen, die mit Silikon zusammengeklebt sind und das definitiv per Hand. Dennoch macht das Gerät einen relativ soliden Eindruck. Die Regelung der Heizung, sowie die Pumpe sind in einem seitlich am Gehäuse angebrachten Kästchen untergebracht. In diesem sind auch der Netzschalter und eine LED zur Signalisierung des Heizvorganges. Soviel zur Beschreibung des Gerätes. Jetzt ist sie jedenfalls kaputt! Am Vortag hatte ich noch ein Layout geätzt, wie gewohnt. Die Ätzflüssigkeit hole ich in der Regel immer raus wenn ich das Gerät nicht benutze. Da ich jedoch am nächsten Tag noch weiter machen wollte, beließ ich die Flüssigkeit in der Küvette. Nächster Tag - ich schalte sie ein und im Inneren des Regelkastens EXPLODIERT irgendwas. Das EXPLODIERT schreibe ich extra groß, da es selbst so nicht annähernd beschreibt, was hier los war. Sicherung der Phase ebenfalls raus. Großer Schreck, kurz geguckt, ob ich noch lebe - alles klar. Netzstecker gezogen, Sicherung wieder rein, da kein Licht mehr im Raum, Ätzflüssigkeit ausgeleert und den Kasten entfernt. Dieser war durch vier Schrauben verschlossen (Schrauben, die das Gewinde selbst in das gegenüberliegende Plastik schneiden). Eine der Schrauben war zusätzlich mit rotem Kleber gesichert, sodass ein Öffnen des Gerätes definitiv auffällt. Gehäuse also offen, dicker schwarzer Rauch steigt aus dem Gehäuse auf und es stinkt extrem. Kleine Einzelteile schwimmen in der Flüssigkeit, welche sich auf dem Grund des Kästchens befindet. Somit war schonmal klar, dass das Rückschlagventil, welches sich in der Schlauchleitung befindet, versagt hat. Also war, bedingt durch das bereits gelöste Kupfer in der Flüssigkeit, eine sehr gut leitende Substanz in das Gehäuse gelaufen. Dass es da zu einem Kurzschluss kommen kann, das sehe ich ein. Das explodierte Teil war jedenfalls die Sicherung im Gehäuse (inklusive Halterung). Die hatte es wirklich zerlegt. Also hatte ich eine Mischung aus Plastik, Metall und Glas vor mir liegen. Glück für mich, dass die Haussicherung rausgeflogen ist. Wenn das Gerät jetzt über Nacht komplett voll mit Wasser gelaufen wäre und ich den Netzstecker nicht gezogen hätte...nun gut, war ja aber nicht so. Kann alles passieren, aber jetzt inspizierte ich dann natürlich auch mal den gesamten Innenaufbau des Kästchens und auch die Elektronik. Und da musste ich fast kotzen! Ach ja, an dieser Stelle sei angemerkt, dass auf dem Gehäuse ein CE-Aufkleber drauf war. Im Gehäuse befindet sich eine Pumpe, welche ursprünglich in ihrem eigenen Gehäuse untergebracht war. Damit sie passt, oder warum auch immer, wurde sie einfach aufgesägt und mit Heißkleber in das Kästchen geklebt. Der Heizstab ist mit einer Lüsterklemme mit dem Rest verbunden (Adern verzinnt und nahezu ZERquetscht). Wo die Kabellänge nicht reicht, ist einfach noch ein Stück mehr Kabel angelötet. Der Aufbau im Inneren ist der absolute Schrott! Sowas habe ich noch nie gesehen und manchmal begnüge ich mich auch mit einer Behelfslösung, aber niemals so. Und das Ding wird gewerblich vertrieben. Noch schlimmer wird es bei der "Steuer-Platine". Diese ist definitiv auch selber geätzt (Was war zuerst - die Platine oder die Küvette...) - Die 230V, welche über einzelne Adern irgendwo an die Platine gelötet sind, werden dann über 2mm-dicke Leiterbahnen weitergeführt. Daneben die Niederspannungseite, ohne es jetzt genau untersucht zu haben, tippe ich auf ein Kondensatornetzteil. Ein paar Leiterbahnen fehlen, ich weiß nur nicht, ob diese mit einem Messer entfernt wurden, oder ob diese weggeraucht sind (sie sind jedenfalls nicht schwarz, daher ist erstere Variante durchaus plausibel). Die ganze Platine ist natürlich unten auf dem Boden des Kästchens, die Flüssigkeit ist also direkt an den 230V. Leider auch nicht lackiert o.ä. Ich muss sagen, dass ich sehr erstaunt über so schlechte Qualität bin! Vielleicht stelle ich mich an, aber das ist meiner Meinung nach so definitiv nicht zulässig, bzw. sollte anders gemacht sein. Ich habe mal ein paar Bilder angehängt, damit ihr euch selbst ein Bild machen könnt. So, wollte einfach mal meinen Frust loswerden....danke fürs Zuhören!
Ach ja - noch ein Nachtrag: Gibt es eine Standardbelegung für die Kabel in den Heizstäben? Würde mir natürlich jetzt gerne was eigenes bauen. ROT SCHWARZ BRAUN BLAU Ansonsten muss ich die einfach mal durchmessen. Müsste ja theoretisch nur ein Heizwiderstand und ein Messwiderstand sein.
Frank Meier schrieb: > Noch schlimmer wird es bei der "Steuer-Platine". > Diese ist definitiv auch selber geätzt Das sieht für mich eher wie ein zweckentfremdetes chinesisches Spitzenerzeugnis aus, das irgendwie verbastelt wurde...
Lothar Miller schrieb: > Das sieht für mich eher wie ein zweckentfremdetes chinesisches > Spitzenerzeugnis aus, das irgendwie verbastelt wurde... OK, kann auch sein. Selber-geätzt wäre höchstwahrscheinlich auch eher ohne Bestückungsdruck. Dann revidiere ich das! Die Zweckentfremdung würde auch auf die ggf. extra entfernten Leiterbahnen, sowie der professionellen Kabelmontage von unten hindeuten.
So, ich hab die Drähte mal ausgemessen: ROT-BLAU: 160R SCHWARZ-BRAUN: 12k Sonst sind untereinander keine Verbindungen. In wie weit ändert sich der Widerstand der Zeizwicklung beim Erhitzen? 230V/160R = 1,44A und das macht theoretisch erstmal 330W. Und das ist ja eher utopisch. Ich werde das Teil natürlich jetzt nicht einfach mal ans Netz hängen. Weiß da jemand was?
> wurde sie einfach aufgesägt und mit Heißkleber in das Kästchen > geklebt. Das ist in der Tat etwas seltsam, aber vielleicht hatte der Bastler eine Ladung dieser Pumpen rum liegen die er verbauen wollte. > Der Heizstab ist mit einer Lüsterklemme mit dem Rest verbunden (...) > Wo die Kabellänge nicht reicht, > ist einfach noch ein Stück mehr Kabel angelötet. Naja, ist doch einwandfrei gebaut, das Ding. Ich weiß nicht warum Lüsterklemmen Schrott sein sollen. Oder (gut gemachte) Lötverbindungen. Vielleicht nicht die Methode bei Großserien-Fertigung, aber für Einzelstücke und Kleinserien immer noch Stand der Technik. > Und das > Ding wird gewerblich vertrieben. Da hat jemand seine Stunden verbracht was händisch zusammen zu bauen damit du nicht deine wertvolle Zeit dafür verwenden musst. Und es dir dann für (vermutlich recht wenig) Geld überlassen. Der hätte vermutlich auch Hartz-4 kassieren und im Hobbyraum sein eigenes Ding machen können. Du solltest ihm die Füße küssen statt dich über Details aufzuregen. > dass das Rückschlagventil, welches sich in der Schlauchleitung > befindet, versagt hat. Das sehe ich als die einzige Stelle mit Fehlkonstruktion. Warum Rückschlagventil? Die sind doch eh nie 100% dicht. Man führt den (Luft?) Schlauch i.A. über den oberen Rand nach unten so dass bei Pumpe aus auch ganz ohne Ventil nichts raus läuft.
ich nutz ne schnöde 200w aquariumheizung von eheim mit eingebautem thermostat. es sind max. 35°c erreichbar was bei fecl3 völlig ausreicht. da braucht man nix basteln und vom chinamann hinterhofbastelmeister isses auch nicht.
Also es scheint ein NTC 12k zu sein. Habe das Ding mal manuell erhitzt und der Widerstand sinkt. dolf schrieb: > ich nutz ne schnöde 200w aquariumheizung Also sind so hohe Wattzahlen garnicht so unwahrscheinlich. dolf schrieb: > da braucht man nix basteln und vom chinamann hinterhofbastelmeister > isses auch nicht Ja, wäre natürlich ne Möglichkeit, aber die Heizung ist ja da. Da kaufe ich ja jetzt keine neue.
asd schrieb: > Naja, ist doch einwandfrei gebaut, das Ding. Das sehe ich anders, aber das ist ja auch Ansichtssache. asd schrieb: > Ich weiß nicht warum > Lüsterklemmen Schrott sein sollen. Habe ich ja nicht gesagt. Der ganze konstruktive Aufbau ist meiner Meinung nach dennoch unterste Schiene. asd schrieb: > Da hat jemand seine Stunden verbracht was händisch zusammen zu bauen > damit du nicht deine wertvolle Zeit dafür verwenden musst. Naja, das sehe ich anders. Er baut die Teile um Geld dran zu verdienen. asd schrieb: > Der hätte vermutlich > auch Hartz-4 kassieren und im Hobbyraum sein eigenes Ding machen können. Ja, super Argument. Das hätte er natürlich auch machen können, da hast du vollkommen Recht. asd schrieb: > Du solltest ihm die Füße küssen statt dich über Details aufzuregen. Noch so ein Spitzenkommentar. Das hätte er sicherlich verdient, ja!
Ist das zufällig eine Anlage von dem hier: Beitrag "Spruehaetzanlage" ? Falls ja, hätte sich die Elektronik schon mal sehr verbessert :-) Marian
asd schrieb: > Man führt den (Luft?) Schlauch i.A. über den oberen Rand nach unten > so dass bei Pumpe aus auch ganz ohne Ventil nichts raus läuft. Oder/Und man plaziert den "Reglerkasten" über dem Flüssigkeitsniveau...
Marian schrieb: > Ist das zufällig eine Anlage von dem hier: Mhh...ich wollte ja keinen Firmennamen nennen, habe ich ja bewusst nicht gemacht. Aber spätestens bei dem Bild hier isses eh klar: Beitrag "Re: Spruehaetzanlage" Rückschlüsse überlasse ich euch...
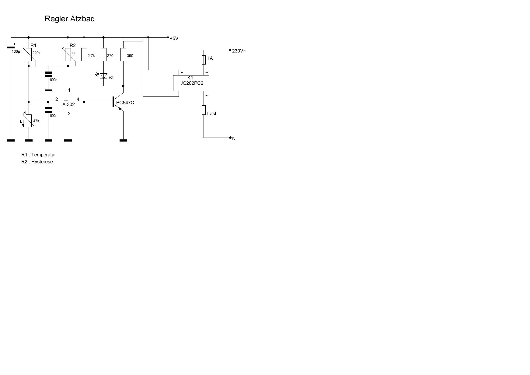
Frank Meier schrieb: > Ja, wäre natürlich ne Möglichkeit, aber die Heizung ist ja da. Da kaufe > ich ja jetzt keine neue. dann schraub dir doch nen einfachen zweipunktregler mit ssr als schaltstufe zusammen. ein einfacher schmittrigger aus drei transis + ssr sollte da voll genügen. hab das mal mit dem schmittrigger a302d aus ddr produktion gebaut. der ic geht da für sehr gut. kn electronic hat den für 0,1teuro im angebot. die regelung geht heute noch (aquarium). temp. und hysterese sind (in grenzen) einstellbar. als sensor dient ein ntc 47k.
Laut Homepage hat die Heizung eine Leistung von 100W. Demnach müsste der Widerstand der Heizwicklung in Aktion ja noch drastisch steigen.
Marian schrieb: > Ist das zufällig eine Anlage von dem hier: > > Beitrag "Spruehaetzanlage" Ich muss aber sagen, dass die "Elektronik" ja mal noch viel besser ist, als die in meinem Kasten ;-) Das haut ja den stärksten Neger aus der Astronautenkapsel...[sorry, war letzte Woche bei Johann König]
Frank Meier schrieb: > Das haut ja den stärksten Neger aus der Astronautenkapsel der kam gut !!! ich würd mir das nicht wagen so etwas von pfusch unter´s volk zu bringen.
Da muss man genau hinsehen. Das China-Engineering Logo lässt sich leicht mit dem CE-Kennzeichen verwechseln.
Frank Meier schrieb: > In wie weit ändert sich der Widerstand der Zeizwicklung beim Erhitzen? > 230V/160R = 1,44A und das macht theoretisch erstmal 330W. Und das ist ja > eher utopisch. Ich werde das Teil natürlich jetzt nicht einfach mal ans > Netz hängen. Weiß da jemand was? Ist das so ne "Glasstab-Heizung" ähnlich wie Aquarium Teile? Wenn ja, dann sollte man ein leichtes glühen der Heizspirale sehen können. Was einer Temperatur von ~>700C° entspricht! Wenn man dann noch den Temperaturkoeffizienten, der üblicherweise verwendeten Legierung, nach schlägt und rechnet kommt man sicher auf ca. 250W. Die angeblichen 100W erscheinen mir etwas wenig, hierfür? Hatte allerdings diese Problematik seit Jahrzehnten nicht mehr und wage es kaum das noch ab zu schätzen! Wo war eigentlich die Sicherung, ich kann da nichts erkennen. Zeig doch auch mal die Küvette, bitte.
Frank Meier schrieb: > .... Das haut ja den stärksten Neger aus der > Astronautenkapsel...[sorry, war letzte Woche bei Johann König] Ist das auch ein Alltagsrassist?
Lästermaul schrieb: > Da muss man genau hinsehen. Das China-Engineering Logo lässt sich leicht > mit dem CE-Kennzeichen verwechseln. Ja gut, aber das Teil hat er ja hier in Deutschland zusammengeflickt. Teo Derix schrieb: > Ist das so ne "Glasstab-Heizung" ähnlich wie Aquarium Teile? Nee, die Heizung ist aus Metall. So'n beheizter Dildo halt. Kann ich morgen aber auch gerne mal Fotos reinstellen. Teo Derix schrieb: > Die angeblichen 100W erscheinen mir etwas wenig, hierfür? Keine Ahnung. Habe aber nochmal auf der Homepage geschaut - die Küvette ist immernoch im Angebot. Und da steht 100W. Teo Derix schrieb: > Wo war eigentlich die Sicherung, ich kann da nichts erkennen. Die war in dem großen Loch, welches man im 5. Bild erkennen kann. Aber die hat es halt total zerlegt. Da war nurnoch der Kopf, wo man normalerweise die Sicherung von außen rausdrehen konnte, sowie ein Teil vom Gewinde mit der Sicherungsmutter innen vorhanden. Aber auch davon kann ich gerne morgen ein Bild reinstellen. Teo Derix schrieb: > Zeig doch auch mal die Küvette, bitte. Auch morgen, kein Problem. Drobel schrieb: > Ist das auch ein Alltagsrassist? Nee, der hat Teile von alten TKKG-Kassetten vorgespielt und das Publikum sollte raten, wie es weiter geht. Da gab's dann drei Möglichkeiten zur Auswahl. Das ganze dreimal. Das dieser Satz auf einer KINDERkassette vorkommt, hätte natürlich niemand gedacht, aber beim dritten Ausschnitt war es dann wirklich so. Ich habe früher (tm) aber nie TKKG gehört, war eher der 5-Freunde-Typ, daher war ich doch recht erstaunt, wie brutal es in den Folgen vorzugehen scheint ;-) Da kam unter anderem auch "Wir knüppeln alles nieder, was uns in den Weg kommt..." und ähnliches. Naja, offtopic. Morgen mache ich Bilder vom Rest. Aber dann muss ich das Logo des Herstellers zukleben, damit keiner sieht, dass das Ding von HWE ist........ups! Naja, war anhand des Bildvergleichs ja nun eh schon klar. Gruß und schönen Abend!
So, einen Tag später, aber hier sind noch Bilder: Foto6 zeigt die gesamte Küvette Foto7 einen Ausschnitt von der Verarbeitung Foto8 den Platinenhalter Foto9 den Rest der Sicherung Foto10 die Stabheizung Gruß
asd schrieb: > Naja, ist doch einwandfrei gebaut, das Ding. Ich weiß nicht warum > Lüsterklemmen Schrott sein sollen. Oder (gut gemachte) Lötverbindungen. > Vielleicht nicht die Methode bei Großserien-Fertigung, aber für > Einzelstücke und Kleinserien immer noch Stand der Technik. Das Problem ist die Kombination aus Lüsterklemme und verzinnten Adern. Das Zinn kriecht unter der Belastung und irgendwann gibt es einen Wackelkontakt. Mir kam schon einmal so etwas unter, da war die Isolierung der Lüsterklemme aufgrund der erhöhten Wärmeentwicklung schon teilweise geschmolzen. Korrekt wäre es mit einer Aderendhülse oder einer Klemme mit Drahtschutz. Ich habe seit 2 Jahren eine Sprühätzanlage vom selben Anbieter. Die ist wohl aus China, da sie im landestypischen labbeligen Karton mit einer Beschriftung in dem komischen für Asien typischen Font verpackt war. Den Schaltkasten werde ich mal per Gelegenheit inspizieren. Ansonsten ist die Qualität dem Preis entsprechend.
die Heizung ist aus Metall. So'n beheizter Dildo halt. Kann ich morgen aber auch gerne mal Fotos reinstellen. sieht wie ne aquarienheizung aus. die gibt´s auch aus metall. das ätzgerät scheint mit naps zu ätzen. bei meinem ätzgerät wär diese heizung ruck zuck aufgelöst (fecl3 + salzsäure) das zäugs ätzt auch edelstahl. dildo mit 230v~ anschluß....;-)) hier ne schaltung die schon jahre lang ein süßwasseraquarium auf temperatur hält. nur das ssr ist ein anderes. der kleinste brauchbare 9v~ printtrafo bei reichelt ist der EE 20/10 209 :: Trafo 0,5VA, 2x 9V, 2x 28mA wenn man beide wicklungen parallel schaltet dürfte das zum versorgen der schaltung locker reichen. den a302 findet man z.b. bei kn electronic und in der bucht. mfg
dolf schrieb: > hier ne schaltung die schon jahre lang ein süßwasseraquarium auf > temperatur hält. Danke, werde ich mir mal anschauen. Irgendein 2-Punkt-Regler tut es ja wirklich. Oder direkt volles Programm mit uC und Display...nee! Guest schrieb: > Das Symbol des BC547 ist falsch! Jo, das stimmt :-) Da wird nicht viel passieren. Georg W. schrieb: > Ansonsten ist > die Qualität dem Preis entsprechend. Das stimmt. Wie gesagt, das Ding ist bis jetzt immerhin dicht. Hatte jetzt auch nie das Gefühl, dass das Teil irgendwann auseinanderfällt. Nur die "Steuerung" ist der Horror!
Sodele, bei meiner sieht es schon deutlich besser aus, nur die Lüsterklemme mit den verzinnten Litzen ist noch anzukreiden. Das Netzteil stammt von Meanwell. Das Heizelement ist auch anders ausgeführt, es hat nur 2 Anschlüssen (Lüsterklemme). Einstellbar ist hier nichts. Das habe ich auch nie wirklich vermisst. Aber wie ist die Ätzbrühe überhaupt an die Elektrik gekommen? Geht die Luftleitung wirklich von unten in die Küvette oder oben über den Rand und es hat den Saughebereffekt gegeben? --- Tante Edith fragt sich weshalb das Bild wieder doppelt ist. Kann das einer von den Mods korrigieren? Danke.
Ich hab auch so ein Gerät, allerdings etwas älter, und wie bei Georg W. hat die Heizung auhc nur zwei Anschlüsse und eine interne Regelung (mechanisch mit Bimetall, einstellbar). Bei mir hat sich irgendwann die Küvette verabschiedet, an der Unterseite ist die Naht aufgerissen, und ich habe sie nicht mehr dicht bekommen. Daraufhin hab ich eine neue Küvette mit identioschen Maßen selbst gebaut, aus zwei Plexigalsplatten und Plexiglas-Vierkantmaterial, geklebt mit Expoidharz. Entlag des Randes habe ich alle paar cm Schrauben (Kunststoff) gesetzt, um die Last auf der Verklebung zu reduzieren. Hält super. Die Pumpeneinheit habe ich weiterverwendet. Ich glaube, da sollte ich bei Gelegenheit auch mal nen Blick reinwerfen...
Die Luftleitung geht von oben rein. Ist schon seltsam.
Frank Meier schrieb: > Die Luftleitung geht von oben rein. Ist schon seltsam. Das ist einfach: Die Flüssigkeit muss es nur bis zum Scheiteilpunkt schaffen, ab hier geht es von alleine bis die Küvette leer ist. Gründe gibt es viele: -Die warme Pumpe kühlt ab und die Luft in Pumpe und Schlauch zieht sich zusammen und saugt Wasser nach -Der Luftdruch steigt: Änderung gestern in Stuttgart 4,5 hPa ss, das sind 450 Pa ss. 1 Pa entspricht 0,1mm Wassersäule. Also ergibt dies eine Änderung des Wasserspiegels im Schlauch von 45mm. -Du hast das Gerät bewegt Du müsstest am höchsten Punkt für eine automatische Belüftung sorgen, die verhindert dass sich ein Unterdruck aufbaut. Oder die Pumpe hoch genug anbringen.
OK, das klingt plausibel! Dann noch das defekte Rückschlagventil...das ist komplett voll mit Kristallen vom Natriumpersulfat. Kann man auf jeden Fall Luft durchpusten, wie auch ziehen. Das ist hin.
Wie ich nach einer versifften Pumpe lernen durfte: Schlauch immer abziehen, wenn man fertig ist. Meine Küvette hat zwei Löcher für die Schlauchdurchführung, in das zweite stecke ich das Schlauchende in die Küvette zurück.
Frank Meier schrieb: > Ach ja, an dieser Stelle sei angemerkt, dass auf > dem Gehäuse ein CE-Aufkleber drauf war. Das heißt nur, dass der „Inverkehrbringer“ behauptet, den entsprechenden europäischen Vorschriften zu genügen... alleine darauf würde ich jetzt nicht viel geben. Klaus
Klaus Busse schrieb: > alleine darauf würde ich jetzt > nicht viel geben. Das tue ich auch nicht. Finde es nur noch eine Dreistigkeit obendrauf.
Frank Meier schrieb: > OK, das klingt plausibel! Dann noch das defekte Rückschlagventil...das > ist komplett voll mit Kristallen vom Natriumpersulfat. Kann man auf > jeden Fall Luft durchpusten, wie auch ziehen. Das ist hin. Timm Thaler schrieb: > Wie ich nach einer versifften Pumpe lernen durfte: Schlauch immer > abziehen, wenn man fertig ist. Meine Küvette hat zwei Löcher für die > Schlauchdurchführung, in das zweite stecke ich das Schlauchende in die > Küvette zurück. Das kann ich nur bestätigen. Das Zeug kriecht bei Nichtbenutzung die Leitung hoch und kristallisiert in den Ventilen aus.
Hi,
da hast Du/Sie ja noch einmal Glück gehabt, sozusagen. Mit Wasser und
Strom ist nicht zu spaßen.
Nicht umsonst gibt es in Europa "CE", dass nicht damit erledigt ist,
dass man beim Conrad oder vergleichbarem Anbieter einen Aufkleber kauft
und draufpappt ("Was kostet eine CE?", "29 cent, beim Conrad").
Mit dem Anbringen des CE Zeichens erklärt der Inverkehrbringer /
Verkäufer / erster Anbieter innerhalb Europas, dass er eine zutreffende
EU Richtlinie einhält. Dort steht dann sinngemäß, dass man damit auch
alle weiteren EU-RL einhält, die ein CE Zeichen auslösen. Wenn man ein
CE anbringt, obwohl es gar keine zutreffende Richtlinie für das Produkt
gibt, so ist das auch geregelt -> Bußgeld. Trifft aber bei Dir NICHT zu.
Das Produkt benötigt tatsächlich eine CE und die Einhaltung mindestens
einer EU-RL, der Niederspannungsrichtlinie.
Weiterhin hast Du in den Lieferunterlagen sicherlich eine sogenannte
Konformitätserklärung erhalten, aus der ersichtlich ist, welche
Richtlinien als eingehalten erklärt wurden. Weiterhin müssen sich dort
Normen befinden, nachdem der sogenannte "Stand der Technik" erreicht
wurde oder es musste ein alternatives Verfahren angewandt werden, dass
mindestens den Anforderungen der einschlägigen Normen entspricht oder
sicherer ist. Diese MUSS dem Produkt beiliegen bzw. von einer webseite
zu beziehen sein, ohne zusätzliche Kosten usw.
Weiterhin hast Du mit dem Produkt sicherlich auch eine Betriebsanleitung
/ Bedienungsanleitung erhalten, in Landessprache, in der der sichere
Betrieb erläutert sein muss. Wenn dort steht, dass z.B. die
Ätzflüssigkeit bei einer Pause über einen längeren Zeitraum entfernt
werden muss, da die Komponenten das nicht aushalten -> unsicheres
Produkt - ein NOGO.
Falls einer der obigen Punkte fehlt, so gehe auf die Seite www.icsms.org
Wähle dort Dein Land (es gibt ca. 2 Dutzend Flaggen), Verbraucher, und
"unsicheres Produkt melden". Du bekommst dort, abhängig von Deinem
Wohnort, die für Dich zuständige Gewerbeaufsicht genannt, Adresse / Tel
/ Fax /email. Dort den Fall schildern, mit Fotos, Rechnung /
Liederschein und allem drum und dran. Du kannst auch vorher anrufen -
die "beißen" nicht - und Fragen stellen. Man wird von dort das Ganze
dann an die zuständige Gewerbeaufsicht im Bezirk des Verkäufers
weiterleiten. Der Verkäufer bekommt dann umgehend "Besuch", wenn er Pech
hat innerhalb von 1-2 Arbeitstagen (FR bei Deiner Bescheid sagen, MO
morgen um 8 Uhr Gewerbeaufsicht beim Verkäufer). So wie Du das
schilderst, wird ein sofortiges Vertriebsverbot erlassen. Und eigentlich
auch eine Rückrufaktion auferlegt. Damit müssten dann die Verkaufserlöse
zurück bezahlt werden.
Weiterhin sollte das den Staatsanwalt interessieren, den dass hätte ja
auch mit einem Stromschlag, also schwere Körperverletzung oder Tod,
ausgehen können. Und da von dem Gerät sicherlich mehrere verkauft
wurden, wird auch nicht wegen "mangelndem öffentlichen Interesse" die
Akte nach 6-8 Wochen einfach geschlossen.
Ich möchte nicht in der Haut des/der Verkäufer stecken. Zumindest vom
Finanziellen her läuft das Richtung Hartz IV. Was der Staatsanwalt
macht, ist schwer einzuschätzen.
Allerdings passiert immer nur dann etwas, wenn die zuständigen Stellen
auch etwas erfahren. Das gilt sowohl für die Gewerbeaufsicht als auch
für den Staatsanwalt. Denn das CE Zeichen ist eine eigenverantwortliche
Erklärung des Inverkehrbringers - das prüft (zunächst) niemand. Nur bei
Unfällen oder Meldungen.
Grüße
Hardy_JW / Jürgen
Jürgen Willnecker schrieb: > Wenn dort steht, dass z.B. die > Ätzflüssigkeit bei einer Pause über einen längeren Zeitraum entfernt > werden muss, da die Komponenten das nicht aushalten -> unsicheres > Produkt - ein NOGO. Genau das schreibt jeder Kochtopfhersteller, da die darin aufbewahrten Speisen sonst einen Fremdgeschmack annehmen oder der Beschichtung schaden könnten. Demnach dürfte es keine Kochtöpfe mehr geben. Falls ich hier den richtigen gefunden habe habt ihr noch ein weites Feld zu beackern: http://www.xing.com/profile/Juergen_Willnecker
Georg W. schrieb: > Demnach dürfte es keine Kochtöpfe mehr geben. Es geht bei den ganzen CE RIchtlinien AUSSCHLIESSLICH um Personenschäden. Das muss man zunächst einmal verstehen und genau die Fälle unterscheiden. Sachschäden: egal! Produktionsziel nicht erreicht: egal! Kaufmännisch nicht darstellbar / zu hohe Kosten wenn sicher: völlig egal! Wenn also die Speisen im Kopftopf einen anderen Geschmack annehmen, der NICHT gesundheitsschädlich ist: egal! Da beschweren sich nur die Kunden: äußerst lästig. Daher der Hinweis. Wenn sich Teile der Beschichtung lösen würden, die Gesundheitsschäden verursachen würden, auch langfristig: geht nicht unzulässig wird vom Markt genommen / finanzielle Rückabwicklung. Da gibt es dann auch wieder bestimmte Normen. "Ungeregelter Bereich" des ProdSG, dort das dazugehörige Amtsblatt besorgen (www.baua.de). Dort findet man in Form von Normen den "Stand der Technik" (= Anforderung in der Richtlinie) beschrieben, den der Inverkehrbringer zum Zeitpunkt des jeweiligen Verkaufs erfüllen muss. Zurück zur Küvette: - wenn die Berührung von 230 Volt AC mit einer (leitenden) Flüssigkeit niemals zu Tod, Verbrennungen, Lähmungen, oder Gliedmaßverlusten führen würde, sondern nur zu einem Erschrecken, dann wäre das zulässig und NICHT zu beanstanden. Die Grenze liegt bei 50 bzw. 60 Volt DC / AC. In Nassbereichen arbeitet man prinzipiell mit FI-Schalter oder Trenntrafo oder mit ungefährlicher Kleinspannung von z.B. 12 oder 24 Volt. Die, die sich nicht auskennen, arbeiten mit allem, was die Technik hergibt. Ich persönlich habe einen 30mA FI Schalter als Zwischenstecker - den nehme ich bei allem was unsicher aussieht. Ich war (als junger Ingenieur und ganz junger Bastler) schon zu oft beim Basteln an der falschen Leitung. - im privaten Bereich gilt kein Arbeitsschutz bzw. Vergleichbares. Unter anderem deshalb gibt es pro Jahr ca. 6000 Todesfälle. Genausoviel wie als Selbstmorde erkannte Selbstmorde (also ohne Dunkelziffer) und etwas mehr als tödliche Unfälle im Straßenverkehr (<6000). - Solange nichts passiert, gibt es tatsächlich keinen Ärger. Wenn Du den Blitzer im Ort geschickt mit 95 km umfährst, passiert ja auch nichts. Es darf nur keiner sehen und das irgendwie nachweisen können. - Selbst wenn etwas passiert, dann hängt das davon ab, ob fundiert vorgetragen werden kann (Fachkenntnisse). Solange niemand dem Richter das richtig erklärt, heißt das "Bedienungsfehler" und der Betreffende landet in einem der sozialen Sicherungssysteme oder auf dem Friedhof. Also spendiert bei solchen Aktionen mindestens den FI Schalter davor. Noch besser: nix mit 230 Volt und Flüssigkeiten bei Undichtigkeiten verwenden.
Bitte melde dich an um einen Beitrag zu schreiben. Anmeldung ist kostenlos und dauert nur eine Minute.
Bestehender Account
Schon ein Account bei Google/GoogleMail? Keine Anmeldung erforderlich!
Mit Google-Account einloggen
Mit Google-Account einloggen
Noch kein Account? Hier anmelden.










