Hallo, ich habe folgende Frage, wie verhält sich eine Symmetrische Spannungsquelle bestehend aus 2 Festspannungsreglern (7815,7915) wenn diese unsymmetrisch belastet wird? Ich brauche +-15V für 2 OP-Verstärker +15V für einen Differenzstromsensor und +5V für einen µC. Die Schaltung wird über eine 48V Batterie gespeist. Mein ursprünglicher Plan war es den Stromsensor und einen 7805 über die +15V der +-15V Versorgung zu betreiben. Da der Stromsensor eine Stromaufnahme von fast 400mA hat würde die Symmetrische Spannungsquelle stark asymmetrisch belastet. Mein zweiter Plan ist es den Stromsensor und den 7805 mit einem DC/DC Wandler (In 18-75V out 15V) zu versorgen. Allerdings sind die DC/DC Wandler recht teuer. Eine weitere idee war es,einen weiteren 7815 an die +-15V Versorgung zu hängen der seinen Masseanschluss bei -15V hat, so dass dieser mit 30V versorgt wird?
Den Spannungsreglern ist das (unter Beachtung ihrer Grenzwerte natürlich) wurscht. Aber du solltest vermeiden, die Zellen deiner Batterie ungleich zu belasten. Wo nimmst du denn eigentlich deine Masse her?
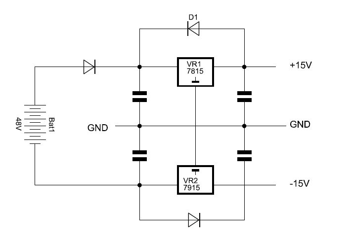
bipolare Versorgungspsannung mit solchen Reglern sollte immer
Verpolschutzdioden bekommen:
+----+
--|7815|--+-- +15V
+----+ |
| +-|<|-+
| |
GND -+----------+
| |
| +-|>|-+
+----+ |
--|7915|--+-- -15V
+----+
nicht "Gast" schrieb: > Wo nimmst du denn eigentlich deine Masse her? Oder anders gefragt wo kommt die negative Spannung für den 79xx her? Am besten nimmst du gleich einen DC-DC-Wandler mit +- Ausgang, dann bist du Sorgen wegen der ungleichen Belastung oder ungleicher Batterieentladung von vornherein los. Den Stromsensor kannst du ja weiter direkt über einen Schaltregler aus 48V versorgen, dann brauchst du keinen so dicken DC-DC. Gruss Reinhard
So in etwa hatte ich mir die Spannungsversorung vorgestellt an +15V nach GNG hängen der Stromsensor, die OP,s und ein 7805 als Spannungsversorgung den µC. An -15V hängen nur die OPs und ein Lastwiderstand der die Grundlast für den negativen Festspannungsregler sicherstellen soll. >Wo nimmst du denn eigentlich deine Masse her? Der Gemeinsame GND vom 7815 und 7915 soll mein Bezugspunkt werden. Damit die OP,s und der Stromsensor den selben Bezugspunkt haben wollte ich diese ganz gerne an der selben Spannungsquelle haben. >bipolare Versorgungsspannung mit solchen Reglern sollte immer >Verpolschutzdioden bekommen Brauche ich einen Verpolungsschutz auch wenn die Versorgungsschaltung fest eingebaut ist. Ist es nicht sinnvoller eingangsseitig davor zu schützen das ich die Batterie falsch anschließe? Wobei der der 320Ampere Batteriestecker schon einen mechanischen Verpolungsschutz hat.
Niels schrieb: > So in etwa hatte ich mir die Spannungsversorung vorgestellt So wird das nix, mit offen hängendem GND. Diese Sorte Stromversorgung setzt voraus, dass GND von der Spannungsquelle, also deiner Batterie, geliefert wird. Also werden 2 Batterien benötigt, eine für +In und eine für -In. Oder eine Batterie und ein Switcher mit +/- Ausgang.
Niels schrieb: > So in etwa hatte ich mir die Spannungsversorung vorgestellt Du kannst nicht an irgendeinen Konten GND hinschreiben und meinen, der tut dann das, was du willst... Ein "richtiger" GND muss Strom aufnehmen und abgeben können. Zeichne einfach mal einen Strom von 1 A vom Pluspol der Batterie durch den Spannungsregler zum GND. Und jetzt die Gretchenfrage: wie kommt der Strom zurück zur Batterie? Denn erst dann ist der StromKREIS geschlossen...
Ehm sorry, ich habe eingangseitig den Spannungsteiler vergessen, der die 48V in 2x 24V teilt.
Und die wichtigen Verpolschutzdioden am Ausgang (=>MaWin) hast du ebenfalls vergessen. Dafür sind andererseits Rückwärtsdioden um die Regler in Verbindung mit Verpolschutzdioden vor den Reglern unnötig.
Niels schrieb: > Ehm sorry, ich habe eingangseitig den Spannungsteiler vergessen, Kann der dann das 1A zur Batterie zurückführen? Niels schrieb: >>> Da der Stromsensor eine Stromaufnahme von fast 400mA hat Das müsste der Spannungsteiler abkönnen. Die Faustformel für einen halbwegs stabilen Spannungsteiler lautet: Längsstrom=10*Laststrom. Du müsstest also (im Leerlauf) 4A durch deinen Spannungsteiler durchprügeln. Das ist eine Dauerlast von 200W... Auf Deutsch: vergiss es. Es gibt bessere Arten, sowas zu machen.
Nimm einen DC/DC Wandler oder willst du deine Batterie mit Gewalt leersaugen?
Reinhard Kern schrieb: > einen DC-DC-Wandler mit +- Ausgang, dann bist > du Sorgen wegen der ungleichen Belastung oder ungleicher > Batterieentladung von vornherein los. Da wäre ich mir noch nicht so sicher weil DC/DC Wandler mit 2 Spannungen oft nur gemeinsam geregelt werden. Dann wäre bei ungleicher Last die Frage, wie ungleich sie wirklich ist. Mehr z.B. http://www.recom-international.de/pdf/Application_dtsch.pdf Frage wäre auch sauber diese Spannung sein soll. Falls Ihr z.B. Mikrovolt messen wollt, wäre etwas mehr Aufwand angebracht.
Ich glaube ich werde mit der symmetrischen Festspannungsquelle nur die OPs betreiben und den Stromsensor mit einem DC/DC Wandler. Ich muss dann nur beide GND Potenziale verbinden. So umgehe ich hoffentlich das Problem mit der unsymmetrischen Belastung >willst du deine Batterie mit Gewalt >leersaugen? Die Batterien können das ab. Es handeln sich hirbei um 600 bis 1200Ah Batterien.
Niels schrieb: > Ich glaube ich werde mit der symmetrischen Festspannungsquelle nur die > OPs betreiben und den Stromsensor mit einem DC/DC Wandler. Ich muss dann > nur beide GND Potenziale verbinden. Du hast überhaupt nichts verstanden. Deine symmetrische Spannungsquelle ist vollkommener Mist, auch wenn du noch so stolz drauf bist, weil es keinen GND für sie gibt, der müsste in der Mitte der Batterie liegen. Deshalb habe ich ja vorgeschlagen, mit einem DC-DC aus der einfachen Spannung von 48V die 2 Ausgangsspannungen +-12 V zu machen, das macht der DC schon richtig ohne dein Zutun. Und die Versorgung für den Sensor kannst du dann direkt aus den 48 V erzeugen, damit ist dann der Minuspol der Batterie GND für alles. Also genau anders rum als du es machen willst. Wenn du diese Zusammenhänge nicht begreifen kannst oder einfach nicht willst, weil du unbedingt deine eigene Idee durchsetzen willst, dann kann man dir leider nicht weiterhelfen. Aber die physikalischen Gesetze sind gnadenlos und lassen sich auch von dir nicht austricksen. Gruss Reinhard
Abgesehen davon sollte eine gewöhnliche Meßschaltung mit Operationsverstärker nicht von der Symmetrie der Versorgungsspannung abhängen. Wenn der OP-Amp für +/- 15V ausgelegt ist, dann sollter er auch mit +16V und -14V noch korrekt funktionieren. Also mach Dir mal um die Symmetrie keine Sorgen. Kümmere dich eher um eine Spannungsregelung, die überhaupt funktioniert - Grundsätzlich meine ich.
Noch was: Brauchst Du wirklich eine symmetrische Versorgungsspannung? Es wäre ja auch denkbar, dass der Verstärker auch mit einer einfachen +30V Versorgungsspannung betrieben werden kann und lediglicht eine Referenzspannung ungefährt in der Mitte braucht. Das wäre wesentlich einfacher realisierbar, zum Beispiel so wie ich das bei meinem Audio-Limiter mit Hilfe einer Zenerdiode realisiert habe: http://stefanfrings.de/audio_limiter/index.html Man könnte die Referenzspannung auch mit einem Spannungsteiler und nachgeschaltetem Spannungsfolger (OP-AMP) realisieren. Die Gretchenfrage ist: Brauchst Du wirklich einen GND in der Mitte zwischen der positiven und negativen Versorgungsspannung?
Bitte melde dich an um einen Beitrag zu schreiben. Anmeldung ist kostenlos und dauert nur eine Minute.
Bestehender Account
Schon ein Account bei Google/GoogleMail? Keine Anmeldung erforderlich!
Mit Google-Account einloggen
Mit Google-Account einloggen
Noch kein Account? Hier anmelden.
