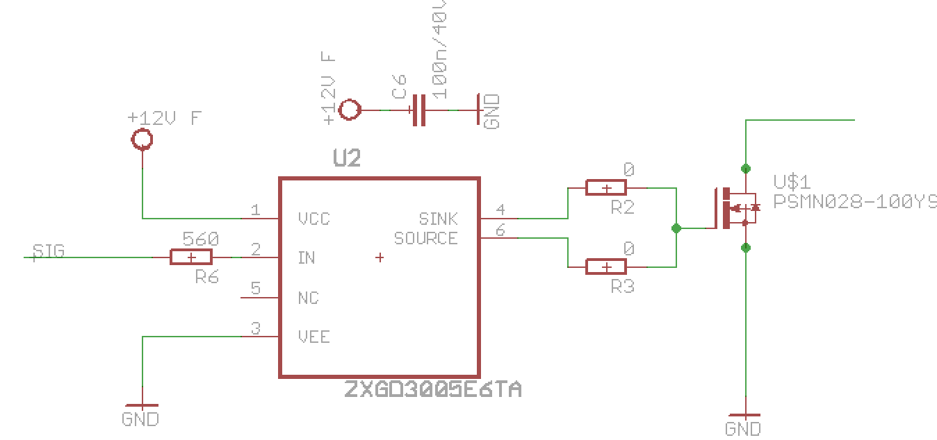
Hallo, ich möchte den MOSFET-Gate-Treiber ZXGD3005E6TA nutzen. Ich habe ihn wie im Bild im Anhang verschaltet. Der Anschluss "SIG" wird von einem ATtiny mit 3,3 V angesprochen. Am Ausgang zum Gate habe ich dann aber nur ca 2,6 V. Laut Datenblatt sollten es aber Vcc - 0,7 V = 11,3 V sein!? Irgendwie verstehe ich wohl nicht, wie man "IN" des Treibers richtig beschaltet! Muss ich den auch mit 12 V ansprechen? Ich dacht zuerst da muss ein gewisser Strom fließen (wegen der entsprechenden Kurve im Datenblatt), deshalb habe ich mich für den 560 Ohm Widerstand entschieden. Aber irgendwie komme ich gerade überhaupt nicht mit den Angaben im Datenblatt zurecht. Vielleicht könnte mir jemand auf die Sprüngen helfen. Hier das Datenblatt: http://www.farnell.com/datasheets/1383716.pdf Grüße Mark
Das ist nicht wirklich im Datenblatt zu erkennen, aber letztlich ist darin nichts anderes als ein komplementärer Emitterfolger. Alternativ könntest Du auch zwei Transistoren benutzen.
Muss ich dann entsprechende auch einen negative Spannung gegenüber GND anlegen, um den NPN-Transistor anzusteuern?
Mark schrieb: > Der Anschluss "SIG" wird von einem ATtiny mit 3,3 V angesprochen. Er hätte dort gerne Vcc, so zeigt das Datenblatt. MfG Klaus
Gregor B. schrieb: > Das ist nicht wirklich im Datenblatt zu erkennen, aber letztlich ist > > darin nichts anderes als ein komplementärer Emitterfolger. Das kann man so natürlich nicht stehen lassen. In dem IC wird deutlich mehr als ein schnöder Emitterfolger sein. Oder anders gesagt, den Emitterfolger möchte ich sehen, der die Daten dieses ICs hat...
Klaus schrieb: > Er hätte dort gerne Vcc, so zeigt das Datenblatt. OK, leider kann ich das nicht finden ...
Mark schrieb: > Klaus schrieb: >> Er hätte dort gerne Vcc, so zeigt das Datenblatt. > > OK, leider kann ich das nicht finden ... Ich vermute, dass das unter Electrical Characteristics "Output voltage, high" gezeigt ist. Dort hat man V_CC-0,8V am Ausgang wenn V_In=V_CC beträgt. Ist aber nur (m)eine Vermutung, dass das als Erklärung/Hinweis zu sehen ist.
al3ko schrieb: > Ich vermute, dass das unter Electrical Characteristics "Output voltage, > high" gezeigt ist. Dort hat man V_CC-0,8V am Ausgang wenn V_In=V_CC > beträgt. Außerdem zeigen auch alle Diagramme das so. Und im Text steht: > It is ideally suited to act as a voltage buffer .. MfG Klaus
Bitte melde dich an um einen Beitrag zu schreiben. Anmeldung ist kostenlos und dauert nur eine Minute.
Bestehender Account
Schon ein Account bei Google/GoogleMail? Keine Anmeldung erforderlich!
Mit Google-Account einloggen
Mit Google-Account einloggen
Noch kein Account? Hier anmelden.

