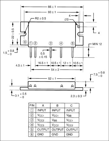
Hallo Forum, ich habe hier ein Modul M57729UL. Ich gehe mal davon aus, dass an 3 und 4 12 V angelegt werden. Weis jemand was an Pin 2 angeschlossen wird? Das Dattenblatt was ich habe gibt nur Vcc1 her, habe auch kein anderes gefunden. Falls sich jemand befleissigt fühlt Kommentare wie ,darf man nicht , REGtP usw. loszulassen, weis ich alles. Danke
Martin schrieb: > Weis jemand was an Pin 2 angeschlossen wird? Auch eine Versorgungsspannung http://www.datasheetcatalog.org/datasheet/MitsubishiElectricCorporation/mXrrrrt.pdf
Bitte melde dich an um einen Beitrag zu schreiben. Anmeldung ist kostenlos und dauert nur eine Minute.
Bestehender Account
Schon ein Account bei Google/GoogleMail? Keine Anmeldung erforderlich!
Mit Google-Account einloggen
Mit Google-Account einloggen
Noch kein Account? Hier anmelden.
