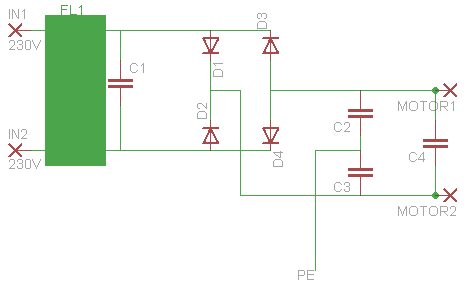
Hallo, ich habe eine Tischkreissäge FET von Proxxon und bei dieser schmeisst es immer wieder den FI beim Einschalten raus (aber nicht immer). Jetzt habe ich die Säge mal zerlegt und viel ist ja nicht drinnen: - ein DC-Motor - eine kleine Platine mit der Gleichrichterschaltung - ein Sicherheitsschalter Der Schutzleiter ist eigentlich nur an 2 Stellen angeschlossen, am Motorgehäuse und an der Gleichrichterschaltung. Wenn der Motor einen Schluss mit dem Schutzleiter hätte, müsste der FI ja eigentlich immer auslösen, oder ? Also müsste es wohl die Gleichrichtung sein. Wenn ich das richtig verstehe, dienen dort C2 und C3 der Entstörung, können diese am Auslösen des FI schuld sein ? Vielleicht kann mich jemand erleuchten. Tschau, Axel.
Axel P. schrieb: > Wenn der Motor einen Schluss mit dem Schutzleiter hätte, müsste der FI > ja eigentlich immer auslösen, oder ? Es gibt zwischen "gut" und "Schluss" auch alle möglichen Zwischenwerte. Wenn durch schwächelnde Isolation etwas Fehlerstrom fließt, kann das zusammen mit dem Ladestromstoß von C2 und C3 zum Auslösen des FI führen. Und das "gelegentlich", denn der Einschaltzeitpunkt ist ja nicht immer an der gleichen Stelle der 50Hz-Sinuskurve. Den Gleichrichter sehe ich hier nicht an erster Stelle der Übeltäter. Gruß Dietrich
Das Problem am Trafo zu suchen. Hast su schonmal mit Ohmmeter zwischen Primär- und Sekundärseite gemessen? (im k-Ohmbereich spannungslos! --- man weiß ja nie, siehe Beitrag "Steckdose - nichtideale Spannungsquelle?") Gruss
> Das Problem am Trafo zu suchen.
Welchen Trafo ?
ich denke, es liegt an den Kondensatoren C2,C3. Sie sind zur Entstörung da, geben aber einen kapazitiven Strom auf den PE. Dieser Strom fehlt in der Differenzbildung des FI und er löst dann aus. Vermutlich gibt es andere Verbraucher in Deinem Netz, die den zulässigen Fehlerstrom schon fast ausnutzen. Die Säge ist nur der Tropfen, der das Faß zum Überlaufen bringt. Lösung: Steckdose verwenden, die eine andere Phase des Drehstroms hat, dann gleicht sich das mit dem Fehlerstrom (hoffentlich) aus. Oder die Säge an einem Trenntrafo betreiben. Oder die anderen Geräte, die auch auf gleiche Weise Fehlerstrom erzeugen, während des Sägens herausziehen (nur welche?).
> Das Problem am Trafo zu suchen. Ich denke nicht, dass ein Trafo verbaut ist, das Bauteil mit der Bezeichnung FL1 (das schwarze Gehäuse mit dem runden OK-Aufkleber) vermute ich eher als Drossel oder ähnliches, ich sehe einen Teil des Bestückungsaufdrucks als sowas wie eine Schlangenlinie vom Ein- zum Ausgang). > Vermutlich gibt es andere Verbraucher in Deinem Netz, die den zulässigen > Fehlerstrom schon fast ausnutzen. Die Säge ist nur der Tropfen, der das > Faß zum Überlaufen bringt. Aktuell habe ich die Säge zum Testen an einem einzelnen FI/LS, an dem nichts anderes angeschlossen ist, also dürfte es daran auch nicht liegen. Durch Alterung der Kondensatoren müsste die Kapazität ja eher sinken, und damit der kapazitive Widerstand steigen und der Fehlerstrom sinken. > Es gibt zwischen "gut" und "Schluss" auch alle möglichen Zwischenwerte. > Wenn durch schwächelnde Isolation etwas Fehlerstrom fließt, kann das > zusammen mit dem Ladestromstoß von C2 und C3 zum Auslösen des FI führen. > Und das "gelegentlich", denn der Einschaltzeitpunkt ist ja nicht immer > an der gleichen Stelle der 50Hz-Sinuskurve. Das müsste man dann ja messen können, oder ? Axel.
Axel P. schrieb: > Durch Alterung der Kondensatoren müsste die Kapazität ja eher sinken, > und damit der kapazitive Widerstand steigen und der Fehlerstrom sinken. Sie können aber auch durch Stress schadhaft geworden sein... > Das müsste man dann ja messen können, oder ? Ja, aber richtig nur mit einem passenden Messgerät. Mit einem "normalen" Ohmmeter, das nur mit ein paar Volt misst, geht das nicht unbedingt. Gruß Dietrich
Nur zur Info Motor ist defekt! Der FI erfasst den Fehlerstrom über den defekten Motor.
Wie ich der Beschreibung entnehmen kann,lässt sich der Schutzleiter an den Kondensatoren abklemmen.Wenn nicht alle PE von der Klemmleiste Platine abklemmen und mit Externer Klemme verbinden.Jetzt sollte nur noch der Motor mit dem PE verbunden sein.Durchmessen! Sollte der FI jetzt nicht mehr auslösen ist der Fehler an C2/C3 zu suchen ansonsten hat der Motor Masseschluß.Nach dem ausprobieren PE wieder zurück klemmen.
Wieso sollte der FI wegen des sekundären PE's an den Kondensatoren fallen? Der Sekundärstrom interessiert den FI nicht im geringsten. Funktionsweise eines FI: Der FI erasst die Summer der 3 Außenleiter und des N. Im Fehlerfall, also wenn die Summe der 4 Aussenleiter und des zurückfließenden N nicht gleich ist, löst der FI aus. Summenstrom / Differenzstrom muss 0 (Null sein) wenn alles stimmt. Die 1. Frage: Welcher FI ist verbaut? - Auslösestrom. 2. Frage was hängt sonst noch verdächtiges am gleichen FI? PC-Netzteile usw können 'in der Summe' zum Auslösen beitragen.
Oh sorry, das links sah wiehn Trafo aus. komando zurück - zu schnell.
Bitte melde dich an um einen Beitrag zu schreiben. Anmeldung ist kostenlos und dauert nur eine Minute.
Bestehender Account
Schon ein Account bei Google/GoogleMail? Keine Anmeldung erforderlich!
Mit Google-Account einloggen
Mit Google-Account einloggen
Noch kein Account? Hier anmelden.

