Ich hab hier einen Trafo mit unbekannten Kenndaten und würde gern die maximal übertragbare Leistung abschätzen. Der Trafo ist 108 x 103 x 101 mm gross (äussere Abmessungen) der Querschnitt des Mittelfingers ist 29 x 50 mm = 14.5 qcm Der DC Widerstand der Primärwicklung ist 7.4 Ohm. Wenn ich die Abschätzungsformel aus http://www.mikrocontroller.net/articles/Transformatoren_und_Spulen richtig verstanden hab wären das dann 1.48A Primärstrom und damit 341 VA . Kommen die 340 VA als Abschätzung in etwa hin? Danke.
Diese Frage kann Dir niemand beantworten. Ohne die technischen Daten wäre das reines Raten.
K.M. schrieb: > Ich hab hier einen Trafo mit unbekannten Kenndaten und würde gern die > maximal übertragbare Leistung abschätzen. Es handelt sich hier um einen Trafo mit Schnittbandkern. Wenn Du die (Aussen-)Maße des Kerns kennst, kannst Du im INet die technischen Daten des Kerns finden. Eine Nennleistung ist aber von vielen Zusätz- lichen Daten abhängig und kann so nur grob bestimmt werden. Grund- sätzlich haben Trafos mit Schnittbandkernen eine deutlich höhere Nennleistung als solche mit Standard- E- oder M-Kernen. Gruss Harald
>Es handelt sich hier um einen Trafo mit Schnittbandkern Sehr gutes Stichwort, wusste nicht wie diese Bauform sich nennt. >Wenn Du die (Aussen-)Maße des Kerns kennst, kannst Du im INet die >technischen Daten des Kerns finden Der C-Kern hat die Abmessung 50 x 95 x 15 mm, im Trafo sind 2 Stück verbaut. Der Trafo wiegt ~ 3.4 kg. Wenn ich dies als Anhaltpunkt nehme: www.dietrichundblum.ch/pdf/DUB_Katalog_Eilor.pdf so komme ich auf 149 VA pro C-Kern, also 298 VA für den Trafo. Da ich aber nicht die Banddicke kenne, hilft das auch nicht weiter. Bei einer Bandicke 0.3mm (statt 0.1mm) ergibt sich dann nur noch ~150 VA laut den Tabellen :-( Hilft also nur ein Belastungstest und Messen der Temperatur?
Miß mal 1. die Drahtstärken und lege 2. zum Test 12V~ an die Sekundärwicklung um auszumessen welches Windungsverhältnis drauf ist.
Drahtstärke kann ich nicht messen, da die aus der Wicklung herausgeführten Anschlussdrähte Litzen sind, während die Wicklung aus Cu-Lackdraht besteht, aber an die komme ich nicht richtig drann. Windungsverhältniss: 230V:58V = 3.96 , wobei Prim. und Sek. mehrere Anzapfungen vorhanden sind.
K.M. schrieb: > Drahtstärke kann ich nicht messen, aber schön vergleichen mit ähnlichen Drähten oder Trafos? Bei 15cm² Eisenquerschnitt sagt mein Glaskugel-Horoskop ca. 280VA WENN die Wicklungs-Drähte es hergeben. 1mm Durchmesser=0,786 mm² = bis ca. 2A
>aber schön vergleichen mit ähnlichen Drähten oder Trafos?
Klar, die Wicklungen sind leider tief unter den Trennfolien vergraben
(siehe Bild oben).
Das beste was ich abschätzen kann ist ~ 0.8mm == 0.5qmm auf der
Primärseite.
Dies ergäbe dann nach deinem Anhaltswert 1.27A, bzw 292 VA.
Wäre also soweit konsistent und würde auch mit dem oben angegeben C Kern
übereinstimmen :-)
Ist denn das so schwer, das Teil ist doch in einem Gerät verbaut, hat eine Netz- also Primär- oder noch dazu eine Sekundärsicherung, hat eine Gleichrichtung (sichtbar) auf der Primärseite sicher mit Elkos ? wie weit muß man noch ausholen oder sind das für dich böhmische Dörfer?
Elo schrieb: > Ist denn das so schwer, das Teil ist doch in einem Gerät verbaut, hat > eine Netz- also Primär- oder noch dazu eine Sekundärsicherung, hat eine > Gleichrichtung (sichtbar) auf der Primärseite sicher mit Elkos ? wie > weit muß man noch ausholen oder sind das für dich böhmische Dörfer? Kleiner Scherzbold, erklär mal, wie man daraus auf die Nennleistung des Trafos schliesen kann? Das "Gerät" stammt von einem Bastler, den ich leider nicht mehr fragen kann. Die Sicherung, die du auf dem Bild siehst, besagt nicht viel, denn sie gehört zu einer TRIAC Phasenanschnittsteuerung die den Input für die Primärseite liefert. Sie hat 10A, was dem Nennstrom des TRIACs (TIC236M) entspricht und damit hoffnungslos überdimensioniert für den Trafo ist. Wie gesagt, das ganze wurde von einem etwas kreativen aber in der Elektronik nicht sehr bewanderten Bastler zusammengeschustert. Auf der Sekundärseite sind Gleichrichter aber keine Sicherungen oder Elkos verbaut. Also erzähl mal wie ich daraus auf die Trafoleistung schliessen kann.
Jetzt kommen so nach und nach Details, aber Sorry, so geht man nun mal ran, wenn keine anderen Fakten zu lesen sind. Dass es sich um ein Bastelobjekt handelt, kann man auf dem Bild nicht sonderlich gut erkennen, da hast du dann wohl Recht. Aber funktionstüchtig ist das ganze wohl noch? Dann bau den ganzen ungeprüften Kram drumherum weg, und miss mal ein wenig unter verschiedenen Lasten die Spannungen und Ströme sek.seitig?
Hallo, eine elektronische Last wäre was feines - ist aber nehme ich mal an nicht vorhanden. Erstens Wicklungen mit Ohmmeter (Multimater) ausmessen und makieren. Also unter beachtung der Sicherheitsmaßnahmen: Trafo an das Netz anschliessen - Leerlaufspannungen ausmessen - bei den doch recht großen Trafo sollte diese nicht zu sehr nach oben gegenüber der (unbekannten) Nennspannung abweichen. Diese einzelnen Ausgangsspannungen mit Lastwiderständen (z.B. Autoglühlampen) belasten, und sehen wie der Spannungsverlauf ist. Wenn alle Ausgangswicklungen gefühlmäßig (Leerlaufspannung ist auf die angenommen Nennspannung abesackt) mit der Nennlast belastet sind, den Trafo unter Aufsicht längere Zeit arbeiten lassen. Wird der Trafo sehr Warm (kannst du ihn nicht länger als wenige Sekunden mit der Fingerspitze berühren) liegt wahrscheinlich eine Überlastung vor. Die Belastung an allen Ausgangswicklungen verringern - jetzt den Trafo "viel" Zeit gönnen (durchaus 15 - 30 min wegen der hohen Wärmekapazität) und erneut fühlen. Wenn du den Trafo unter Last problemlos "unendlich" mit der Fingerspitze anfassen kannst dürft das grob die Nennlast sein (also so etwa 40 bis max 50 Grad Außentemberatur am Blechpaket). Sollte es jetzt oder über einen längeren Zeitraum zu stinken angangen ist immer noch eine Wicklung überlastet (und eine andere wird eventuell noch reserven haben). Also den für die Wicklung die Last verringern. Dies ist leider eine ehr unsaubere, nicht ganz ungefähliche und langdauernde Methode um die Leistung herauszufinden. Einfacher geht das wie schon geschrieben wenn die Drahtstärken zumindest abgeschätzt werden können und die eigenschaften des Trafobleches bekannt sind- auch hilfreich wäre es zu wissen aus welchen Gerät der Trafo stammt. Noch ein praktischer Hinweis: Wenn du den Trafo aktuell nicht benötigst : Weg damit (Alteisen) es ist zwar im ersten Augenblick schade drum, aber Schaltnetzteile sind mittlerweile so Preiswert (eventuell Resposten von Poll..) das es wenig Sinn macht alte (kleine unter 500 VA) Trafos zumindest für Spannungen zwischen 3,3V und 24V noch zu reaktivieren = groß / schwer - wenn für einige spezielle Anwednungen ein "normaler" Trafo notwendig ist => neues Exemplar mit bekannten Daten besorgen.
>Aber funktionstüchtig ist das ganze wohl noch? Ja, Trafo und TRIAC Steuerung funktioniert soweit einwandfrei. > Trafo an das Netz anschliessen - Leerlaufspannungen ausmessen - .... > Diese einzelnen Ausgangsspannungen mit Lastwiderständen (z.B. > Autoglühlampen) belasten, und sehen wie der Spannungsverlauf ist. Auf die Schnelle kann ich nur die 11V? Anzapfung mit 12V 20W Halogenbirnen belasten, für die weitern anzapfungen bis 52V fehlt mir momentan eine geignete Last (300W!). Gemessen hab ich Leerlauf: 11.55Vrms - 2.1W Primaeraufnahme 1x20W: 11.12Vrms - 21.0W Prim. 2x20W: 10.74Vrms - 39.0W Prim. Gemessen wurde mit Oszi und DMM, die Primaeraufnahme mit einem KD302 Leistungsmesser. Das reicht natürlich nicht um den Trafo ins schwitzen zu bringen. Mal sehen ob ich mehr Last auftreiben kann. Kann man den aus dem Verlauf der Belastungsspannung auf die Nennleistung schliessen? Die Trafosteifigkeit hängt doch auch von dem verwendeten Kernmaterial ab, oder? > aber Schaltnetzteile sind > mittlerweile so Preiswert (eventuell Resposten von Poll..) das es wenig > Sinn macht alte (kleine unter 500 VA) Trafos zumindest für Spannungen > zwischen 3,3V und 24V noch zu reaktivieren Eben ... 24V @ 100W Laptop SNTs hab ich genug, aber die Aussicht auf 52V @ 300W sind schon etwas Verlockendes, zumal das ganze durch die TRIAC Steuerung von 0-52V eingestellt werden kann. Also Vorregelung für ein Labornetzteil würde sich das ganze gut machen und man bräuchte dann auch keine riesen Kühlkörper oder Umschaltmechanismen.
grrr.... Andreas seine Upload-Software hat anscheinend immer noch Probleme mit zulangen Dateinamen.
Wie anfangs schon gesagt, die max. mögliche Leistung wird sich nie eindeutig bestimmen lassen. Einfach mit nach und nach steigender Belastung testen, und bei Erwärmung X selbst die Grenze ziehen...
K.M. schrieb: > Sicherung hat 10A, was dem Nennstrom des TRIACs (TIC236M) entspricht > und damit hoffnungslos überdimensioniert für den Trafo ist. Da wäre ich noch nicht so ganz überzeugt, daß dieser Strom-Wert niiie im Einschaltmoment erreicht wird. Beim Trafo-Einschalten hat sich schon manche Haussicherung gemeldet. Interessant wäre dann, was ein durchlegierter Triac mit den 60V Ausgangsspannung so in Deiner Schaltung anrichtet ...
> .... Sicherung hat 10A .... > Da wäre ich noch nicht so ganz überzeugt, daß dieser Strom-Wert niiie im > Einschaltmoment erreicht wird. Die Befürchtung verstehe ich noch nicht so ganz. Die Sicherung ist eine M 10A/250V. Der TIC236M ist mit 12A I.Trms (Full Cycle On State RMS) angegeben bzw 100A I.TSM (Peak On State Surge Current full Sine Wave). Die Primaerwicklung hat 7.4Ohm DC was allein durch den Ohmschen Anteil den Einschaltstromstoss auf 31A begrenzt. Sollte man damit nicht auf der sicheren Seite sein? Klar, ein Bauteil kann immer mal versagen und man braucht dann auf der Sekundärseite eine OVP Crowbar nach einer Sicherung. Aber dieses Risiko hat auch jedes lineargeregelte NT, und bei vielen Schaltplänen die hier so als Geheimtip rumgeistern wird dieser Punkt stillschweigend in kauf genommen. (Das ganze ist ja auch für ein zweit-NT gedacht, wenn man mal etwas mehr Power braucht)
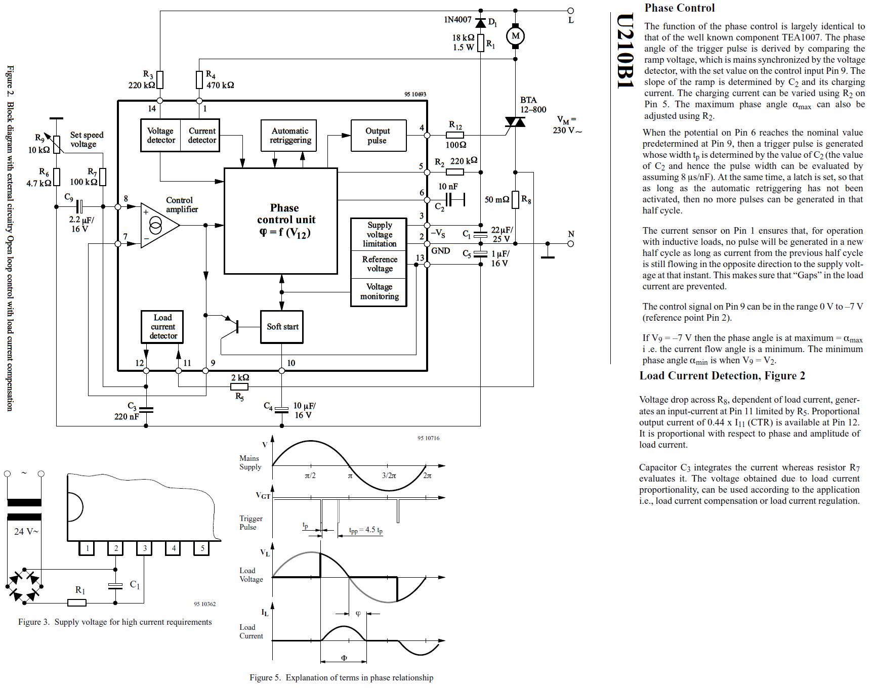
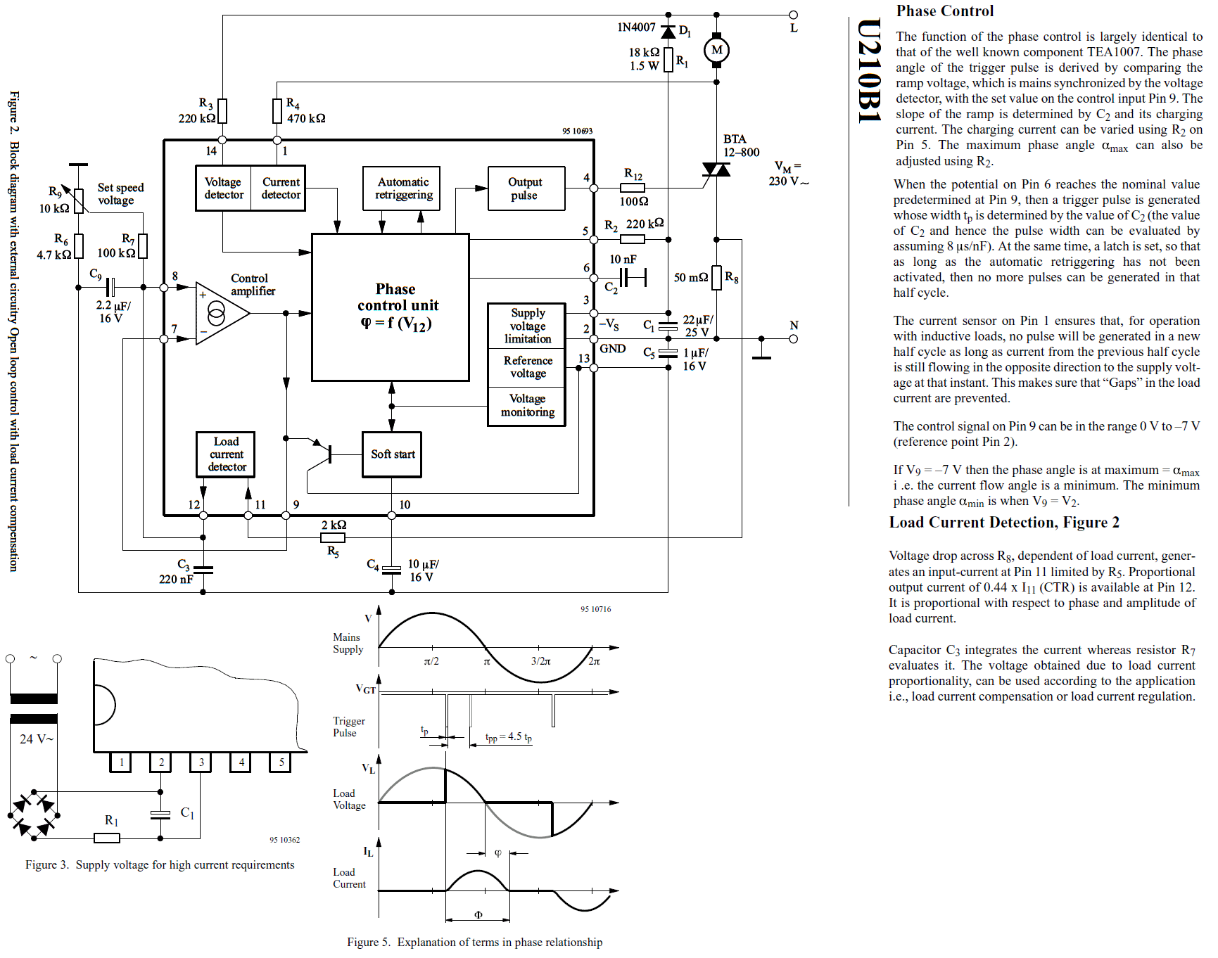
Falls es jemanden interessiert, anbei das Schaltbild der TRIAC Steuerung wie sie in etwa verbaut ist. An Stelle des Motors sitzt natürlich die Primärwicklung. Der U210B1 ist von TFK. Die 3 Oszi Bilder zeigen den Spannungsverlauf sekundärseitig ohne Gleichrichtung mit einer 2x20W Halogen Last. Die Steuerung ist dabei auf Voll = 40W Primaeraufnahme, bzw. 20W und 3.8W eingestellt. Im 4.ten Bild sieht man das ganze gleichgerichte und mit 4.7mF gesiebt. Der Elko ist natürlich viel zu klein. Auf den ersten Blick sind keine störenden Schaltspitzen auszumachen. (Die Readout Spannungsangaben sind wegen der verwendeten Probe hier um den Faktor 2 zu gross)
Das erste Strommaximum kann durchaus beim Doppelten des üblichen Werts liegen, hängt aber auch vom Trafotyp ab. Quelle: FAQ9.4 http://www.dse-faq.elektronik-kompendium.de/dse-faq.htm#F.9.4
So jetzt hab ich den ersten echten 1stündigen Belastungstest bei 250W Primäraufnahme. Als Last wurde aus der Not heraus ein 1.2kW IR-Quarzstrahler (bringt bei 52V 150W) und eine 1.5kW Einzelkochplatte (=100W) genommen. Gelb ist die Temperatur an der Sec. Wicklung, Blau die Temp. des Gleichrichters. T.a lag bei 30°C (nähe Heizkörper) und driftete gegen ende auf 33°C hoch. Das Gehäuse war geöffnet. Sec. Wicklung war die heisseste Stelle, Primärwicklung und Trafokern waren deutlich kälter. Damit scheint der Trafo durch seinen DC Sec. Widerstand limitiert zu sein. Ich würde sagen, wenn man den thermisch bescheuert montierten Gleichrichter vom Trafo wegnimmt und eventuel einen kleine temp. gesteuerten Lüfter dazusetzt, ist der Trafo für 250W dauer und 300W kurzfristig gut - oder?
K.M. schrieb: > Sec. Wicklung war die heisseste Stelle Je nach Qualität der Cul-Isolation sollte man bei 70 Grad aufhören. Sonst zerbröselt der Kupferlackdraht auf Dauer!
Last für die 52V-wicklung: 4 Stk. 12V-Scheinwerferbirnen in Reihe (am besten die Fernlichtglühwendel von H4 Birnen, die ausgetauscht wurden weil das Abblendlicht durch ist. Evtl. beim Autoschrauber nett fragen)
Bitte melde dich an um einen Beitrag zu schreiben. Anmeldung ist kostenlos und dauert nur eine Minute.
Bestehender Account
Schon ein Account bei Google/GoogleMail? Keine Anmeldung erforderlich!
Mit Google-Account einloggen
Mit Google-Account einloggen
Noch kein Account? Hier anmelden.









