Hallo, Ich weiß das es schon dafür viele Schaltungen gibt, habe aber bisher noch keine gefunden so wie ich sie brauch. Ich wollte einen Tiefentladeschutz bauen der die Verbraucher bei ca. 11.5V trennt und erst wieder bei 13,5 wieder zu schaltet. Erreicht werden soll damit das der Akku erst wieder fast voll geladen werden soll bevor Dr wieder angezapft wird. Da auch bei wieder zuschalten Ströme bis 30A Fliesen und die Spannung zu weit einbrechen könnte. Der Tiefenladeschutz selber brauch nicht mehr wie 5A schalten. Ein Relais wollte ich nicht nehmen eher ein Fet. könnt ihr mir dabei helfen bzw gibt es schon so etwas ähnliches.
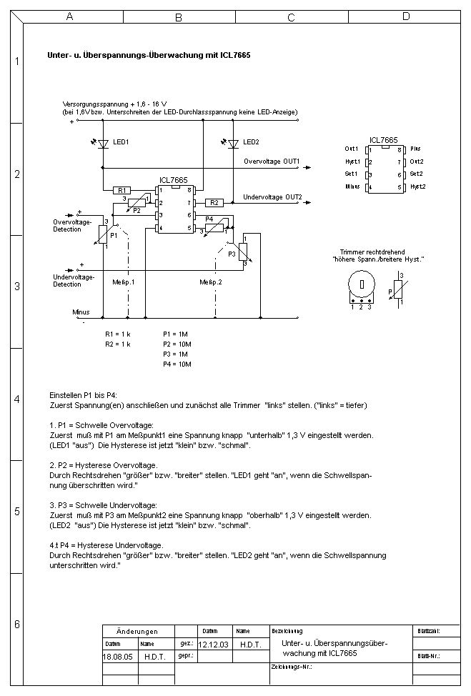
Schau doch mal ins Datenblatt des ICL7665, da sind auch Rechenbeispiele für Spannungsüberwachung mit Hysterese dabei.
wenn ich das so halbwegs richtig verstanden hab dann brauch Mann nicht mal viel beschalten die beiden Okt dann zusammen mit gen pull up wieder stand an den fest dran und fertig oder sehe ich das falsch.
Christoph schrieb: > > die beiden Okt dann zusammen mit gen pull up wieder stand an den fest > dran und fertig oder sehe ich das falsch. Keine Ahnung, was du mit dem Satz sagen willst :-) Was sind "die beiden Okt"? Was ist ein "gen"? "An den fest dran"??? Naja, egal, aber schau dir mal im Datenblatt das Bild 4 an: "Figure 4. Threshold Detector with Hysteresis" Davon brauchst du nur eine Hälfte (In/out1 oder In/out2). Die Berechnung der Widerstände steht mit im Abschnitt.
Hi gibts da auch noch alternativen die etwas billiger sind. So nen kleiner Käfer für 10 Euro ist doch etwas happig.
Gartenfreund schrieb: > Hi gibts da auch noch alternativen die etwas billiger sind. So nen > kleiner Käfer für 10 Euro ist doch etwas happig. Der ICL7665 kostet bei Reichelt 1,50€. Da dieser Baustein den Aufbau stark vereinfacht, lohnen sich diese 1,50 m.E. schon. Gruss Harald
Gut das sieht schon anders aus. Aber an Reichelt hatte ich garnicht mehr gedacht. bei pollin gibt's den garnicht hnd bei ebay für 10 Euro. Brauch ich da noch etwas anderes, was ich gleich mit bestellen könnte. ich währe auch sehr dankbar für einen guten Schaltplan.
Hallo ich hab mir jetzt ein paar von den dingern bestellt. könntet ihr mir evl helfen die widerstande zu berechnen. ich komm nicht ganz damit zurecht wegen spannungs ober und undergrenze
Hallo hab mir jetzt die Schaltung aufgebaut und sie scheint auch zu funktionieren. am Ausgang habe ich einen Fest irfz24n der wiederum ein Relais ansteuert. im Moment wo die Spannung kippt und der schaltzustand sich ändert dann flattert das Relais für gut ne Sekunde. wie kann ich dies verhindern so das dass Relais sauber schaltet. p danke für eure Hilfe. MfG
anbei der gewünschte Schaltplan. Die Firmware für den Mega 88V habe ich auch noch Gruss Klaus
Christoph schrieb: > im Moment wo die Spannung kippt und der schaltzustand sich ändert dann > flattert das Relais für gut ne Sekunde. > > wie kann ich dies verhindern so das dass Relais sauber schaltet. p Prinzipiell verhindert man das Flattern durch eine Hysterese. Das heißt, wenn das Relais beispielsweise bei 13,5V anzieht, muß dann die Spannung ein ganzes Stück weiter fallen, beispielsweise auf 13V, ehe das Relais wieder abfällt. Wenn der gleiche Spannungswert für Anziehen und Abfallen benutzt wird, dann flattert es genau bei diesem Wert. Die Hysterese bezeichnet man auch als Schaltdifferenz. Gruß Bernd
hi danke fur die schnellen antworten. an den programm hätte ich auch intresse. danke das relais schaltet bei 11,43 Volt ab und bei erreichen der Spannung von 12,85 wieder zu das ist auch genauso gewollt. aber in den Moment wo das relais abschaltet Summt/flattert es kurz bis es dann komplett weg ist. und beim einschalten das gleiche. wie ob die Spannung sich nicht einfach ein und ais schaltet sondern pulsartig mehr oder weniger wird. hab ich evl bei der ansteuerung des mosfet ein fehler drin das es von den kommt.
Christoph schrieb: > hab mir jetzt die Schaltung aufgebaut und sie scheint auch zu > funktionieren. > im Moment wo die Spannung kippt und der schaltzustand sich ändert dann > flattert das Relais für gut ne Sekunde. Was für einen Schaltplan hast Du denn verwendet? Gruss Harald
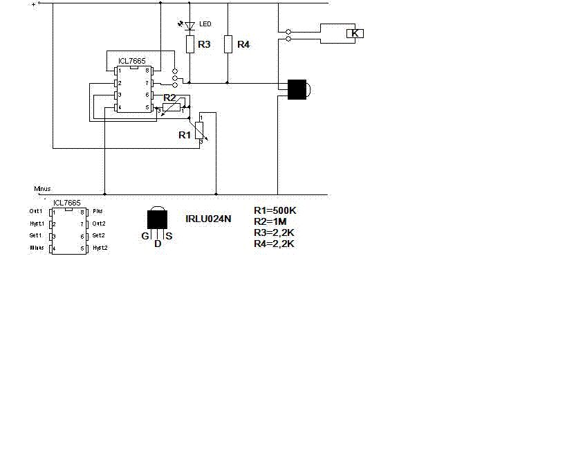
hallo ich habe das in etwa nach diesen Schaltplan gemacht. nur das ich 500k und 5m widerstande verwendet habe. und dann noch beide seiten parallel und der ausgang umsteckbar über Jumper. dann gehts auf das gate des mosfet was mit einen 2.2 k widerstand gegen plus geschaltet ist. hab leider kein Programm zum zeichnen für mein handy.
Gartenfreund schrieb: > nur das ich 500k und 5m widerstande verwendet habe. Die Widerstände hab ich jetzt nicht durchgerechnet, aber du schreibst: > und dann noch beide seiten parallel und der ausgang umsteckbar über Du hast beide Komparatoren parallel geschaltet? Ich hatte schon in einem früheren Post geschrieben in Bezug auf das IC: > Davon brauchst du nur eine Hälfte (In/out1 oder In/out2). > Die Berechnung der Widerstände steht mit im Abschnitt. Nimm mal nur einen Komparator, dann hört bestimmt das Flattern auf...
Hi ich habe jetzt mal eine seite weggelassen und das relais zeigt immernoch dieses verhalten. ich hab jetzt mal ein schaltplan gezeichnet. ich hoffe dieser ist verständlich.
> ich habe jetzt mal eine seite weggelassen und das relais zeigt immernoch > dieses verhalten. Du versuchst aber auch krampfhaft mit Gewalt es falsch zu machen... 2 mal unterschiedlich angesuerter HYST zu verbinden, wie behindert ist das denn. Man muss übrigens auch keine Potis nehme, man kann das ausrechnen, mit Grundschulmathematik Klasse 4.
Hallo wie soll ich das verstehen das HYST 2 mal unterschiedlich angesteuert wird. meiner Meinung nach hängen die beide zusammen da ist nix unterschiedlich. oder versteh ich da was falsch. die Potis sind deswegen verbaut damit man die schwellen einstellbar sind. ich Wüste nicht wie ich es ohne Potis einstellbar machen kann.
MaWin schrieb: >> ich habe jetzt mal eine seite weggelassen und das relais zeigt immernoch >> dieses verhalten. > > > Du versuchst aber auch krampfhaft mit Gewalt es falsch zu machen... > 2 mal unterschiedlich angesuerter HYST zu verbinden, wie behindert ist > das denn. MaWin, benimm dich, keine Sprüche über Behinderte.
Ich glaub' nicht, dass das der echte MaWin war... Die Hyst-Ausgänge werden durchaus identisch angesteuert - aber gerade deswegen muss man sie nicht parallel schalten - einer von beiden reicht doch völlig. Ich würde Pin 2 des ICL mal freischalten. Dass man die Spannungsteiler für die 1,3V-Schaltschwelle auch berechnen kann, stimmt natürlich - aber mit Potis müsste es trotzdem auch gehen. Standard-Fragen: Ein Kondensator über die Betriebsspannung nahe des IC ist vorhanden? Falls nicht, sind seltsame Effekte bei Umschaltvorgängen völlig normal. Wo ist die Freilaufdiode für das Relais? Wenn die fehlt, sind seltsame Effekte - äh, den Halbsatz hatten wir schon... Mal in Ruhe die Funktion aufgedröselt: Du zweigst über R1 einen Teil der Betriebsspannung ab. Wenn dieser Teil über 1,3V (Referenzzspannung des IC) liegt, dann soll das Relais schalten, bei unter 1,3V soll es wieder abfallen. Die Hysterese stellst du über R2 ein. Mittels Jumper kannst den FET an Out1 oder Out2 ankoppeln. Schön soweit. Bei über 1,3V an den Set-Eingängen schaltet Out1 gegen Masse durch, Out2 bleibt hochohmig. Bei unter 1,3V an Set ist's umgekehrt. Wenn du den Jumper auf Out1 setzt, dann wird bei ausreichend hoher Betriebsspannung und damit mehr als 1,3V am Set-Eingang das Gate des FET auf Masse gezogen. Dann geht somit die LED an, der Transistor schaltet ab und das Relais fällt ab. Das soll das Relais aber ja gerade nicht... Also muss der Jumper auf Out2. Dann wird bei ausreichend hoher Betriebsspannung Out2 hochohmig, über R4 bekommt das Gate des FET Betriebsspannung, der schaltet durch und das Relais zieht an. Bei zu niedriger Betriebsspannung schaltet Out2 gegen Masse, die (Warn)-LED geht an und das Relais fällt ab. Müsste passen. Wie gesagt, wenn ein Block-Kondensator und eine Freilaufdiode vorhanden sind...
Hi danke für die kompetente Antwort. ich hatte schonmal den Versuch gemacht in 1 und hyst 1 abzuklemmen passiert ist nichts bzw das gleiche wie vorher. eine freilaufdiode ist nicht eingezeichnet da das relais selber eine drin hat. habe aber auch eine direkt auf der Schaltung die ich vergessen habe einzuzeichnen. ich wollte beide seiten parallel betreiben damit ich über einen Jumper die Funktion umkehren kann. ein Kondensator für die Spannung hab ich nicht. in welcher Größenordnung sollze dieser sein.
Gartenfreund schrieb: > ich wollte beide seiten parallel betreiben damit ich über einen Jumper > die Funktion umkehren kann. Das kannst du ja auch machen, indem du beide Eingänge zusammenschaltest - aber trotzdem reicht es, nur einen Hyst-Ausgang anzuschließen. Die Größe des Kondensators hängt von der Stabilität der Betriebsspannung ab. Ein 100nF-Keramikkondensator möglichst nah am IC ist nie verkehrt; wenn die Betriebsspannung beim Anziehen des Relais kurz zusammenbricht (was das Klappern erklären würde), dann sollte auch noch ein Elko parallel. Die Größe müsstest Du ausprobieren. In diesem Fall kann auch ein Kondensator zwischen den Eingängen und Masse für Verlangsamung der ganzen Chose sorgen und damit die Sache stabilisieren. Probier' halt ein wenig herum, Ferndiagnosen an fremden Schaltungen, von denen nur Fragmente zu sehen sind, sind kaum möglich.
wenn du sonst wirklich alles richtig angeschlossen hast, (ich habe das nun nicht geprüft), msollte die Diode und ein 100uF Elko dein Problem beseitigen können. Gruss Klaus
Hi das die Batteriespannung zusammenbricht glaube ich nicht. inzwischen sind es 210Ah bleigel Akku. das relais zieht 44 mA sollte dementsprechend nicht soviel sein. mit den Kondensator werde ich auf jeden Fall ausprobieren. kann es daran liegen das der widerstand von gate nach plus zu klein ist und der icl 7665 Probleme hat die Spannung nach 0 zu ziehen.
Gartenfreund schrieb: > passiert ist nichts bzw das gleiche wie vorher. Wie hast Du denn die Hysterese eingestellt? Vielleicht ist sie einfach zu klein, dann flattert das. Hast Du schon mal an R2 gedreht? Ein niedrigerer Wert erhöht die Hysterese. Gruß Dietrich
Gartenfreund schrieb: > das die Batteriespannung zusammenbricht glaube ich nicht. inzwischen > sind es 210Ah bleigel Akku. > > das relais zieht 44 mA sollte dementsprechend nicht soviel sein. Das Relais zieht aber nicht alleine an, sondern schaltet normalerweise eine Last an - und die dürfte mehr ziehen als 44mA. Im Ursprungspost steht irgendwas von 30A, aber der Tiefentladeschutz müsse nur max. 5A schalten, es ist ziemlich nebulös, wie die Schaltungsumgebung wirklich aussieht.
Hallo Gartenfreund. > Hi gibts da auch noch alternativen die etwas billiger sind. So nen > kleiner Käfer für 10 Euro ist doch etwas happig. Wenn Du es wirklich günstig haben willst, nimm einen 555 als Schmidt-Trigger/2Punkt-Regler. Die Berechnung der Widerstände drumherum ist aber aufwändiger, und Du brauchst überhaupt mehr externe Bauteile. Siehe Anhang: 555-TwoPointRegulator_BuildingBlock_RevB_19Apr2011.png Noch weniger wäre mit 2 Transistoren als schmidtgetriggertes Flip-Flop ganz zu Fuß. Siehe Anhang:Schmidt-Trigger.png Mit freundlichem Gruß: Bernd Wiebus alias dl1eic http://www.dl0dg.de
Achtung, der NE555 hat keine Referenzspannung sondern bezieht seine Schaltpunkte auf die Versorgungsspannung (bzw. CTRL), die demnach ausreichend genau stabilisiert sein muss also nicht die schwankende Akkuspannung sein darf, auch schwanken die Schaltpunkte am NE555 um bis zu 30%, man muß also die Schaltschwellen mit Trimmpotis einstellen.
Hallo MaWin. > Achtung, der NE555 hat keine Referenzspannung > sondern bezieht seine Schaltpunkte auf die Versorgungsspannung > (bzw. CTRL), die demnach ausreichend genau stabilisiert sein muss > also nicht die schwankende Akkuspannung sein darf, > auch schwanken die Schaltpunkte am NE555 um bis zu 30%, Schon Richtig. > man muß also die Schaltschwellen mit Trimmpotis einstellen. Nicht wirklich. Mann kann auch den Spannungsteiler umlöten. Ich habe nicht umsonst dort 3 Widerstände eingesetzt. Mit der E12 Reihe ist es meist ausreichend für Akkuanwendungen. Und größere oder mittlere SMD Bauformen sind ja recht fix umgelötet. Die Schaltpunkte am NE555 differieren zwar von Charge zu Charge, aber am konkreten 555 beiben sie fest. Wenn die Schaltung einmal steht, ist die 555 Lösung recht stabil. Mit freundlichem Gruß: Bernd Wiebus alias dl1eic http://www.dl0dg.de
Das Preis-Problem stellt sich aber nur bei Stückzahlen, bei Einzelstücken ist der ICL7665 für 1,50€ sicher keine überdimensionale Kapitalanlage.
Bitte melde dich an um einen Beitrag zu schreiben. Anmeldung ist kostenlos und dauert nur eine Minute.
  
  Bestehender Account
  
  
  
  Schon ein Account bei Google/GoogleMail? Keine Anmeldung erforderlich!
Mit Google-Account einloggen
Mit Google-Account einloggen
  Noch kein Account? Hier anmelden.






