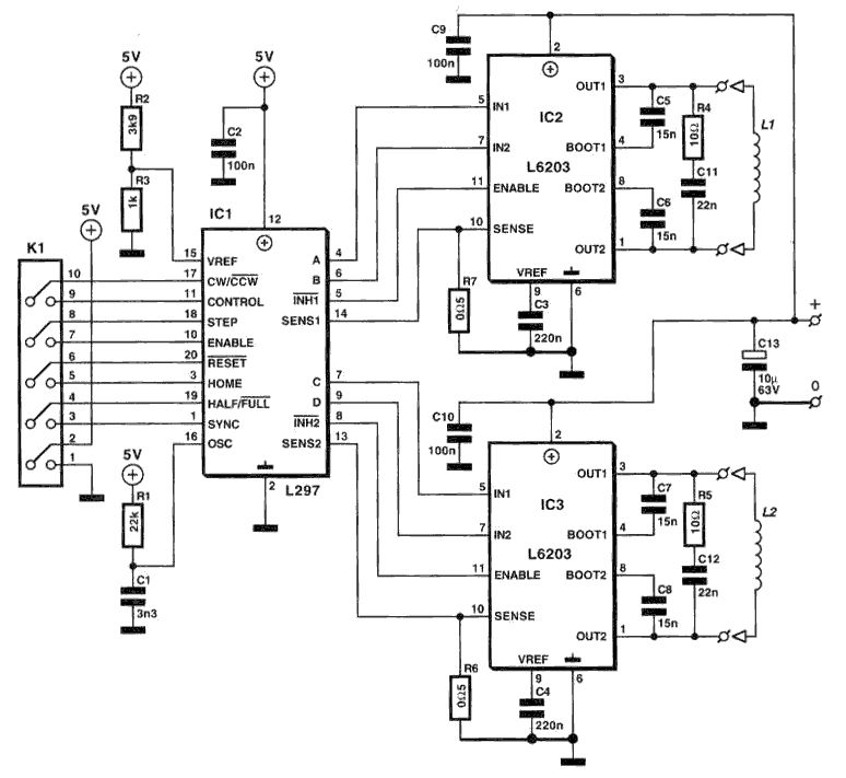
Hallo Forengemeinde, gestalte gerade ein Platinenlayout zur Schrittmotoransteuerung mit L297 + 2x L6203. Als Quellen dienen das Schalplanbeispiel aus dem Datenblatt (Anhang1) und ein fertiges Layout von folgender Website: http://www.majosoft.com/engraving/html/stepper_driver_board_with_l297_and_L6203.html (Vermutlich aus Elektor) (Anhang2). 1.) Ich weiß nun nicht sicher welche Kondensatortypen (Folie, Kerko,...) ich verwenden sollte. Ich liste nachfolgend alle Kondensatoren auf, sodass diese Liste einfach kopiert und dahinter der Typ geschrieben werden kann: L297: - Schwingkreis, Pin16, C=3,3nF: - VCC gegen Masse, Pin12, 100nF: L6203: - VCC gegen Masse, Pin2, 100nF: - Vref gegen Masse, Pin9, 220nF: - Snubberglied, zw. Out1/Out2, in Anhang2=22nF: - zw. Boot und Out, 15nF: - nur in Anhang2 vorhanden: zwischen 0 und +63V, C13=10uF: 2.) Zum letzten Kondensator habe ich eine weitere Frage: kann ich die 10uF auch bei niedrigerer Spannung verwenden? (z.b. 30V)? Woran dimensioniert sich diese Kapazität? 3.) Für die Sense- und Snubberwiderstände sollten induktionsarme Typen verwendet werden. Welche Widerstände sind dies im konkreten? Vielen Dank für jede Antwort im Voraus! Grüße
Hi, ich empfehle Keramik Cs. Die haben geringes L und sehr sehr niedrigen ESR. Bei den 10uF kannst Du auch einen LOW ESR Elko nehmen, besser wäre auch hier ein Kerko. Ist allerdings im Hobbybereich nicht so gebräuchlich wegen Beschaffbarkeit. Michael N. schrieb: > L297: > - Schwingkreis, Pin16, C=3,3nF: > - VCC gegen Masse, Pin12, 100nF: > > L6203: > - VCC gegen Masse, Pin2, 100nF: > - Vref gegen Masse, Pin9, 220nF: > - Snubberglied, zw. Out1/Out2, in Anhang2=22nF: > - zw. Boot und Out, 15nF: > > - nur in Anhang2 vorhanden: zwischen 0 und +63V, C13=10uF: > > > 2.) Zum letzten Kondensator habe ich eine weitere Frage: kann ich die > 10uF auch bei niedrigerer Spannung verwenden? (z.b. 30V)? Woran > dimensioniert sich diese Kapazität? Ja, das geht immer. Haste halt nur einen großen/teuren Kondi benutzt. Der 10uF dienst zur Spannungsstabilisierung, so dass man höhere Impulsströme ziehen kann, welche die Quelle meistens nicht hergibt. Damit wird die Spannung für die AnsteuerICs stabiler und bricht nicht bei jedem Schalten etwas ein. > 3.) Für die Sense- und Snubberwiderstände sollten induktionsarme Typen > verwendet werden. Welche Widerstände sind dies im konkreten? SMD Widerstände! Bei höheren Verlusten im Snubber auch mehrere parallel oder in Reihe. Wichtig sind hier vor allem auch gute Keramik Cs im Snubber. Wenns geht X7R vermeiden und COG nehmen. Gruß
Danke für deine Antwort! Kondi schrieb: >> 3.) Für die Sense- und Snubberwiderstände sollten induktionsarme Typen >> verwendet werden. Welche Widerstände sind dies im konkreten? > SMD Widerstände! Bei höheren Verlusten im Snubber auch mehrere parallel > oder in Reihe. Ich wollte die Boards (4 identische Stck) eigentlich nicht mit SMD-Teilen bestücken, da habe ich noch keine Erfahrung und würde den Zeitrahmen sprengen. Wenn ich also keine SMD-Widerstände nehme, welche sollte ich dann verwenden? Kohleschicht, Metallschicht, Metalloxyd? (evtl. in Reihenschaltung um die daran abfallende Leistung zw. 1-2 Watt aufnehmen zu können) Bei der Elektorplatine sieht es so aus als wäre ein Drahtwiderstand verwendet worden: http://www.majosoft.com/engraving/html/stepper_driver_board_with_l297_and_L6203.html Vielen Dank für jede Antwort.
Michael N. schrieb: > - nur in Anhang2 vorhanden: zwischen 0 und +63V, C13=10uF: Da hat man diese 10µF passenderweise schon C13 genannt :-) Sieh hier mal 2200-4700µF vor. Die Spannungsfestigkeit hängt von der Versorgungsspannung ab. Faktor 1,5 - 2 ist gut. > 3.) Für die Sense- und Snubberwiderstände sollten induktionsarme Typen > verwendet werden. Welche Widerstände sind dies im konkreten? Drahtwiderstände sind nicht gut geeignet. Nimm 1Ohm Widerstände mit 0,6W oder 1W und schalte entsprechend viele parallel.
Ok, danke für die Antwort. Unterscheiden sich Metallschicht, Metalloxyd oder kohleschicht Widerstände hinsichtlich ihrer induktiven Eigenschaften? Oder spielt das keine Rolle? Grüße
Ich werde nun für die Sense-Widerstände Metalloxidwiderstände verwenden, da diese nach meinen Recherchen nur geringe parasitäre Induktivität aufweisen und auch ziemlich belastbar sind. Da durch den Sensewiderstand maximal bis zu 4A fließen und ich im Maximum dort bei einer Sense-Spannung von (typischen) 0,5 Volt höchsten 2Watt verlieren möchte, möchte ich gerne einen Metalloxidwiderstand von 0,125 Ohm verwenden. Die Metalloxidwiderstände welche ich bei Reichelt gefunden habe, sind i.d.R. mit exakt 2W belastbar. (Schön wären natürlich zwei parallele Widerstände von 0,25 Ohm um jeden nur mit der Hälfte zu belasten.) Allerdings gibt es den kleinsten nur mit 1 Ohm ! Ich möchte nur ungern 8 Stück davon parallel pro halbe H-Brücke verbauen um auf 0,125 Ohm zu kommen...(16 Stck pro volle H-Brücke). Weiß jemand wo ich Metalloxidwiderstände mit 0,5 oder 0,25 oder 0,125 ... Ohm bekomme? Oder eine ganz andere induktionsarme Lösung ohne SMD verbauen zu müssen? Ein unglaublich großes Dankeschön bereits im Vorraus für jede Antwort! Einen schönen Sonntag ;-)
Michael N. schrieb: > Da durch den Sensewiderstand maximal bis zu 4A fließen und ich im > Maximum dort bei einer Sense-Spannung von (typischen) 0,5 Volt höchsten > 2Watt verlieren möchte, möchte ich gerne einen Metalloxidwiderstand von > 0,125 Ohm verwenden. Sei nicht so geizig beim Spannungsabfall! Deine 4A sind vermutlich schon sehr hoch gegriffen und die Hauptverluste treten eher im L6203 auf: Kühlkörper nicht vergessen. Deinen Schrittmotor kenne ich nicht, aber unter 12V Versorgungsspannung solltest Du garnicht anfangen - besser sind 24V. Die 'gewünschten' 4A fließen nur bei niedriger Schrittfrequenz, wobei der Spannungsabfall über Rsense nicht ins Gewicht fällt. Bei höheren Drehzahlen wirst Du den max. Strom überhaupt nicht mehr erreichen. Dann höre Dir den Schrittmotor auch einmal mit 4A Phasenstrom an, wie er die Schritte vor sich hin hämmert. Eine 1/4 oder 1/8 Schritt Ansteuerung könnte sinnvoller sein als den max. Phasenstrom zu schalten. Selber nehme ich immer Metalloxidwiderstände 1Ohm/1W - ein Stück/A, was sich gut im Kopf ausrechnen läßt. Beim L6203 sind es meistens drei Stück/Phase. > Oder eine ganz andere induktionsarme Lösung ohne SMD > verbauen zu müssen? Da es keine Präzisionsstrommessung sein muß, könntest Du auch den RDSon von MOSFETs nutzen. Beginne mit einem Probeaufbau und kläre ab, was Du tatsächlich brauchst.
Vielen Dank für deine Antwort M. N. M. N. schrieb: > Sei nicht so geizig beim Spannungsabfall! M. N. schrieb: > Selber nehme ich immer Metalloxidwiderstände 1Ohm/1W - ein Stück/A, was > sich gut im Kopf ausrechnen läßt. Beim L6203 sind es meistens drei > Stück/Phase. Ja, das sollte ich vielleicht sein. Ich hadere mit mir selbst. Schrittmotor mit 4A und 1,8V (als Beispiel) hätte pro Phase eine Leistungsaufnahme von ca. 8 Watt. Nehme ich wie du nun pro Phase für Rsense 4 mal 1 Ohm Widerstände parallel (=0,25Ohm) habe ich daran eine Leistung von:
(bzw. Spannungsabfall = 1V) Das heißt nochmal 50% der Motorleistung nur um die Werkstatt zu heizen! Mangels Erfahrung erscheint mir das als viel - oder ist es das nicht? Danke für deinen Input!
Michael N. schrieb: > Mangels Erfahrung erscheint mir das als viel - oder ist es das nicht? Das ist doch nur die halbe Rechnung! Die FETs des L6203 haben typische RDSon von 0,3 Ohm, sodaß in Reihe zum Motor nochmals 0,6 Ohm hinzukommen: (0,6 x 4)V x 4A = 9,6W. Leistungselektronik gibt es nicht zum Nulltarif. Die Kühlkörper hatte ich ja schon erwähnt :-)
M. N. schrieb: > Das ist doch nur die halbe Rechnung! Habe ich nicht vergessen aber alleine die Verluste im Rsense haben mich schon erschlagen :) In der gesamten Leistungsaufnahme für beide Phasen dürfte ich dann aber mit Motorleistung (@4A: 16 Watt) + Rsense-Verluste (@4A: 8W) + L6203-Verluste (@4A: 9,6W) = 35 Watt alles bedacht haben? Wie viel Sicherheitszugabe sollte das Netzteil bieten? Spielt die erstmalige Aufladung des von dir benannten 2200-4700µF Kondensators eine gewichtige Rolle? Noch einmal vielen Dank für alle Antworten.
Hallo Michael! > Weiß jemand wo ich Metalloxidwiderstände mit 0,5 oder 0,25 oder 0,125 > ... Ohm bekomme? Oder eine ganz andere induktionsarme Lösung ohne SMD > verbauen zu müssen? Meinst Du sowas hier: http://www.mechapro.de/shop/Bauteile/Passive-Bauteile/Widerstand-0-47R-2W::66.html Die 10µF sind zum Stützen der Versorgungsspannung deutlich zu wenig. Ich haben in meinen Schaltungen mit L6203 jedem IC 100µF spendiert. Damit laufen einige Tausend Schaltungen im Feld problemlos. Zum Thema Leistungsbetrachtung: http://www.schrittmotor-blog.de/?tag=leistung Du hast bei deinem Motor die gesamte mechanisch abgegebene Leistung vergessen und nur die elektrischen Verluste in der Wicklung gerechnet. Mit freundlichen Grüßen Thorsten Ostermann
Bitte melde dich an um einen Beitrag zu schreiben. Anmeldung ist kostenlos und dauert nur eine Minute.
Bestehender Account
Schon ein Account bei Google/GoogleMail? Keine Anmeldung erforderlich!
Mit Google-Account einloggen
Mit Google-Account einloggen
Noch kein Account? Hier anmelden.

