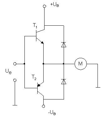
Hallo alle miteinander, ich habe eine Frage bezüglich dieser Halbbrückenschaltung. Angenommen an Ue liegt ein Rechtecksignal mit +/-5V an. Solange das Signal im positiven Bereich ist, fließt der Strom von +UB über einen Transistor und den Motor zu GND. Der Motor dreht rechts rum. Jetzt ist die Spannung im negativen Bereich. Der Transistor T2 schaltet. Wo kommt jetzt der Strom her? Eigentlich müsste er aus GND kommen damit der Motor links rum dreht. Aber ist das überhaupt möglich? Eigentlich doch nicht? Und welche Rolle spielen jetzt die Dioden?
konrad M. schrieb: > Aber ist das überhaupt möglich? Nein. Für beide Richtungen bräuchte man entweder eine Vollbrücke, oder man müsste die rechte Seite des Motors auf Vcc/2 hängen (unpraktikabel). Die Halbbrücke wird auch 2-Quadranten-Steller genannt, da hier ein aktiver Freilauf möglich ist.
konrad M. schrieb: > Jetzt ist die Spannung im negativen Bereich. Der Transistor T2 schaltet. > Wo kommt jetzt der Strom her? Eigentlich müsste er aus GND kommen damit > der Motor links rum dreht. Aber ist das überhaupt möglich? > Eigentlich doch nicht? Warum sollte das nicht möglich sein? Den Elektronen ist das doch egal, wie du deine Anschlüsse nennst. Sie fliessen vom positiveren zum negativeren Potential(*). Und wenn das bei dir von einem Anschluss namens GND zu einem anderen Anschluss namens -Ub (man beachte das Minus im Namen) ist, dann ist das eben so. GND ist nichts irgendwie spezielles. Es ist einfach nur ein Potential. Wenn du 2 AA Batterien + an - aneinanderlegst, dann kannst du die 3 Anschlüsse nennen wie du willst oBBBBBBBBo-oBBBBBBBBo 0V 1.5V 3V oder oBBBBBBBBo-oBBBBBBBBo -1,5V 0V 1.5V oder oBBBBBBBBo-oBBBBBBBBo -3V -1.5V 0V oder oBBBBBBBBo-oBBBBBBBBo 280V 281.5V 283V Den Elektronen ist das egal. Das einzige was die interessiert, ist die Differenz von einem Anschluss zum nächsten von jeweils 1.5V (*) technischer Stromrichtung. In der Realität fliessen sie genau anders rum. Da das aber nur eine Definitionssache ist und ansonsten alles symetrisch ist, bleibt man auch weiterhin dabei, dass der Strom von + nach - fliesst.
Hi >Nein. Für beide Richtungen bräuchte man entweder eine Vollbrücke, oder >man müsste die rechte Seite des Motors auf Vcc/2 hängen (unpraktikabel). Unsinn. Wenn -Ub negativer als GND ist, was hier ja wohl der Fall ist, fließt der Strom von GND über den Motor nach -Ub und der Motor dreht anders herum. MfG Spess
Karl Heinz Buchegger schrieb: > konrad M. schrieb: > >> Jetzt ist die Spannung im negativen Bereich. Der Transistor T2 schaltet. >> Wo kommt jetzt der Strom her? Eigentlich müsste er aus GND kommen damit >> der Motor links rum dreht. Aber ist das überhaupt möglich? >> Eigentlich doch nicht? > > Warum sollte das nicht möglich sein? > Den Elektronen ist das doch egal, wie du deine Anschlüsse nennst. Sie > fliessen vom positiveren zum negativeren Potential. Und wenn das bei dir > von einem Anschluss namens GND zu einem anderen Anschluss namens -Ub > (man beachte das Minus im Namen) ist, dann ist das eben so. Am GND liegt aber keine Positive Spannung an. Heißt das, wenn das Signal positiv ist, fließen von +Ub 5V zu GND und wenn das Signal negativ ist fließen -5V zu GND? Also kehrt sich damit auch die Fließrichtung des Stromes um? Wozu braucht man nun die Dioden?
konrad M. schrieb: > Solange das Signal im positiven Bereich ist, fließt der Strom von +UB > über einen Transistor und den Motor zu GND. Der Motor dreht rechts rum. > Klar. > Jetzt ist die Spannung im negativen Bereich. Der Transistor T2 schaltet. > Wo kommt jetzt der Strom her? Eigentlich müsste er aus GND kommen damit > der Motor links rum dreht. Tut er. >Aber ist das überhaupt möglich? Ja, warum denn nicht? > Eigentlich doch nicht? Fast jede Audioendstufe arbeitet so. GND hat jetzt bezogen auf -UB positives Potential. Der Strom fliesst von GND über T2 zu -UB. > Und welche Rolle spielen jetzt die Dioden? Beim Umschalten sind in dieser Schaltung, ohne Ruhestrom, für eine kurze Zeit beide Transistoren sperrend. Die Nutzlast hat induktive Anteile. Über die Dioden wird deshalb die Spannungsspitze während der Sperrphase abgeleitet. Sonst würden die Transistoren zerstört. Gruss Klaus.
konrad M. schrieb: > Karl Heinz Buchegger schrieb: >> konrad M. schrieb: >> >>> Jetzt ist die Spannung im negativen Bereich. Der Transistor T2 schaltet. >>> Wo kommt jetzt der Strom her? Eigentlich müsste er aus GND kommen damit >>> der Motor links rum dreht. Aber ist das überhaupt möglich? >>> Eigentlich doch nicht? >> >> Warum sollte das nicht möglich sein? >> Den Elektronen ist das doch egal, wie du deine Anschlüsse nennst. Sie >> fliessen vom positiveren zum negativeren Potential. Und wenn das bei dir >> von einem Anschluss namens GND zu einem anderen Anschluss namens -Ub >> (man beachte das Minus im Namen) ist, dann ist das eben so. > > Am GND liegt aber keine Positive Spannung an. In Bezug auf -Ub schon. (Hast du meine nachträglich ergänzte Batteriebetrachtung über die Bezeichnungen weiter oben nicht gesehen?) > Wozu braucht man nun die Dioden? So ein Motor ist zuallererst mal eine Spule. Wenn man einer Spule den Strom kappt, macht sie was?
Vielen dank euch allen! Das hat mir sehr geholfen :). Das mit den Batterien habe ich gerade erst gesehen. Wurde glaube ich nach editiert. Ich habe erst gedacht die Dioden wären direkt für die Funktion der Schaltung wichtig und nicht "nur" zum Schutz.
Bitte melde dich an um einen Beitrag zu schreiben. Anmeldung ist kostenlos und dauert nur eine Minute.
Bestehender Account
Schon ein Account bei Google/GoogleMail? Keine Anmeldung erforderlich!
Mit Google-Account einloggen
Mit Google-Account einloggen
Noch kein Account? Hier anmelden.
