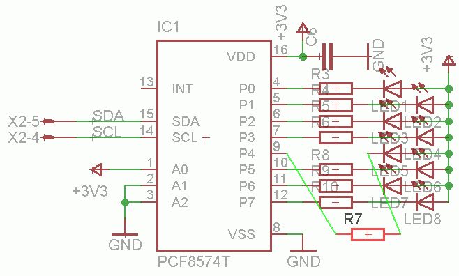
Ich habe es eigentlich noch nie erlebt, dass in einem in Eagle gezeichneten Stromlaufplan die Verbindungen in der Layoutansicht fehlen. Es sei denn mann zeichnet etwas übereinander. Jetzt habe ich so einen Fehler: im Bild 1 ist ein Ausschnitt eines simplen Stromlaufplans, in Bild 2 die Luftlinien nach der Plazierung: zwischen den Widerständen und dem PCF8574 fehlen etliche Ratsnest. Beim ersten Widerstand ist alles ok, bei den nächsten fehlen die Verbindungen. Wo liegt der Fehler?
Lad am besten mal Deine Dateien hier hoch. PS: Verschieb mal den IC - bleiben die Signale daran hängen?
Vielen Dank, das war der entscheidende Tipp: habe die IC verschoben, die Wire waren warum auch immer nicht angebunden. Bild 3. Dann zurückschnappen lassen, das IC nochmal angefasst und schon hingen die Leitungen dran. Bild 4. Merkwürdig. Nutze eigentlich das Default-Raster.
Jep, das passiert bei mir (Eagle v5) auch manchmal, trotz korrektem Raster.
Holler schrieb: > Merkwürdig. Das ist nicht merkwürdig und liegt auch nicht am Raster. Die Macke hat EAGLE schon seit gefühlten Ewigkeiten und mehreren Versionen.
Ausserdem legt man keine Pins direkt aufeinander, das zeugt von schlechtem Stil und ist, wie schon richtig erkannt, recht fehlerträchtig ;-)
Holler schrieb: > Ich habe es eigentlich noch nie erlebt, dass in einem in Eagle > gezeichneten Stromlaufplan die Verbindungen in der Layoutansicht fehlen. RTFM ERC
Das passiert beim Kopieren und Einfügen von Bauteilen. Dort, wo man eingefügte bauteile absetzt, gehen die Enden von Netzen und Pins keine Verbindung mit dort langlaufenden Leiterbahnen ein. Das KANN ein Vor- aber auch nachteil sein.
Stimmt, das erklärt das Verhalten. Ich habe die 12 LEDs mit Vorwiderständen nicht alle einzeln zeichen wollen, sonder nur die ersten zwei. Anschliessend kopiert. Die ersten beiden waren von Anfang an angebunden, bei den Kopien gabs das Problem.
> bei den Kopien gabs das Problem.
Und deshalb nach solchen Aktionen einfach das IC anfassen und wieder
fallenlassen. Damit werden die durchs Kopieren nur übereinanderliegenden
Pins/Wires auch verbunden.
Beim ERC gibt das auch eine Warning. Es wäre aber durchaus hilfreich,
wenn Eagle "offene" Leitungen/Pins mit einem kleinen X markieren
könnte... Dann würde das schneller auffallen.
Bitte melde dich an um einen Beitrag zu schreiben. Anmeldung ist kostenlos und dauert nur eine Minute.
Bestehender Account
Schon ein Account bei Google/GoogleMail? Keine Anmeldung erforderlich!
Mit Google-Account einloggen
Mit Google-Account einloggen
Noch kein Account? Hier anmelden.



