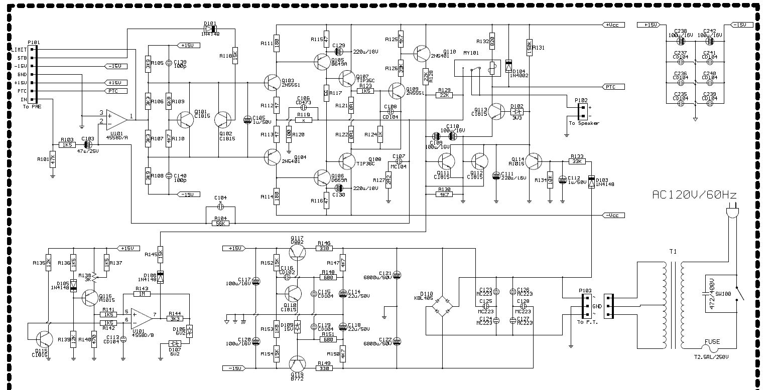
Hallo, ich habe auch ein Problem mit dem Verstärker meines aktiven Subwoofers. Die Standby Schaltung funktioniert nicht mehr richtig. Nachdem ich ihn am Netzschalter einschalte ist er Betriebsbereit. Laut Betriebsanleitung sollte er sich aber nach 15min ausschalten, dass tut er nicht. Leider habe ich für meinen HECO VICTA SUB 25A keinen Schaltplan. Die Schaltung ist ähnlich wie bei dem Verstärker in einem anderen Beitrag, wo ich diesen Schaltplan rauskopiert habe. Kann mir jmd die Funktion der Transitoren Q109 und Q110 erklären? Vielleicht komme ich dann selber drauf. :-) Wenn ich bei meinen Verstärker mit dem Multimeter am Kollektor von Q109 gegen GND die Spannung messe schaltet er in Standby. Gruß Stephan
Q109 ist eine Überstromschutzschaltung. Wenn über den Endstufen-Emitterwiderständen zuviel Spannung liegt (Überstrom) leitet Q109 und steuert Q110 durch. Q111 leitet und sperrt Q113 - Relais fällt ab. Du solltest also eher überprüfen, ob am STB Eingang (D101,R118) eine Abschaltspannung erscheint, bzw. ob das Gerät in Stand-by geht, wenn du da eine Spannung einspeist. Muss nicht viel sein (2-3Volt), es reicht, wenn Q102 zu leiten anfängt.
Ok, dass hört sich sehr plausibel an. Der Q102 schließt dann praktisch das Eingangssignal "Kurz"?! Und der Woofer ist still. Fällt dann bei dieser Schaltung das Relais irgendwann ab?
Stef schrieb: > Fällt dann bei > dieser Schaltung das Relais irgendwann ab? Gute Frage - so wie ich die Schaltung lese, bleibt das Relais angezogen. Es wird zwar vorne stummgeschaltet (und evtl. die DC Verhältnisse ein wenig geändert), aber ich kann mir nicht vorstellen, das die Jungs die Überstromsicherung ausnutzen, um das Relais abfallen zu lassen. Keine Schaltung auf diesem Schaltplan ist eine Time-Out Erkennung. Das STB Signal dafür muss also von extern über P101 kommen.
Bitte melde dich an um einen Beitrag zu schreiben. Anmeldung ist kostenlos und dauert nur eine Minute.
Bestehender Account
Schon ein Account bei Google/GoogleMail? Keine Anmeldung erforderlich!
Mit Google-Account einloggen
Mit Google-Account einloggen
Noch kein Account? Hier anmelden.
