Hallo, Habe von BUSCH ein ein Experimentierkasten, mit dem sich angeblich eine Telefonmithörschaltung bauen ließe. Aufgebaut und die Spule an der Telefonleitung angebracht. Nichts zu hören. Aber wenig Teit später kam ein MW Signal. Jetzt meine Frage: (Wo) kann ich in die Schaltung nachträglich ein Drehko einbauen, sodass ich die Frequenz bzw. den Sender ändern kann? Vielen Dank für eure Antworten.
Simon schrieb: > Aufgebaut und die Spule an der > Telefonleitung angebracht. Nichts zu hören. Wundert mich nicht. Die Teile gehen davon aus, dass Du die am Telefon platzierst. Da war früher üblicherweise ein Übertrager drin, dessen Magnetfeld konnte man damit anzapfen. Früher heisst, das klappt bei heutigen Telefonen schonmal gar nicht. Simon schrieb: > kann ich in die Schaltung > nachträglich ein Drehko einbauen, sodass ich die Frequenz bzw. den > Sender ändern kann? Die Gleichrichtung erfolgt hier an der BE-Strecke von T1. Das ist suboptimal. Allerdings kannst Du die Spule und den 10µ-Kondensator weglassen und an dieser Stelle einen Detektorempfänger einfügen: Antennenspule auf Ferritkern oder als Luftspule, Drehko und Germanium-Diode. Von Basis T1 zu (-) sollte dann noch ein Kondensator 2-10nF. Such mal nach Detektorempfänger, und dann such Dir eine Schaltung aus, die Du mit Deinen vorhandenen Teilen realisieren kannst.
Das ist ein zweistufiger NF-Verstärker mit einer Fangspule. Diese wird natürlich nicht an die Leitung angebracht, sondern am Telefon in der Nähe des Telefonübertragers. Damit kann dann eine zweite Person laut mithören. Mit Abhören hat das nix zu tun. Starke MW-Sender werden mit der Spule auch eingefangen und an den Halbleiterbauelementen (Transistoren) demoduliert.
Simon schrieb: > Hallo, > Habe von BUSCH ein ein Experimentierkasten, mit dem sich angeblich eine > Telefonmithörschaltung bauen ließe. Aufgebaut und die Spule an der > Telefonleitung angebracht. Das ist halt schon falsch. Diese Spule musst Du an einem (aelteren) Telefon anbringen, das noch einen induktiven Übertrager (kleiner Audio-Trafo) hat. Dieser Trafo erzeugt ein Streufeld das die Telefonspule induziert und in dessen Wicklung eine kleine Audiospannung erzeugt, die dann mit den beiden Transistoren verstärkt wird. > Nichts zu hören. Aber wenig Teit später kam > ein MW Signal. Woher weisst Du das, dass es MW ist? Öfter ist es hierbei ein KW-Sender, der mit guter Feldstärke reinkommt und dazu ist auch die Länge des Kabels eher ein wenig besser angepasst. Die AM dieses HF-Signal wird mit dem ersten Transistor demoduliert, gleichzeitig auch noch verstaerkt und dies zusaetzliche mit dem zweiten Transistor. Dies ist ein altbekannter Nebeneffekt von asymmetrischen Mikrophonverstärkern mit langen Mikrophonleitungen. Abhilfe: Direkt vor der Basis von T1 ein kleiner Widerstand von etwa 1 bis max. 10 k-Ohm und von der T1-Basis nach GND ein Keramik-Kondi von maximal 1nF. Man muss da etwas "spielen" um zu verhindern, dass man sicher keine unerwünschte Schwingungen erzeugt. Jetzt habe ich soeben bemerkt, dass während ich schreibe bereits andere schneller waren. Naja, vielleicht bringt das auch noch was... :-) Gruss Thomas
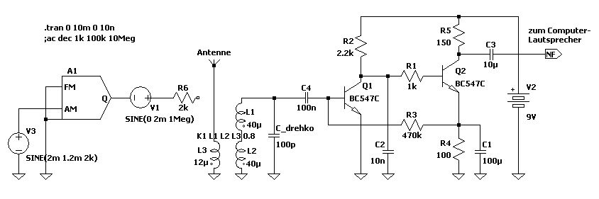
Wenn ich alles richtig verstanden habe denke ich so wie bei Bild? Sorry, statt pf natürlich nf...
Timm Thaler schrieb: > Wundert mich nicht. Die Teile gehen davon aus, dass Du die am Telefon > platzierst. Da war früher üblicherweise ein Übertrager drin, dessen > Magnetfeld konnte man damit anzapfen. > Früher heisst, das klappt bei heutigen Telefonen schonmal gar nicht. Man kann sich auch induktiv an die Telefonleitung ankoppeln. Das funktioniert wie bei einem Zangen-Amperemeter. Die hierbei induzierte Sprechwechselspannung fällt bei dieser Anwendung eher gering aus und muss entsprechend verstärkt werden. Manche Abhörwanzen machen von diesem Prinzip Gebrauch, da die Entdeckungsgefahr gegen Null tendiert.
Hallo Simon Gibt es genauere Daten zu der Spule? Induktivität, Windungszahl, Foto o.ä.? Der Kopfhörer/Lautsprecher, gibts dazu näheres? Ich hab die Schaltung leicht modifiziert, damit sie AM besser demodulieren kann. Mal sehen, wie das bei Dir spielt.
Ok, ich habs gefunden: ---------------------- L1 hat 34 windungen, L2 hat 61 Windungen und L3 hat 6 Windungen auf einem Ferritstab. Damit kann man die MW-Ferritantenne grob abschätzen. Die MW-Antenne wird Seite 90 beschrieben: http://www2.produktinfo.conrad.com/datenblaetter/175000-199999/190013-an-01-de-Exp_System_4000_7000_Band_1.pdf
für nen mw am empfänger würd ich nen tca440/a244d nehmen. ein solcher empfänger steht hier auf dem tisch. hab den mal spaßeshalber gebaut. hier ne einfache aber getestete schaltung für nen mw empfänger. die transis sollten wirklich "a" typen sein!!! die dioden sind ge oder schottkydioden. durch die lose ankopplung an den schwingkreis 2 ....5 wdg. ist die trennschärfe ausreichend gut. als antenne dient ne ferritantenne 200mm mit mw wicklung + 330 .... 500pf drehko --->schwingkreis. die demodulation erledigen die beiden dioden.
B e r n d W. schrieb: > Ich hab die Schaltung leicht modifiziert, damit sie AM besser > demodulieren kann. Mal sehen, wie das bei Dir spielt. dolf schrieb: > hier ne einfache aber getestete schaltung für nen mw empfänger. > die transis sollten wirklich "a" typen sein!!! > die dioden sind ge oder schottkydioden. > durch die lose ankopplung an den schwingkreis 2 ....5 wdg. ist die > trennschärfe ausreichend gut. > als antenne dient ne ferritantenne 200mm mit mw wicklung + 330 .... > 500pf drehko --->schwingkreis. > die demodulation erledigen die beiden dioden. Okay... werde eure Scahltungen mal nachbauen .Vielen Dank...
dolf schrieb: > > hier ne einfache aber getestete schaltung für nen mw empfänger. Ein Widerstand parr. zu C3 ist empfehlenswert, denn sonst könnte es sein dass nichts zu hören ist weil sich c3 auf die Spitze des AM Signals auflädt. Kurt
Kurt Bindl schrieb: > Ein Widerstand parr. zu C3 ist empfehlenswert, denn sonst könnte es sein > dass nichts zu hören ist weil sich c3 auf die Spitze des AM Signals > auflädt. tja da nach der schaltung n poti folgt .... ist das gegeben. hab nur den hf teil /demodulator gezeichnet. war zu faul für den rest.
Die Schaltung könnte evtl. auch als Reflexempfänger angeordnet werden. Da aber die Transistoren die Phase um 360° drehen, muss nach dem Demodulator ein sorgfältig dimensioniertes HF-Filter folgen, sonst schwingts.
dolf schrieb: > Kurt Bindl schrieb: >> Ein Widerstand parr. zu C3 ist empfehlenswert, denn sonst könnte es sein >> dass nichts zu hören ist weil sich c3 auf die Spitze des AM Signals >> auflädt. > > tja da nach der schaltung n poti folgt .... > ist das gegeben. > hab nur den hf teil /demodulator gezeichnet. > war zu faul für den rest. Ja gut, das könnte aber den "Erfolg" zunichte machen. Kurt
ein mw-radio würde ich mit TA7642 aufbauen, siehe anhang dieser 3-beinige ic im transistorgehäuse hat eine entdämpfung (->höhere sendertrennschärfe), einen demodulator und eine automatische verstärkungsregelung (hilft gegen leiser und lauter werden des senders) schon eingebaut. alternativ würde ich ein audion (rückkopplungsempfänger) bauen, das geht schon mit einem transistor und ist sehr trennscharf. man kann damit auch morsezeichen und funkdienste in ssb empfangen.
flo schrieb: > dieser 3-beinige ic im transistorgehäuse hat eine entdämpfung (->höhere > sendertrennschärfe), einen demodulator und eine automatische > verstärkungsregelung (hilft gegen leiser und lauter werden des senders) > schon eingebaut. der ic TA7642 scheint aber schon länger abgekündigt zu sein. der onlineshop von funkamateur.de hat den aber noch für 2,50teuro im angebot. den von mir bevorzugten a244d gibt´s dort für erträgliche 4,40teuro beide ic sind sofort lieferbar.
dolf schrieb: > der ic TA7642 scheint aber schon länger abgekündigt zu sein. den gibts auch noch bei mysoundcon@web.de, drei stück für 4€ oder so. das oben gezeigte minimalradio mit dem ic ist auf jeden fall cool!
dolf schrieb: > hier ne einfache aber getestete schaltung für nen mw empfänger. > die transis sollten wirklich "a" typen sein!!! > die dioden sind ge oder schottkydioden. > durch die lose ankopplung an den schwingkreis 2 ....5 wdg. ist die > trennschärfe ausreichend gut. > als antenne dient ne ferritantenne 200mm mit mw wicklung + 330 .... > 500pf drehko --->schwingkreis. > die demodulation erledigen die beiden dioden. Hallo dolf: Würde gerne deine Schaltung nachbauen. Ich verstehe aber den übergang vn den 2Wind. zu den 5Wind. nicht. Und wie dich muss der Ferritstab sein? Oder verstehe ich was falsch?
Hallo Simon
Erst wickelst Du ein Papier um den Ferritstab. Dann kommt die linke
Wicklung drauf mit ca. 100 Wdg. Die Drahtenden oben und unten werden mit
einem Klebestreifen oder Isolierband fixiert. Dann kommt die
Sekundärwicklung auf das Isolierband drauf und zwar am "kalten" Ende.
Kaltes Ende bedeutet: Die Seite beim GND-Anschluss.
> den Übergang von den 2Wind. zu den 5Wind. nicht
Dies bedeutet: Du musst ausprobieren, ob es mit 2, 3, 4 oder 5 Windungen
am Besten funktioniert. Wenn Du zuerst 5 Windungen draufmachst, kannst
Du nachher 1-2 Windungen runterwickeln, evtl. wird der Empfang dann
lauter oder trennschärfer.
Simon schrieb: > Hallo dolf: > Würde gerne deine Schaltung nachbauen. Ich verstehe aber den übergang vn > den 2Wind. zu den 5Wind. nicht. Und wie dich muss der Ferritstab sein? > Oder verstehe ich was falsch? der ferritstab muß ne mw kreiswicklung haben (85 ...100 wdg. auf spulenträger-->wicklung ist auf stab verschiebbar. drehko zwischen 330pf und 500pf. ankoppelwicklung zur schaltung zwischen zwei und fünf wdg. . da hilft nur probieren. bedenke aber das die senderdichte und eventuell die sendeleistung auf mw damals ne andere war. mein super mit tca440 bringt auch heutzutage noch sehr gute ergebnisse. die doppelte schwundregelung (eingangsstufe und zf) ist recht wirksam. ist schade das dieser ic nicht mehr hergestellt wird. man kann damit ne menge sachen anstellen. das wurde auch gemacht...
B e r n d W. schrieb: > Dies bedeutet: Du musst ausprobieren, ob es mit 2, 3, 4 oder 5 Windungen > am Besten funktioniert. Wenn Du zuerst 5 Windungen draufmachst, kannst > Du nachher 1-2 Windungen runterwickeln, evtl. wird der Empfang dann > lauter oder trennschärfer. korrekt. der ferritstab sollte so lang wie möglich sein. ich nutz nen 200mm langen ferritstab.
Bitte melde dich an um einen Beitrag zu schreiben. Anmeldung ist kostenlos und dauert nur eine Minute.
Bestehender Account
Schon ein Account bei Google/GoogleMail? Keine Anmeldung erforderlich!
Mit Google-Account einloggen
Mit Google-Account einloggen
Noch kein Account? Hier anmelden.




