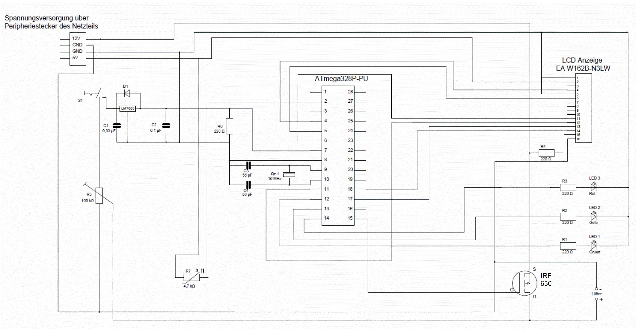
Guten Tag, ich habe ein Problem und zwar muss ich eine Lüftersteuerung entwickeln die sowohl über Handbetrieb (Poti) sowie Automatikbetrieb (Mikrocontroller ATMEGA328P-PU) funktionieren soll im Automatikbetrieb soll zusätzlich die Temperatur im LCD angezeigt werden. Jetzt habe ich die Schaltung soweit fertig gebaut (siehe Lueftersteuerung.gif) Programmiert habe ich den Mikrocontroller über das Arduino UNO Board bzw. habe ich den Mikrocontroller nach dem Programmieren vom Arduino Board entfernt und in meine Schaltung eingebaut. Jetzt ist das Problem dass die Schaltung nicht funktioniert und ich den Fehler nicht entdecken kann. Die Lüfter starten sobald Spannung an der Schaltung anliegt egal ob jetzt Handbetrieb oder Automatikbetrieb ausgewählt wurde. Liegt es schon am Aufbau dass die Schaltung nicht funktioniert? Oder ist das Programm nicht richtig bzw. die Verdrahtung am Mikrocontroller? Ich hoffe mir kann irgendjemand helfen, da ich das Projekt bis zum 11.06.13 fertig haben muss. Vielen Dank schon einmal im Voraus.
Dein FET hängt zwischen 12V und 12V das kann so nix werden. Wenn Source auf 12V liegt wird die interne Bodydiode leitend und dein Lüfter bekommt fast die vollen 12V ab. Source muss auf GND und die Last, also der Lüfter, zwischen 12V und Drain.
max96 schrieb: > Dein FET hängt zwischen 12V und 12V das kann so nix werden. Wenn Source > auf 12V liegt wird die interne Bodydiode leitend und dein Lüfter bekommt > fast die vollen 12V ab. Source muss auf GND und die Last, also der > Lüfter, zwischen 12V und Drain. Okay, danke das werde ich mal machen. Ich hoffe dass es dann besser funktioniert.
Hi, den FET musst du natürlich umsetzten, wie im Post vor mir beschrieben. Allerdings finde ich dein Konzept etwas seltsam, wie schaltest du zum Beispiel von Automatik in manuell betrieb um? Nur so als Anregung, wäre es nicht besser, das Poti auch mit dem AtMega auszuwerten, und dann damit den Lüfter zu steuern, weil steuern tut der AtMega ja eh im Automatik betrieb. Du brauchst dann nur noch einen Knopf (es gibt auch Potis mit Druckfunktion), um zwischen den zwei Modi umzuschalten. Als Zusatz könntest du dann z.b. auch gleich auf dem LCD die Temperatur und den Poti-wert ausgeben.
Zumal du deinen NTC so nicht auswerten kannst. Da musst du einen Spannungsteiler für einplanen.
Marcus schrieb: > Hi, > den FET musst du natürlich umsetzten, wie im Post vor mir beschrieben. > Allerdings finde ich dein Konzept etwas seltsam, wie schaltest du zum > Beispiel von Automatik in manuell betrieb um? > > Nur so als Anregung, wäre es nicht besser, das Poti auch mit dem AtMega > auszuwerten, und dann damit den Lüfter zu steuern, weil steuern tut der > AtMega ja eh im Automatik betrieb. Du brauchst dann nur noch einen Knopf > (es gibt auch Potis mit Druckfunktion), um zwischen den zwei Modi > umzuschalten. Als Zusatz könntest du dann z.b. auch gleich auf dem LCD > die Temperatur und den Poti-wert ausgeben. Es ist ein Schalter mit zwei Ausgängen ich schalte 12V entweder über den LM7805 zum Mikrocontroller oder mit der anderen Einstellung über das Poti. Den MOSFET muss ich noch umzeichnen aber der IRF630 ist selbstsperrend oder?
Bananen Joe schrieb: > Zumal du deinen NTC so nicht auswerten kannst. Da musst du einen > Spannungsteiler für einplanen. Wie meinst du das? Und was für einen Spannungsteiler bräuchte ich da? Hab mir das alles etwas einfacher vorgestellt :(
> Jetzt ist das Problem dass die Schaltung nicht funktioniert > und ich den Fehler nicht entdecken kann. Es ist so ziemlich ALLES falsch. Ich frage mich, wie man auf so eine vollkommen falsche Schaltung kommen kann. So einen Unfug kann man nirgendwo abzeichnen, und sich auch nicht ausdenken. MOSFET: Schwachsinn Poti R5: Schwachsinn NTC R7: Schwachsinn R6: überflüssig D1: überflüssig Spannungsregler: Humbug LDC ohne VEE anzuschliessen zur Kontrastreglung "alles bei dem ich nicht weiss was es ist lass ich einfach weg": Funktioniert nicht. Als MOSFET müsste man zumindest einen LogicLevel Typen verwenden damit man ihn direkt vom uC aus ansteuern kann, und ihn natürlich richtig anschliessen. Ein Poti welches den Lüfter direkt bedient müsste eher 220 Ohm/mehrere Watt haben, also 100k. Ein NTC liefert so keine messbare Spannung sondern immer 5V, er müsste zumindest Bestandteil eines Spannungsteilers sein. 5V zu regeln, dann aber für das Dispaly 5V vom Stromversorgungsanschluss zu nehmen ist offensichtlich Unsinn, dann kann auch der uC aus den 5V versorgt werden und der Spannugnsregler entfallen. So erübrigt sich auch R6 und D2 die sogar bei vorhandenem Spannungsregler Schwachsinn sind. Bloss was macht man jetzt ? Dir fehlt es dermassen an Grundlagen, dir ist nicht mal mit einem richtigen Schaltplan geholfen. +12V --------------------------------+-------+ | | +5V --+----+----+------+------+---+ | Lüfter | | | | | | | | | 10kNTC 10k +-----+ | 220 +--|<|--+ BA157 | | | | | | | | | +----(---|A/D |-->LCD wie | | | | | | gehabt | 10kPoti--(----(---|A/D | aber VEE | | | | | | an 10k Poti | | 10k +---|PIN | | | | | | |-----------------|I IRLML2502/IRLZ34 | | | | | |S | | o | uC |--220--|>|--+ | | | \ | | LEDs | | | | S1 o +-----+ | | | | | | | | GND --+----+----+------+---------------+-----+ So würde man das aufbauen, der Schalter schaltet nicht direkt um, sondern befielt dem uC ob er eine Temperaturregelung macht oder dem Poto folgt, das auch nicht den Lüfter direkt bremst, sondern per A/D vom uC erfasst wird und der daraufhin die PWM des MOSFETs zur Lüfterregelung verwendet. Und ja. 100nF zwischen VCC und GND vom uC.
Na so wie das jetzt ist, wird immer +5V am Pin 2 anliegen. Du musst den
PTC noch mit einem Festwiderstand in Reihe schalten.
GND------PTC-----+-----R------+5V
|
Pin 2
Musst dir nur noch Gedanken über die Größe von R machen, bzw. welchen
Bereich dein Analogsignal haben soll.
EDIT: man hab ich lange gebraucht zum Schreiben. Und dann auch noch PTC
statt NTC. Einfach ignorieren oder umdenken.
Das war zwar echt hart zu lesen aber danke für die Infos. Warum man jetzt einen so fertig machen muss weiß nicht aber egal. Irgendwo muss der Frust ja hin. Trotzdem danke und ich werde wohl mal umdisponieren und die Schaltung neu aufbauen.
An W. schrieb: > Das war zwar echt hart zu lesen aber danke für die Infos. Warum man > jetzt einen so fertig machen mus weiß nicht aber egal. Die meisten hier wissen es. Denn das Problem ist: Wenn du etwas machen willst, dann musst du es erst mal lernen! Wir alle mussten das. Wir alle haben viel Zeit investiert um die Dinge von der Pieke auf zu lernen. Wir wissen schon, dass das das alles seine Zeit braucht und kein Meister vom Himmel gefallen ist. Und genau deshalb sind wir immer wieder erstaunt darüber, das Leute die ganz offensichtlich keinen Schimmer haben, sich an Dinge wagen, die weit über ihrem Horizont des momentan machbaren sind. Versteh mich nicht falsch - wir helfen gerne hier im Forum. Aber ein gewisser Grundstock muss da sein. Wenn ich von Heizungsbau keine Ahnung habe, dann geh ich zum Installatuer oder Heizungsbauer. Denn der hat Ahnung und muss auch von etwas leben. Davon, dass er Leuten die Arbeit unentgeltlich bei 0 beginnend in einem Forum macht, davon kommen keine Brötchen auf den Tisch. Das er mal Tips gibt, wie man einen Brenner einstellt, das ist schon ok. Aber davon sprechen wir hier in deinem Fall nicht.
Error, Error, Error zu viele Fehler auf engstem Raum. Vielleicht schaust Du noch ein zweites Mal hin. Solltest Du das Ding bereits eingeschaltet haben, schau Dich doch gleich mal nach einem Ersatz für den ATMega um. Die Teile stehen nicht so auf 12V Netto.
Bitte melde dich an um einen Beitrag zu schreiben. Anmeldung ist kostenlos und dauert nur eine Minute.
Bestehender Account
Schon ein Account bei Google/GoogleMail? Keine Anmeldung erforderlich!
Mit Google-Account einloggen
Mit Google-Account einloggen
Noch kein Account? Hier anmelden.

