Hallo freunde, leider habe ich nach studenlangem googlen nichts gefunden
üver dieses thema, von daher frage ich mal hier...
es geht um die grenzen des gleichtaktes bei einer SINGLE ENDED
differenzstufe
mit p-MOS Eingang und N-Mos Stromspiegellast...
nun soll ich die Grenzen des Eingangs-gleichtakt-spannungs-bereiches
berechnen, damit alle TRANSISTOREN in Sättigung arbeiten..
ICh Verstehe die Lösung beim besten willen nicht
die Lösung sieht vor:
UDS,p = UG,eff
UGS,p= UGeff + Uth,p Wie kommt man auf diese beiden gleichungen??
Danach berechnet die Lösung:
obere Grenze :
UGS(Eingangstransistor) + UDS(Stromquellentrans) woher kommt das?
Uein,max = UDD - (UG,eff + Uth,p) -UG,eff Woher kommt das??
Gleiches gilt für die untere Grenze:
Uein,min = UDS(Lasttransistor) + UGD(Eingangstransistor)
= UDS (Lasttransistor) + UGS(Eingangstrans) + UDS(Eingangstrans)
=UG,eff +Uth,n + (UG,eff +Uth,p)+ UG,eff
ich hoffe mir kann einer von euch lieben helfen, vielen dank schon mal
gruss
Zeichne die Spannungen doch mal in ein vereinfactes Schaltbild ein.
Siebzehn oder Fuenfzehn schrieb: > Zeichne die Spannungen doch mal in ein vereinfactes Schaltbild > ein. vielen dank mein freund, meinst du das kleinsignal- ESB?
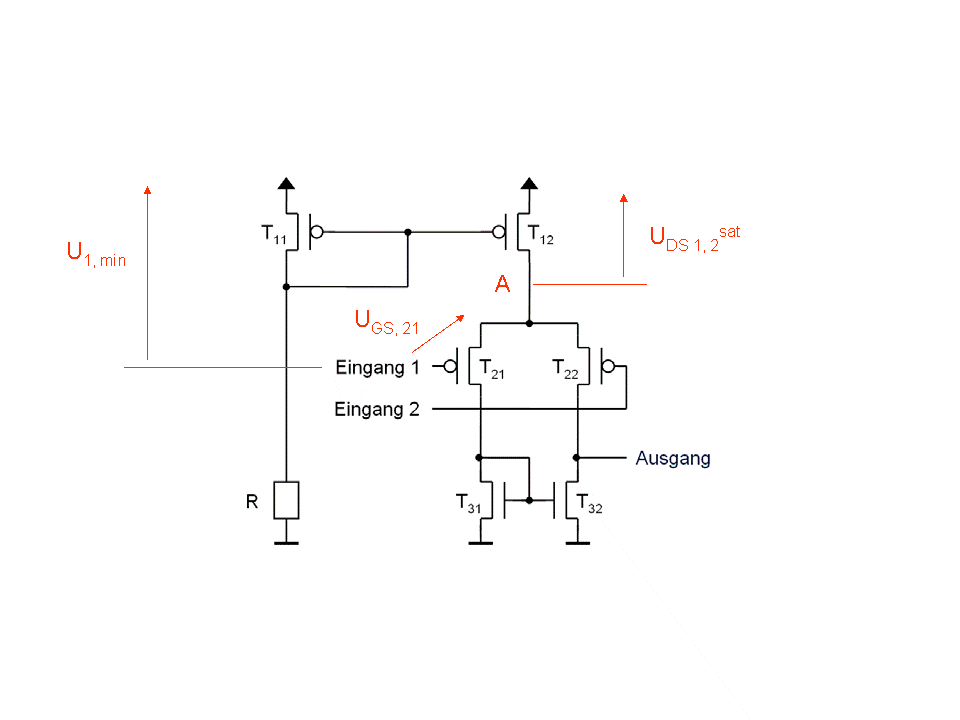
klar, ich hoffe, es ist kein großer aufwand, ich wusste nicht, wie ich es sonst hochladen sollte und habe es einfach auf zippysharel las PDF hochgeladen: http://www13.zippyshare.com/v/71568828/file.html davon ist es die aufgabe 2 gruss
hokkk schrieb: > UDS,p = UG,eff > UGS,p= UGeff + Uth,p Wie kommt man auf diese beiden gleichungen?? > > Danach berechnet die Lösung: > > obere Grenze : > UGS(Eingangstransistor) + UDS(Stromquellentrans) woher kommt das? > Uein,max = UDD - (UG,eff + Uth,p) -UG,eff Woher kommt das?? ACHTUNG Ich rechne im Folgenden auch für PMOS immer mit positiven Werten für UGS und UDS und beziehe mich auf Vdd, da mich das Rechnen mit negativen Spannungen nervt. Also gedanklich um 180° drehen, dann hat man wieder NMOS ;-) MOSFETs haben eine "Sättigungsspannung"
Siehe: http://commons.wikimedia.org/wiki/File:MOSFET-Kennlinie.svg Da in T12 ein ganz bestimmter Strom fließt, ist UGS(12) vorgegeben (Stromspiegel). Damit ist auch die minimal mögliche Spannung UDS(12) gegeben:
So: wenn nun die Spannung am Eingang 1 kleiner wird (also mehr Richtung Vdd), muss der Punkt A um den gleichen Betrag kleiner werden, da ja UGS(21) wegen des vorgegebenen Stroms vorgegeben ist. Da der Punkt A aber nicht unter die Sättigungsspannung gehen darf, hat man die Bedingung:
D.h.
Nun kann man das wieder auf Masse beziehen, aber da ich nicht weiß, ob ihr die Spannungen UGS und/oder Vth negativ oder positiv rechnet, lasse ich das dir über ;-) Das gleiche gilt natürlich für Eingang 2. Ich hoffe, ich konnte dir das rüberbringen...
Bitte melde dich an um einen Beitrag zu schreiben. Anmeldung ist kostenlos und dauert nur eine Minute.
Bestehender Account
Schon ein Account bei Google/GoogleMail? Keine Anmeldung erforderlich!
Mit Google-Account einloggen
Mit Google-Account einloggen
Noch kein Account? Hier anmelden.
