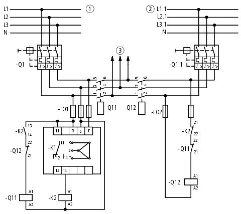
Hallo, mich würde interessieren wie man einen automatischen Netzumschalter realisiert. Also Quasi einen Gebäudeteil über Notstrom speisen kann ohne dafür extra Steckdosen vorzusehen. Dazu habe ich mal nach 'automatischer Netzumschalter' gegoogelt und das gefunden: Umschalteinrichtung nach DIN VDE 0108 – Starkstromanlagen und Sicherheitsstromversorgung in baulichen Anlagen für Menschenansammlungen Automatische Rückschaltung, der Phasenwächter ist eingestellt auf: Ansprechspannung Uan = 0,95 × Un Rückfallspannung Ub = 0,85 × Uan Erklärung zum Bild: Wirkungsweise Zuerst wird Hauptschalter Q1, dann Hauptschalter Q1.1 (Hilfsnetz) eingeschaltet. Der Phasenwächter K1 erhält über das Hauptnetz Spannung und schaltet sofort Hilfsschütz K2 ein. Öffner K2/21–22 sperrt den Stromkreis. Schütz Q12 (Hilfsnetz) und Schließer K2/13–14 schließt den Stromkreis Q11. Schütz Q11 zieht an und schaltet das Hauptnetz an den Verbraucher. Schütz Q12 wird zusätzlich über Öffner Q11/22–21 gegen das Hauptnetzschütz Q11 verriegelt. Meint ihr das funktioniert so? Es wäre irgendwie Fatal wenn das Ding ein Stromaggregat und das öffentliche Stromnetz unkontrolliert parallel schaltet :-) Die Originalquelle dieses Aufbaus sieht zwar aus wie von Möller - jedoch finde ich die URL karsten23.ka.funpic.de nicht vertrauenswürdig... Vielen Dank Quelle: http://karsten23.ka.funpic.de/elektro/schaltungsbuch%20moeller/motor079.html
Stephan B. schrieb: > Es wäre irgendwie Fatal wenn das Ding ein Stromaggregat und das > öffentliche Stromnetz unkontrolliert parallel schaltet :-) Erzeugt das Aggregat dann Benzin, welches in den Tank zurückgedrückt wird? :-)) Gruss Harald
Hab zum Thema noch ein bisschen was gefunden:
1 | DIN VDE 0100-551 Niederspannungs-Stromerzeugungsanlagen fordert, |
2 | |
3 | ... dass die Anlagenteile erforderlichenfalls automatisch abzuschalten sind, wenn das |
4 | Leistungsvermögen der Stromerzeugungsanlage überschritten wird. |
5 | |
6 | ... dass ein Parallelbetrieb zum öffentlichen Netz nicht möglich ist, z. B. durch den |
7 | Einsatz eines |
8 | Dreistellungsumschalters |
9 | (I-0-II). |
10 | |
11 | ... dass im TN-S-System der Neutralleiter der Verbraucheranlage mit umgeschaltet |
12 | werden muss, z.B. durch den Einsatz eines |
13 | 4-poligen |
14 | Schalters. |
15 | |
16 | ... dass der Schutz durch automatische Abschaltung der Stromversorgung nicht von |
17 | der Erdung des Systems der öffentlichen Stromversorgung abhängig sein darf. Ein |
18 | geeigneter Erder |
19 | muss vorgesehen werden. |
20 | Deshalb müssen die abgehenden Stromkreise als TN-S-System ausgeführt werden |
21 | mit RCD. Der vorgelagerte Netzumschalter ist schutzisoliert zu |
22 | kapseln (Schutzklasse II) |
1 | In der Richtlinie für Planung, Errichtung und Betrieb von Anlagen mit |
2 | Notstromaggregaten wird gefordert: |
3 | |
4 | Schaltung ohne Kurzzeitparallelbetrieb: Bei der Umschaltung der Kunden- |
5 | anlage vom VNB-Netz auf das Notstromaggregat muss eine zwangsläufige allpolige |
6 | Trennung, d.h. der Außenleiter (L1, L2, L3) und des Neutralleiters (N) vom VNB- |
7 | Netz erfolgen. Die Umschalteinrichtung muss eine Stellung zwischen der Schaltung |
8 | VNB-Netz/Notstromaggregat besitzen, in der die zu versorgende Installationsanlage |
9 | sowohl vom VNB-Netz als auch vom Notstromaggregat getrennt ist. |
10 | |
11 | Schaltung und Schaltgeräte: Die Umschalteinrichtung ist auch im TN-System grundsätzlich |
12 | allpolig, d.h. 4-polig auszuführen, da es bei einer 3-poligen Umschaltung zu |
13 | einer nicht gewollten Stromflussverzweigung über die PEN-Leiter-Klemme kommt. |
14 | |
15 | Schutz gegen elektrischen Schlag: Es ist DIN VDE 0100-551 zu beachten und |
16 | sicherzustellen, dass auch nach dem Umschalten auf das Notstromaggregat eine |
17 | vom VNB-Netz unabhängige Schutzmaßnahme bei indirektem Berühren und die |
18 | Spannungsbegrenzung bei Erdschluss eines Außenleiters nach DIN VDE 0100-410 |
19 | gewährleistet ist. |
20 | |
21 | Prüfung und Inbetriebnahme: In dem Inbetriebsetzungsantrag ist vom |
22 | „Eingetragenen Elektroinstallateur“ zu bestätigen, dass er die neue Ersatzstromversorgungs- |
23 | Anlage nach den geltenden Vorschriften, Normen und Bestimmungen |
24 | sowie nach dieser Richtlinie ausgeführt und geprüft hat. |
25 | |
26 | Mobile Notstromaggregate müssen über einen geerdeten Sternpunkt verfügen. |
Quelle: http://www.hensel-electric.de/media/downloads/de/produktinformationen/mi/04-1-Mi-Netzumschaltergehaeuse.pdf (PDF im Anhang) Somit verstößt obige Zeichnung schon mal gegen die Richtlinie für Planung, Errichtung und Betrieb von Anlagen mit Notstromaggregaten, da hier nicht all-polig umgeschaltet wird. (N-Leiter)
Die Quelle ist das Schaltungsbuch von Moeller, dort ist die Zeichnung zu finden. Kap. 8, Seite 102 (Ausgabe 2011). Die Zeichnung beschreibt eine Netzumschaltung, keine Notstromumschaltung, also würde ich nicht sagen sie verstößt... Sie ist halt nur für diesen Zweck nicht vorgesehen. Wenn anstatt Q1 und Q2 ein 4-poliger Schütz verwendet wird wäre zumindest schon mal dieser Punkt erfüllt. Die weiteren Anforderungen müssen aber auch umgesetzt werden. Das Schaltungsbuch kann frei heruntergeladen werden.
Sehr interessantes Thema - sowas interessiert mich auch. Leider hab ich nur fertiges im Internet gefunden. BSP: Siemens Sentron ATC5300
Stephan B. schrieb: > > Meint ihr das funktioniert so? Die technische Ablaufsteuerung derartiger Umschaltungen ist etwas komplexer, da reicht das reine Spannungsüberwqachungsrelais nicht aus.. Du hast aber etwas Wesentliches vergessen: Der N Leiter muss auch geschaltet werden (zusätzlich zu den 3 aktiven Leitern) -- zumindest verlangen das die allermeisten EVU so, nachzulesne in deren technischen Anschlussbedingen (TAB)
Harald Wilhelms schrieb: > Stephan B. schrieb: > >> Es wäre irgendwie Fatal wenn das Ding ein Stromaggregat und das >> öffentliche Stromnetz unkontrolliert parallel schaltet :-) > > Erzeugt das Aggregat dann Benzin, welches in den Tank zurückgedrückt > wird? :-)) > Gruss > Harald Hallo Harald, Das ist gar nicht so neu. Wenn ich bergab fahre, steigt der Benzinstand stets ein wenig. :-))) Gruss Thomas
@ Andrew Taylor Das weiß er schon ^^ Stephan B. schrieb: > Somit verstößt obige Zeichnung schon mal gegen die Richtlinie für > Planung, Errichtung und Betrieb von Anlagen mit > Notstromaggregaten, da hier nicht all-polig umgeschaltet wird. > (N-Leiter)
Mal eine Frage zu den Schützen (Schaltbilder). Was ist denn der Unterschied zwischen Schütz Q1 bzw Q1.1 und Q11 bzw Q12? Vielen Dank
Stephan B. schrieb: > Was ist denn der Unterschied zwischen Schütz Q1 bzw Q1.1 und Q11 bzw > Q12? Q1 und Q1.1 sind Leitungsschutzschalter mit FI, also keine Schütze. Q11 und Q12 sind Leistungsschütze mit Hilfskontakten.
Guest schrieb: > Stephan B. schrieb: >> Was ist denn der Unterschied zwischen Schütz Q1 bzw Q1.1 und Q11 bzw >> Q12? > > Q1 und Q1.1 sind Leitungsschutzschalter mit FI, also keine Schütze. > Q11 und Q12 sind Leistungsschütze mit Hilfskontakten. Q1 und Q1.1 sind Motorschutzschalter die haben nichts mit FI zu tun. Das I>> steht für Überstrom das andere für thermische Auslösung
Harald Wilhelms schrieb: >> öffentliche Stromnetz unkontrolliert parallel schaltet :-) > > Erzeugt das Aggregat dann Benzin, welches in den Tank zurückgedrückt > wird? :-)) Ja, aber die zur Rückverwandlung nötigen Abgase kann der öffentliche Stromnetz-Strom nicht liefern. Die muss man dann notfalls im DIY-Verfahren aus Stoffwechselendprodukten gewinnen.
Bitte melde dich an um einen Beitrag zu schreiben. Anmeldung ist kostenlos und dauert nur eine Minute.
Bestehender Account
Schon ein Account bei Google/GoogleMail? Keine Anmeldung erforderlich!
Mit Google-Account einloggen
Mit Google-Account einloggen
Noch kein Account? Hier anmelden.
