Hallo, ich habe folgende Schaltung aufgebaut die soweit auch wie gewünscht funktioniert. Jetzt ist es so, dass ich parallel eine Reedkontakt angeschloßen habe um den Step-up Converter der dahinter hängt alternativ über den Reedkontakt zuschalten. Aber jetzt verhält sich der Reedkontakt als würde er in eine Selbsthaltung übergehen d.h. halte ich einen Magneten daneben dann wird dauerhaft durchgeschaltet. Weiß einer wie das Zustande kommen kann? Normalerweise sollte es doch so funktionieren das im Ruhezustand der Reedkontakt geöffnet ist kommt ein Magnetfeld in die Nähe schließt diese und wieder umgekehrt.
Max schrieb: > ...Reedkontakt dauerhaft an... > Weiß einer wie das Zustande kommen kann? Vielleicht ist ihm der Strom zu hoch und er verschweisst? Gruss Harald
Normalerweise sind Reed Kontakte nicht geeignet um hohe Ströme zu schalten. Möglicherweise reicht Magnetfeld aus, welches sich um den Leiter bildet, zur Selbsthaltung des Kontaktes aus. Öffnet der Kontakt, wenn keine Last anliegt?
Harald Wilhelms schrieb: > Max schrieb: > >> ...Reedkontakt dauerhaft an... >> Weiß einer wie das Zustande kommen kann? > > Vielleicht ist ihm der Strom zu hoch und er verschweisst? > Gruss > Harald das denke ich nicht da Guest schrieb: > Normalerweise sind Reed Kontakte nicht geeignet um hohe Ströme zu > schalten. > Möglicherweise reicht Magnetfeld aus, welches sich um den Leiter bildet, > zur Selbsthaltung des Kontaktes aus. > Öffnet der Kontakt, wenn keine Last anliegt? nein er öffnet nicht bzw. nur wenn ich mehrmals mit dem Magneten dran gehe. die Schaltlast müsste er doch schaffen max. 8,4V bei 0.4 A.?
laut Datenblatt kann der Reedkontakt max. 10W schalten das müsste ja für meine Anwendung ausreichen. oder? Habe jetzt festgestellt das er sich wiefolgt verhält: Magnet dran = Reedkontakt dauerhaft an Versorgungsspannung weg = Reedkontakt immer noch Durchgang nach ca. 5-6 sek dann hochohmig.
Ist der Magnet vielleicht zu stark, dass er das Kontaktmaterial magnetisieren kann? Versuch mal anstelle eines Neodym einen "Kühlschrank"-Magnet.
> Jetzt ist es so, dass ich parallel eine Reedkontakt > angeschloßen habe um den Step-up Converter der dahinter hängt > alternativ über den Reedkontakt zuschalten. Und was ist mit dem Einschaltstrom durch den Kondensator am Schaltregler? Der dürfte zuverlässig den erlaubten Schaltstrom des Reed-Kontaktes überschreiten... Oder Du hast bei verarbeiten des Reed-Kontaktes die Anschlüsse mechanisch beschädigt, so dass die Gasfüllung im Glasröhrchen nicht mehr stimmt und der Kontakt deswegen klebt. Oder die Spule vom Schaltregler sorgt mit ihrem Magnetfeld, dass der Kontakt nur zögerlich öffnet.
Hochsommerhasser schrieb: > so dass die Gasfüllung im Glasröhrchen nicht mehr > stimmt und der Kontakt deswegen klebt. Was hat die Gasfüllung mit den Schalteigenschaften zu tun?
@ Max (Gast) >> Vielleicht ist ihm der Strom zu hoch und er verschweisst? >das denke ich nicht da Ich schon. Deine Schaltung hat Kondensatoren, die sind ungeladen ein Kurzschluss, der Pulsstrom verschweißt die Kontakte. >die Schaltlast müsste er doch schaffen max. 8,4V bei 0.4 A.? Nein. Siehe oben. Schalte clever. Siehe Anhang. Damit schaltet der Reedkontakt nur den Spannungsteiler und nicht die interne Versorgung und hält ewig.
Kenne einen Meder-Mitarbeiter: Dein Kontakt ist kaputt, durch zu hohen
Strom. Es hat sich auf der einen Zunge ein "Hügel", auf der anderen eine
"Mulde" im mikroskopischen Bereich gebildet. Der wirkt wie ein
Druckknopf, darum öffnen die Zungen nicht sofort. Die
Oberflächenbeschichtung an der Stelle ist kaputt, evtl. tritt auch Gold
an die Oberfläche, das wirkt dann wie ein Kleber.
> Was hat die Gasfüllung mit den Schalteigenschaften zu tun?
Die Gasfüllung beeinflusst u.a. das Funken-Löschverhalten, was wiederum
die Oberfläche der Kontakte beeinflusst.
Um es kurz zu machen: Dein Kontakt ist durch Überstrom kaputt, wegen dem
Kondensator vom Schaltnetzteil.
Falk Brunner schrieb: > Hmm, es geht noch einfacher! Siehe Anhang! habe deinen Vorschlag umgesetz jedoch ist es jetzt so ,dass der Reedkontakt zwar nicht kaputt geht/veschweißt. Aber die Schaltung bleibt weiterhin an auch wenn der Reedkontakt mit dem Magnetfeld nicht mehr geschloßen wird, da jetzt die Schaltung aktiviert wird und in Selbshaltung geht, sodass der Reedkontakt keinen Einfluß mehr auf das Ausschalten hat. Gibst noch ne Möglichkeit sicher über den Reedkontakt zuschalten/auszuschalten jedoch so das auch über den Taster an X1 X2 alternativ möglich ist. Danke an alle für die rege Beteiligung!
1.Ein Reedkontakt ist selten für hohen DC-Strom geeignet. 2.Alternativ: Ein dickes Relais in Selbsthalteschaltung fällt auch ab, wenn die Spannung weg ist.
oszi40 schrieb: > 1.Ein Reedkontakt ist selten für hohen DC-Strom geeignet. > > 2.Alternativ: Ein dickes Relais in Selbsthalteschaltung fällt auch ab, > wenn die Spannung weg ist. leider ist ein Relais keine Alternative da der Schaltvorgang definitiv durch einen Magneten ausgelöst wird. wenn ich parallel den Reedkontakt zwischen X1 & X2 anschließe dann kann ich zwar ein und ausschalten jedoch muss für den Ausschaltvorgang ein zweites mal der Magnet dran gehalten werden. Hat einer eine Idee wie ich das ganze so modifiziere, dass nur wenn ein Magnetfeld nah am Reedkontakt vorhanden ist geschaltet wird und sonst nicht.
@ Max (Gast) >habe deinen Vorschlag umgesetz jedoch ist es jetzt so ,dass der >Reedkontakt zwar nicht kaputt geht/veschweißt. Aber die Schaltung bleibt >weiterhin an auch wenn der Reedkontakt mit dem Magnetfeld nicht mehr >geschloßen wird, da jetzt die Schaltung aktiviert wird und in >Selbshaltung geht, sodass der Reedkontakt keinen Einfluß mehr auf das >Ausschalten hat. Hallo? Ist das nicht der Sinn der Sache? >Gibst noch ne Möglichkeit sicher über den Reedkontakt >zuschalten/auszuschalten jedoch so das auch über den Taster an X1 X2 >alternativ möglich ist. Beschreibe man GENAU, was due WIE schalten willst? Mit dem Reedkontakte geschlossen -> Ein, Redd offen aus? Dazu braucht man keine Selbsthaltung! Enntfernen Q1, R1 und R3 und es funktioniert so.
Zur Erinnerung: maximaler Schaltstrom dieses Reedkontakts lt. DB=0,5A! Sobald ein Elko ins Spiel kommt wird er wohl öfter kleben.
Falk Brunner schrieb: > @ Max (Gast) > >>habe deinen Vorschlag umgesetz jedoch ist es jetzt so ,dass der >>Reedkontakt zwar nicht kaputt geht/veschweißt. Aber die Schaltung bleibt >>weiterhin an auch wenn der Reedkontakt mit dem Magnetfeld nicht mehr >>geschloßen wird, da jetzt die Schaltung aktiviert wird und in >>Selbshaltung geht, sodass der Reedkontakt keinen Einfluß mehr auf das >>Ausschalten hat. > > Hallo? Ist das nicht der Sinn der Sache? > >>Gibst noch ne Möglichkeit sicher über den Reedkontakt >>zuschalten/auszuschalten jedoch so das auch über den Taster an X1 X2 >>alternativ möglich ist. > > Beschreibe man GENAU, was due WIE schalten willst? Mit dem Reedkontakte > geschlossen -> Ein, Redd offen aus? Dazu braucht man keine > Selbsthaltung! Enntfernen Q1, R1 und R3 und es funktioniert so. also die Schaltung bestehend aus R4,R5,Q1,Q2,R6,C1,R1 und R3 funktioniert seperat d.h an den Anschlüßen X1 & X2 ist ein Taster angeschloßen. Wird der Taster betätigt so wird der nachfolgende Step-up eingeschaltet. Wird der Taster zum zweiten mal betätigt so wird der nachfolgende Step-up Konverter ausgeschaltet. Dieses Funktioniert einwandfrei. Jetzt ist es so, dass das Gerät in einem bestimmten Fall von einem Mangnet umgeben ist wo der Anwender jedoch nicht durch den Taster die Schaltung aktivieren kann. Daher sollte es durch den Reedkontakt "automatisch" geschehen also Magnetfeld vorhanden Schaltung an Magnetfeld nicht vorhanden Schaltung aus. Ich hoffe man kann es einigermaßen nachvollziehen... ist ein Teil von einem komplexen System.
> Wird der Taster betätigt so wird der nachfolgende Step-up > eingeschaltet. Wird der Taster zum zweiten mal betätigt so wird der > nachfolgende Step-up Konverter ausgeschaltet. Und > also Magnetfeld vorhanden Schaltung an Magnetfeld nicht vorhanden > Schaltung aus. .. ja was denn nun?
Versuche es doch mal zum Test mit einem größeren. Das ist ja wirklich ein Miniding.
Max schrieb: > Ich hoffe man kann es einigermaßen nachvollziehen... ist ein Teil von > einem komplexen System. Ja. Du erwartest von der gleichen Schaltung 2 verschiedene Verhaltensweisen, das geht nicht. Du brauchst 2 Schaltungen, die voneinander entkoppelt sind.
Michael_ schrieb: > Versuche es doch mal zum Test mit einem größeren. Das ist ja > wirklich > ein Miniding. hab ich schon ist der selbe Effekt. Peter Dannegger schrieb: > Max schrieb: >> Ich hoffe man kann es einigermaßen nachvollziehen... ist ein Teil von >> einem komplexen System. > > Ja. > Du erwartest von der gleichen Schaltung 2 verschiedene Verhaltensweisen, > das geht nicht. > Du brauchst 2 Schaltungen, die voneinander entkoppelt sind. ja der Reedkontakt ist in diesem Fall dominant. oder kann ich den Zustand der Reedkontaktes über eine Pin vom µC abfragen und dann die kontakte X1 und X2 brücken. Aber wie mache in das über den µC mit einem Optokoppler oder geht es auch ohne?
Schreibe doch mal ganz konkret hin, welche Funktion du genau willst. So wie ich es jetzt verstanden habe, soll folgende Funktion implementiert werden: Mit Drücken des Tasters wird der nachfolgende Step-Up-Wandler ein, bzw. ausgeschaltet (toggle). Solange aber ein Magnetfeld anliegt, wird der Step-Up-Wandler IMMER aktiviert, egal, wie gerade der über den Taster aktivierte Zustand war. Beim Entfernen des Magnetfeldes fällt die Schaltung wieder in den Zustand zurück, der VOR anlegen des Magnetfeldes eingestellt war. Ist das so richtig?
Max schrieb: > ja der Reedkontakt ist in diesem Fall dominant. Man kann mit einem Reedkontakt viele Sachen tun, aber keinen zu großen Strom schalten. Dafür gab es schon im letzten Jahrtausend unzählige bessere Lösungen mit Relais bei Post und Eisenbahn.
Hi, Max schrieb: > der kann ich den Zustand der Reedkontaktes über eine Pin vom µC > abfragen und dann die kontakte X1 und X2 brücken. Aber wie mache in das > über den µC mit einem Optokoppler oder geht es auch ohne? nimm einfach einen zweiten Fet. Aber die ganze Schaltung mit den Tasten ist doch Murks. Man muss doch ein paar Sekunden warten, bis man wieder schalten kann, und wenn man um auszuschalten zu lange drückt, schaltet die Schaltung wieder ein. Grüße
Schlumpf schrieb: > Schreibe doch mal ganz konkret hin, welche Funktion du genau > willst. > > So wie ich es jetzt verstanden habe, soll folgende Funktion > implementiert werden: > > Mit Drücken des Tasters wird der nachfolgende Step-Up-Wandler ein, bzw. > ausgeschaltet (toggle). > Solange aber ein Magnetfeld anliegt, wird der Step-Up-Wandler IMMER > aktiviert, egal, wie gerade der über den Taster aktivierte Zustand war. > Beim Entfernen des Magnetfeldes fällt die Schaltung wieder in den > Zustand zurück, der VOR anlegen des Magnetfeldes eingestellt war. > > Ist das so richtig? Ja du hast es gut erfasst ! Nur sollte nachdem entfernen des Magnetfeldes der Step-up immer aus sein. Krangel schrieb: > Hi, > > Max schrieb: >> der kann ich den Zustand der Reedkontaktes über eine Pin vom µC >> abfragen und dann die kontakte X1 und X2 brücken. Aber wie mache in das >> über den µC mit einem Optokoppler oder geht es auch ohne? > > nimm einfach einen zweiten Fet. > > Aber die ganze Schaltung mit den Tasten ist doch Murks. Man muss doch > ein paar Sekunden warten, bis man wieder schalten kann, und wenn man um > auszuschalten zu lange drückt, schaltet die Schaltung wieder ein. > Grüße Ich gebe dir recht wenn man den Taster beim Ausschalten gedrückt hält dann kann es passieren das die Schaltung wieder an geht. Mit dieser Bug kann ich zwar leben aber wenn du eine einfache Möglichkeit siehst es zu verbessern dann immer her damit. Leider kann ich keine weitere Bauteile hinzufügen da die Platine vollkommen ausgereizt ist vom Platz. Sieht einer noch eine einfachere Möglichkeit mein Problem zu lösen?
Hi, Max schrieb: > Ja du hast es gut erfasst ! Nur sollte nachdem entfernen des > Magnetfeldes der Step-up immer aus sein. das ist jetzt aber wieder anders. Du kannst die Schaltung von Falk nehmen und ändern. Grüße
sorry, der Taster kommt ja auf die andere Seite des R5, der R_Schutz kann durch eine Brücke ersetzt werden. Grüße
Krangel schrieb: > sorry, > > der Taster kommt ja auf die andere Seite des R5, der R_Schutz kann > durch eine Brücke ersetzt werden. > Grüße Was hat es mit der diode und dem 100nf Kondensator mit aufsich. Kann du vllt die gesamte Schaltung teilen und erklären.
Krangel schrieb: > sorry, > > der Taster kommt ja auf die andere Seite des R5, der R_Schutz kann > durch eine Brücke ersetzt werden. > Grüße Was hat es mit der diode und dem 100nf Kondensator mit aufsich. Kann du vllt die gesamte Schaltung teilen und erklären.
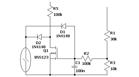
Moin, hier das richtige Diagramm. Der Reedkontakt und die D2 haben dieselbe Funktion wie in Falk Brunner's Vorschlag. D1 unterbricht die Selbsthaltefunktion. Die Zeitkonstante von R2/C1 muss so gewählt werden, dass die Gatespannung so lange unter Ugsth bleibt, bis die Ausgangsspannung unter die Selbsthaltung gefallen ist. Ich würde die ganze Schaltung noch mal komplett überarbeiten, sie ist meiner Meinung nach von zweifelhafter Qualität ist. Grüße
Hallo Zusammen Ich bin durch Suche im Weg auf dieses Forum gestossten, da ich das gleiche Problem habe/hatte, dass der Schwimmerschalter Reedkontakt sich nicht immer korrekt ausschaltete. Kurz zum Aufbau. Ich habe in einem Abwasserschacht eine 12 Volt Pumpe, welche das Regenwasser in ein Regenwasserfass pumpt. Ich habe in diesem Schacht ein Schwimmerschalter mit Reedkontakt montiert, da ich für einen grösseren Schwimmer wie an einer Tauchpumpe montiert ist, keinen Platz im Schacht habe. Dieser kann sich nicht richtig ein/ausschalten auf Grund des vorhandenen Platzes. Dann habe ich relativ einfach mit diesem Reedkontakt ein 12Volt Relais geschaltet, welches dann die Pumpe schaltet. Bei 12V zieht das Relais ca. 200mA. Aber auch da bleibt der Kontakt hin und wieder "kleben". Ich vermute auf Grund des Einschaltstromes. Nun, da ich mich mehr mit Elektrik auskenne, und weniger Elektronik, habe ich keine Schaltung gebaut, welche via Transistor funktioniert, sondern ein weiteres Relais (12V SDS Relais) verbaut, welches mit einem Strom von ca. 5mA schaltet. Damit funktioniert der Reedkontakt sehr gut. Vielleicht hilft dieser Tipp mit einem SDS Relais weiter. Nun habe ich aber das Problem, wenn der Schacht sozusagen Leer ist, oder nach dem Ausschalten das Wasser aus dem Schlauch zurück in den Schacht läuft, die Pumpe wieder angeht. Das selbe Problem ist auch, wenn das Wasser aus der Dachrinne in den Schacht fliesst, bewegt das Wasser den Schwimmerschalter so stark, dass dieser auch immer an und ausgeht. Hat jemand dafür eine Idee? Ich habe mir nun überlegt, ob ich zum SDS Relais einen Kondensator Parallelschalten könnte, dass das Relais sozusagen einschaltet, aber Zeitverzögert ausschaltet, und die Pumpe sozusagen nicht immer an/aus/an/aus... geht. Ich weiss aber nicht, wie sich dieser Kondensator dann wieder auf den Reedkontakt auswirkt, da dann das Relais geschaltet wird, und der Kondensator geladen wird. Sprich ich habe wieder einen höheren Strom.
Bitte melde dich an um einen Beitrag zu schreiben. Anmeldung ist kostenlos und dauert nur eine Minute.
Bestehender Account
Schon ein Account bei Google/GoogleMail? Keine Anmeldung erforderlich!
Mit Google-Account einloggen
Mit Google-Account einloggen
Noch kein Account? Hier anmelden.





