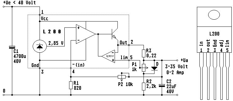
Weiß einer, was P1 und P2 in diesem Schaltkreis bewirken? Vielleicht Regelung der Spannung bzw. des Stroms?
Hi >Weiß einer, was P1 und P2 in diesem Schaltkreis bewirken? Wieso in dem IC? Die gehören zur Außenbeschaltung. >Vielleicht Regelung der Spannung bzw. des Stroms? Nicht nur vielleicht. Zum Nachlesen: http://www.st.com/st-web-ui/static/active/en/resource/technical/document/datasheet/CD00000053.pdf MfG Spess
Sorry, vorhin mußte es schnell gehen ;-) P2 bildet mit R1 einen Spannungsteiler und führt Ua zum L200. Also: Spannungseinstellung. R3 ist der Shunt für die Strommessung, der liegt zwischen + und - des internen Operationsverstärkers. Die Spannung wird über P1 einstellbar reingeführt. Der obere Transistor regelt bei steigendem Strom dann runter und bewirkt eine Strombegrenzung.
hilmar schrieb: > Die Spannung wird über P1 einstellbar > reingeführt. Der obere Transistor regelt bei steigendem Strom dann > runter und bewirkt eine Strombegrenzung. Also wird P1 benutzt um die Strombegrenzung einzustellen, nicht wahr?
BTL schrieb: > Regelung der Spannung bzw. des Stroms? Die Kontaktbezeichnungen "adj" = adjust und "lim"= limiter, limiting helfen bei der Interpretation.
Marc Oni schrieb: > Die Kontaktbezeichnungen "adj" = adjust und "lim"= limiter, limiting > helfen bei der Interpretation. Und warum steht dann am Spannungsbegrenzungseingang "adj" und am Eingang für die Stromregelung "lim"? Das versteh' einer ;-)
Michael A. schrieb: > Marc Oni schrieb: >> Die Kontaktbezeichnungen "adj" = adjust und "lim"= limiter, limiting >> helfen bei der Interpretation. > > Und warum steht dann am Spannungsbegrenzungseingang "adj" und am Eingang > für die Stromregelung "lim"? > > Das versteh' einer ;-) Der Eingang "adj" wird für die EINSTELLUNG der Spannung verwendet; nur dort findet eine Regelung statt ( Regelung= Messung einer IST- Größe, Vergleich mit der SOLL-Größe und Nachstellen des STELLgliedes = Serienleistungstransistor). "Der Strom" ( d.h., sein Betrag ) wird auch nicht geregelt, sondern (ein)gestellt, indem an einem Meßwiderstand eine ( vom Betrag des hindurchfließenden Stromes abhängige ) Spannung abgegriffen wird, die "die Strombegrenzung" ergibt ( das wiederum kann als Regelung bezeichnet werden ). Regeln= Messen der Istgröße, Vergleichen mit der Sollgröße, Stellglied korrigieren. Stellen: Einstellen einer vorgegebenen Größe.
Marc Oni schrieb: > "Der Strom" ( d.h., sein Betrag ) wird auch nicht geregelt, sondern > (ein)gestellt Ansichtssache. Je nach Betriebsregime wird entweder die Spannung geregelt und der Strom limitiert oder der Strom geregelt und die Spannung limitiert. Ausserdem steht "adj" für einstellen, nicht für regeln. ;-)
Bitte melde dich an um einen Beitrag zu schreiben. Anmeldung ist kostenlos und dauert nur eine Minute.
Bestehender Account
Schon ein Account bei Google/GoogleMail? Keine Anmeldung erforderlich!
Mit Google-Account einloggen
Mit Google-Account einloggen
Noch kein Account? Hier anmelden.
