Guten Morgen, hat jemand eine Idee, wie man eine sogenannte Intervallschaltung für ein MIG/MAG-Schweißgerät nachrüsten kann? Ich meine eben so eine Schaltung, die den Schweißstrom für eine bestimmte, einstellbare Zeit ein- und wieder ausschalten kann (ist für das Punktschweißen unheimlich praktisch). Das Schweißgerät hat eine Maximallleistung von 150 A. Danke für alle Ideen. Gruß frankreed
Mess mal was für ein Pegel am Taster vom Brenner liegt. Wenn das was normales ist z.B. 24V kannst Du einfach ein Impulsrelais nehmen
Ja am Brenner selbst liegt am darin verbauten Mikroschalter eine Kleinspannung an. Wenn ich den Schalter am Brenner betätige wird der Vorschubmotor eingeschaltet. Ich muss mal schauen, ob der Schweißdraht ständig unter Strom steht oder ob er im Gerät selbst über ein Schütz erst bei Betätigen des Brennerschalters eingeschaltet wird. WENN ein Schütz drin ist, wie wäre dann die Schaltung?
Ich würde an der Schaltung gar nix ändern sondern nur den Tastendruck simulieren. Wenn Du den Brennerschalter drückst schaltet zunächst das Gasventil, nach einer Zeit (die ist meistens einstellbar) der Schweisstrom und der Drahtvorschub. Beim Loslassen schaltet zunächst die Leistung aus, dann der Drahtvorschub und dann das Gasventil
Mach es doch auf der Primärseite, da ist der Strom nicht so hoch, sodass man es eigentlich auch mit Triacs/Tyristor schaffen sollte
So würd ich es machen blau ist neu dazu sorry für das PDF aber Xournal kann nix anderes
heinz schrieb: > Ich würde an der Schaltung gar nix ändern sondern nur den Tastendruck > simulieren. > > Wenn Du den Brennerschalter drückst schaltet zunächst das Gasventil, > nach einer Zeit (die ist meistens einstellbar) der Schweisstrom und der > Drahtvorschub. > > Beim Loslassen schaltet zunächst die Leistung aus, dann der > Drahtvorschub und dann das Gasventil Das ist doch die ganz normale Schaltung eines Schweißgerätes. Mit einem schlichten Universaltimer ( an der richtigen Stelle ) lässt sich das endlos wiederholen. Das klappt bestimmt problemlos. Gruß Bernd ( Schlossermeister )
> Mach es doch auf der Primärseite, da ist der Strom nicht so hoch, sodass > man es eigentlich auch mit Triacs/Tyristor schaffen sollte MIG/MAG primärseitig? Für DIY-Punktschweisser oder billige(!) Elektrodenschweissgeräte sehr brauchbar, hier allerdings eine schlechte Idee.
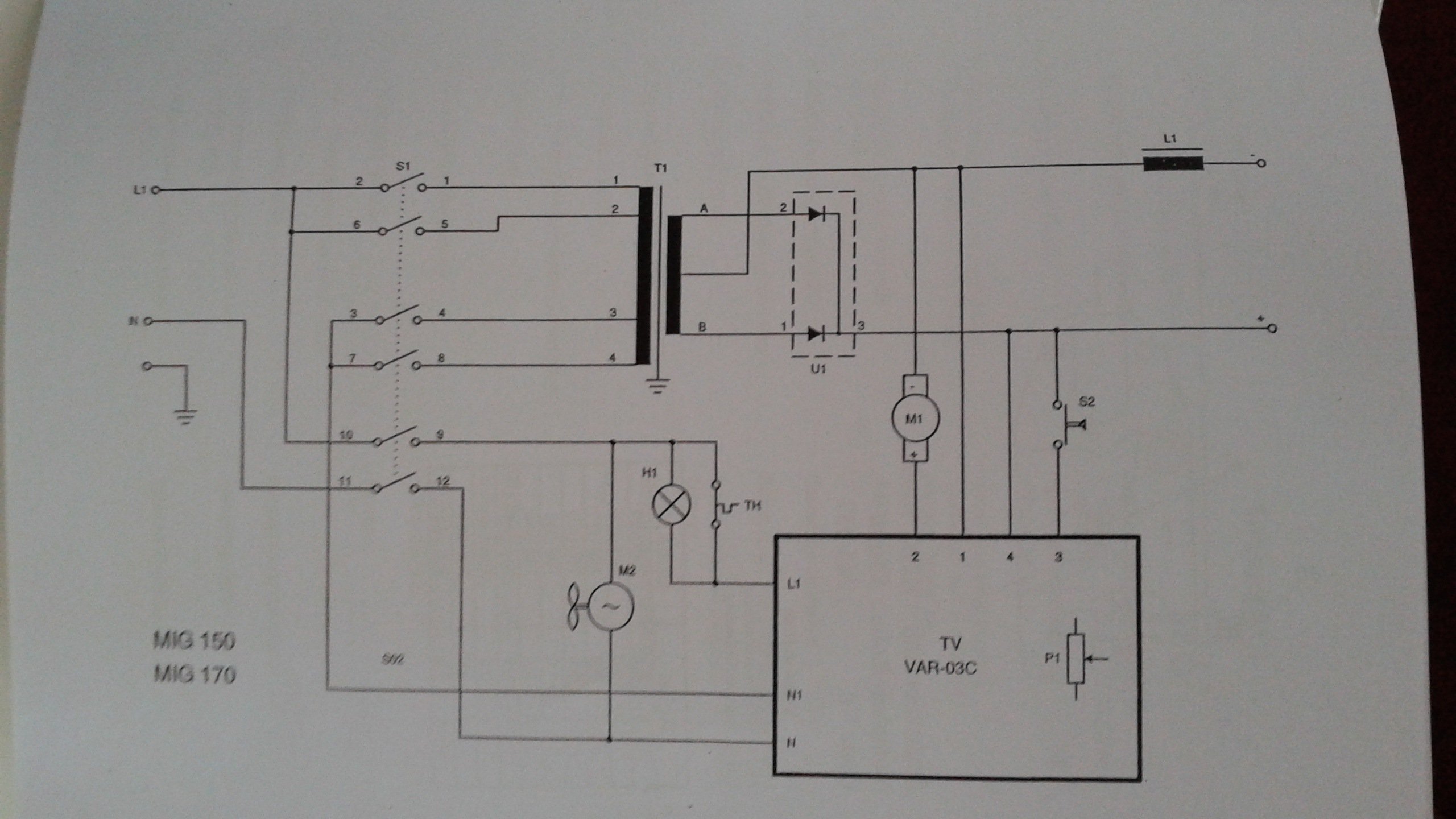
Also, ich habe nachgeschaut. Kein Schütz drin :-( Aber dafür stelle ich mal den Schaltplan des Schweißgeräts rein. Vielleicht geht da doch was mit einem Universal-Timer (z.B. vom blauen C) in Verbindung mit dem Taster vom Brenner und dem Vorschubmotor. Jemand noch ne Idee wie man das Anschließen könnte? Gruß
Korrektur: So wie ich den Schaltplan verstehe werden von der Steuerplatine über den Drehstufenschalter jeweils verschiedene Wicklungen der PRIMÄRSEITE angesteuert. Wenn man also von der Zuleitung von der Platine zum Drehschalter einen Timer einschleifen würde, der den Strom von der Platine über den Drehschalter nur eine einstellbare Zeit freigibt dann müsste es doch funktionieren. Richtig?
Hallo, Timer alleine reicht nicht. Du musst der Vorschub und den Strom abschalten, sonst hast Du beim Stopp immer Reste des zurückbrennenden Drahtes in der Schweissdüse. Das Gas sollte dagegen immer offen sein, sonst reisst Dir die Co2-Wolke unnötig ab. Old-Papa
>Timer alleine reicht nicht. Nein - mit dem Tastendruck am Brenner wird ein Impulsrelais getriggert, das den Tastendruck für die Zeit x erzeugt. Und genau das hab ich oben gezeichnet. Damit brauchst Du dich um Vorschub usw. nicht zu kümmern Aufwand Zeitrelais http://www.conrad.de/ce/de/product/506666/Multifunktions-Zeitrelais-CMFR-66-Conrad-CMFR-66-12-240-V-DCAC-1-Wechsler-16-A-Max-400-VAC-Max-4000-VA/;jsessionid=9A5B2986CF702C35A92D58C4E969B203.ASTPCEN11?ref=category&rt=category&rb=1 30 EUR Schalter http://www.conrad.de/ce/de/product/704638/Conrad-Drehschalter-250-VAC-LAS0-LAS0-A3Y-11X21-1-x-90-5-A;jsessionid=9A5B2986CF702C35A92D58C4E969B203.ASTPCEN11 6,50 EUR und ein bischen Litze
Den Vorschlag mit dem Zeitrelais und dem Umschalter finde ich klasse! Vielen Dank für die Hilfe!
Bitte melde dich an um einen Beitrag zu schreiben. Anmeldung ist kostenlos und dauert nur eine Minute.
Bestehender Account
Schon ein Account bei Google/GoogleMail? Keine Anmeldung erforderlich!
Mit Google-Account einloggen
Mit Google-Account einloggen
Noch kein Account? Hier anmelden.
