Hallo, ich möchte einen Nichtinvertierender Verstärker mit einem Operationsverstärker simulieren.Es wir nur die positive Halbwelle verstärkt und die negative Halbwelle ist einfach 0V. Wieso??
Ibrahim N. schrieb: > Es wir nur die positive Halbwelle > verstärkt und die negative Halbwelle ist einfach 0V. Wieso?? Der OpAmp hat auch nur eine positive Versorgungsspannung, der "-" Anschluss ist bei Dir an GND. Woher soll er eine negative Spannung am Ausgang herzaubern? Gruß Dietrich
Der tausendste Thread zu dem Thema: Wie soll der OP negative Spannungen verstärkern, wenn er keine negative Betriebsspannung hat? Grundlagen lernen, nicht nur basteln!
Vieleicht deshalb, weil Du den OpAmp nur mit einer Positiven Spannung versorgst ? Der kann sich die Negative Spannung nicht selbst erzeugen.
Hi, es gibt auch eine neumodische single-supply Lösung. Grüße
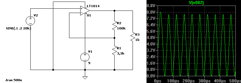
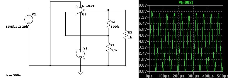
die verstärkung ist auf 30 eingestellt, das passiert immer noch nicht,auch mit neagativen spannung am op. Die Ausgangsspannung muss eine Amplitude von 6 V haben und aus sinusförmig.
Klar, bei 20kHz und einer Slew Rate von 0,2 bis 0,4 V/µs. Da wird wie gesehen ein schönes Dreieck draus GRUNDLAGEN! DATENBLATT!
ach lass den aber danke für die infos
Krangel schrieb: > er ist dabei zu lernen. Ich habe den Eindruck, das Simulationsprogramme das Lernen eher behindern und nicht fördern! Gruss Harald
Hi, gibt es eine faktische Begründung für diesen Eindruck? Grüße
Krangel schrieb: > gibt es eine faktische Begründung für diesen Eindruck? Wenn man die Knotenregel verstanden hätte und sich die Grundfunktion eines OPs einmal klar macht, würde man sich nicht wundern, dass ohne negative Spannung hinten keine negative Spannung raus kommt.
Hi, und wieso behindert jetzt ein Simulationsprogramm das Verstehen der Kontenregel? Grüße
Krangel schrieb: > Hi, > und wieso behindert jetzt ein Simulationsprogramm das Verstehen der > Kontenregel? > > Grüße Weil man dann so lange ausprobiert, bis es funktioniert, ohne dass man dann verstanden hat, wie es wirklich geht. Sobald er einen OP mit anderen Daten nimmt, funktioniert u.U. die ganze Schaltung nicht mehr und er fragt sich, wieso es diesmal nicht genauso klappt wie letztes mal. Ich würde vorschlagen, er macht sich erst einmal die Grundlagen klar, rechnet dann ein Beispiel durch, simuliert das Beispiel, schaut sich an, ob das hinkommt und wenn nicht, durchforstet er das Datenblatt mit einem Zettel daneben, auf dem alle Begrifflichkeiten wie SlewRate usw. draufstehen und erklärt sind und fragt sich, woran es liegen könnte. Gruß Christian
Krangel schrieb: > und wieso behindert jetzt ein Simulationsprogramm das Verstehen? Weil es den Anfänger davon abhält, die Grundlagen zu lernen. Gruss Harald
>Der OpAmp hat auch nur eine positive Versorgungsspannung, der "-" >Anschluss ist bei Dir an GND. Woher soll er eine negative Spannung am >Ausgang herzaubern? Der hier kann es: http://www.analog.com/static/imported-files/data_sheets/ADA4858-3.pdf
Kai Klaas schrieb: >>Der OpAmp hat auch nur eine positive Versorgungsspannung, der "-" >>Anschluss ist bei Dir an GND. Woher soll er eine negative Spannung am >>Ausgang herzaubern? > > Der hier kann es: > > http://www.analog.com/static/imported-files/data_s... Mit eingebauter Charge pump... Aber auch der kann es nicht, da er keine 9V Versorgung verträgt. Aber schnell genug ist er allemal :-)
>Mit eingebauter Charge pump... >Aber auch der kann es nicht, da er keine 9V Versorgung verträgt. >Aber schnell genug ist er allemal Ich frage mich, was eine solche "charge pump" für Störungen macht. Die müssen doch extrem sein. Hat jemand damit Erfahrungen gemacht?
Kai Klaas schrieb: > Ich frage mich, was eine solche "charge pump" für Störungen macht. Die > müssen doch extrem sein. Hat jemand damit Erfahrungen gemacht? Keine Erfahrungen, aber da das ein schneller Videoverstärker ist werden die wahrscheinlich einfach über Band oder Hochpass rausgefiltert :-)
>Keine Erfahrungen, aber da das ein schneller Videoverstärker ist werden >die wahrscheinlich einfach über Band oder Hochpass rausgefiltert :-) Ja, genau. Endlich mal eine Störung, die unter der Nutzsignalbandbreite liegt...
Hi, Harald Wilhelms schrieb: > Weil es den Anfänger davon abhält, die Grundlagen zu lernen. > Gruss > Harald Also ich kann hier keine Argumente erkennen, die eine Lernhinderung darstellen. Diese Diskussion ist genauso müßig wie die unserer Altvorderen über Rechenschieber oder Taschenrechner. Bye Krangel
Bitte melde dich an um einen Beitrag zu schreiben. Anmeldung ist kostenlos und dauert nur eine Minute.
Bestehender Account
Schon ein Account bei Google/GoogleMail? Keine Anmeldung erforderlich!
Mit Google-Account einloggen
Mit Google-Account einloggen
Noch kein Account? Hier anmelden.


