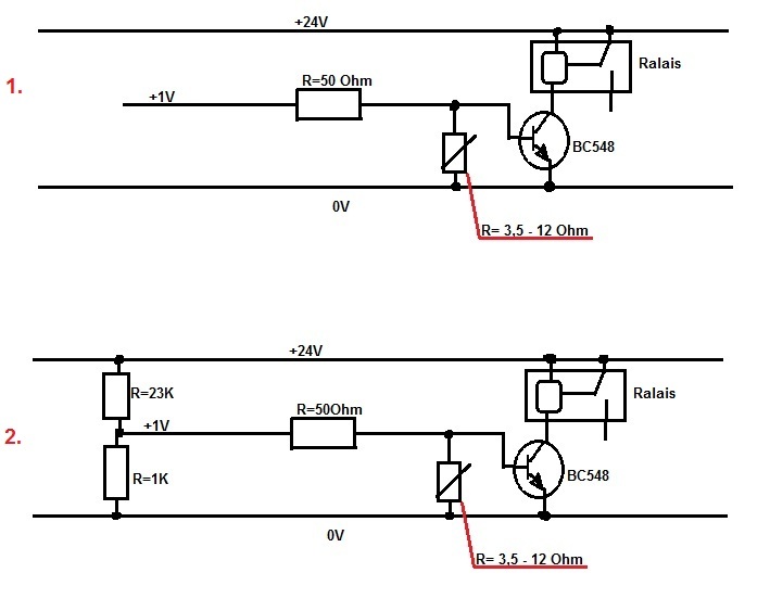
Hallo, ich habe hier das Problem, dass ich mittes eines 3,3 - 12 Ohm Widerstandes ein Ralais ansteuern muss. Der Kaltleiter ist in einem Heitzblock von einer Nebelmaschiene eingegossen, kann diesen demzufolge nicht ändern oder austauschen. Wenn den Block kalt ist (ca 25C) habe ich einen Widerstandswert von 3,3 Ohm. Wenn der Block heis wird (ca 300C) habe ich einen Wert von 12Ohm. An diese Werte bin ich gebunden. Nun habe ich 2 Schaltungen aufgeführt. 1. Schaltung geht soweit, ev, den 50 Ohm Widerstand noch gegen ein 100 Ohm Poti Tauschen.... aber ich habe eine extra 1V Spannungsquelle die ich in der 2. Schaltung mittes einem Stromteiler umgehen will,, nun ist aber das Problem das es ja garnicht funktionieren kann da R 1K und R 3,5-12Ohm Parajell sind und die werte vorn und hinten nicht mehr hinhauen. Die Wiederstände reduzieren im Spannungsteiler bringt logischerweise die Widerstande zum glühen. Auf der 24V Seite liegt ca 20A an... ist
Thomas Haase schrieb: > 2. Schaltung mittes einem Stromteiler umgehen will,, nun ist aber das > Problem das es ja garnicht funktionieren kann Das ist soweit schon mal sehr richtig... > Wenn den Block kalt ist (ca 25C) habe ich einen Widerstandswert von 3,3 > Ohm. Wenn der Block heis wird (ca 300C) habe ich einen Wert von 12Ohm. Dann ist der Kaltleiter kaputt. Denn da muss schon einiges mehr drin sein, als nur der Faktor 4. Bei so einer geringen Widerstandsänderung würde ich einen Komparator empfehlen. Der schaltet dann auch halbwegs sauber, nicht so wie die sehr ungenaue Strecke aus Transistor und Relais (die haben beide nämlich ein recht undefiniertes Schaltverhalten)...
> Auf der 24V Seite liegt ca 20A an... ist Aua, das gibt schöne Funken beim langsamen schalten! Schmitt-Trigger oder besser Komparator statt Deiner Lösung. Lies Beitrag "Komparator Schaltung gesucht"
Bitte melde dich an um einen Beitrag zu schreiben. Anmeldung ist kostenlos und dauert nur eine Minute.
Bestehender Account
Schon ein Account bei Google/GoogleMail? Keine Anmeldung erforderlich!
Mit Google-Account einloggen
Mit Google-Account einloggen
Noch kein Account? Hier anmelden.
