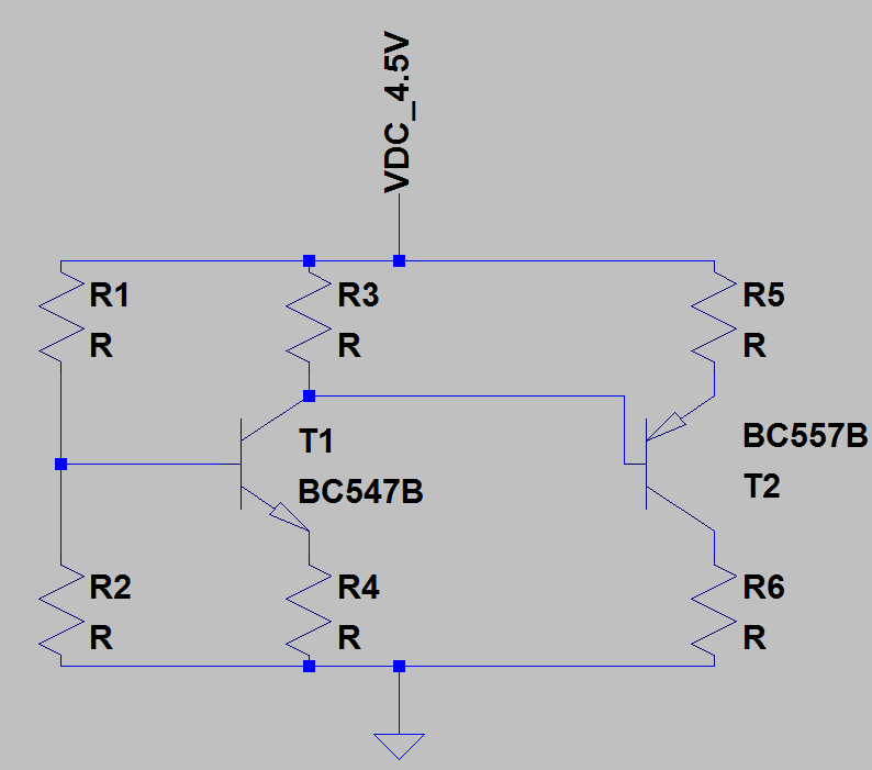
Hallo, ich möchte gerne einen 2.Stufen Verstärker aus einem npn(Bc547B) und einem pnp(Bc557B) bauen. Die 2.Stufe soll ein Emitterfolger (Impedanzwandler) sein, um eine 32 Ohm Last anzuschliessen. Das Eingangsignal ist Sinusförmig mit einer Amplitude von 200mV und einer Frequenz von 3Mhz. Die Verstärkung A_v soll 10 betragen. Nur wie genau wähle ich jetzt den Arbeitspunkt? Wenn ich mein Gleichstrom ESB zeichne (siehe Abb.) weiss ich ja nicht was für einen Strom I_c ich nehmen soll? Wie soll ich die Widerstände bestimmen um den Arbeitspunkt einzustellen und meine Verstärkung zu erreichen? Gruss Bernd
> Die 2.Stufe soll ein Emitterfolger (Impedanzwandler) sein
Na dann hast Du die Last aber falsch angeschlossen, die gehört an dem
Emitter, nicht an den Kollektor.
Hatten wir das Thema nicht schon gestern? So ähnlich. Ich frage mich
gerade, ob das eine hausaufgabe ist.
Die zweite Stufe belastet die erste, wirkt also parallel zu R3. Der
Strom durch die Basis der zweiten Stufe entspricht dem Strom durch den
Emitter geteilt durch den Verstärkungsfaktor des zweiten Transistors.
Bernd schrieb: > Die 2.Stufe soll ein Emitterfolger (Impedanzwandler) sein, > um eine 32 Ohm Last anzuschliessen. Und weshalb zeichnest du dann eine Emitterschaltung in der 2. Stufe? Darf durch den Lastwiderstand auch ein Gleichstrom fließen? Falls ja, dann nur eine Stufe (Emitterschaltung) aufbauen und den Lastwiderstand als Kollektorwiderstand. Falls nein, dann mit den 2 komplementären Transistoren einen stark gegengekoppelten Verstärker aufbauen (das untere Ende von R6 an den Emitter von T1).
Hallo, nein keine Hausaufgabe, möchte gerne mal einen Verstärker bauen mit niedriger Ausgangsimpedanz. Ja stimmt, falsch angeschlossen, dachte das wäre beim PNP umgekehrt. Ja hatten wir schon gestern und wir kamen zum schluss, dass es eine 2te Stufe braucht um eine Niedrige Ausgangsimpedanz zu erzielen. Mein Problem ist, ich weiss nicht wie gross ich den Strom I_C2 wählen soll. Ich habe nur meine Last von 32 Ohm, meine Eingangsspannung, die Transistorparameter und mein Eingangssignal. Wenn ich wie auf dem Bild meine Spannung U_CE1 als U_DC/2 wähle (vermeiden der Übersteuerung), dann kann ich sagen, dass mein Strom I_R5 = (U_DC-0.7V)/R3 ist. R_5||R_L / R6 = 10 (wenn ich nun mein Schaltbild korrigiere und mein Lastwiderstand am Emitter anschliesse)und daher R6 = 0.1(R5||RL) Wie soll ich nun I_C2 wählen? Gruss
Ich habs gerade mal simuliert: kannst du vergessen. Bei Arbeitspunktströmen von 250mA in der 2. Stufe schafft man nur Ua= +-1,5V, du willst aber +-2V. Außerdem machen die 3MHz Probleme. Du wirst eine Gegentaktschaltung nehmen müssen.
Bitte melde dich an um einen Beitrag zu schreiben. Anmeldung ist kostenlos und dauert nur eine Minute.
Bestehender Account
Schon ein Account bei Google/GoogleMail? Keine Anmeldung erforderlich!
Mit Google-Account einloggen
Mit Google-Account einloggen
Noch kein Account? Hier anmelden.


