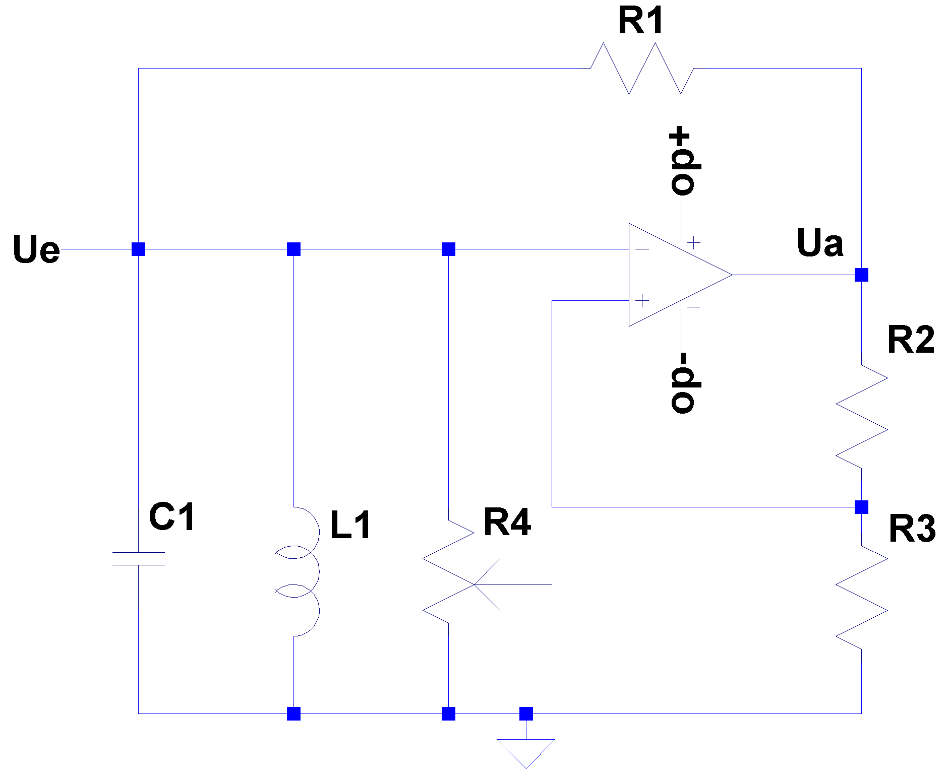
Hallo, in der Schmitt-Trigger-Schaltung im Anhang befindet sich in der Gegenkopplung ein Widerstand R1. Simuliere ich das ganze mit LTspice, hat dieser so gut wie keinen Einfluss auf die Schaltung. Am Verlauf des Ausgangssignals ändert sich nur etwas, wenn R1 sehr klein gewählt wird. Kann mir einer die Funktion von R1 erklären? Wieso ist dieser notwendig? Grüße Mik
Vielleicht erklärst du noch, was die Schaltung überhaupt machen soll?
Wenn Du L1 und R4 weg nimmst oder beide groß genau machst, erhälst Du einen astabilen Multivibrator. Das war sicher nicht geplant, oder?
Die Schaltung ist die eines induktiven Sensors (vereinfacht). Die Güte des Schwingkreises wird bei Annäherung von magnetisierbaren Materials verschlechtert, da dort Wirbelströme induziert werden. L1, C1 und R4 bilden quasi den Schwingkreis und die Schmitt-Trigger-Schaltung wertet mir das ganze aus.
>L1, C1 und R4 bilden quasi den Schwingkreis und die >Schmitt-Trigger-Schaltung wertet mir das ganze aus. Dann brauchst du R1 um die Schwingung anzuregen. Oder ist an Ue noch etwas anderes angeschlossen?
Kai Klaas schrieb: > Dann brauchst du R1 um die Schwingung anzuregen. Oder ist an Ue noch > etwas anderes angeschlossen? Nein, an Ue ist sonst nichts angeschlossen. Kannst du das mit "Schwingung anregen" noch etwas genauer klären? Vielen Dank für die Antwort!
Naja, nur weil ein Parallelschwingkreis am Eingang eines OPamps angeschlossen ist, bedeutet ja nicht, daß er dann schwingen muß. Da mußt du ihn schon mit einem Impuls oder einem externen Magnetfeld dazu anregen. Zeig doch mal den Originalschaltplan, oder hast du dir die Schaltung selbst ausgedacht?
Kai Klaas schrieb: > Naja, nur weil ein Parallelschwingkreis am Eingang eines OPamps > angeschlossen ist, bedeutet ja nicht, daß er dann schwingen muß. Da mußt > du ihn schon mit einem Impuls oder einem externen Magnetfeld dazu > anregen. > > Zeig doch mal den Originalschaltplan, oder hast du dir die Schaltung > selbst ausgedacht? Habe ich mir selbst ausgedacht. Muss vor den Schwingkreis eventuell noch eine Spannungs-/Stromquelle zur Anregung, die immer wieder einen kurzen Impuls abgibt?
Simuliert habe ich das soeben wie im Anhang. Angeregt wird er über einen Sinus.
Mik schrieb: > Die Schaltung ist die eines induktiven Sensors (vereinfacht). Die Güte > des Schwingkreises wird bei Annäherung von magnetisierbaren Materials > verschlechtert, da dort Wirbelströme induziert werden. das nennt man abreißoszillator und funzt auch mit nichtmagnetischen metallen. der a301d aus ddr fertigung ist genau das was du suchst. http://bg-electronics.de/shop/advanced_search_result.php?keywords=a301d&search_in_description=1 oder halt die bucht. umfangreiches datenmaterial hab ich da.
>Simuliert habe ich das soeben wie im Anhang. Angeregt wird er über einen >Sinus. Also hängt jetzt doch etwas an Ue???
> Habe ich mir selbst ausgedacht.
Moment mal. Was habe ich hier verpasst?
Du fragst uns, welchem Zweck R1 in der von Dir selbst ausgedachten
Schaltung dient.
Entwickelt man heutzutage auf diese Art?
Habe in einem Fachbuch eine Schaltung gefunden, die nach kleinen Anpassungen auf die Funktion eines induktiven Sensors passen sollte. Falls es jemanden interessiert, siehe Anhang. Kai Klaas schrieb: > Also hängt jetzt doch etwas an Ue??? Habe ich erst nach deinem Kommentar eingebaut. Stefan schrieb: >> Habe ich mir selbst ausgedacht. > > Moment mal. Was habe ich hier verpasst? > > Du fragst uns, welchem Zweck R1 in der von Dir selbst ausgedachten > Schaltung dient. > > Entwickelt man heutzutage auf diese Art? Hehe, ich habe das mehr oder weniger aus verschiedenen Schaltungen zusammengebastelt, die ich bisher gesehen habe. Das "selbst ausgedacht" sollte eigentlich heißen, dass die Schaltung nicht richtig sein muss, sondern Fehler enthalten kann. Sorry für die Verwirrung.
Stellt man beispielsweise R3 auf > 15k, schwingt der Schwingkreis um man erhält am Ausgang ein positives Signal (~4V). Positives Signal (quasi Signal ungleich Null) am Ausgang heißt, dass kein Objekt vorhanden ist. Bedingung für gedämpfte Schwingung (Ausgang vom 1. OP (Oszillator) wird ~0) ist R1/R4 < R2/R3 Ist R1/R4 = R2/R3 ist die Schwingung ungedämpft Ist R1/R4 > R2/R3 wird die Schwingung verstärkt (bis zur Stellgrenze vom OP)
Und was soll jetzt dieser Monolog? Außer dir weiß wohl jeder hier, wie ein induktiver Näherungssensor aka Initiator </Zaunpfahl> funktioniert. Nur daß man das normalerweise nicht mit einem OPV baut. Siehe auch Beitrag "Induktiver Näherungsschalter" XL
Axel Schwenke schrieb: > Und was soll jetzt dieser Monolog? Außer dir weiß wohl jeder hier, > wie ein induktiver Näherungssensor aka Initiator </Zaunpfahl> > funktioniert. Nur daß man das normalerweise nicht mit einem OPV baut. > > Siehe auch Beitrag "Induktiver Näherungsschalter" > > XL Wäre dem so, wäre erstens dein referenzierter Beitrag nie entstanden und zweitens das komplette µC-Forum wie ausgestorben. Sind ja nur allwissende Fachmänner anwesend.. yo! Troll.
>Hehe, ich habe das mehr oder weniger aus verschiedenen Schaltungen >zusammengebastelt, die ich bisher gesehen habe. Das "selbst ausgedacht" >sollte eigentlich heißen, dass die Schaltung nicht richtig sein muss, >sondern Fehler enthalten kann. Sorry für die Verwirrung. Also, du machst es einem wirklich nicht leicht! Mit der Info "selbst ausgedacht" gehen wir natürlich davon aus, daß es keine Vorlage für deine Schaltung gibt. Alles muß man dir aus der Nase ziehen. Dann zeige uns doch mal endlich einer dieser "verschiedenen Schaltungen", die du "bisher gesehen" hast, damit wir mindestens im Ansatz nachvollziehen können, was du da machst. Weil bis jetzt gibt es wenig bis gar keinen Sinn. Und wenn dann jemand aus dem Forum ungehalten reagiert, dann solltest du vielleicht ein wenig kleinlauter sein. Weil vielen hier geht es wie Axel und nur unsere gute Kinderstube verhindert, daß hier mehr böse Worte an deine Adresse gehen.
Ok, ich will hier die Situation kurz erklären, da das leider etwas aus dem Ruder gelaufen ist. Kai Klaas schrieb: > Also, du machst es einem wirklich nicht leicht! Mit der Info "selbst > ausgedacht" gehen wir natürlich davon aus, daß es keine Vorlage für > deine Schaltung gibt. Alles muß man dir aus der Nase ziehen. Dann zeige > uns doch mal endlich einer dieser "verschiedenen Schaltungen", die du > "bisher gesehen" hast, damit wir mindestens im Ansatz nachvollziehen > können, was du da machst. Weil bis jetzt gibt es wenig bis gar keinen > Sinn. Und wenn dann jemand aus dem Forum ungehalten reagiert, dann > solltest du vielleicht ein wenig kleinlauter sein. Weil vielen hier geht > es wie Axel und nur unsere gute Kinderstube verhindert, daß hier mehr > böse Worte an deine Adresse gehen. Ich hatte eine Idee und anschließend nach einzelnen Schaltungen gesucht. Zum Beispiel nach einem Schmitt-Trigger, Schwingkreis etc.. und in irgend einer Schaltung mit Schmitt-Trigger war der oben genannte Widerstand verbaut, den ich nicht nachvollziehen konnte. Da ich das ganze auf die Funktion eines induktiven Sensors anpassen musste, wollte ich hier nachfragen, ob dieser Widerstand gebraucht wird (für die Verwirrung mit dem "selbst ausgedacht" habe ich mich oben direkt entschuldigt). Darauhin kam folgende Antwort von dir.. Kai Klaas schrieb: > Dann brauchst du R1 um die Schwingung anzuregen. Oder ist an Ue noch > etwas anderes angeschlossen? ..und ich habe daraufhin erst verstanden, dass ich erstens eine Erregung und zweitens eine Rückführung vergessen habe, um den Schwingkreis nach dem einmaligen erregen weiterhin mit Energie zu versorgen. Daraufhin habe ich an Ue die Spannungsquelle geschalten. Zum Zeitpunkt deiner Frage.. Kai Klaas schrieb: > Dann brauchst du R1 um die Schwingung anzuregen. Oder ist an Ue noch > etwas anderes angeschlossen? ..gab es aber noch nichts an Ue. Habe dann kurze Zeit später in einem Fachbuch eine passende Schaltung gefunden und diese hier gepostet, um anderen meine gefundene Lösung mitzuteilen. Siehe hierzu die Aussage von Jörg Wunsch: "Die meisten Leute sagen sowieso kaum mal „danke schön!“, wenn sie sich denn überhaupt wieder melden, nachdem ihnen jemand geholfen hat." (Beitrag "Re: [Umfrage] Eigenes Posting 15min lang editieren."). Das wollte ich besser machen und habe kurz eine Beschreibung verfasst, damit anderen mit selben oder ähnlichem Problem geholfen ist. Und wenn dann Kommentare wie.. Axel Schwenke schrieb: > Und was soll jetzt dieser Monolog? Außer dir weiß wohl jeder hier, > wie ein induktiver Näherungssensor aka Initiator </Zaunpfahl> > funktioniert. ..kommen, ist das einfach unangebracht und dient wohl kaum der "guten Kinderstube". Ich bin euch trotzdem Dankbar für die Hilfe. Habe dadurch eine gute und funktionierende Lösung gefunden.
Kleiner Tip für's nächste mal: Beschreibe gleich von Anfang an, was die Schaltung tun soll.
Stefan schrieb: > Kleiner Tip für's nächste mal: Beschreibe gleich von Anfang an, > was die > Schaltung tun soll. ...und wie die Eingänge beschaltet sind (Ue in diesem Falle)! Wenn man nämlich hier an Ue eine ideale Spannungsquelle anschließt, hat R1 in der Tat wenig (nämlich keinen) Einfluss.
Bitte melde dich an um einen Beitrag zu schreiben. Anmeldung ist kostenlos und dauert nur eine Minute.
Bestehender Account
Schon ein Account bei Google/GoogleMail? Keine Anmeldung erforderlich!
Mit Google-Account einloggen
Mit Google-Account einloggen
Noch kein Account? Hier anmelden.



