hallo, kann mir jemand gut erklären, wie funktioniert ein PNP als Stromquelle?
ja, und wie funktioniert überhaupt PNP als Stromquele? falls der Strom,der durch Spule fliesst,sehr gröss ist, wie schaut der Strom am Kondensator aus?warum gibts da 2 parallel geschaltete Widerstände(R2 und R3), falls PNP leitend ist?
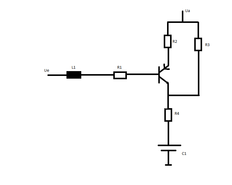
Der C1 ist das Schaltzeichen für eine Batterie. Wenn es eine Batterie sein soll, dann ist sie verkehrt herum. Der lange Balken ist +. Der Strom durch L1 ist abhängig von R1 und R2 und was an Ua noch dran ist. So gesehen ist die Schaltung nicht vollständig und daher kann man nichts konkretes dazu sagen.
cinc schrieb: > hallo, > > kann mir jemand gut erklären, wie funktioniert ein PNP als Stromquelle? Wo hast du die Schaltung her und warum hilft dir der Artikel hier auf der Seite über Konstantstromquellen nicht?
Bitte melde dich an um einen Beitrag zu schreiben. Anmeldung ist kostenlos und dauert nur eine Minute.
Bestehender Account
Schon ein Account bei Google/GoogleMail? Keine Anmeldung erforderlich!
Mit Google-Account einloggen
Mit Google-Account einloggen
Noch kein Account? Hier anmelden.
