Hallo, ich bräuchte einen Schubs in die richtige Richtung: Wie kann man mit einem Taster einen Impuls (z.b. 100ms) erzeugen? Egal wie lange man diesen Taster gedrückt hält es darf nur 1 x ein Impuls von definierter Länge ausgegeben werden. Nach anschließendem Loslassen und erneutem Drücken wieder nur ein Impuls. Das Ganze sollte diskret aufgebaut sein. Vielen Dank für eure Hilfe im Voraus. :-) Yatko
wenn es geht diskret, also ohne IC's und nur mit Transistoren, Kondensatoren, Widerstände .... :)
Dann musst du dir eben eine diskrete Schaltung für ein 'Monoflop' suchen.
Monoflop habe ich schon versucht: daß Problem dabei ist, dass der Taster losgelassen werden muss, ansonsten bleibt das Signal High. Ideal wäre, egal wie lange man den Taster gedrückt hält, der Impuls nur einmal ausgegeben werden darf.
Yatko Jaens schrieb: > Monoflop habe ich schon versucht: daß Problem dabei ist, dass der Taster > losgelassen werden muss, kommt auf das Monoflop an. Es gibt retrtiggerbare und welche die nicht retriggerbar sind.
Danke Karl Heinz, ich denke das war die Wissenslücke :) Ich suche dann mal nach einem diskret aufgebautem nicht nachtriggerbaren Monoflop. =) Wenn jemand schon eine fertige Schaltung hat (ggf. mit Erklärung), würde ich diese gerne sehen.
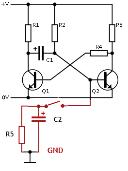
soeben habe ich mit ein wenig Rumexperimentieren rausgefunden, dass man den gewünschten Effekt mit einem standard Monoflop (siehe Link von Thomas) und einem RC parallel hinter dem Taster auf GND hinbekommt (also einen Taster auf die Basis von Q2 auf die R5 und C2, die wiederrum auf Masse). Nennen wir diese mal R5 und C2. R5 = 10k und C2 = 1µ Nun muss ich nur noch verstehen warum es geht. 1: C2 ist klar, der lädt sich über R2 auf wenn der Taster gedrückt wurde. 2: Zeitgleich sperrt Q2 bis C2 aufgeladen ist. 3: Wird der Taster weiter gedrückt gehalten (das hier habe ich noch nicht ganz verstanden was dann passiert). 4: Es wird der Impuls ausgegeben (Auch noch nicht ganz verstanden) 5: Läßt man den Taster los, entlädt sich C2 über R5. Das geht recht schnell. Zusätzlich würde ich gerne wissen, wie man die Zeit korrekt ermittelt. Bei R2 = 10k, C1= 22µ habe ich 132ms gemessen. Lt. der entsprechenden Formel 0.154ms was ja ganz gut hinkommt. t=0.7 R C Ist das der korrekte Weg? Und Punkt 3. muss ich noch eine Antwort finden :-)
Bitte melde dich an um einen Beitrag zu schreiben. Anmeldung ist kostenlos und dauert nur eine Minute.
Bestehender Account
Schon ein Account bei Google/GoogleMail? Keine Anmeldung erforderlich!
Mit Google-Account einloggen
Mit Google-Account einloggen
Noch kein Account? Hier anmelden.
