Hi, es handelt sich um diesen Lüfter hier: http://www.scythe-eu.com/produkte/luefter/ultra-kaze-120.html 3000RPM. Ich kann den schon per PWM & Mosfet-Schaltung ansteuern, allerdings weiss ich garnicht welche Art Tachosignal der ausliefert!? Hab dazu auch leider kein Datasheet gefunden. Gibt es denn irgendeine Methode das zu "ertesten" .. OHNE Oszi?? Für eine Regelung müsste ich ja wissen wie oft der pro Umdrehung ein Signal ausgibt. Ob Open Collector oder nicht und ob der Ground schaltet? Wär für ne Hilfestellung sehr dankbar! MfG Lüftung
normalerweise haben diese Tachoausgänge einen open Collector Ausgang. Und raus Kommt normalerweise ein rechtecksignal mit einer zur drehzahl proportionalen Frequenz. Eventuell lässt sich mit einer LED +Versorgung bei Langsamer Drehzahl was rausfinden
Hä? schrieb: > Eventuell lässt sich mit einer LED +Versorgung bei Langsamer Drehzahl > was rausfinden Dank Dir! Genau das hilft! mfg Lüftung
Habe das jetzt mal durchgetestet: Das Problem ist das mein Tachosignal gegen Ground folgendes liefert: RPM = 0 liefert bei Tacho gegen Ground 10V RPM = VOLL liefert bei Tacho gegen Ground 50mv. die 10Volt sind nicht so der Bringer für den µC. Wie kriege ich denn aus dem Ganzen unabhängig der Drehzahl ein sauberes Signal? Oder geht man in dem Falle nur hin und wertet die Spannung aus? Wär ja auch nicht grade das gelbe vom Ei oder? Gruß Lüftung
Hä? schrieb: > Und raus Kommt normalerweise ein rechtecksignal mit einer zur drehzahl > proportionalen Frequenz. Da unterstreiche ich noch das proportional. Die Ausgabefrequenz muß nicht der Drehzahl entsprechen, auch wenn das Verhältnis im PC-bereich genormt zu sein scheint. Wie sonst könnte Software und Bios die Drehzahl korrekt anzeigen, ohne daß man zuvor den lüfterspezifischen Faktor eingibt? Bei 4-Adrigen Lüftern hat Intel damals eine Normvorgabe gemacht. Bei den dreiadrigen Lüftern weiß ich es nicht mehr. Es ist eine Weile her daß ich mich da eingelesen hatte. Aufgrund der Komptibilität müßte das aber auch in der 4-Pin-Spezifikation kompatibel geregelt sein.
Lüftung schrieb: > Das Problem ist das mein Tachosignal gegen Ground folgendes liefert: > > RPM = 0 liefert bei Tacho gegen Ground 10V > RPM = VOLL liefert bei Tacho gegen Ground 50mv. Womit hast du das gemessen? Mit einem Multimeter? Das ist viel zu langsam dafür und macht aus dem Singal irgendein gemittelten Spannungspegel. Das ist völlig ungeeignet. Du kannst das Tachosignal entweder mit einem Spannungsteiler oder mit einem Transistor oder oder oder.... als Pegelwandler auf die für den µC passende Spannung bringen. Ein Interrupt zählt dann die Impulse pro Zeitspanne.
Carsten R. schrieb: > Womit hast du das gemessen? Mit einem Multimeter? Das ist viel zu > langsam dafür und macht aus dem Singal irgendein gemittelten > Spannungspegel. Ok das heißt also da eigentlich 10-12V anliegen. Ein schneller Oszi würd das dann wohl auch so anzeigen. Nur die Frequenz ändert sich dann.. Oje Oje ... hoffe ich meinen schönen atmega328p nicht abgeschossen damit =PP Noch geht er ja.. bastel dem jetzt erstmal schön nen spannungsteiler auf 3-5v damit er wieder aufatmen kann ;O) Danke und Gruß Lüftung
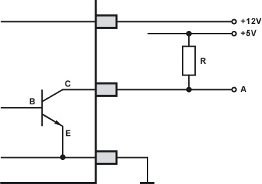
So hab ichs letztens gemacht... Links der Lüfter, A zum Controller
Lüftung schrieb: > Oje Oje ... hoffe ich meinen schönen atmega328p nicht abgeschossen damit > =PP Die AVRs haben Schutzdioden am Eingang. Wenn der Vorwiderstand hoch genug ist um den durch die "Überspannung" entstehenden Strom klein genug zu halten, so leiten die Dioden die Überspannung ab. Die maximale strombelastbarkeit der Dioden habe ich gerade nicht zur Hand. Das Verfahren hat allerdings noch weitere Grenzen. So darf beispielsweise der nach Vcc abgeleitete Strom nicht größer als der Verbrauch sein, wenn die Spannungsquelle nicht rückstromfähig ist. Ansonsten steigt Vcc unzulässig an. Diese Bedingung klingt vielleicht etwas exotisch, ist es aber nicht. Wenn man von Sleep-Modes nutzt sinkt der Stromverbrauch teilweise dramatisch, wenn nicht noch andere Verbraucher im Spiel sind.
Hä? schrieb: > So hab ichs letztens gemacht... > Links der Lüfter, A zum Controller So habe ich das auch schonmal gemacht. Sollte definitiv funktionieren! Normalerweise geben die Lüfter zwei Rechteckimpulse pro Umdrehung. Es soll auch welche geben, die 6 Impulse pro Umdrehung machen.
Bitte melde dich an um einen Beitrag zu schreiben. Anmeldung ist kostenlos und dauert nur eine Minute.
Bestehender Account
Schon ein Account bei Google/GoogleMail? Keine Anmeldung erforderlich!
Mit Google-Account einloggen
Mit Google-Account einloggen
Noch kein Account? Hier anmelden.
