Hallo allerseits, ich habe mal ein paar Fragen zum Thema Blitzröhre und Funkenstrecke. Unterm Strich gehts um die Machbarkeit eines Geräts, das einzelne, sehr kurze Blitze hoher Energie abgeben kann. Noch ist nichts gekauft/vorbereitet; ich habe also weder konkrete Zahlen noch sonst was. Ich will erst mal nur wissen wie und ob das funktioniert. Hintergedanke ist es, ein Blitzgerät für Fotos mit kurzer Abrenndauer zu basteln. Ich habe mal im Anhang eine schematische Zeichnung bei gefüht. Dabei ist die Ansteuerung der Zündelektrode nicht eingezeichnet. Momentan ist mal ein IGBT eingezeichnet, dazu gleich mehr. Welches Verhalten hat die Lampe beim Zünden und Leiten? Gibt es da eine Art Ersatzschaltbild? Ich habe im Netz nicht viel gefunden, könnte mir aber vorstellen, dass sich die Lampe "ohmsch" oder "ohmsch-induktiv" verhält, wobei das nur so ein Bauchgefühl ist. Wenn man von einem ohmschen Verhalten ausgeht, dann wird beim Zünden der Lampe der Kondensator exponentiell entladen. Das bedeutet, dass die Lampe lange Zeit nachleuchtet, wenn der Strom und Spannung am Kondensator zwar schon gefallen sind, aber noch nicht die kritschen Werte unterschritten haben, so dass der Lichtbogen erlischt. Welche typischen Spitzenströme treten hier auf (Nehmen wir mal 150 J Blitzleistung an)? Ich habe gelesen, dass man mit Einführung der Elektronik (Thyristoren, IGBTs,...) den Blitz früher abschalten könne. Daher habe ich mal den IGBT stellvertretend eingezeichnet. WIe sieht es hier mit der eletrischen Verträglichkeit aus? Wenn man die 150J in 1/2000 sec umsetzt entspricht das 300kW im Schnitt. Bei 600V konstant wären das immer noch 500A! Da wird's schon schwierig entsprechende Bauteile zu finden. Soweit ich das gesehen habe, bietet Reichelt z.B. nur IGBTs bis rund 100A Impulsstrom im Angebot sind. Sowohl bei diesen als auch bei in Serie gescahltene MOSFETs sind wir weit weg von der sicheren Betriebszustände. Ist hier ein Thyristor (mit Löschschaltung) besser geeignet? Sicherlich gibt es größere/stärkere Typen. Aber ich will momentan nicht überdesignen. Wie wird das in Systemblitzgeräten realisiert? Werden diese bis zum selbsständigen Verlöschen betrieben oder elektrisch abgeschalten? Ich hatte noch die Idee, zusätzlich eine Spule einzubauen, so dass ein Schwingkreis das Abschalten des Blitzes ermöglicht. Dabei ist aber die Frage, wie viel Energie dabei in der Lampe umgesetzt werden kann. Aber zunächst müsste man mal die anderen Fragen klären. Weitere Fragen kommen dann ggf später ;). Danke schon mal im Voraus Christian Wolf
Die Blitzröhre ist im gezündeten Zustand in erster Näherung ein (sehr kleiner) Widerstand. Der Strom wird begrenzt durch die Induktivität des Kondensators (richtig gelesen, Blitzelkos haben deshalb eine spezielle Kontaktierung) und der Schaltung. Einige Hundert Ampere sind nicht ungewöhnlich. Bei professionellen Blitzen geht es in den Kiloampere Bereich. Früher versuchte der Entwickler, die Leuchtdauer so lang wie möglich zu machen, um den Schwarzschild Effekt des Silberfilmes zu überlisten. Heutige Digitalkameras sind da unproblematisch. Zum Abschalten gibt es im Amateurbereich die mexikanische Methode (Kurzschluss durch eine extrem niederohmige Quentschröhre parallel zur Blitzröhre) und die bessere Methode mit einem Thyristor in Reihe zur Blitzröhre. Der Thyristor wird mit der Blitzröhre gemeinsam gezündet und durch einen Hilfsthyristor wieder gelöscht (im Prinzip wird ein entladener Kondensator parallel zum Hauptthyristor geschaltet, der dann für einge Mikrosekunden den Strom übernimmt). Der Thyristor ist typisch im TO220 Gehäuse und ein 10A Typ mit passender Stossbelastbarkeit.
Danke für diese Erklärung. Ich wollte schon länger wissen, wie man Blitzer gezielt unterbricht. Das Prinzip leuchtet mir ein. Allerdings frage ich mich, ob man wirklich den Laststrom durch einen Halbleiter schicken kann, da er doch so groß ist. Ein TIC106 komtm da wohl nicht in Frage, oder doch?
Georg G. schrieb: > Früher versuchte der Entwickler, die Leuchtdauer so lang wie > möglich zu machen, um den Schwarzschild Effekt des Silberfilmes zu > überlisten. Heutige Digitalkameras sind da unproblematisch. Die Leuchtdauer möchte man unter bestimmten Bedingungen auch heute so lange wie möglich haben, um mit Schlitzverschlüssen auch mit kürzeren Belichtungszeiten als der Blitzsynchronzeit arbeiten zu können. Je nach Ausführung des Schlitzverschlusses liegt die Blitzsynchronzeit zwischen 1/60 und 1/250, verbreitet sind Werte zwischen 1/125 und 1/200. Um nun mit kürzeren Belichtungszeiten arbeiten zu können, was bei der Verwendung als Aufhellblitz interessant ist, muss die Abbrenndauer des Blitzes länger sein als die Blitzsynchronzeit, denn der gesamte Belichtungsvorgang ist unabhängig von der effektiven Belichtungszeit mindestens so lang wie die Blitzsynchronzeit.
Hallo Georg, danke schon mal für die Infos. Warum verwendet man Thyristoren und keine abschaltbaren Schalter? Ich meine: IGBTs & Co haben doch ähnliche Werte? Oder sind Thyristoren einfacher und damit robuster? Ich habe auch mal geschaut und schätze eher, dass man Typen wie den BTW68, BTW69 oder BT145B bräuchte, oder? Christian
Stefan schrieb: > Allerdings frage ich mich, ob man wirklich den Laststrom durch einen > Halbleiter schicken kann Du wirst dich wundern, was ein Halbleiter alles aushält. Der Blitz dauert 1/1000s (wenn er komplett den Elko entlädt). Wichtig ist also, dass der Thyristor schnell ist. Andererseits wurden diese Geräte Anfang der 80er Jahre entwickelt. Damals gab es richtig schnelle Thyristoren (wie heute) noch nicht. Leider habe ich keine Schaltbilder mehr und erinnere mich auch nicht mehr an die Typen, die verwendet wurden. Die einfachste Lösung: Geh in die Stadt zum Trödler und kauf dir ein altes gebrauchtes "Computer Blitzgerät". Das Problem dabei ist nur, dass die meisten kleinen Blitzgeräte das Licht durch Kurzschluss ausgeschossen haben. Ich versuche die Tage mal, einen der alten Kollegen zu finden.
Rufus Τ. Firefly schrieb: > Schlitzverschlüssen auch mit kürzeren > Belichtungszeiten als der Blitzsynchronzeit arbeiten zu können Bei einem Schlitzverschluss musst du sicherstellen, dass für eine kurze Zeit beide Vorhänge offen sind. Meist ist das dann 1/60s. Der Blitz ist immer deutlich kürzer. Selbst mit vielen Tricks bekommst du bei Studioanlagen maximal etwa 1/100s Brenndauer.
Christian Wolf schrieb: > Warum verwendet man Thyristoren und keine abschaltbaren Schalter? Einfache Antwort: 1980 waren IGBTs noch nicht erfunden. Heute: Die Thyristor Schaltung ist robust und billig.
Rufus Τ. Firefly schrieb: > Die Leuchtdauer möchte man unter bestimmten Bedingungen auch heute so > lange wie möglich haben, um mit Schlitzverschlüssen auch mit kürzeren > Belichtungszeiten als der Blitzsynchronzeit arbeiten zu können. > Je nach Ausführung des Schlitzverschlusses liegt die Blitzsynchronzeit > zwischen 1/60 und 1/250, verbreitet sind Werte zwischen 1/125 und 1/200. > > Um nun mit kürzeren Belichtungszeiten arbeiten zu können, was bei der > Verwendung als Aufhellblitz interessant ist, muss die Abbrenndauer des > Blitzes länger sein als die Blitzsynchronzeit, denn der gesamte > Belichtungsvorgang ist unabhängig von der effektiven Belichtungszeit > mindestens so lang wie die Blitzsynchronzeit. Grundsätzlich gibt es zwei Möglichkeiten, kurze Belichtungszeiten zu realisieren: Entweder man arbeitet mit langen Blitzen(länger als die Blitzsynchronzeit) und nutzt den Schlitz der Kamera. Das kommt dann einem "Dauerlicht" gleich, wobei die Blitzleistung um ein vielfaches höher sein muss, als im anderen Fall: Es wird ein großer Teil der Leitung auf den Vorhängen verbraten. Edit: Genau genommen werden hier meist mehrere Blitze kurz hintereinander verwendet, die wie ein langer wirken. Alternativ kann man mit niedriger ISO, kleiner Blende und langer Belichtungszeit (gr. als Synchronzeit) arbeiten. Der Blitz löst dann aus, wenn der gesamte Sensor frei liegt. In diesem Falle gibt der Blitz die "Dauer der Belichtung" vor. Es soll also die meiste Lichtenergie vom Blitz kommen, der mega-giga-schnell abrennen sollte ;) So hat man mir das jedenfalls erklärt. Christian
Blitz-IGBTs gibt es nur bis zu bestimmten (kleinen) Strömen, Thyristoren sind doch wesentlich robuster.
Christian Wolf schrieb: > ich habe mal ein paar Fragen zum Thema Blitzröhre und Funkenstrecke. > Unterm Strich gehts um die Machbarkeit eines Geräts, das einzelne, sehr > kurze Blitze hoher Energie abgeben kann. Wenn es speziell um kurze Blitze geht und nicht um ein Universalgerät mit variabler Brennzeit, dann ist der einfachste Weg, Blitzkondensatoren mit kleinerer Kapazität bei höherer Spannung zu verwenden. Z.B. ein paar Dutzend nF bei einigen kV. Ich hatte sogar mal eine sehr gute Bauanleitung dafür im Web gesehen, finde den Links aber gerade nicht. Recht instruktiv sind aber diese Seiten: http://www.rapp-instruments.de/foto/Kurzzeit/highspeed/highspeed.htm http://www.rapp-instruments.de/index3.htm XL
Ich hab für die gleiche Anwendung mal den Vishay 70TPS16 eingesetzt. Funktioniert wunderbar. (getestet bis 1000J mit langsamer Lampe -> Spitzestrom 700A, bin mir aber sicher, dass er auch bis 2000J funktioniert.) Zum Widerstand der Lampe: Je nach Geschwindigkeit der Lampe beträgt der Widerständ typischerweise 0.1-1Ohm. Zum Rechnen kann man gut einen ohmschen Widerstand annehmen.
Axel Schwenke schrieb: > bei einigen kV Da sollte man aber schon schauen, wann bei den Blitzröhren schluss ist, sonst zünden die von selbst. Ansonsten kann man zur Reduzierung der Blitzleistung auch die Ladespannung der Kondensatoren variieren ... Gruß Jobst
Nutze mal die SuFu. Ich habe hier im Forum schon mal den Schaltplan eines Studioblitzes gepostet. Da kannst du sehen, wie das mit der Abschaltung funktioniert. Torsten
Ich nehme mal an du meinst diesen da? Wird sicher funktionieren, aber die Ladeschaltung etc... Es gibt besseres ^^
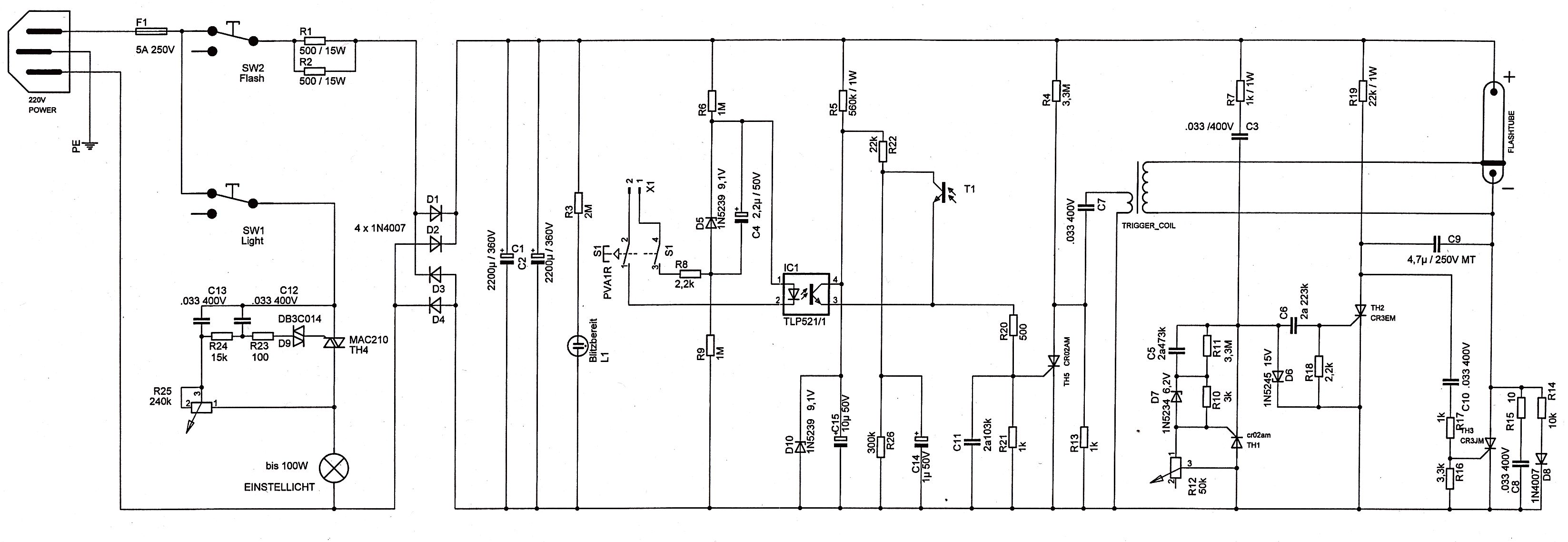
Hallo, Die Schaltung habe ich über SuFu gerade auch gefunden. Ich habe sie aber leider nicht vollständig verstanden. Linke Seite des Gleichrichters ist klar. Dann kommt die Kondensator-Bank und die galv. getrennte Zündvorrichtung (mittels X-System und Slave-Trigger wie ich vermute). Leider habe ich keine Ahnung wie die Zünd- und Löschvorrichtung mit Th1 bis Th3 funktionieren soll. Fehlen da noch Bauteile? Ich meine: Woher weiß der/die Löschthyristoren, dass JETZT gelöscht werden soll (es gibt keine Verbindung nach links)? Kann mir den Schlatungsteil jemand näher erklären? Noch eine kleine Frage am Rande: Ich habe irgendwo gelesen, dass man eine Spule bräuchte, um die Löschung zu ermöglichen. Wird hier die parasitäre Induktivität genutzt oder ist das L nicht nötig? Noch eine andere Frage: Wenn ich einen durchgeschaltenen Thyristor habe, der gelöscht werden soll und parallel einen Zweig bestehend aus C und Hilfs-Thyristior schalte, wie erreiche ich die Kommutierung? Wie verhindere ich, dass der Hauptthyristor noch einen Teil des Stromes weiterhin leitet und damit leitend bleibt? Oder wird der Kondensator zuvor negativ geladen, um eine neg. AK-Spannung am Thyristor zu erzeugen? Christian
Christian Wolf schrieb: > Ich meine: Woher weiß der/die Löschthyristoren, dass > JETZT gelöscht werden soll (es gibt keine Verbindung nach links)? Kann > mir den Schlatungsteil jemand näher erklären? Mit C9 löscht Th2 Th3. Die Lampe wurde gezündet und durch Th3 fliesst Strom (getriggert durch C9, C10). C9 läd sich auf. Zum löschen wird Th2 abgefeuert und C9 sorgt mit seiner Ladung dafür, dass der Strom nicht mehr durch Th3, sondern durch C9 und Th2 fliesst. Th3 löscht sich dadurch. Gruß Jobst
Hallo, danke schon mal für den Versuch mir das näher zu bringen ;) Jobst M. schrieb: > Mit C9 löscht Th2 Th3. > > Die Lampe wurde gezündet und durch Th3 fliesst Strom (getriggert durch > C9, C10). Heißt das, dass die Lampe bereist leitfähig ist, sobald der Zündimpuls abgegeben ist? Ich dachte dieser soll nur das Durchbrechen der eigentlichen Funkenstrecke erleichtern duch Emission von Elektronen. Durch den Spannungspuls ist doch noch kein Ionenkanal für den Blitz aufgebaut, oder? > C9 läd sich auf. Wie herum? links + rechts -, oder? > Zum löschen wird Th2 abgefeuert und C9 sorgt > mit seiner Ladung dafür, dass der Strom nicht mehr durch Th3, sondern > durch C9 und Th2 fliesst. Th3 löscht sich dadurch. Wie wird Th2 gezündet? Wie wird C9 wieder entladen? DAmit Th2 aufhört zu leiten, muss eine ausreichend große Gegenspannung in C9 aufgebaut sein, also rechts +. Vgl oben Triggern von Th3. Danke schonmal Christian
Christian Wolf schrieb: > Heißt das, dass die Lampe bereist leitfähig ist, sobald der Zündimpuls > abgegeben ist? Die Lampe löst den Zündimpuls aus. > Ich dachte dieser soll nur das Durchbrechen der > eigentlichen Funkenstrecke erleichtern duch Emission von Elektronen. Nein, gezündet wird mit Th5 über die Trigger Coil. Mit der Spannung an der Sekundärseite wird das Gas ionisiert und die Lampe dadurch leitfähig, wodurch an C9 auf einmal positives Potenzial ist und damit Th3 zündet - wodurch dann auch Strom durch die Lampe fliessen kann. > Durch den Spannungspuls ist doch noch kein Ionenkanal für den Blitz > aufgebaut, oder? s.o. >> C9 läd sich auf. > Wie herum? links + rechts -, oder? Genau. >> Zum löschen wird Th2 abgefeuert und C9 sorgt >> mit seiner Ladung dafür, dass der Strom nicht mehr durch Th3, sondern >> durch C9 und Th2 fliesst. Th3 löscht sich dadurch. > Wie wird Th2 gezündet? Wie wird C9 wieder entladen? DAmit Th2 aufhört zu > leiten, muss eine ausreichend große Gegenspannung in C9 aufgebaut sein, > also rechts +. Vgl oben Triggern von Th3. Nein. C9 ist links positiv. Dieses positive Ende wird durch Th2 nun auf minus gelegt. Damit ist das negative Ende von C9 am positiven Ende von Th3. D.h. der Strom möchte nun anders herum fliessen aber Th3 wird schon abgeschaltet haben. C9 wird durch die Lampe nun noch geladen und dann war es das mit Stromfluss und Th2 sperrt auch wieder. Über R14 wird C9 entladen. Ach so ... Th2 wird durch Th1 gezündet. Wie das Ding läuft, ist mir im Moment allerdings auch nicht ganz klar. Das einzige, was mir klar ist, ist das die Spannung an den Ladeelkos sinkt, nachdem die Lampe gezündet wurde. Die Entladekurve ist allerdings nicht steil genug, um Th2 zu zünden. Irgendwie wird aber in Th1 bzw. drum herum, eine Zeitkonstante gestartet, die Th1 irgendwann dazu bringt zu zünden (Beachte: Th1 ist gleichspannungsmäßig nirgends mit Betriebsspannung verbunden!) Gruß Jobst
Christian Wolf schrieb: > Hallo allerseits, > > ich habe mal ein paar Fragen zum Thema Blitzröhre und Funkenstrecke. Sag mal, sind das nur theoretische Betrachtungen oder hast du konkrete Fototechnik die du benennen kannst? Es gibt da große Unterschiede.
Hi, Michael_ schrieb: > Sag mal, sind das nur theoretische Betrachtungen oder hast du konkrete > Fototechnik die du benennen kannst? > Es gibt da große Unterschiede. ich habe noch keine Hardware. Ich wollte erst wissen, was (sinnvoll) möglich ist, bevor ichein Projekt daraus mache und womöglich zig EUR zum Fenster raus werfe. Gedacht war eine Röhre mit so um die 200 bis 400J. Also nichts zu großes im Vergleich zu anderen Leuten hier, die bei dem zehnfachen sind... Kannst du mir solche Unterschiede nennen, auf die ich achten sollte/die ich in meinen Überlegungen unbedingt berücksichtigen sollte? Danke Christian
Ja, moderne Digitalkameras, Kameras mit Schlitzverschluß oder welche mit Zentralverschluß. Natürlich steht die Frage, warum du so etwas selbst bauen willst und zu welchen Zweck. Das was du willst, kriegst du auf dem Trödelmarkt für einen EUR. Beim Zentralverschluß kannst du auch wesentlich kürzer synchronisieren.
Christian Wolf schrieb: > und womöglich zig EUR zum > Fenster raus werfe. Gedacht war eine Röhre mit so um die 200 bis 400J. Schon mal bei Walimex geschaut? In welcher Bauform suchst Du eigentlich? Gruß Jobst
Hallo, Michael_ schrieb: > Ja, moderne Digitalkameras, Kameras mit Schlitzverschluß oder welche mit > Zentralverschluß. > Natürlich steht die Frage, warum du so etwas selbst bauen willst und zu > welchen Zweck. > Das was du willst, kriegst du auf dem Trödelmarkt für einen EUR. > Beim Zentralverschluß kannst du auch wesentlich kürzer synchronisieren. wirklich? Das wäre ja toll! Einen Blitz mit 400J mit 220V Anschluss und einer Abbrenndauer von 1/10.000 sec bei voller Leistung (nur mal als Rechenbeispiel)? Das ganze für 1EUR? Einfach toll. Ich denke aber, dass die "alten" Geräte dann doch nicht ganz so schnell sein werden, wie ich das gerne hätte. Die alten Computer-Blitze waren in der 1. Generation ja bekannt, dass sie recht lange nachgeleuchtet haben (lt Wiki/Internet). Nur die mit den Abschaltvorrichtungen waren einigermaßen schnell. Aber hier v.a. die Systemblitze (auf den Blitzschuh der Kamera). Für mich wäre eine statische Lösung praktikabler (220V), also gehts eher in Richtung Studioblitz. Aber das hängt auch ein bisschen davon ab, was hier an der Diskussion raus kommt. Ich denke das war auch die Info die Jobst haben wollte. Bei Walimex habe ich kurz reingeschaut, aber die Studio-Blitze sind mir etwas zu langsam. Ich wollte ursprünglich mal was mit Trickfotografie machen. Christian
Christian Wolf schrieb: > wirklich? > Das wäre ja toll! Einen Blitz mit 400J mit 220V Anschluss und einer > Abbrenndauer von 1/10.000 sec bei voller Leistung (nur mal als > Rechenbeispiel)? Das ganze für 1EUR? Einfach toll. Langsam tröpfelt wieder mal die Information, was du eigentlich willst. Am Anfang waren es noch 1/2000 sec. Mach dich doch mal schlau, wie kurz ein Zentralverschluß einer Studiokamera synchronisieren kann. So richtig schlau werde ich noch nicht, was du willst. Analog oder Digital? Foto oder Serienaufnahme oder Film? Schau auch mal bei der Technik der Stroposkop-Blitze rein.
Hallo, sorry, ich war etwas angefressen, weil ich mich nicht verstanden fühlte. Ich möchte gerne Tropfen einfrieren. Dazu wird eine DSLR zur Verfügung stehen. Welche weiß ich noch nicht sicher, da noch nicht angeschafft. Für erste Tests muss die alte Olympus E400 herhalten. Das ganze wird eine Einzelaufnahme und keine Serie oder gar Film. Im Internet gibts einige Infos, welche Abrenndauern man da braucht, um einen fliegenden Tropfen zu erwischen. Da war die Rede von kleiner 1/2000. Besser 1/8000 oder was in der Art. Sicherlich wird kein Zentralverschluss an der Kamera sein (eine Hasselblad kann ich mir mit allem Zubehör leider nicht leisten). Was willst du mir mit dem Satz > Mach dich doch mal schlau, wie kurz ein Zentralverschluß einer > Studiokamera synchronisieren kann. sagen? Es geht doch um die Abrenndauer kopf kratz ?!? Idealvorstellung (nicht lachen nur schmunzeln): 1000J mit 1/10.000 sec Abrenndauer (und das ganze natürlich für ganz wenig Geld ;)) Realvorstellung: 200-300J bei 1/2.000 oder 1/4.000. Dennoch will ich mal sehen, wie weit ich komme, wenn ich daraus tatsächlich mal ein (hardwaremäßiges) Projekt mache. Christian
Also ein normales Foto digital. Um Versuche wirst du nicht herumkommen. Bei Blitz ist eigentlich die Verschlußzeit Nebensache. Üblicherweise wird da mit der Leitzahl gerechnet. Leitzahl ist die Entfernung mal Blende. Und das bei entsprechender DIN-Zahl. Du mußt nur einen kurzen Blitz zur richtigen Zeit mit offenem Verschluß machen. Auf Grund der Entfernung braucht der gar nicht so stark sein. Mit modernen Kameras kann man so etwas evtl. ohne Blitz machen. Wie im obigen Beispiel. Da kann man es mit kurzer Verschlußzeit hinkriegen. Meine Fiji HS30EXR hat als kürzeste Verschlußzeit 1/4000. Sicher gibt es da bessere. Und dann Serienaufnahme, das müßte ich eigentlich auch mal testen.
Hier findest Du sehr gute beschreibungen der elektrischen Parameter von Entladungslampen: - http://www.heraeus-noblelight.com/media/webmedia_local/media/pdf/af/LampBook_0711.pdf - http://www.perkinelmer.de/PDFS/downloads/dts_applicationnotehighperformanceflash_final071004.pdf Die Dokumente enthalten auch Symbolschaltbilder für typischen Ansteuer-Schaltungen. Normalerweise macht man das nämlich anders, als Du es mit machen wölltest (Schaltbild im Eingangsposting): Die Energie wird in Kondensatoren gespeichert die direkt über der Lampe hängen - die Spannung reicht aber nicht aus um das Gas in der Lampe zu ionisieren, sie zündet also nicht. Nun kommt der Trigger-Trafo ins Spiel, der entweder direkt in Serie zur Lampe sitzt (dann muss die Sekundärwicklung aber auch den Impulsstrom tragen können) oder auf eine extra Trigger-Elektrode an der Lampe geführt wird. Die Ausgangsspannund des Trigger-Trafos ist wesentlich höher als die typischen Spannungslevels in den Speicherkondensatoren und muss sicher das Gas in der Lampe ionisieren können - ist dies geschehen entlädt sich der Kondensator über das Plasma. Die minimal zu erzielenden Pulslängen hängen stark von der Lampe ab - wenn Die Pulslängen so kurz sind, dass sie mit den typischen Blitzlampen nicht mehr erzielt werden können, gibt es da wohl noch die Möglichkeit einen Lichtbogen einfach in der Luft zu zünden - da kommt dann ein spezieller Aufbau anstatt einer Blitzlampe zum Einsatz, die Ansteuerschaltung ist sehr ähnlich. Zur Konstruktion einer solchen Blitzanlage siehe: http://www.glacialwanderer.com/hobbyrobotics/?p=490 Das abschalten inmitten eines Impulses ist eine selten genutzte Spezialgeschichte - dies setzt dann wirklich ein Abschaltelement im Entladungskreis voraus. Mit dieser Methode kann man zwar auch sehr kurze Lichtimpulse erzeugen, die dabei umsetzbare Energie ist aber begrenzt und die Konstruktion der Ansteuerschaltung ist wesentlich anspruchsvoller. Nunja, mit den beiden oben verlinkten Dokumenten solltest Du erst einmal genug zu lesen haben, was Dich auf ein paar weiterführende Ideen bringen sollte ;)
Christian Wolf schrieb: > Idealvorstellung (nicht lachen nur schmunzeln): 1000J mit 1/10.000 sec > Abrenndauer (und das ganze natürlich für ganz wenig Geld ;)) > Realvorstellung: 200-300J bei 1/2.000 oder 1/4.000. Dann lass dir mal vom Elektriker deines Vertrauens die Ströme ausrechnen, die da fließen müssen. Das geht aber richtig ins Geld. Allein die Blitzlampe wird (wenn du eine Lebensdauer von > 1000 Schuss haben willst) einige Hunderter kosten. Bei 250Ws wirst du schnell bei Spannungen von 2kV und mehr landen, damit die Zeit kurz genug wird. Der passende Kondensator ist auch nicht umsonst. Denk an die Spitzenströme. Da geht nicht jede Bauform. Mir ist auch unklar, warum du so viel Leistung nehmen willst. Du hast eine normale KB Kamera, keine 9*12 Plattenkiste. Da sollten 50Ws völlig ausreichen. Alles in allem hast du dir ein recht anspruchsvolles Projekt ausgesucht.
Wenn es nur um schöne Bilder geht: http://chdk.wikia.com/wiki/Samples:_High-Speed_Shutter_%26_Flash-Sync 1/60000sec ohne viel hokuspokus
Georg G. schrieb: > Mir ist auch unklar, warum du so viel Leistung nehmen willst. Du hast > eine normale KB Kamera, keine 9*12 Plattenkiste. Da sollten 50Ws völlig > ausreichen. Das ist blanker Unsinn! Es hängt nicht von der Art der Kamera ab. Einzig ist die Leitzahl entscheident. Variablen dazu sind Blende, DIN und die Enfernung vom Blitz zum Objekt.
Georg G. schrieb: > Dann lass dir mal vom Elektriker deines Vertrauens die Ströme > ausrechnen, die da fließen müssen. Das geht aber richtig ins Geld. ??? Ein Blitz mit 250Ws oder auch J sind 69,4mWh - oder auf dem Stromzähler 0,0000694kWh - das wird aber Teuer! Nach 14400 Blitzen ist eine kWh verbraucht - unerschwinglich! Selbst wenn man einen Wirkungsgrad von 50% oder weniger nimmt keiner Disskussion Wert. Michael_ schrieb: > Das ist blanker Unsinn! Es hängt nicht von der Art der Kamera ab. > Einzig ist die Leitzahl entscheident. > Variablen dazu sind Blende, DIN und die Enfernung vom Blitz zum Objekt. Korrekt, denn die Blende ist das Verhältnis von Brennweite zu Blendendurchmesser. Daher verhalten sie sich auch quadratisch zueinander, weil das eine eine Strecke (Brennweite) und das andere eine Fläche (Blende, deshalb auch Av für automatische Blende) ist. Und das abgebildetet Bild ist wiederum von Brennweite und Film- bzw. Sensorgröße abhängig. D.h. ein z.B. doppelt so breiter und hoher Film benötigt a) für den selben Bildausschnitt die doppelte Brennweite und b) für die selbe Helligkeit pro cm² die insgesamt 4-fache Lichtmenge - welche er auch bekommt, da durch die doppelte Brennweite bei gleicher Blendenzahl sich die Blendenöffnung auch im Durchmesser verdoppelt und damit die 4-fache Öffnungsfläche und damit auch die 4-fache Lichtmenge zur Verfügung stellt. (Daher verändert sich beim zoomen (mit konstanter Blende) auch die Helligkeit nicht, weil die Blende mitwächst - aber das zur Verfügung stehende Licht wird weniger. Denn die zu fotografierende Fläche und damit das eingefangene Licht, wird ja weniger) Allerdings hat Georg in soweit Recht, dass 200Ws gar nicht benötigt werden. Mit 200Ws kann man Motive bis zu einigen Metern Entfernung ausleuchten. Um einen Tropfen aus einem halben Meter zu belichten reichen vermutlich weniger als 20Ws. Leider habe ich jetzt keine Zeit mehr, sonst hätte ich Beispielbilder gemacht. Gruß Jobst
Michael_ schrieb: > Das ist blanker Unsinn! Unterhalte dich doch mal mit einem gelernten Fotografen über das Thema. Ansonsten: Nuhr.
Jobst M. schrieb: > Nach 14400 Blitzen ist eine kWh > verbraucht - unerschwinglich! Du hast mich falsch verstanden. Die Bauteile für diese hohe Ströme gehen ins Geld. Eine Blitzröhre für 200A und 50Ws bekomme ich fast für lau oder aus dem Schrott. Bei 2kA und 1000Ws wird es eine Studio Röhre. Durch die Konsumer Röhren bekommst du den Strom nicht durch, die sind zu hochohmig und im übrigen bei den Leistungen nach 100 Schuss blind, weil die Elektroden verdampft sind.
Georg G. schrieb: > Michael_ schrieb: >> Das ist blanker Unsinn! > > Unterhalte dich doch mal mit einem gelernten Fotografen über das Thema. > Ansonsten: Nuhr. Ich bezog mich auf KB-kamera und Plattenkiste. Nochmal, es ist völlig gleich, welcher Kameratyp es ist. Maßgeblich sind nur oben genannte Variablen. Mit einem Fotografen unterhalte ich mich gern, da wir einer Meinung sind. Ich hab genug Fotografie gemacht, zu einer Zeit wo man wissen mußte was man tat.
Georg G. schrieb: > Michael_ schrieb: >> Das ist blanker Unsinn! > > Unterhalte dich doch mal mit einem gelernten Fotografen über das Thema. > Ansonsten: Nuhr. Dann kommentier doch einfach mal das, was ich geschrieben habe. Denn ich unterstütze Michaels Aussage ja. Georg G. schrieb: > Du hast mich falsch verstanden. Das sieht dann wohl ganz danach aus. Du hast Dich allerdings auch nicht sonderlich eindeutig ausgedrückt. > Bei 2kA und 1000Ws wird es eine Studio Röhre. 40,- bei Conrad. - gab es dort zumindest mal, habe ich einige Portys mit gebaut. Gruß Jobst
Jobst M. schrieb: > Dann kommentier doch einfach mal das, was ich geschrieben habe. Denn ich > unterstütze Michaels Aussage ja. Das Stichwort ist "Auszugsverlängerung". Bei der Makrofotografie (um die es hier ja wohl geht) kommt es zur "effektiven Blende", die stets kleiner ist als die rechnerische Blende. Da kann es schon passieren, dass aus eingestellter 5.6 eine effektive 90 wird. Was meinst du, warum die Studiofotografen mit etlichen kWs arbeiten wenn es um kleine Dinge geht? Für den Portraitfotografen ist das irrelevant. > 40,- bei Conrad. - gab es dort zumindest mal, habe ich einige Portys mit > gebaut. Kann sein, dass C die Dinger so genannt hat. Besser als die Konsumerware waren sie vermutlich. Aber für Ultrakurzzeitfotografie brauchst du noch ganz andere Kaliber.
Bitte melde dich an um einen Beitrag zu schreiben. Anmeldung ist kostenlos und dauert nur eine Minute.
Bestehender Account
Schon ein Account bei Google/GoogleMail? Keine Anmeldung erforderlich!
Mit Google-Account einloggen
Mit Google-Account einloggen
Noch kein Account? Hier anmelden.

